BOSCH Scheibe | Ersatzteile für 666H1 | 2610371805

Artikelnummer: EB-F0150666J1-2610371805

Position: 25

Marke: BOSCH


Bitte Kompatibilität prüfen!

Bitte prüfen Sie unbedingt die 10-stellige Typennummer Ihrer Maschine / Ihres Gerätes. Das Ersatzteil ist nur kompatibel, wenn Sie die Typennummer Ihrer Maschine in der unten stehenden Produktbeschreibung finden.

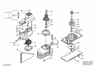
Bitte prüfen Sie ebenfalls detailliert die Explosionszeichnung mit Ihrem Artikelwunsch und der jeweiligen Pos-Nummer.

Alle Elemente, welche vom schwarzen Strich der Pos-Nummer ausgehend berührt / erfasst werden, gehören zu dieser Pos-Nummer und somit zu diesem Artikel. Jede Pos-Nummer ist ein eigenständiger Artikel, welchen Sie in der Auflistung finden.

Sie erhalten stets die aktuellste, neueste Produktversion zu der gewählten Pos-Nummer seitens des Herstellers. Es kann daher je nach Gerätealter vorkommen, dass Sie ggf. weitere, zugehörige Elemente, welche an diese Pos-Nummer grenzen, ebenfalls mittauschen müssen.

Nähere Informationen finden Sie unter dem Link
Hinweise zu Ihrer BOSCH Ersatzteilsuche

Preisübersicht

Einzelpreis: 3,95 €* (Brutto: 4,70 €)
Gesamtpreis: 3,95 €* 
Position:

Lieferzeit: 5 Werktage


Beschreibung

  • Scheibe
  • Original Bosch Zubehör / BOSCH Ersatzteil (2610371805)
  • im Gerät verbaut: 1
Dieses BOSCH Ersatzteil ist mit folgendem Gerät und Modell kompatibel:
  • BOSCH Gerätename: 666H1
  • BOSCH Explosionszeichnung: Position 25
  • BOSCH Typennummer: F0150666J1
  • BOSCH Typennummer alternative Schreibweisen: F 015 066 6J1, F015 066 6J1, F.015.066.6J1, F-015-066-6J1
    Bitte prüfen Sie diese Typennummer auf Ihrem Gerät um die Kompatibilität des BOSCH Ersatzteils zu gewährleisten.
Weitere BOSCH Ersatzteile des Gerätes 666H1 (Schwingschleifer) mit der Typennummer F0150666J1 finden Sie in der nachfolgenden Darstellung und im Dropdown zu Ihrer Auswahl:

Pos.
1
BOSCH Gehäuse | Ersatzteile für 666H1 | 2610391545
Hersteller: BOSCH
Artikelnummer: EB-F0150666J1-2610391545
nur Informationsartikel
Nie mehr lieferbar
keine Alternativen
Pos.
2
BOSCH Polschuh 230-240V | Ersatzteile für 666H1 | 2610376116
Hersteller: BOSCH
Artikelnummer: EB-F0150666J1-2610376116
nur Informationsartikel
Nie mehr lieferbar
keine Alternativen
Pos.
3
BOSCH Anker 230-240V | Ersatzteile für 666H1 | 2610376118
Hersteller: BOSCH
Artikelnummer: EB-F0150666J1-2610376118
nur Informationsartikel
Nie mehr lieferbar
keine Alternativen
Pos.
4
BOSCH Schalter ROT | Ersatzteile für 666H1 | 2610390837
Hersteller: BOSCH
Artikelnummer: EB-F0150666J1-2610390837
nur Informationsartikel
Nie mehr lieferbar
keine Alternativen
Pos.
5
BOSCH Netzanschlussleitung GB 4,15m 2 x 1,0mm HO7 RN-F | Ersatzteile für 666H1 | 2610377160
Hersteller: BOSCH
Artikelnummer: EB-F0150666J1-2610377160
nur Informationsartikel
Nie mehr lieferbar
keine Alternativen
Pos.
6
BOSCH Tülle | Ersatzteile für 666H1 | 2610360176
Hersteller: BOSCH
Artikelnummer: EB-F0150666J1-2610360176
Netto: 3,94 € zzgl. MwSt.
zzgl. 6,90 € Versand (brutto)
einmalig pro Bestellung

Lieferzeit: 5 Werktage

Pos.
7
BOSCH Kabelschelle | Ersatzteile für 666H1 | 2610372855
Hersteller: BOSCH
Artikelnummer: EB-F0150666J1-2610372855
nur Informationsartikel
Nie mehr lieferbar
keine Alternativen
Pos.
10
BOSCH Kohlebürstensatz | Ersatzteile für 666H1 | 2610376111
Hersteller: BOSCH
Artikelnummer: EB-F0150666J1-2610376111
nur Informationsartikel
Nie mehr lieferbar
keine Alternativen
Pos.
12
BOSCH Entstörkondensator | Ersatzteile für 666H1 | 2609004538
Hersteller: BOSCH
Artikelnummer: EB-F0150666J1-2609004538
Netto: 5,17 € zzgl. MwSt.
zzgl. 6,90 € Versand (brutto)
einmalig pro Bestellung

Lieferzeit: 5 Werktage

Pos.
13
BOSCH Rillenkugellager 8x22x7 | Ersatzteile für 666H1 | 2600905052
Hersteller: BOSCH
Artikelnummer: EB-F0150666J1-2600905052
Netto: 7,66 € zzgl. MwSt.
zzgl. 6,90 € Versand (brutto)
einmalig pro Bestellung

Lieferzeit: 5 Werktage

Pos.
14
BOSCH Kugellager | Ersatzteile für 666H1 | 2610370702
Hersteller: BOSCH
Artikelnummer: EB-F0150666J1-2610370702
nur Informationsartikel
Nie mehr lieferbar
keine Alternativen
Pos.
22
BOSCH Schraube | Ersatzteile für 666H1 | 2610367838
Hersteller: BOSCH
Artikelnummer: EB-F0150666J1-2610367838
nur Informationsartikel
Nie mehr lieferbar
keine Alternativen
Pos.
23
BOSCH Schraube | Ersatzteile für 666H1 | 2610367837
Hersteller: BOSCH
Artikelnummer: EB-F0150666J1-2610367837
nur Informationsartikel
Nie mehr lieferbar
keine Alternativen
Pos.
24
BOSCH Schraube | Ersatzteile für 666H1 | 2610362207
Hersteller: BOSCH
Artikelnummer: EB-F0150666J1-2610362207
Netto: 3,95 € zzgl. MwSt.
zzgl. 6,90 € Versand (brutto)
einmalig pro Bestellung

Lieferzeit: 5 Werktage

Pos.
25
BOSCH Scheibe | Ersatzteile für 666H1 | 2610371805
Hersteller: BOSCH
Artikelnummer: EB-F0150666J1-2610371805
Netto: 3,95 € zzgl. MwSt.
zzgl. 6,90 € Versand (brutto)
einmalig pro Bestellung

Lieferzeit: 5 Werktage

Pos.
26
BOSCH Klemme | Ersatzteile für 666H1 | 2610372854
Hersteller: BOSCH
Artikelnummer: EB-F0150666J1-2610372854
nur Informationsartikel
Nie mehr lieferbar
keine Alternativen
Pos.
27
BOSCH Staubbeutel ROT | Ersatzteile für 666H1 | 2610391292
Hersteller: BOSCH
Artikelnummer: EB-F0150666J1-2610391292
nur Informationsartikel
Nie mehr lieferbar
keine Alternativen
Pos.
28
BOSCH Luftleitblech | Ersatzteile für 666H1 | 2610376117
Hersteller: BOSCH
Artikelnummer: EB-F0150666J1-2610376117
nur Informationsartikel
Nie mehr lieferbar
keine Alternativen
Pos.
29
BOSCH Ring | Ersatzteile für 666H1 | 2610366799
Hersteller: BOSCH
Artikelnummer: EB-F0150666J1-2610366799
nur Informationsartikel
Nie mehr lieferbar
keine Alternativen
Pos.
30
BOSCH Zahnradsatz | Ersatzteile für 666H1 | 2610383893
Hersteller: BOSCH
Artikelnummer: EB-F0150666J1-2610383893
nur Informationsartikel
Nie mehr lieferbar
keine Alternativen
Pos.
31
BOSCH Deckel | Ersatzteile für 666H1 | 2610376115
Hersteller: BOSCH
Artikelnummer: EB-F0150666J1-2610376115
nur Informationsartikel
Nie mehr lieferbar
keine Alternativen
Pos.
32
BOSCH Schraube | Ersatzteile für 666H1 | 2610062918
Hersteller: BOSCH
Artikelnummer: EB-F0150666J1-2610062918
nur Informationsartikel
Nie mehr lieferbar
keine Alternativen
Pos.
33
BOSCH Handgriff | Ersatzteile für 666H1 | 2610376120
Hersteller: BOSCH
Artikelnummer: EB-F0150666J1-2610376120
nur Informationsartikel
Nie mehr lieferbar
keine Alternativen
Pos.
34
BOSCH Einsatzstück | Ersatzteile für 666H1 | 2610376121
Hersteller: BOSCH
Artikelnummer: EB-F0150666J1-2610376121
nur Informationsartikel
Nie mehr lieferbar
keine Alternativen
Pos.
35
BOSCH Gehäuse | Ersatzteile für 666H1 | 2610376122
Hersteller: BOSCH
Artikelnummer: EB-F0150666J1-2610376122
nur Informationsartikel
Nie mehr lieferbar
keine Alternativen
Pos.
36
BOSCH Klemme | Ersatzteile für 666H1 | 2610376123
Hersteller: BOSCH
Artikelnummer: EB-F0150666J1-2610376123
nur Informationsartikel
Nie mehr lieferbar
keine Alternativen
Pos.
37
BOSCH Schlauch | Ersatzteile für 666H1 | 2610376124
Hersteller: BOSCH
Artikelnummer: EB-F0150666J1-2610376124
nur Informationsartikel
Nie mehr lieferbar
keine Alternativen
Pos.
38
BOSCH Nadellager | Ersatzteile für 666H1 | 2610386329
Hersteller: BOSCH
Artikelnummer: EB-F0150666J1-2610386329
nur Informationsartikel
Nie mehr lieferbar
keine Alternativen
Pos.
39
BOSCH Getriebe | Ersatzteile für 666H1 | 2610385331
Hersteller: BOSCH
Artikelnummer: EB-F0150666J1-2610385331
nur Informationsartikel
Nie mehr lieferbar
keine Alternativen
Pos.
40
BOSCH Kugellager | Ersatzteile für 666H1 | 2610314429
Hersteller: BOSCH
Artikelnummer: EB-F0150666J1-2610314429
nur Informationsartikel
Nie mehr lieferbar
keine Alternativen
Pos.
41
BOSCH Deckel | Ersatzteile für 666H1 | 2610376126
Hersteller: BOSCH
Artikelnummer: EB-F0150666J1-2610376126
nur Informationsartikel
Nie mehr lieferbar
keine Alternativen
Pos.
42
BOSCH Schraube | Ersatzteile für 666H1 | 2610360541
Hersteller: BOSCH
Artikelnummer: EB-F0150666J1-2610360541
nur Informationsartikel
Nie mehr lieferbar
keine Alternativen
Pos.
43
BOSCH Ring | Ersatzteile für 666H1 | 2610377545
Hersteller: BOSCH
Artikelnummer: EB-F0150666J1-2610377545
Netto: 3,95 € zzgl. MwSt.
zzgl. 6,90 € Versand (brutto)
einmalig pro Bestellung

Lieferzeit: 5 Werktage

Pos.
44
BOSCH Fuss | Ersatzteile für 666H1 | 2610376128
Hersteller: BOSCH
Artikelnummer: EB-F0150666J1-2610385329
nur Informationsartikel
Nie mehr lieferbar
keine Alternativen
Pos.
45
BOSCH Gegengewicht | Ersatzteile für 666H1 | 2610376129
Hersteller: BOSCH
Artikelnummer: EB-F0150666J1-2610385330
nur Informationsartikel
Nie mehr lieferbar
keine Alternativen
Pos.
46
BOSCH Scheibe | Ersatzteile für 666H1 | 2610376130
Hersteller: BOSCH
Artikelnummer: EB-F0150666J1-2610376130
nur Informationsartikel
Nie mehr lieferbar
keine Alternativen
Pos.
47
BOSCH Schraube | Ersatzteile für 666H1 | 2610364798
Hersteller: BOSCH
Artikelnummer: EB-F0150666J1-2610364798
nur Informationsartikel
Nie mehr lieferbar
keine Alternativen
Pos.
48
BOSCH Scheibe | Ersatzteile für 666H1 | 2610061984
Hersteller: BOSCH
Artikelnummer: EB-F0150666J1-2610061984
nur Informationsartikel
Nie mehr lieferbar
keine Alternativen
Pos.
49
BOSCH Schraube | Ersatzteile für 666H1 | 2610360543
Hersteller: BOSCH
Artikelnummer: EB-F0150666J1-2610360543
nur Informationsartikel
Nie mehr lieferbar
keine Alternativen
Pos.
50
BOSCH Fuss | Ersatzteile für 666H1 | 2610376131
Hersteller: BOSCH
Artikelnummer: EB-F0150666J1-2610376131
nur Informationsartikel
Nie mehr lieferbar
keine Alternativen

Angaben zur Produktsicherheit

Hersteller:
Robert Bosch Power Tools GmbH
Postfach 30 02 20
70442 Stuttgart

E-Mail:
kontakt@bosch.de