BOSCH Ständer 220-240V | Ersatzteile für 6716 | 1619PA0407

Artikelnummer: EB-F015671624-1619PA0407

Position: 802

Marke: BOSCH


Bitte Kompatibilität prüfen!

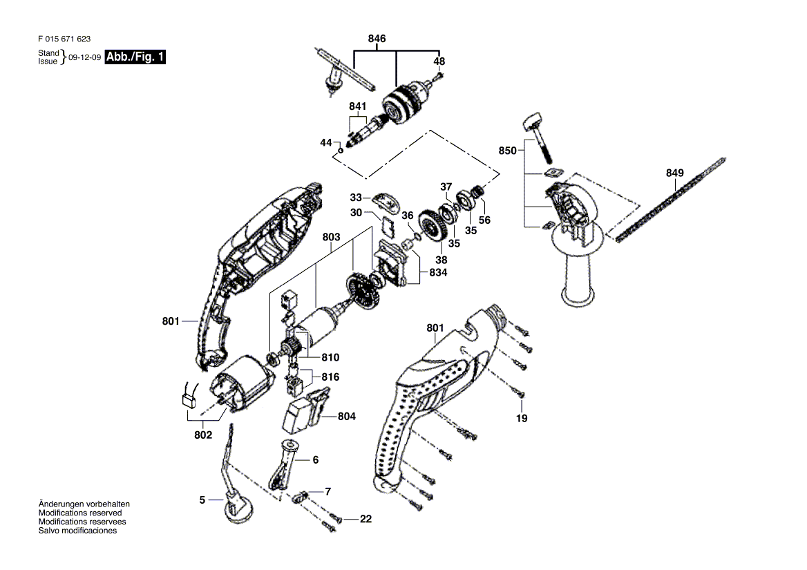
Bitte prüfen Sie unbedingt die 10-stellige Typennummer Ihrer Maschine / Ihres Gerätes. Das Ersatzteil ist nur kompatibel, wenn Sie die Typennummer Ihrer Maschine in der unten stehenden Produktbeschreibung finden.

Bitte prüfen Sie ebenfalls detailliert die Explosionszeichnung mit Ihrem Artikelwunsch und der jeweiligen Pos-Nummer.

Alle Elemente, welche vom schwarzen Strich der Pos-Nummer ausgehend berührt / erfasst werden, gehören zu dieser Pos-Nummer und somit zu diesem Artikel. Jede Pos-Nummer ist ein eigenständiger Artikel, welchen Sie in der Auflistung finden.

Sie erhalten stets die aktuellste, neueste Produktversion zu der gewählten Pos-Nummer seitens des Herstellers. Es kann daher je nach Gerätealter vorkommen, dass Sie ggf. weitere, zugehörige Elemente, welche an diese Pos-Nummer grenzen, ebenfalls mittauschen müssen.

Nähere Informationen finden Sie unter dem Link
Hinweise zu Ihrer BOSCH Ersatzteilsuche

Preisübersicht

Einzelpreis: 21,16 €* (Brutto: 25,18 €)
Gesamtpreis: 21,16 €* 
Position:

Lieferzeit: 5 Werktage


Beschreibung

  • Ständer 220-240V
  • Original Bosch Zubehör / BOSCH Ersatzteil (1619PA0407)
  • im Gerät verbaut: 1
Dieses BOSCH Ersatzteil ist mit folgendem Gerät und Modell kompatibel:
  • BOSCH Gerätename: 6716
  • BOSCH Explosionszeichnung: Position 802
  • BOSCH Typennummer: F015671624
  • BOSCH Typennummer alternative Schreibweisen: F 015 671 624, F015 671 624, F.015.671.624, F-015-671-624
    Bitte prüfen Sie diese Typennummer auf Ihrem Gerät um die Kompatibilität des BOSCH Ersatzteils zu gewährleisten.
Weitere BOSCH Ersatzteile des Gerätes 6716 (Bohrmaschine) mit der Typennummer F015671624 finden Sie in der nachfolgenden Darstellung und im Dropdown zu Ihrer Auswahl:

Pos.
5
BOSCH Netzanschlussleitung | Ersatzteile für 6716 | 1619PA0440
Hersteller: BOSCH
Artikelnummer: EB-F015671624-1619PA0440
Netto: 7,66 € zzgl. MwSt.
zzgl. 6,90 € Versand (brutto)
einmalig pro Bestellung

Lieferzeit: 5 Werktage

Pos.
6
BOSCH Tülle | Ersatzteile für 6716 | F000603043
Hersteller: BOSCH
Artikelnummer: EB-F015671624-F000603043
Netto: 3,63 € zzgl. MwSt.
zzgl. 6,90 € Versand (brutto)
einmalig pro Bestellung

Lieferzeit: 5 Werktage

Pos.
7
BOSCH Befestigungsschelle | Ersatzteile für 6716 | F000616084
Hersteller: BOSCH
Artikelnummer: EB-F015671624-F000616084
Netto: 3,63 € zzgl. MwSt.
zzgl. 6,90 € Versand (brutto)
einmalig pro Bestellung

Lieferzeit: 5 Werktage

Pos.
19
BOSCH Blechschraube | Ersatzteile für 6716 | 1619PA0402
Hersteller: BOSCH
Artikelnummer: EB-F015671624-1619PA0402
nur Informationsartikel
Nie mehr lieferbar
keine Alternativen
Pos.
22
BOSCH Blechschraube | Ersatzteile für 6716 | F000616083
Hersteller: BOSCH
Artikelnummer: EB-F015671624-F000616083
Netto: 3,63 € zzgl. MwSt.
zzgl. 6,90 € Versand (brutto)
einmalig pro Bestellung

Lieferzeit: 5 Werktage

Pos.
30
BOSCH Schaltscheibe | Ersatzteile für 6716 | F000623031
Hersteller: BOSCH
Artikelnummer: EB-F015671624-F000623031
Netto: 3,63 € zzgl. MwSt.
zzgl. 6,90 € Versand (brutto)
einmalig pro Bestellung

Lieferzeit: 5 Werktage

Pos.
33
BOSCH Schiebeknopf | Ersatzteile für 6716 | 1619PA0403
Hersteller: BOSCH
Artikelnummer: EB-F015671624-1619PA0403
nur Informationsartikel
Nie mehr lieferbar
keine Alternativen
Pos.
35
BOSCH Rillenkugellager 12x28x8 | Ersatzteile für 6716 | F000615032
Hersteller: BOSCH
Artikelnummer: EB-F015671624-F000615032
Netto: 6,15 € zzgl. MwSt.
zzgl. 6,90 € Versand (brutto)
einmalig pro Bestellung

Lieferzeit: 5 Werktage

Pos.
36
BOSCH Ring | Ersatzteile für 6716 | 1619PA0404
Hersteller: BOSCH
Artikelnummer: EB-F015671624-1619PA0404
nur Informationsartikel
Nie mehr lieferbar
keine Alternativen
Pos.
37
BOSCH Ring | Ersatzteile für 6716 | 1619PA0405
Hersteller: BOSCH
Artikelnummer: EB-F015671624-1619PA0405
nur Informationsartikel
Nie mehr lieferbar
keine Alternativen
Pos.
38
BOSCH Stirnrad | Ersatzteile für 6716 | F000617036
Hersteller: BOSCH
Artikelnummer: EB-F015671624-F000617036
Netto: 9,95 € zzgl. MwSt.
zzgl. 6,90 € Versand (brutto)
einmalig pro Bestellung

Lieferzeit: 5 Werktage

Pos.
44
BOSCH Kugel | Ersatzteile für 6716 | F000615033
Hersteller: BOSCH
Artikelnummer: EB-F015671624-F000615033
Netto: 3,63 € zzgl. MwSt.
zzgl. 6,90 € Versand (brutto)
einmalig pro Bestellung

Lieferzeit: 5 Werktage

Pos.
48
BOSCH Schraube | Ersatzteile für 6716 | 2610399647
Hersteller: BOSCH
Artikelnummer: EB-F015671624-2610399647
Netto: 3,94 € zzgl. MwSt.
zzgl. 6,90 € Versand (brutto)
einmalig pro Bestellung

Lieferzeit: 5 Werktage

Pos.
56
BOSCH Kontaktfeder | Ersatzteile für 6716 | F000620015
Hersteller: BOSCH
Artikelnummer: EB-F015671624-F000620015
Netto: 3,63 € zzgl. MwSt.
zzgl. 6,90 € Versand (brutto)
einmalig pro Bestellung

Lieferzeit: 5 Werktage

Pos.
801
BOSCH Motorgehäuse | Ersatzteile für 6716 | 1619PA0406
Hersteller: BOSCH
Artikelnummer: EB-F015671624-1619PA0406
Netto: 14,36 € zzgl. MwSt.
zzgl. 6,90 € Versand (brutto)
einmalig pro Bestellung

Lieferzeit: 5 Werktage

Pos.
802
BOSCH Ständer 220-240V | Ersatzteile für 6716 | 1619PA0407
Hersteller: BOSCH
Artikelnummer: EB-F015671624-1619PA0407
Netto: 21,16 € zzgl. MwSt.
zzgl. 6,90 € Versand (brutto)
einmalig pro Bestellung

Lieferzeit: 5 Werktage

Pos.
803
BOSCH Anker Mit Lüfter 220-240V | Ersatzteile für 6716 | 1619PA0408
Hersteller: BOSCH
Artikelnummer: EB-F015671624-1619PA0408
Netto: 24,13 € zzgl. MwSt.
zzgl. 6,90 € Versand (brutto)
einmalig pro Bestellung

Lieferzeit: 5 Werktage

Pos.
804
BOSCH Ein/Aus-Schalter | Ersatzteile für 6716 | 1619PA0409
Hersteller: BOSCH
Artikelnummer: EB-F015671624-1619PA0409
Netto: 11,92 € zzgl. MwSt.
zzgl. 6,90 € Versand (brutto)
einmalig pro Bestellung

Lieferzeit: 5 Werktage

Pos.
810
BOSCH Kohlebürstensatz | Ersatzteile für 6716 | 1619PA0441
Hersteller: BOSCH
Artikelnummer: EB-F015671624-1619PA0441
Netto: 7,30 € zzgl. MwSt.
zzgl. 6,90 € Versand (brutto)
einmalig pro Bestellung

Lieferzeit: 5 Werktage

Pos.
816
BOSCH Kohlebürstenhalter | Ersatzteile für 6716 | 1619PA0470
Hersteller: BOSCH
Artikelnummer: EB-F015671624-1619PA0470
Netto: 4,82 € zzgl. MwSt.
zzgl. 6,90 € Versand (brutto)
einmalig pro Bestellung

Lieferzeit: 5 Werktage

Pos.
834
BOSCH Aufbausatz | Ersatzteile für 6716 | F000613046
Hersteller: BOSCH
Artikelnummer: EB-F015671624-F000613046
Netto: 6,27 € zzgl. MwSt.
zzgl. 6,90 € Versand (brutto)
einmalig pro Bestellung

Lieferzeit: 5 Werktage

Pos.
841
BOSCH Spindel | Ersatzteile für 6716 | F000619050
Hersteller: BOSCH
Artikelnummer: EB-F015671624-F000619050
Netto: 8,33 € zzgl. MwSt.
zzgl. 6,90 € Versand (brutto)
einmalig pro Bestellung

Lieferzeit: 5 Werktage

Pos.
846
BOSCH Bohrfutter 1/2" | Ersatzteile für 6716 | F000632273
Hersteller: BOSCH
Artikelnummer: EB-F015671624-F000632273
nur Informationsartikel
Nie mehr lieferbar
keine Alternativen
Pos.
849
BOSCH Tiefenanschlag SW 6x210 MM | Ersatzteile für 6716 | F000635207
Hersteller: BOSCH
Artikelnummer: EB-F015671624-F000635207
nur Informationsartikel
Nie mehr lieferbar
keine Alternativen
Pos.
850
BOSCH Handgriff | Ersatzteile für 6716 | F000633014
Hersteller: BOSCH
Artikelnummer: EB-F015671624-F000633014
Netto: 21,16 € zzgl. MwSt.
zzgl. 6,90 € Versand (brutto)
einmalig pro Bestellung

Lieferzeit: 5 Werktage

Angaben zur Produktsicherheit

Hersteller:
Robert Bosch Power Tools GmbH
Postfach 30 02 20
70442 Stuttgart

E-Mail:
kontakt@bosch.de