BOSCH Zusatzhandgriff | Ersatzteile für 6846 H1 | 2602025094

Artikelnummer: EB-F0156846C1-2602025094

Position: 24

Marke: BOSCH


Bitte Kompatibilität prüfen!

Bitte prüfen Sie unbedingt die 10-stellige Typennummer Ihrer Maschine / Ihres Gerätes. Das Ersatzteil ist nur kompatibel, wenn Sie die Typennummer Ihrer Maschine in der unten stehenden Produktbeschreibung finden.

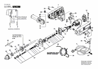
Bitte prüfen Sie ebenfalls detailliert die Explosionszeichnung mit Ihrem Artikelwunsch und der jeweiligen Pos-Nummer.

Alle Elemente, welche vom schwarzen Strich der Pos-Nummer ausgehend berührt / erfasst werden, gehören zu dieser Pos-Nummer und somit zu diesem Artikel. Jede Pos-Nummer ist ein eigenständiger Artikel, welchen Sie in der Auflistung finden.

Sie erhalten stets die aktuellste, neueste Produktversion zu der gewählten Pos-Nummer seitens des Herstellers. Es kann daher je nach Gerätealter vorkommen, dass Sie ggf. weitere, zugehörige Elemente, welche an diese Pos-Nummer grenzen, ebenfalls mittauschen müssen.

Nähere Informationen finden Sie unter dem Link
Hinweise zu Ihrer BOSCH Ersatzteilsuche

Preisübersicht

Einzelpreis: 7,76 €* (Brutto: 9,23 €)
Gesamtpreis: 7,76 €* 
Position:

Lieferzeit: 5 Werktage


Beschreibung

  • Zusatzhandgriff
  • Original Bosch Zubehör / BOSCH Ersatzteil (2602025094)
  • im Gerät verbaut: 1
Dieses BOSCH Ersatzteil ist mit folgendem Gerät und Modell kompatibel:
  • BOSCH Gerätename: 6846 H1
  • BOSCH Explosionszeichnung: Position 24
  • BOSCH Typennummer: F0156846C1
  • BOSCH Typennummer alternative Schreibweisen: F 015 684 6C1, F015 684 6C1, F.015.684.6C1, F-015-684-6C1
    Bitte prüfen Sie diese Typennummer auf Ihrem Gerät um die Kompatibilität des BOSCH Ersatzteils zu gewährleisten.
Weitere BOSCH Ersatzteile des Gerätes 6846 H1 (Bohrhammer) mit der Typennummer F0156846C1 finden Sie in der nachfolgenden Darstellung und im Dropdown zu Ihrer Auswahl:

Pos.
1
BOSCH Gehäuse | Ersatzteile für 6846 H1 | 2610385776
Hersteller: BOSCH
Artikelnummer: EB-F0156846C1-2610385776
nur Informationsartikel
Nie mehr lieferbar
keine Alternativen
Pos.
2
BOSCH Polschuh 230V | Ersatzteile für 6846 H1 | 2610367938
Hersteller: BOSCH
Artikelnummer: EB-F0156846C1-2610367938
nur Informationsartikel
Nie mehr lieferbar
keine Alternativen
Pos.
3
BOSCH Anker 230-240V | Ersatzteile für 6846 H1 | 2610377562
Hersteller: BOSCH
Artikelnummer: EB-F0156846C1-2610377562
nur Informationsartikel
Nie mehr lieferbar
keine Alternativen
Pos.
4
BOSCH Schalter | Ersatzteile für 6846 H1 | 2610377318
Hersteller: BOSCH
Artikelnummer: EB-F0156846C1-2610377318
nur Informationsartikel
Nie mehr lieferbar
keine Alternativen
Pos.
5
BOSCH Netzanschlussleitung CH 2,75m 2 x 1,0mm H05 VV-F | Ersatzteile für 6846 H1 | 2610371799
Hersteller: BOSCH
Artikelnummer: EB-F0156846C1-2610371799
nur Informationsartikel
Nie mehr lieferbar
keine Alternativen
Pos.
6
BOSCH Tülle | Ersatzteile für 6846 H1 | 2610360176
Hersteller: BOSCH
Artikelnummer: EB-F0156846C1-2610360176
Netto: 3,94 € zzgl. MwSt.
zzgl. 6,90 € Versand (brutto)
einmalig pro Bestellung

Lieferzeit: 5 Werktage

Pos.
7
BOSCH Kabelschelle | Ersatzteile für 6846 H1 | 2610064973
Hersteller: BOSCH
Artikelnummer: EB-F0156846C1-2610064973
Netto: 3,94 € zzgl. MwSt.
zzgl. 6,90 € Versand (brutto)
einmalig pro Bestellung

Lieferzeit: 5 Werktage

Pos.
10
BOSCH Bürstenhalter | Ersatzteile für 6846 H1 | 2610376874
Hersteller: BOSCH
Artikelnummer: EB-F0156846C1-2610376874
nur Informationsartikel
Nie mehr lieferbar
keine Alternativen
Pos.
12
BOSCH Kondensator | Ersatzteile für 6846 H1 | 2610374704
Hersteller: BOSCH
Artikelnummer: EB-F0156846C1-2610374704
nur Informationsartikel
Nie mehr lieferbar
keine Alternativen
Pos.
13
BOSCH Rillenkugellager 8x22x7 | Ersatzteile für 6846 H1 | 2600905052
Hersteller: BOSCH
Artikelnummer: EB-F0156846C1-2600905052
Netto: 7,76 € zzgl. MwSt.
zzgl. 6,90 € Versand (brutto)
einmalig pro Bestellung

Lieferzeit: 5 Werktage

Pos.
16
BOSCH Bürstenhalter | Ersatzteile für 6846 H1 | 2610376873
Hersteller: BOSCH
Artikelnummer: EB-F0156846C1-2610376873
nur Informationsartikel
Nie mehr lieferbar
keine Alternativen
Pos.
22
BOSCH Schraube | Ersatzteile für 6846 H1 | 2610374700
Hersteller: BOSCH
Artikelnummer: EB-F0156846C1-2610374700
nur Informationsartikel
Nie mehr lieferbar
keine Alternativen
Pos.
23
BOSCH Knopf | Ersatzteile für 6846 H1 | 2610377471
Hersteller: BOSCH
Artikelnummer: EB-F0156846C1-2610377471
nur Informationsartikel
Nie mehr lieferbar
keine Alternativen
Pos.
24
BOSCH Zusatzhandgriff | Ersatzteile für 6846 H1 | 2602025094
Hersteller: BOSCH
Artikelnummer: EB-F0156846C1-2602025094
Netto: 7,76 € zzgl. MwSt.
zzgl. 6,90 € Versand (brutto)
einmalig pro Bestellung

Lieferzeit: 5 Werktage

Pos.
25
BOSCH Platte | Ersatzteile für 6846 H1 | 2610377477
Hersteller: BOSCH
Artikelnummer: EB-F0156846C1-2610377477
nur Informationsartikel
Nie mehr lieferbar
keine Alternativen
Pos.
26
BOSCH Hebel | Ersatzteile für 6846 H1 | 2610376870
Hersteller: BOSCH
Artikelnummer: EB-F0156846C1-2610376870
nur Informationsartikel
Nie mehr lieferbar
keine Alternativen
Pos.
27
BOSCH Feder | Ersatzteile für 6846 H1 | 2610377487
Hersteller: BOSCH
Artikelnummer: EB-F0156846C1-2610377487
nur Informationsartikel
Nie mehr lieferbar
keine Alternativen
Pos.
28
BOSCH Knopf | Ersatzteile für 6846 H1 | 2610377470
Hersteller: BOSCH
Artikelnummer: EB-F0156846C1-2610377470
nur Informationsartikel
Nie mehr lieferbar
keine Alternativen
Pos.
29
BOSCH Halter | Ersatzteile für 6846 H1 | 2610376225
Hersteller: BOSCH
Artikelnummer: EB-F0156846C1-2610376225
nur Informationsartikel
Nie mehr lieferbar
keine Alternativen
Pos.
30
BOSCH Lagerdeckel | Ersatzteile für 6846 H1 | 2610377563
Hersteller: BOSCH
Artikelnummer: EB-F0156846C1-2610377563
nur Informationsartikel
Nie mehr lieferbar
keine Alternativen
Pos.
31
BOSCH Scheibe | Ersatzteile für 6846 H1 | 2610377480
Hersteller: BOSCH
Artikelnummer: EB-F0156846C1-2610377480
nur Informationsartikel
Nie mehr lieferbar
keine Alternativen
Pos.
32
BOSCH Ring | Ersatzteile für 6846 H1 | 2610377484
Hersteller: BOSCH
Artikelnummer: EB-F0156846C1-2610377484
nur Informationsartikel
Nie mehr lieferbar
keine Alternativen
Pos.
33
BOSCH Feder | Ersatzteile für 6846 H1 | 2610377476
Hersteller: BOSCH
Artikelnummer: EB-F0156846C1-2610377476
nur Informationsartikel
Nie mehr lieferbar
keine Alternativen
Pos.
34
BOSCH Stift | Ersatzteile für 6846 H1 | 2610377566
Hersteller: BOSCH
Artikelnummer: EB-F0156846C1-2610377566
nur Informationsartikel
Nie mehr lieferbar
keine Alternativen
Pos.
35
BOSCH Lager | Ersatzteile für 6846 H1 | 2610361665
Hersteller: BOSCH
Artikelnummer: EB-F0156846C1-2610361665
nur Informationsartikel
Nie mehr lieferbar
keine Alternativen
Pos.
36
BOSCH Ring | Ersatzteile für 6846 H1 | 2610376198
Hersteller: BOSCH
Artikelnummer: EB-F0156846C1-2610376198
nur Informationsartikel
Nie mehr lieferbar
keine Alternativen
Pos.
37
BOSCH Achse | Ersatzteile für 6846 H1 | 2610377565
Hersteller: BOSCH
Artikelnummer: EB-F0156846C1-2610377565
nur Informationsartikel
Nie mehr lieferbar
keine Alternativen
Pos.
38
BOSCH Elektr Leitung BLAU | Ersatzteile für 6846 H1 | 2610377019
Hersteller: BOSCH
Artikelnummer: EB-F0156846C1-2610377019
nur Informationsartikel
Nie mehr lieferbar
keine Alternativen
Pos.
39
BOSCH Elektr Leitung ROT | Ersatzteile für 6846 H1 | 2610376688
Hersteller: BOSCH
Artikelnummer: EB-F0156846C1-2610376688
nur Informationsartikel
Nie mehr lieferbar
keine Alternativen
Pos.
40
BOSCH Getriebe | Ersatzteile für 6846 H1 | 2610377567
Hersteller: BOSCH
Artikelnummer: EB-F0156846C1-2610377567
nur Informationsartikel
Nie mehr lieferbar
keine Alternativen
Pos.
41
BOSCH Kugel | Ersatzteile für 6846 H1 | 2610367507
Hersteller: BOSCH
Artikelnummer: EB-F0156846C1-2610367507
nur Informationsartikel
Nie mehr lieferbar
keine Alternativen
Pos.
42
BOSCH Kugellager | Ersatzteile für 6846 H1 | 2610376249
Hersteller: BOSCH
Artikelnummer: EB-F0156846C1-2610376249
nur Informationsartikel
Nie mehr lieferbar
keine Alternativen
Pos.
43
BOSCH Bohrfutter | Ersatzteile für 6846 H1 | 2610387215
Hersteller: BOSCH
Artikelnummer: EB-F0156846C1-2610387215
nur Informationsartikel
Nie mehr lieferbar
keine Alternativen
Pos.
44
BOSCH Bohrfutterschlüssel SG2 | Ersatzteile für 6846 H1 | 2607950007
Hersteller: BOSCH
Artikelnummer: EB-F0156846C1-2607950007
Netto: 7,30 € zzgl. MwSt.
zzgl. 6,90 € Versand (brutto)
einmalig pro Bestellung

Lieferzeit: 5 Werktage

Pos.
45
BOSCH Torx-Linsenschraube T20-8x19 MM | Ersatzteile für 6846 H1 | 2610374919
Hersteller: BOSCH
Artikelnummer: EB-F0156846C1-2610374919
Netto: 3,63 € zzgl. MwSt.
zzgl. 6,90 € Versand (brutto)
einmalig pro Bestellung

Lieferzeit: 5 Werktage

Angaben zur Produktsicherheit

Hersteller:
Robert Bosch Power Tools GmbH
Postfach 30 02 20
70442 Stuttgart

E-Mail:
kontakt@bosch.de