BOSCH Kohlebürstensatz | Ersatzteile für 6906 TYPE 2 | 2610353931

Artikelnummer: EB-F012690699-2610353931

Position: 36

Marke: BOSCH


Bitte Kompatibilität prüfen!

Bitte prüfen Sie unbedingt die 10-stellige Typennummer Ihrer Maschine / Ihres Gerätes. Das Ersatzteil ist nur kompatibel, wenn Sie die Typennummer Ihrer Maschine in der unten stehenden Produktbeschreibung finden.

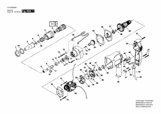
Bitte prüfen Sie ebenfalls detailliert die Explosionszeichnung mit Ihrem Artikelwunsch und der jeweiligen Pos-Nummer.

Alle Elemente, welche vom schwarzen Strich der Pos-Nummer ausgehend berührt / erfasst werden, gehören zu dieser Pos-Nummer und somit zu diesem Artikel. Jede Pos-Nummer ist ein eigenständiger Artikel, welchen Sie in der Auflistung finden.

Sie erhalten stets die aktuellste, neueste Produktversion zu der gewählten Pos-Nummer seitens des Herstellers. Es kann daher je nach Gerätealter vorkommen, dass Sie ggf. weitere, zugehörige Elemente, welche an diese Pos-Nummer grenzen, ebenfalls mittauschen müssen.

Nähere Informationen finden Sie unter dem Link
Hinweise zu Ihrer BOSCH Ersatzteilsuche

Preisübersicht

Einzelpreis: 9,18 €* (Brutto: 10,92 €)
Gesamtpreis: 9,18 €* 
Position:

Lieferzeit: 5 Werktage


Beschreibung

  • Kohlebürstensatz
  • Original Bosch Zubehör / BOSCH Ersatzteil (2610353931)
  • im Gerät verbaut: 1
Dieses BOSCH Ersatzteil ist mit folgendem Gerät und Modell kompatibel:
  • BOSCH Gerätename: 6906 TYPE 2
  • BOSCH Explosionszeichnung: Position 36
  • BOSCH Typennummer: F012690699
  • BOSCH Typennummer alternative Schreibweisen: F 012 690 699, F012 690 699, F.012.690.699, F-012-690-699
    Bitte prüfen Sie diese Typennummer auf Ihrem Gerät um die Kompatibilität des BOSCH Ersatzteils zu gewährleisten.
Weitere BOSCH Ersatzteile des Gerätes 6906 TYPE 2 (Schraubendreher) mit der Typennummer F012690699 finden Sie in der nachfolgenden Darstellung und im Dropdown zu Ihrer Auswahl:

Pos.
1
BOSCH Halter | Ersatzteile für 6906 TYPE 2 | 2610350934
Hersteller: BOSCH
Artikelnummer: EB-F012690699-2610350934
nur Informationsartikel
Nie mehr lieferbar
keine Alternativen
Pos.
2
BOSCH Nase | Ersatzteile für 6906 TYPE 2 | 2610096901
Hersteller: BOSCH
Artikelnummer: EB-F012690699-2610096901
nur Informationsartikel
Nie mehr lieferbar
keine Alternativen
Pos.
3
BOSCH Dichtung | Ersatzteile für 6906 TYPE 2 | 2610351851
Hersteller: BOSCH
Artikelnummer: EB-F012690699-2610351851
nur Informationsartikel
Nie mehr lieferbar
keine Alternativen
Pos.
4
BOSCH Buchse SCHWARZ | Ersatzteile für 6906 TYPE 2 | 2610355200
Hersteller: BOSCH
Artikelnummer: EB-F012690699-2610355200
nur Informationsartikel
Nie mehr lieferbar
keine Alternativen
Pos.
5
BOSCH Dichtung | Ersatzteile für 6906 TYPE 2 | 2610355205
Hersteller: BOSCH
Artikelnummer: EB-F012690699-2610355205
nur Informationsartikel
Nie mehr lieferbar
keine Alternativen
Pos.
6
BOSCH Feder | Ersatzteile für 6906 TYPE 2 | 2610355202
Hersteller: BOSCH
Artikelnummer: EB-F012690699-2610355202
nur Informationsartikel
Nie mehr lieferbar
keine Alternativen
Pos.
7
BOSCH Zylinder | Ersatzteile für 6906 TYPE 2 | 2610355207
Hersteller: BOSCH
Artikelnummer: EB-F012690699-2610355207
nur Informationsartikel
Nie mehr lieferbar
keine Alternativen
Pos.
8
BOSCH Nadellager | Ersatzteile für 6906 TYPE 2 | 2610355209
Hersteller: BOSCH
Artikelnummer: EB-F012690699-2610355209
nur Informationsartikel
Nie mehr lieferbar
keine Alternativen
Pos.
9
BOSCH Spindel | Ersatzteile für 6906 TYPE 2 | 2610355208
Hersteller: BOSCH
Artikelnummer: EB-F012690699-2610355208
nur Informationsartikel
Nie mehr lieferbar
keine Alternativen
Pos.
10
BOSCH Feder | Ersatzteile für 6906 TYPE 2 | 2610355206
Hersteller: BOSCH
Artikelnummer: EB-F012690699-2610355206
nur Informationsartikel
Nie mehr lieferbar
keine Alternativen
Pos.
11
BOSCH Kugel | Ersatzteile für 6906 TYPE 2 | 2610002144
Hersteller: BOSCH
Artikelnummer: EB-F012690699-2610002144
nur Informationsartikel
Nie mehr lieferbar
keine Alternativen
Pos.
12
BOSCH Antriebs-Kupplung | Ersatzteile für 6906 TYPE 2 | 2610358007
Hersteller: BOSCH
Artikelnummer: EB-F012690699-2610358007
nur Informationsartikel
Nie mehr lieferbar
keine Alternativen
Pos.
13
BOSCH Ring | Ersatzteile für 6906 TYPE 2 | 2610350763
Hersteller: BOSCH
Artikelnummer: EB-F012690699-2610350763
nur Informationsartikel
Nie mehr lieferbar
keine Alternativen
Pos.
14
BOSCH Kugellager | Ersatzteile für 6906 TYPE 2 | 2610015747
Hersteller: BOSCH
Artikelnummer: EB-F012690699-2610015747
Netto: 12,98 € zzgl. MwSt.
zzgl. 6,90 € Versand (brutto)
einmalig pro Bestellung

Lieferzeit: 5 Werktage

Pos.
15
BOSCH Schraube | Ersatzteile für 6906 TYPE 2 | 2610350943
Hersteller: BOSCH
Artikelnummer: EB-F012690699-2610350943
nur Informationsartikel
Nie mehr lieferbar
keine Alternativen
Pos.
16
BOSCH Distanzscheibe | Ersatzteile für 6906 TYPE 2 | 2610350941
Hersteller: BOSCH
Artikelnummer: EB-F012690699-2610350941
nur Informationsartikel
Nie mehr lieferbar
keine Alternativen
Pos.
17
BOSCH Schraube | Ersatzteile für 6906 TYPE 2 | 2610348621
Hersteller: BOSCH
Artikelnummer: EB-F012690699-2610348621
Netto: 3,95 € zzgl. MwSt.
zzgl. 6,90 € Versand (brutto)
einmalig pro Bestellung

Lieferzeit: 5 Werktage

Pos.
18
BOSCH Gehäuse | Ersatzteile für 6906 TYPE 2 | 2610350793
Hersteller: BOSCH
Artikelnummer: EB-F012690699-2610350793
nur Informationsartikel
Nie mehr lieferbar
keine Alternativen
Pos.
19
BOSCH Knopf | Ersatzteile für 6906 TYPE 2 | 2610015236
Hersteller: BOSCH
Artikelnummer: EB-F012690699-2610015236
nur Informationsartikel
Nie mehr lieferbar
keine Alternativen
Pos.
20
BOSCH Feder | Ersatzteile für 6906 TYPE 2 | 2610015241
Hersteller: BOSCH
Artikelnummer: EB-F012690699-2610015241
Netto: 3,94 € zzgl. MwSt.
zzgl. 6,90 € Versand (brutto)
einmalig pro Bestellung

Lieferzeit: 5 Werktage

Pos.
21
BOSCH Schraube | Ersatzteile für 6906 TYPE 2 | 2610348622
Hersteller: BOSCH
Artikelnummer: EB-F012690699-2610348622
nur Informationsartikel
Nie mehr lieferbar
keine Alternativen
Pos.
22
BOSCH Geräteclip | Ersatzteile für 6906 TYPE 2 | 2610350939
Hersteller: BOSCH
Artikelnummer: EB-F012690699-2610350939
nur Informationsartikel
Nie mehr lieferbar
keine Alternativen
Pos.
23
BOSCH Handgriff-Set | Ersatzteile für 6906 TYPE 2 | 2610905360
Hersteller: BOSCH
Artikelnummer: EB-F012690699-2610905360
Netto: 5,19 € zzgl. MwSt.
zzgl. 6,90 € Versand (brutto)
einmalig pro Bestellung

Lieferzeit: 5 Werktage

Pos.
24
BOSCH Achse | Ersatzteile für 6906 TYPE 2 | 2610350758
Hersteller: BOSCH
Artikelnummer: EB-F012690699-2610350758
nur Informationsartikel
Nie mehr lieferbar
keine Alternativen
Pos.
25
BOSCH Dichtung | Ersatzteile für 6906 TYPE 2 | 2610348570
Hersteller: BOSCH
Artikelnummer: EB-F012690699-2610348570
nur Informationsartikel
Nie mehr lieferbar
keine Alternativen
Pos.
26
BOSCH Lagerdeckel | Ersatzteile für 6906 TYPE 2 | 2610350765
Hersteller: BOSCH
Artikelnummer: EB-F012690699-2610350765
nur Informationsartikel
Nie mehr lieferbar
keine Alternativen
Pos.
27
BOSCH Kugellager | Ersatzteile für 6906 TYPE 2 | 2610351861
Hersteller: BOSCH
Artikelnummer: EB-F012690699-2610351861
nur Informationsartikel
Nie mehr lieferbar
keine Alternativen
Pos.
28
BOSCH Haltering | Ersatzteile für 6906 TYPE 2 | 2610931268
Hersteller: BOSCH
Artikelnummer: EB-F012690699-2610931268
nur Informationsartikel
Nie mehr lieferbar
keine Alternativen
Pos.
29
BOSCH Anker 120V | Ersatzteile für 6906 TYPE 2 | 2610350782
Hersteller: BOSCH
Artikelnummer: EB-F012690699-2610350782
nur Informationsartikel
Nie mehr lieferbar
keine Alternativen
Pos.
30
BOSCH Prallschutz | Ersatzteile für 6906 TYPE 2 | 2610348586
Hersteller: BOSCH
Artikelnummer: EB-F012690699-2610348586
nur Informationsartikel
Nie mehr lieferbar
keine Alternativen
Pos.
31
BOSCH Schraube | Ersatzteile für 6906 TYPE 2 | 2610348628
Hersteller: BOSCH
Artikelnummer: EB-F012690699-2610348628
nur Informationsartikel
Nie mehr lieferbar
keine Alternativen
Pos.
32
BOSCH Ständer 120V | Ersatzteile für 6906 TYPE 2 | 2610350354
Hersteller: BOSCH
Artikelnummer: EB-F012690699-2610350354
Netto: 0,95 € zzgl. MwSt.
zzgl. 6,90 € Versand (brutto)
einmalig pro Bestellung

Lieferzeit: 5 Werktage

Pos.
33
BOSCH Anschlussträger | Ersatzteile für 6906 TYPE 2 | 2610348613
Hersteller: BOSCH
Artikelnummer: EB-F012690699-2610348613
nur Informationsartikel
Nie mehr lieferbar
keine Alternativen
Pos.
34
BOSCH Unterbrecher | Ersatzteile für 6906 TYPE 2 | 2610350352
Hersteller: BOSCH
Artikelnummer: EB-F012690699-2610350352
nur Informationsartikel
Nie mehr lieferbar
keine Alternativen
Pos.
35
BOSCH Halter | Ersatzteile für 6906 TYPE 2 | 2610351853
Hersteller: BOSCH
Artikelnummer: EB-F012690699-2610351853
nur Informationsartikel
Nie mehr lieferbar
keine Alternativen
Pos.
36
BOSCH Kohlebürstensatz | Ersatzteile für 6906 TYPE 2 | 2610353931
Hersteller: BOSCH
Artikelnummer: EB-F012690699-2610353931
Netto: 9,18 € zzgl. MwSt.
zzgl. 6,90 € Versand (brutto)
einmalig pro Bestellung

Lieferzeit: 5 Werktage

Pos.
37
BOSCH Anschlussträger | Ersatzteile für 6906 TYPE 2 | 2610348614
Hersteller: BOSCH
Artikelnummer: EB-F012690699-2610348614
nur Informationsartikel
Nie mehr lieferbar
keine Alternativen
Pos.
38
BOSCH Hebel | Ersatzteile für 6906 TYPE 2 | 2610909603
Hersteller: BOSCH
Artikelnummer: EB-F012690699-2610909603
nur Informationsartikel
Nie mehr lieferbar
keine Alternativen
Pos.
39
BOSCH Gummiring | Ersatzteile für 6906 TYPE 2 | 1619P01127
Hersteller: BOSCH
Artikelnummer: EB-F012690699-1619P01127
Netto: 3,63 € zzgl. MwSt.
zzgl. 6,90 € Versand (brutto)
einmalig pro Bestellung

Lieferzeit: 5 Werktage

Pos.
40
BOSCH Gehäuse | Ersatzteile für 6906 TYPE 2 | 2610905362
Hersteller: BOSCH
Artikelnummer: EB-F012690699-2610905362
nur Informationsartikel
Nie mehr lieferbar
keine Alternativen
Pos.
41
BOSCH Kabelschelle | Ersatzteile für 6906 TYPE 2 | 2610064973
Hersteller: BOSCH
Artikelnummer: EB-F012690699-2610064973
Netto: 3,94 € zzgl. MwSt.
zzgl. 6,90 € Versand (brutto)
einmalig pro Bestellung

Lieferzeit: 5 Werktage

Pos.
42
BOSCH Schraube ST3,9x19 | Ersatzteile für 6906 TYPE 2 | 2610315386
Hersteller: BOSCH
Artikelnummer: EB-F012690699-2610315386
Netto: 3,94 € zzgl. MwSt.
zzgl. 6,90 € Versand (brutto)
einmalig pro Bestellung

Lieferzeit: 5 Werktage

Pos.
43
BOSCH Tülle | Ersatzteile für 6906 TYPE 2 | 2610313327
Hersteller: BOSCH
Artikelnummer: EB-F012690699-2610313327
nur Informationsartikel
Nie mehr lieferbar
keine Alternativen
Pos.
44
BOSCH Netzanschlussleitung | Ersatzteile für 6906 TYPE 2 | 2610350903
Hersteller: BOSCH
Artikelnummer: EB-F012690699-2610350903
nur Informationsartikel
Nie mehr lieferbar
keine Alternativen
Pos.
45
BOSCH Ein/Aus-Schalter | Ersatzteile für 6906 TYPE 2 | 2610910313
Hersteller: BOSCH
Artikelnummer: EB-F012690699-2610910313
nur Informationsartikel
Nie mehr lieferbar
keine Alternativen
Pos.
46
BOSCH Stopfen | Ersatzteile für 6906 TYPE 2 | 2610028780
Hersteller: BOSCH
Artikelnummer: EB-F012690699-2610028780
Netto: 3,94 € zzgl. MwSt.
zzgl. 6,90 € Versand (brutto)
einmalig pro Bestellung

Lieferzeit: 5 Werktage

Pos.
47
BOSCH Dichtung | Ersatzteile für 6906 TYPE 2 | 2610350945
Hersteller: BOSCH
Artikelnummer: EB-F012690699-2610350945
nur Informationsartikel
Nie mehr lieferbar
keine Alternativen

Angaben zur Produktsicherheit

Hersteller:
Robert Bosch Power Tools GmbH
Postfach 30 02 20
70442 Stuttgart

E-Mail:
kontakt@bosch.de