BOSCH Kabelschelle | Ersatzteile für 6911 TYPE 1 | 2610064973

Artikelnummer: EB-F012691199-2610064973

Position: 41

Marke: BOSCH


Bitte Kompatibilität prüfen!

Bitte prüfen Sie unbedingt die 10-stellige Typennummer Ihrer Maschine / Ihres Gerätes. Das Ersatzteil ist nur kompatibel, wenn Sie die Typennummer Ihrer Maschine in der unten stehenden Produktbeschreibung finden.

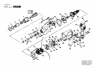
Bitte prüfen Sie ebenfalls detailliert die Explosionszeichnung mit Ihrem Artikelwunsch und der jeweiligen Pos-Nummer.

Alle Elemente, welche vom schwarzen Strich der Pos-Nummer ausgehend berührt / erfasst werden, gehören zu dieser Pos-Nummer und somit zu diesem Artikel. Jede Pos-Nummer ist ein eigenständiger Artikel, welchen Sie in der Auflistung finden.

Sie erhalten stets die aktuellste, neueste Produktversion zu der gewählten Pos-Nummer seitens des Herstellers. Es kann daher je nach Gerätealter vorkommen, dass Sie ggf. weitere, zugehörige Elemente, welche an diese Pos-Nummer grenzen, ebenfalls mittauschen müssen.

Nähere Informationen finden Sie unter dem Link
Hinweise zu Ihrer BOSCH Ersatzteilsuche

Preisübersicht

Einzelpreis: 3,94 €* (Brutto: 4,69 €)
Gesamtpreis: 3,94 €* 
Position:

Lieferzeit: 5 Werktage


Beschreibung

  • Kabelschelle
  • Original Bosch Zubehör / BOSCH Ersatzteil (2610064973)
  • im Gerät verbaut: 1
Dieses BOSCH Ersatzteil ist mit folgendem Gerät und Modell kompatibel:
  • BOSCH Gerätename: 6911 TYPE 1
  • BOSCH Explosionszeichnung: Position 41
  • BOSCH Typennummer: F012691199
  • BOSCH Typennummer alternative Schreibweisen: F 012 691 199, F012 691 199, F.012.691.199, F-012-691-199
    Bitte prüfen Sie diese Typennummer auf Ihrem Gerät um die Kompatibilität des BOSCH Ersatzteils zu gewährleisten.
Weitere BOSCH Ersatzteile des Gerätes 6911 TYPE 1 (Schraubendreher) mit der Typennummer F012691199 finden Sie in der nachfolgenden Darstellung und im Dropdown zu Ihrer Auswahl:

Pos.
1
BOSCH Halter | Ersatzteile für 6911 TYPE 1 | 2610350934
Hersteller: BOSCH
Artikelnummer: EB-F012691199-2610350934
nur Informationsartikel
Nie mehr lieferbar
keine Alternativen
Pos.
2
BOSCH Dichtung | Ersatzteile für 6911 TYPE 1 | 2610350945
Hersteller: BOSCH
Artikelnummer: EB-F012691199-2610350945
nur Informationsartikel
Nie mehr lieferbar
keine Alternativen
Pos.
3
BOSCH Kupplungsgehäuse | Ersatzteile für 6911 TYPE 1 | 2610096904
Hersteller: BOSCH
Artikelnummer: EB-F012691199-2610096904
Netto: 8,34 € zzgl. MwSt.
zzgl. 6,90 € Versand (brutto)
einmalig pro Bestellung

Lieferzeit: 5 Werktage

Pos.
3
BOSCH Kupplungsgehäuse 3/8" | Ersatzteile für 6911 TYPE 1 | 2610096903
Hersteller: BOSCH
Artikelnummer: EB-F012691199-2610096903
Netto: 9,20 € zzgl. MwSt.
zzgl. 6,90 € Versand (brutto)
einmalig pro Bestellung

Lieferzeit: 5 Werktage

Pos.
3
BOSCH Kupplungsgehäuse 5/16" + 1/4" | Ersatzteile für 6911 TYPE 1 | 2610096902
Hersteller: BOSCH
Artikelnummer: EB-F012691199-2610096902
nur Informationsartikel
Nie mehr lieferbar
keine Alternativen
Pos.
4
BOSCH Buchse SCHWARZ | Ersatzteile für 6911 TYPE 1 | 2610355200
Hersteller: BOSCH
Artikelnummer: EB-F012691199-2610355200
nur Informationsartikel
Nie mehr lieferbar
keine Alternativen
Pos.
5
BOSCH Dichtung | Ersatzteile für 6911 TYPE 1 | 2610350766
Hersteller: BOSCH
Artikelnummer: EB-F012691199-2610350766
nur Informationsartikel
Nie mehr lieferbar
keine Alternativen
Pos.
6
BOSCH Feder | Ersatzteile für 6911 TYPE 1 | 2610355202
Hersteller: BOSCH
Artikelnummer: EB-F012691199-2610355202
nur Informationsartikel
Nie mehr lieferbar
keine Alternativen
Pos.
7
BOSCH Zylindergehäuse | Ersatzteile für 6911 TYPE 1 | 2610355203
Hersteller: BOSCH
Artikelnummer: EB-F012691199-2610355203
nur Informationsartikel
Nie mehr lieferbar
keine Alternativen
Pos.
8
BOSCH Nadellager | Ersatzteile für 6911 TYPE 1 | 2610350767
Hersteller: BOSCH
Artikelnummer: EB-F012691199-2610350767
nur Informationsartikel
Nie mehr lieferbar
keine Alternativen
Pos.
9
BOSCH Spindel | Ersatzteile für 6911 TYPE 1 | 2610348641
Hersteller: BOSCH
Artikelnummer: EB-F012691199-2610348641
Netto: 14,08 € zzgl. MwSt.
zzgl. 6,90 € Versand (brutto)
einmalig pro Bestellung

Lieferzeit: 5 Werktage

Pos.
10
BOSCH Feder | Ersatzteile für 6911 TYPE 1 | 2610021265
Hersteller: BOSCH
Artikelnummer: EB-F012691199-2610021265
Netto: 5,19 € zzgl. MwSt.
zzgl. 6,90 € Versand (brutto)
einmalig pro Bestellung

Lieferzeit: 5 Werktage

Pos.
11
BOSCH Kugel | Ersatzteile für 6911 TYPE 1 | 2610002144
Hersteller: BOSCH
Artikelnummer: EB-F012691199-2610002144
nur Informationsartikel
Nie mehr lieferbar
keine Alternativen
Pos.
12
BOSCH Antriebs-Kupplung | Ersatzteile für 6911 TYPE 1 | 2610358007
Hersteller: BOSCH
Artikelnummer: EB-F012691199-2610358007
nur Informationsartikel
Nie mehr lieferbar
keine Alternativen
Pos.
13
BOSCH Ring | Ersatzteile für 6911 TYPE 1 | 2610350763
Hersteller: BOSCH
Artikelnummer: EB-F012691199-2610350763
nur Informationsartikel
Nie mehr lieferbar
keine Alternativen
Pos.
14
BOSCH Kugellager | Ersatzteile für 6911 TYPE 1 | 2610015747
Hersteller: BOSCH
Artikelnummer: EB-F012691199-2610015747
Netto: 12,98 € zzgl. MwSt.
zzgl. 6,90 € Versand (brutto)
einmalig pro Bestellung

Lieferzeit: 5 Werktage

Pos.
15
BOSCH Schraube | Ersatzteile für 6911 TYPE 1 | 2610350943
Hersteller: BOSCH
Artikelnummer: EB-F012691199-2610350943
nur Informationsartikel
Nie mehr lieferbar
keine Alternativen
Pos.
16
BOSCH Distanzscheibe | Ersatzteile für 6911 TYPE 1 | 2610350941
Hersteller: BOSCH
Artikelnummer: EB-F012691199-2610350941
nur Informationsartikel
Nie mehr lieferbar
keine Alternativen
Pos.
17
BOSCH Schraube | Ersatzteile für 6911 TYPE 1 | 2610348621
Hersteller: BOSCH
Artikelnummer: EB-F012691199-2610348621
Netto: 3,95 € zzgl. MwSt.
zzgl. 6,90 € Versand (brutto)
einmalig pro Bestellung

Lieferzeit: 5 Werktage

Pos.
18
BOSCH Gehaeuse | Ersatzteile für 6911 TYPE 1 | 2610350755
Hersteller: BOSCH
Artikelnummer: EB-F012691199-2610350755
nur Informationsartikel
Nie mehr lieferbar
keine Alternativen
Pos.
19
BOSCH Knopf | Ersatzteile für 6911 TYPE 1 | 2610015236
Hersteller: BOSCH
Artikelnummer: EB-F012691199-2610015236
nur Informationsartikel
Nie mehr lieferbar
keine Alternativen
Pos.
20
BOSCH Feder | Ersatzteile für 6911 TYPE 1 | 2610015241
Hersteller: BOSCH
Artikelnummer: EB-F012691199-2610015241
Netto: 3,94 € zzgl. MwSt.
zzgl. 6,90 € Versand (brutto)
einmalig pro Bestellung

Lieferzeit: 5 Werktage

Pos.
21
BOSCH Scheibe | Ersatzteile für 6911 TYPE 1 | 2610348611
Hersteller: BOSCH
Artikelnummer: EB-F012691199-2610348611
nur Informationsartikel
Nie mehr lieferbar
keine Alternativen
Pos.
22
BOSCH Geräteclip | Ersatzteile für 6911 TYPE 1 | 2610350939
Hersteller: BOSCH
Artikelnummer: EB-F012691199-2610350939
nur Informationsartikel
Nie mehr lieferbar
keine Alternativen
Pos.
23
BOSCH Zahnrad | Ersatzteile für 6911 TYPE 1 | 2610350933
Hersteller: BOSCH
Artikelnummer: EB-F012691199-2610350933
nur Informationsartikel
Nie mehr lieferbar
keine Alternativen
Pos.
24
BOSCH Verstellwelle | Ersatzteile für 6911 TYPE 1 | 2610350757
Hersteller: BOSCH
Artikelnummer: EB-F012691199-2610350757
Netto: 29,54 € zzgl. MwSt.
zzgl. 6,90 € Versand (brutto)
einmalig pro Bestellung

Lieferzeit: 5 Werktage

Pos.
25
BOSCH Dichtung | Ersatzteile für 6911 TYPE 1 | 2610348570
Hersteller: BOSCH
Artikelnummer: EB-F012691199-2610348570
nur Informationsartikel
Nie mehr lieferbar
keine Alternativen
Pos.
26
BOSCH Lagerdeckel | Ersatzteile für 6911 TYPE 1 | 2610348595
Hersteller: BOSCH
Artikelnummer: EB-F012691199-2610348595
Netto: 11,78 € zzgl. MwSt.
zzgl. 6,90 € Versand (brutto)
einmalig pro Bestellung

Lieferzeit: 5 Werktage

Pos.
27
BOSCH Kugellager | Ersatzteile für 6911 TYPE 1 | 2610351861
Hersteller: BOSCH
Artikelnummer: EB-F012691199-2610351861
nur Informationsartikel
Nie mehr lieferbar
keine Alternativen
Pos.
28
BOSCH Haltering | Ersatzteile für 6911 TYPE 1 | 2610931268
Hersteller: BOSCH
Artikelnummer: EB-F012691199-2610931268
nur Informationsartikel
Nie mehr lieferbar
keine Alternativen
Pos.
29
BOSCH Anker 120V | Ersatzteile für 6911 TYPE 1 | 2610348589
Hersteller: BOSCH
Artikelnummer: EB-F012691199-2610348589
nur Informationsartikel
Nie mehr lieferbar
keine Alternativen
Pos.
30
BOSCH Prallschutz | Ersatzteile für 6911 TYPE 1 | 2610348586
Hersteller: BOSCH
Artikelnummer: EB-F012691199-2610348586
nur Informationsartikel
Nie mehr lieferbar
keine Alternativen
Pos.
31
BOSCH Schraube | Ersatzteile für 6911 TYPE 1 | 2610348628
Hersteller: BOSCH
Artikelnummer: EB-F012691199-2610348628
nur Informationsartikel
Nie mehr lieferbar
keine Alternativen
Pos.
32
BOSCH Ständer 120V | Ersatzteile für 6911 TYPE 1 | 2610350354
Hersteller: BOSCH
Artikelnummer: EB-F012691199-2610350354
Netto: 3,95 € zzgl. MwSt.
zzgl. 6,90 € Versand (brutto)
einmalig pro Bestellung

Lieferzeit: 5 Werktage

Pos.
33
BOSCH Anschlussträger | Ersatzteile für 6911 TYPE 1 | 2610348613
Hersteller: BOSCH
Artikelnummer: EB-F012691199-2610348613
nur Informationsartikel
Nie mehr lieferbar
keine Alternativen
Pos.
34
BOSCH Unterbrecher | Ersatzteile für 6911 TYPE 1 | 2610350352
Hersteller: BOSCH
Artikelnummer: EB-F012691199-2610350352
nur Informationsartikel
Nie mehr lieferbar
keine Alternativen
Pos.
35
BOSCH Schraube | Ersatzteile für 6911 TYPE 1 | 2610348622
Hersteller: BOSCH
Artikelnummer: EB-F012691199-2610348622
nur Informationsartikel
Nie mehr lieferbar
keine Alternativen
Pos.
36
BOSCH Kohlebürstensatz | Ersatzteile für 6911 TYPE 1 | 2610353931
Hersteller: BOSCH
Artikelnummer: EB-F012691199-2610353931
Netto: 9,18 € zzgl. MwSt.
zzgl. 6,90 € Versand (brutto)
einmalig pro Bestellung

Lieferzeit: 5 Werktage

Pos.
37
BOSCH Anschlussträger | Ersatzteile für 6911 TYPE 1 | 2610348614
Hersteller: BOSCH
Artikelnummer: EB-F012691199-2610348614
nur Informationsartikel
Nie mehr lieferbar
keine Alternativen
Pos.
38
BOSCH Hebel | Ersatzteile für 6911 TYPE 1 | 2610909603
Hersteller: BOSCH
Artikelnummer: EB-F012691199-2610909603
nur Informationsartikel
Nie mehr lieferbar
keine Alternativen
Pos.
39
BOSCH Gummiring | Ersatzteile für 6911 TYPE 1 | 1619P01127
Hersteller: BOSCH
Artikelnummer: EB-F012691199-1619P01127
Netto: 3,63 € zzgl. MwSt.
zzgl. 6,90 € Versand (brutto)
einmalig pro Bestellung

Lieferzeit: 5 Werktage

Pos.
40
BOSCH Gehäuse | Ersatzteile für 6911 TYPE 1 | 2610905362
Hersteller: BOSCH
Artikelnummer: EB-F012691199-2610905362
nur Informationsartikel
Nie mehr lieferbar
keine Alternativen
Pos.
41
BOSCH Kabelschelle | Ersatzteile für 6911 TYPE 1 | 2610064973
Hersteller: BOSCH
Artikelnummer: EB-F012691199-2610064973
Netto: 3,94 € zzgl. MwSt.
zzgl. 6,90 € Versand (brutto)
einmalig pro Bestellung

Lieferzeit: 5 Werktage

Pos.
42
BOSCH Schraube ST3,9x19 | Ersatzteile für 6911 TYPE 1 | 2610315386
Hersteller: BOSCH
Artikelnummer: EB-F012691199-2610315386
Netto: 3,94 € zzgl. MwSt.
zzgl. 6,90 € Versand (brutto)
einmalig pro Bestellung

Lieferzeit: 5 Werktage

Pos.
43
BOSCH Tülle | Ersatzteile für 6911 TYPE 1 | 2610313327
Hersteller: BOSCH
Artikelnummer: EB-F012691199-2610313327
nur Informationsartikel
Nie mehr lieferbar
keine Alternativen
Pos.
44
BOSCH Netzanschlussleitung | Ersatzteile für 6911 TYPE 1 | 2610350903
Hersteller: BOSCH
Artikelnummer: EB-F012691199-2610350903
nur Informationsartikel
Nie mehr lieferbar
keine Alternativen
Pos.
45
BOSCH Ein/Aus-Schalter | Ersatzteile für 6911 TYPE 1 | 2610910313
Hersteller: BOSCH
Artikelnummer: EB-F012691199-2610910313
nur Informationsartikel
Nie mehr lieferbar
keine Alternativen
Pos.
46
BOSCH Stopfen | Ersatzteile für 6911 TYPE 1 | 2610028780
Hersteller: BOSCH
Artikelnummer: EB-F012691199-2610028780
Netto: 3,94 € zzgl. MwSt.
zzgl. 6,90 € Versand (brutto)
einmalig pro Bestellung

Lieferzeit: 5 Werktage

Pos.
47
BOSCH Handgriff-Set | Ersatzteile für 6911 TYPE 1 | 2610905360
Hersteller: BOSCH
Artikelnummer: EB-F012691199-2610905360
Netto: 5,19 € zzgl. MwSt.
zzgl. 6,90 € Versand (brutto)
einmalig pro Bestellung

Lieferzeit: 5 Werktage

Angaben zur Produktsicherheit

Hersteller:
Robert Bosch Power Tools GmbH
Postfach 30 02 20
70442 Stuttgart

E-Mail:
kontakt@bosch.de