BOSCH Netzanschlussleitung EU 230V 2,7m 2 x 0,75mm H05 VV-F | Ersatzteile für 7125 | 2604460259

Artikelnummer: EB-F015712501-2604460259

Position: 5

Marke: BOSCH


Bitte Kompatibilität prüfen!

Bitte prüfen Sie unbedingt die 10-stellige Typennummer Ihrer Maschine / Ihres Gerätes. Das Ersatzteil ist nur kompatibel, wenn Sie die Typennummer Ihrer Maschine in der unten stehenden Produktbeschreibung finden.

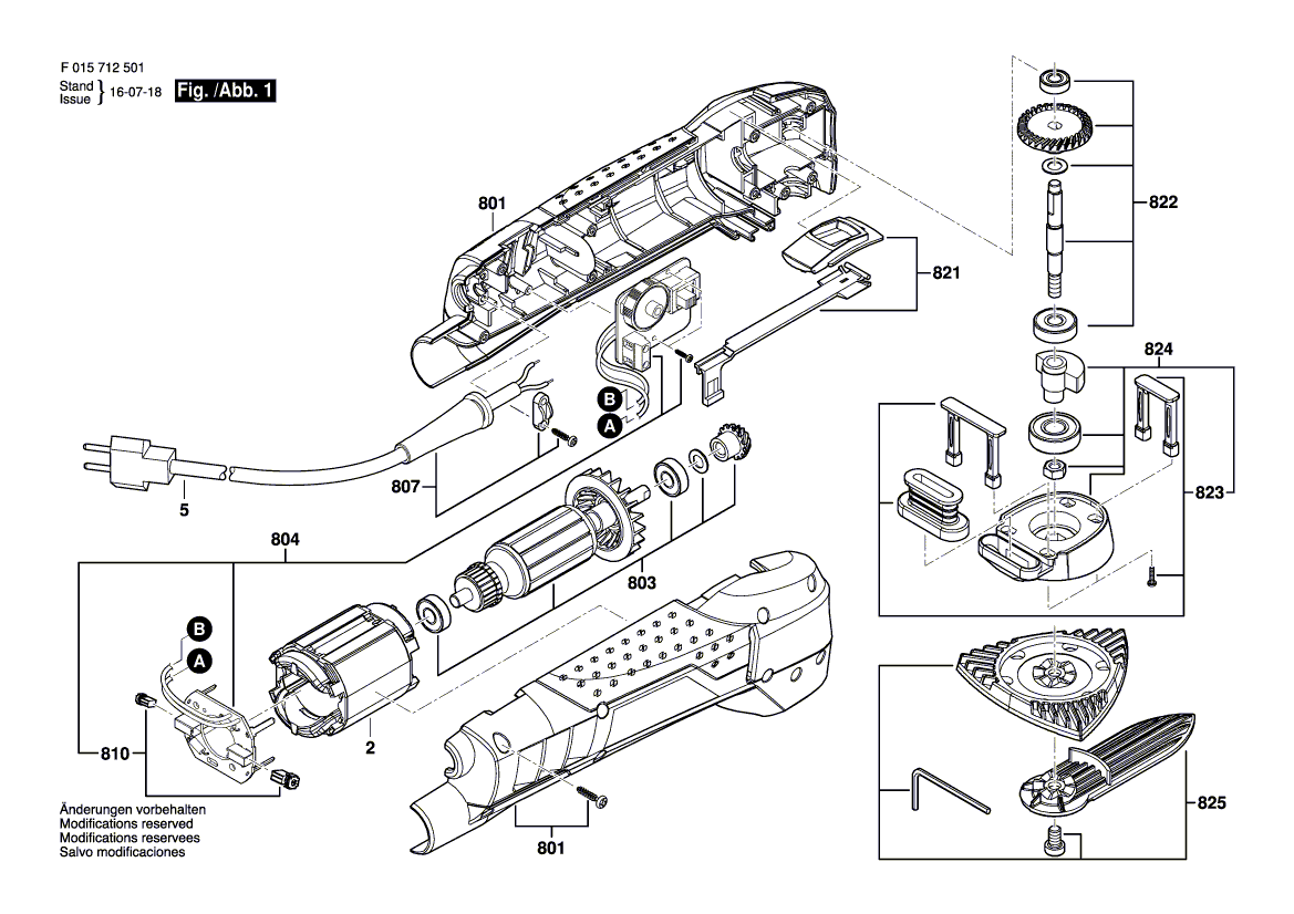
Bitte prüfen Sie ebenfalls detailliert die Explosionszeichnung mit Ihrem Artikelwunsch und der jeweiligen Pos-Nummer.

Alle Elemente, welche vom schwarzen Strich der Pos-Nummer ausgehend berührt / erfasst werden, gehören zu dieser Pos-Nummer und somit zu diesem Artikel. Jede Pos-Nummer ist ein eigenständiger Artikel, welchen Sie in der Auflistung finden.

Sie erhalten stets die aktuellste, neueste Produktversion zu der gewählten Pos-Nummer seitens des Herstellers. Es kann daher je nach Gerätealter vorkommen, dass Sie ggf. weitere, zugehörige Elemente, welche an diese Pos-Nummer grenzen, ebenfalls mittauschen müssen.

Nähere Informationen finden Sie unter dem Link
Hinweise zu Ihrer BOSCH Ersatzteilsuche

Preisübersicht

Einzelpreis: 11,92 €* (Brutto: 14,18 €)
Gesamtpreis: 11,92 €* 
Position:

Lieferzeit: 5 Werktage


Beschreibung

  • Netzanschlussleitung EU 230V 2,7m 2 x 0,75mm H05 VV-F
  • Original Bosch Zubehör / BOSCH Ersatzteil (2604460259)
  • im Gerät verbaut: 1
Dieses BOSCH Ersatzteil ist mit folgendem Gerät und Modell kompatibel:
  • BOSCH Gerätename: 7125
  • BOSCH Explosionszeichnung: Position 5
  • BOSCH Typennummer: F015712501
  • BOSCH Typennummer alternative Schreibweisen: F 015 712 501, F015 712 501, F.015.712.501, F-015-712-501
    Bitte prüfen Sie diese Typennummer auf Ihrem Gerät um die Kompatibilität des BOSCH Ersatzteils zu gewährleisten.
Weitere BOSCH Ersatzteile des Gerätes 7125 (Hw-Deltaschleifer) mit der Typennummer F015712501 finden Sie in der nachfolgenden Darstellung und im Dropdown zu Ihrer Auswahl:

Pos.
2
BOSCH Polschuh | Ersatzteile für 7125 | 2610Z08342
Hersteller: BOSCH
Artikelnummer: EB-F015712501-2610Z08342
nur Informationsartikel
Nie mehr lieferbar
keine Alternativen
Pos.
5
BOSCH Netzanschlussleitung EU 230V 2,7m 2 x 0,75mm H05 VV-F | Ersatzteile für 7125 | 2604460259
Hersteller: BOSCH
Artikelnummer: EB-F015712501-2604460259
Netto: 11,58 € zzgl. MwSt.
zzgl. 6,90 € Versand (brutto)
einmalig pro Bestellung

Lieferzeit: 5 Werktage

Pos.
801
BOSCH Gehäusesatz | Ersatzteile für 7125 | 2610Z08339
Hersteller: BOSCH
Artikelnummer: EB-F015712501-2610Z08339
nur Informationsartikel
Nie mehr lieferbar
keine Alternativen
Pos.
803
BOSCH Anker | Ersatzteile für 7125 | 2610Z08343
Hersteller: BOSCH
Artikelnummer: EB-F015712501-2610Z08343
nur Informationsartikel
Nie mehr lieferbar
keine Alternativen
Pos.
804
BOSCH Drehzahlregler | Ersatzteile für 7125 | 2610Z08341
Hersteller: BOSCH
Artikelnummer: EB-F015712501-2610Z08341
nur Informationsartikel
Nie mehr lieferbar
keine Alternativen
Pos.
807
BOSCH Kabeltülle | Ersatzteile für 7125 | 2610Z08340
Hersteller: BOSCH
Artikelnummer: EB-F015712501-2610Z08340
nur Informationsartikel
Nie mehr lieferbar
keine Alternativen
Pos.
810
BOSCH Kohlebürstensatz | Ersatzteile für 7125 | 2610Z08349
Hersteller: BOSCH
Artikelnummer: EB-F015712501-2610Z08349
nur Informationsartikel
Nie mehr lieferbar
keine Alternativen
Pos.
821
BOSCH Knopfsatz | Ersatzteile für 7125 | 2610Z08344
Hersteller: BOSCH
Artikelnummer: EB-F015712501-2610Z08344
nur Informationsartikel
Nie mehr lieferbar
keine Alternativen
Pos.
822
BOSCH Verstellwelle | Ersatzteile für 7125 | 2610Z08345
Hersteller: BOSCH
Artikelnummer: EB-F015712501-2610Z08345
nur Informationsartikel
Nie mehr lieferbar
keine Alternativen
Pos.
823
BOSCH Schwenkteil | Ersatzteile für 7125 | 2610Z08346
Hersteller: BOSCH
Artikelnummer: EB-F015712501-2610Z08346
nur Informationsartikel
Nie mehr lieferbar
keine Alternativen
Pos.
824
BOSCH Schleifrahmen | Ersatzteile für 7125 | 2610Z08347
Hersteller: BOSCH
Artikelnummer: EB-F015712501-2610Z08347
nur Informationsartikel
Nie mehr lieferbar
keine Alternativen
Pos.
825
BOSCH Grundplatte | Ersatzteile für 7125 | 2610Z08348
Hersteller: BOSCH
Artikelnummer: EB-F015712501-2610Z08348
nur Informationsartikel
Nie mehr lieferbar
keine Alternativen

Angaben zur Produktsicherheit

Hersteller:
Robert Bosch Power Tools GmbH
Postfach 30 02 20
70442 Stuttgart

E-Mail:
kontakt@bosch.de