BOSCH Rillenkugellager 8x22x7 | Ersatzteile für 7396 H1 | 2600905052

Artikelnummer: EB-F0157396C1-2600905052

Position: 13

Marke: BOSCH


Bitte Kompatibilität prüfen!

Bitte prüfen Sie unbedingt die 10-stellige Typennummer Ihrer Maschine / Ihres Gerätes. Das Ersatzteil ist nur kompatibel, wenn Sie die Typennummer Ihrer Maschine in der unten stehenden Produktbeschreibung finden.

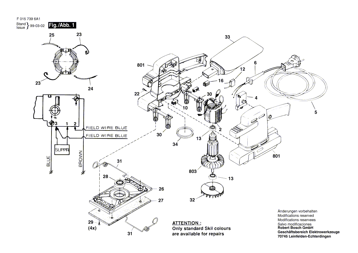
Bitte prüfen Sie ebenfalls detailliert die Explosionszeichnung mit Ihrem Artikelwunsch und der jeweiligen Pos-Nummer.

Alle Elemente, welche vom schwarzen Strich der Pos-Nummer ausgehend berührt / erfasst werden, gehören zu dieser Pos-Nummer und somit zu diesem Artikel. Jede Pos-Nummer ist ein eigenständiger Artikel, welchen Sie in der Auflistung finden.

Sie erhalten stets die aktuellste, neueste Produktversion zu der gewählten Pos-Nummer seitens des Herstellers. Es kann daher je nach Gerätealter vorkommen, dass Sie ggf. weitere, zugehörige Elemente, welche an diese Pos-Nummer grenzen, ebenfalls mittauschen müssen.

Nähere Informationen finden Sie unter dem Link
Hinweise zu Ihrer BOSCH Ersatzteilsuche

Preisübersicht

Einzelpreis: 7,76 €* (Brutto: 9,23 €)
Gesamtpreis: 7,76 €* 
Position:

Lieferzeit: 5 Werktage


Beschreibung

  • Rillenkugellager 8x22x7
  • Original Bosch Zubehör / BOSCH Ersatzteil (2600905052)
  • im Gerät verbaut: 1
Dieses BOSCH Ersatzteil ist mit folgendem Gerät und Modell kompatibel:
  • BOSCH Gerätename: 7396 H1
  • BOSCH Explosionszeichnung: Position 13
  • BOSCH Typennummer: F0157396C1
  • BOSCH Typennummer alternative Schreibweisen: F 015 739 6C1, F015 739 6C1, F.015.739.6C1, F-015-739-6C1
    Bitte prüfen Sie diese Typennummer auf Ihrem Gerät um die Kompatibilität des BOSCH Ersatzteils zu gewährleisten.
Weitere BOSCH Ersatzteile des Gerätes 7396 H1 (Schwingschleifer) mit der Typennummer F0157396C1 finden Sie in der nachfolgenden Darstellung und im Dropdown zu Ihrer Auswahl:

Pos.
2
BOSCH Polschuh 230-240V | Ersatzteile für 7396 H1 | 2610384558
Hersteller: BOSCH
Artikelnummer: EB-F0157396C1-2610384558
nur Informationsartikel
Nie mehr lieferbar
keine Alternativen
Pos.
4
BOSCH Schalter | Ersatzteile für 7396 H1 | 2610384557
Hersteller: BOSCH
Artikelnummer: EB-F0157396C1-2610384557
nur Informationsartikel
Nie mehr lieferbar
keine Alternativen
Pos.
5
BOSCH Netzanschlussleitung CH 2,75m 2 x 1,0mm H05 VV-F | Ersatzteile für 7396 H1 | 2610371799
Hersteller: BOSCH
Artikelnummer: EB-F0157396C1-2610371799
nur Informationsartikel
Nie mehr lieferbar
keine Alternativen
Pos.
6
BOSCH Tülle | Ersatzteile für 7396 H1 | 2610360176
Hersteller: BOSCH
Artikelnummer: EB-F0157396C1-2610360176
Netto: 3,94 € zzgl. MwSt.
zzgl. 6,90 € Versand (brutto)
einmalig pro Bestellung

Lieferzeit: 5 Werktage

Pos.
10
BOSCH Bürstenhalter | Ersatzteile für 7396 H1 | 2610376874
Hersteller: BOSCH
Artikelnummer: EB-F0157396C1-2610376874
nur Informationsartikel
Nie mehr lieferbar
keine Alternativen
Pos.
12
BOSCH Entstörfilter | Ersatzteile für 7396 H1 | 2610373494
Hersteller: BOSCH
Artikelnummer: EB-F0157396C1-2610373494
nur Informationsartikel
Nie mehr lieferbar
keine Alternativen
Pos.
13
BOSCH Rillenkugellager 8x22x7 | Ersatzteile für 7396 H1 | 2600905052
Hersteller: BOSCH
Artikelnummer: EB-F0157396C1-2600905052
Netto: 7,66 € zzgl. MwSt.
zzgl. 6,90 € Versand (brutto)
einmalig pro Bestellung

Lieferzeit: 5 Werktage

Pos.
16
BOSCH Buchse | Ersatzteile für 7396 H1 | 2610373315
Hersteller: BOSCH
Artikelnummer: EB-F0157396C1-2610373315
nur Informationsartikel
Nie mehr lieferbar
keine Alternativen
Pos.
22
BOSCH Schraube | Ersatzteile für 7396 H1 | 2610374700
Hersteller: BOSCH
Artikelnummer: EB-F0157396C1-2610374700
nur Informationsartikel
Nie mehr lieferbar
keine Alternativen
Pos.
23
BOSCH Elektr Leitung BLAU | Ersatzteile für 7396 H1 | 2610377267
Hersteller: BOSCH
Artikelnummer: EB-F0157396C1-2610377267
nur Informationsartikel
Nie mehr lieferbar
keine Alternativen
Pos.
24
BOSCH Elektr Leitung BLAU | Ersatzteile für 7396 H1 | 2610336026
Hersteller: BOSCH
Artikelnummer: EB-F0157396C1-2610336026
nur Informationsartikel
Nie mehr lieferbar
keine Alternativen
Pos.
25
BOSCH Elektr Leitung BLAU | Ersatzteile für 7396 H1 | 2610377019
Hersteller: BOSCH
Artikelnummer: EB-F0157396C1-2610377019
nur Informationsartikel
Nie mehr lieferbar
keine Alternativen
Pos.
26
BOSCH Fuss | Ersatzteile für 7396 H1 | 2610384555
Hersteller: BOSCH
Artikelnummer: EB-F0157396C1-2610384555
nur Informationsartikel
Nie mehr lieferbar
keine Alternativen
Pos.
27
BOSCH Unterlage | Ersatzteile für 7396 H1 | 2610384237
Hersteller: BOSCH
Artikelnummer: EB-F0157396C1-2610384237
nur Informationsartikel
Nie mehr lieferbar
keine Alternativen
Pos.
28
BOSCH Kugellager | Ersatzteile für 7396 H1 | 2610384267
Hersteller: BOSCH
Artikelnummer: EB-F0157396C1-2610384267
nur Informationsartikel
Nie mehr lieferbar
keine Alternativen
Pos.
29
BOSCH Torx-Linsenschraube 8x13 | Ersatzteile für 7396 H1 | 2610374913
Hersteller: BOSCH
Artikelnummer: EB-F0157396C1-2610374913
Netto: 3,94 € zzgl. MwSt.
zzgl. 6,90 € Versand (brutto)
einmalig pro Bestellung

Lieferzeit: 5 Werktage

Pos.
30
BOSCH Fuss | Ersatzteile für 7396 H1 | 2610384233
Hersteller: BOSCH
Artikelnummer: EB-F0157396C1-2610384233
nur Informationsartikel
Nie mehr lieferbar
keine Alternativen
Pos.
31
BOSCH Klemme | Ersatzteile für 7396 H1 | 2610384236
Hersteller: BOSCH
Artikelnummer: EB-F0157396C1-2610384236
nur Informationsartikel
Nie mehr lieferbar
keine Alternativen
Pos.
32
BOSCH Flügel | Ersatzteile für 7396 H1 | 2610384266
Hersteller: BOSCH
Artikelnummer: EB-F0157396C1-2610384266
nur Informationsartikel
Nie mehr lieferbar
keine Alternativen
Pos.
33
BOSCH Staubbeutel | Ersatzteile für 7396 H1 | 2610384990
Hersteller: BOSCH
Artikelnummer: EB-F0157396C1-2610384990
nur Informationsartikel
Nie mehr lieferbar
keine Alternativen
Pos.
34
BOSCH Filzdichtung | Ersatzteile für 7396 H1 | 2610384240
Hersteller: BOSCH
Artikelnummer: EB-F0157396C1-2610384240
nur Informationsartikel
Nie mehr lieferbar
keine Alternativen
Pos.
801
BOSCH Gehäuse | Ersatzteile für 7396 H1 | 2610384231
Hersteller: BOSCH
Artikelnummer: EB-F0157396C1-2610384231
nur Informationsartikel
Nie mehr lieferbar
keine Alternativen
Pos.
803
BOSCH Anker 230-240V | Ersatzteile für 7396 H1 | 2610384264
Hersteller: BOSCH
Artikelnummer: EB-F0157396C1-2610384264
nur Informationsartikel
Nie mehr lieferbar
keine Alternativen

Angaben zur Produktsicherheit

Hersteller:
Robert Bosch Power Tools GmbH
Postfach 30 02 20
70442 Stuttgart

E-Mail:
kontakt@bosch.de