BOSCH Zylinderstift | Ersatzteile für 740 WATT-SERIE | 3604710006

Artikelnummer: EB-0607957312-3604710006

Position: 66

Marke: BOSCH


Bitte Kompatibilität prüfen!

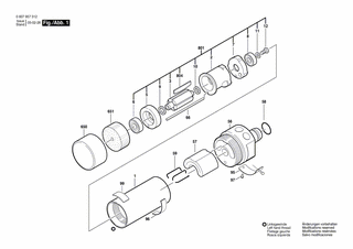
Bitte prüfen Sie unbedingt die 10-stellige Typennummer Ihrer Maschine / Ihres Gerätes. Das Ersatzteil ist nur kompatibel, wenn Sie die Typennummer Ihrer Maschine in der unten stehenden Produktbeschreibung finden.

Bitte prüfen Sie ebenfalls detailliert die Explosionszeichnung mit Ihrem Artikelwunsch und der jeweiligen Pos-Nummer.

Alle Elemente, welche vom schwarzen Strich der Pos-Nummer ausgehend berührt / erfasst werden, gehören zu dieser Pos-Nummer und somit zu diesem Artikel. Jede Pos-Nummer ist ein eigenständiger Artikel, welchen Sie in der Auflistung finden.

Sie erhalten stets die aktuellste, neueste Produktversion zu der gewählten Pos-Nummer seitens des Herstellers. Es kann daher je nach Gerätealter vorkommen, dass Sie ggf. weitere, zugehörige Elemente, welche an diese Pos-Nummer grenzen, ebenfalls mittauschen müssen.

Nähere Informationen finden Sie unter dem Link
Hinweise zu Ihrer BOSCH Ersatzteilsuche

Preisübersicht

Einzelpreis: 8,33 €* (Brutto: 9,91 €)
Gesamtpreis: 8,33 €* 
Position:

Lieferzeit: 5 Werktage


Beschreibung

  • Zylinderstift
  • Original Bosch Zubehör / BOSCH Ersatzteil (3604710006)
  • im Gerät verbaut: 1
Dieses BOSCH Ersatzteil ist mit folgendem Gerät und Modell kompatibel:
  • BOSCH Gerätename: 740 WATT-SERIE
  • BOSCH Explosionszeichnung: Position 66
  • BOSCH Typennummer: 0607957312
  • BOSCH Typennummer alternative Schreibweisen: 0 607 957 312, 0607 957 312, 0.607.957.312, 0-607-957-312
    Bitte prüfen Sie diese Typennummer auf Ihrem Gerät um die Kompatibilität des BOSCH Ersatzteils zu gewährleisten.
Weitere BOSCH Ersatzteile des Gerätes 740 WATT-SERIE (Einbaumotor) mit der Typennummer 0607957312 finden Sie in der nachfolgenden Darstellung und im Dropdown zu Ihrer Auswahl:

Pos.
1
BOSCH Motorgehäuse | Ersatzteile für 740 WATT-SERIE | 3600760013
Hersteller: BOSCH
Artikelnummer: EB-0607957312-3600760013
Netto: 86,83 € zzgl. MwSt.
zzgl. 6,90 € Versand (brutto)
einmalig pro Bestellung

Lieferzeit: 5 Werktage

Pos.
2
BOSCH Stator 740W | Ersatzteile für 740 WATT-SERIE | 3604090022
Hersteller: BOSCH
Artikelnummer: EB-0607957312-3604090022
Netto: 135,20 € zzgl. MwSt.
zzgl. 6,90 € Versand (brutto)
einmalig pro Bestellung

Lieferzeit: 5 Werktage

Pos.
3
BOSCH Rotor | Ersatzteile für 740 WATT-SERIE | 3604220021
Hersteller: BOSCH
Artikelnummer: EB-0607957312-3604220021
Netto: 96,32 € zzgl. MwSt.
zzgl. 6,90 € Versand (brutto)
einmalig pro Bestellung

Lieferzeit: 5 Werktage

Pos.
5
BOSCH Lagerflansch | Ersatzteile für 740 WATT-SERIE | 3605700014
Hersteller: BOSCH
Artikelnummer: EB-0607957312-3605700014
Netto: 52,14 € zzgl. MwSt.
zzgl. 6,90 € Versand (brutto)
einmalig pro Bestellung

Lieferzeit: 5 Werktage

Pos.
6
BOSCH Rillenkugellager 10x26x8 | Ersatzteile für 740 WATT-SERIE | 1900905127
Hersteller: BOSCH
Artikelnummer: EB-0607957312-1900905127
Netto: 24,13 € zzgl. MwSt.
zzgl. 6,90 € Versand (brutto)
einmalig pro Bestellung

Lieferzeit: 5 Werktage

Pos.
7
BOSCH Lagerflansch | Ersatzteile für 740 WATT-SERIE | 3605700010
Hersteller: BOSCH
Artikelnummer: EB-0607957312-3605700010
Netto: 52,14 € zzgl. MwSt.
zzgl. 6,90 € Versand (brutto)
einmalig pro Bestellung

Lieferzeit: 5 Werktage

Pos.
8
BOSCH Kugellager 8x22x7 | Ersatzteile für 740 WATT-SERIE | 1900905029
Hersteller: BOSCH
Artikelnummer: EB-0607957312-1900905029
Netto: 17,38 € zzgl. MwSt.
zzgl. 6,90 € Versand (brutto)
einmalig pro Bestellung

Lieferzeit: 5 Werktage

Pos.
8
BOSCH Rillenkugellager 8X22X7 | Ersatzteile für 740 WATT-SERIE | 2600905052
Hersteller: BOSCH
Artikelnummer: EB-0607957312-2600905052
Netto: 7,76 € zzgl. MwSt.
zzgl. 6,90 € Versand (brutto)
einmalig pro Bestellung

Lieferzeit: 5 Werktage

Pos.
9
BOSCH Distanzring | Ersatzteile für 740 WATT-SERIE | 2600200007
Hersteller: BOSCH
Artikelnummer: EB-0607957312-2600200007
Netto: 9,18 € zzgl. MwSt.
zzgl. 6,90 € Versand (brutto)
einmalig pro Bestellung

Lieferzeit: 5 Werktage

Pos.
10
BOSCH Distanzring | Ersatzteile für 740 WATT-SERIE | 3600202004
Hersteller: BOSCH
Artikelnummer: EB-0607957312-3600202004
Netto: 9,95 € zzgl. MwSt.
zzgl. 6,90 € Versand (brutto)
einmalig pro Bestellung

Lieferzeit: 5 Werktage

Pos.
11
BOSCH Unterlegscheibe DIN 433-5,3-ST | Ersatzteile für 740 WATT-SERIE | 2916011011
Hersteller: BOSCH
Artikelnummer: EB-0607957312-2916011011
nur Informationsartikel
Nie mehr lieferbar
keine Alternativen
Pos.
12
BOSCH Sechskantschraube DIN 933-M5x8-8.8 | Ersatzteile für 740 WATT-SERIE | 2911061150
Hersteller: BOSCH
Artikelnummer: EB-0607957312-2911061150
Netto: 4,53 € zzgl. MwSt.
zzgl. 6,90 € Versand (brutto)
einmalig pro Bestellung

Lieferzeit: 5 Werktage

Pos.
56
BOSCH Anschlussgehäuse | Ersatzteile für 740 WATT-SERIE | 3605190062
Hersteller: BOSCH
Artikelnummer: EB-0607957312-3605190062
nur Informationsartikel
Nie mehr lieferbar
keine Alternativen
Pos.
57
BOSCH Schalldämpfer | Ersatzteile für 740 WATT-SERIE | 3601010007
Hersteller: BOSCH
Artikelnummer: EB-0607957312-3601010007
nur Informationsartikel
Nie mehr lieferbar
keine Alternativen
Pos.
58
BOSCH O-Ring 18x2,5 MM | Ersatzteile für 740 WATT-SERIE | 1900210311
Hersteller: BOSCH
Artikelnummer: EB-0607957312-1900210311
nur Informationsartikel
Nie mehr lieferbar
keine Alternativen
Pos.
59
BOSCH Stützbügel | Ersatzteile für 740 WATT-SERIE | 3604720002
Hersteller: BOSCH
Artikelnummer: EB-0607957312-3604720002
nur Informationsartikel
Nie mehr lieferbar
keine Alternativen
Pos.
66
BOSCH Zylinderstift | Ersatzteile für 740 WATT-SERIE | 3604710006
Hersteller: BOSCH
Artikelnummer: EB-0607957312-3604710006
Netto: 8,33 € zzgl. MwSt.
zzgl. 6,90 € Versand (brutto)
einmalig pro Bestellung

Lieferzeit: 5 Werktage

Pos.
95
BOSCH Typschild | Ersatzteile für 740 WATT-SERIE | 3601106047
Hersteller: BOSCH
Artikelnummer: EB-0607957312-3601106047
nur Informationsartikel
Nie mehr lieferbar
keine Alternativen
Pos.
96
BOSCH Typschild | Ersatzteile für 740 WATT-SERIE | 1601110331
Hersteller: BOSCH
Artikelnummer: EB-0607957312-1601110331
nur Informationsartikel
Nie mehr lieferbar
keine Alternativen
Pos.
97
BOSCH Kerbnagel | Ersatzteile für 740 WATT-SERIE | 3603133000
Hersteller: BOSCH
Artikelnummer: EB-0607957312-3603133000
Netto: 4,53 € zzgl. MwSt.
zzgl. 6,90 € Versand (brutto)
einmalig pro Bestellung

Lieferzeit: 5 Werktage

Pos.
99
BOSCH Hinweisschild | Ersatzteile für 740 WATT-SERIE | 3601119236
Hersteller: BOSCH
Artikelnummer: EB-0607957312-3601119236
Netto: 5,19 € zzgl. MwSt.
zzgl. 6,90 € Versand (brutto)
einmalig pro Bestellung

Lieferzeit: 5 Werktage

Pos.
650
BOSCH Schutzkappe | Ersatzteile für 740 WATT-SERIE | 3600510000
Hersteller: BOSCH
Artikelnummer: EB-0607957312-3600510000
Netto: 4,53 € zzgl. MwSt.
zzgl. 6,90 € Versand (brutto)
einmalig pro Bestellung

Lieferzeit: 5 Werktage

Pos.
651
BOSCH Dichtung | Ersatzteile für 740 WATT-SERIE | 1600113002
Hersteller: BOSCH
Artikelnummer: EB-0607957312-1600113002
Netto: 3,94 € zzgl. MwSt.
zzgl. 6,90 € Versand (brutto)
einmalig pro Bestellung

Lieferzeit: 5 Werktage

Pos.
801
BOSCH Et-Motorgruppe | Ersatzteile für 740 WATT-SERIE | 3607031097
Hersteller: BOSCH
Artikelnummer: EB-0607957312-3607031097
Netto: 342,53 € zzgl. MwSt.
zzgl. 6,90 € Versand (brutto)
einmalig pro Bestellung

Lieferzeit: 5 Werktage

Pos.
802
BOSCH Teilesatz 10 STUECK | Ersatzteile für 740 WATT-SERIE | 3607010019
Hersteller: BOSCH
Artikelnummer: EB-0607957312-3607010019
Netto: 12,98 € zzgl. MwSt.
zzgl. 6,90 € Versand (brutto)
einmalig pro Bestellung

Lieferzeit: 5 Werktage

Pos.
804
BOSCH Teilesatz 5 STUECK | Ersatzteile für 740 WATT-SERIE | 3607030254
Hersteller: BOSCH
Artikelnummer: EB-0607957312-3607030254
Netto: 24,13 € zzgl. MwSt.
zzgl. 6,90 € Versand (brutto)
einmalig pro Bestellung

Lieferzeit: 5 Werktage

Angaben zur Produktsicherheit

Hersteller:
Robert Bosch Power Tools GmbH
Postfach 30 02 20
70442 Stuttgart

E-Mail:
kontakt@bosch.de