BOSCH Kabelschelle | Ersatzteile für 7435-41 | 2610064973

Artikelnummer: EB-F012743541-2610064973

Position: 8

Marke: BOSCH


Bitte Kompatibilität prüfen!

Bitte prüfen Sie unbedingt die 10-stellige Typennummer Ihrer Maschine / Ihres Gerätes. Das Ersatzteil ist nur kompatibel, wenn Sie die Typennummer Ihrer Maschine in der unten stehenden Produktbeschreibung finden.

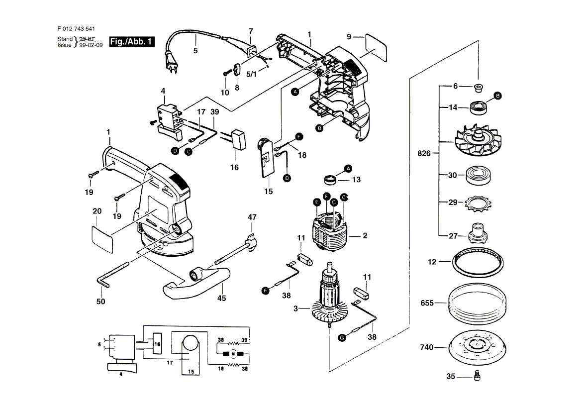
Bitte prüfen Sie ebenfalls detailliert die Explosionszeichnung mit Ihrem Artikelwunsch und der jeweiligen Pos-Nummer.

Alle Elemente, welche vom schwarzen Strich der Pos-Nummer ausgehend berührt / erfasst werden, gehören zu dieser Pos-Nummer und somit zu diesem Artikel. Jede Pos-Nummer ist ein eigenständiger Artikel, welchen Sie in der Auflistung finden.

Sie erhalten stets die aktuellste, neueste Produktversion zu der gewählten Pos-Nummer seitens des Herstellers. Es kann daher je nach Gerätealter vorkommen, dass Sie ggf. weitere, zugehörige Elemente, welche an diese Pos-Nummer grenzen, ebenfalls mittauschen müssen.

Nähere Informationen finden Sie unter dem Link
Hinweise zu Ihrer BOSCH Ersatzteilsuche

Preisübersicht

Einzelpreis: 3,94 €* (Brutto: 4,69 €)
Gesamtpreis: 3,94 €* 
Position:

Lieferzeit: 5 Werktage


Beschreibung

  • Kabelschelle
  • Original Bosch Zubehör / BOSCH Ersatzteil (2610064973)
  • im Gerät verbaut: 1
Dieses BOSCH Ersatzteil ist mit folgendem Gerät und Modell kompatibel:
  • BOSCH Gerätename: 7435-41
  • BOSCH Explosionszeichnung: Position 8
  • BOSCH Typennummer: F012743541
  • BOSCH Typennummer alternative Schreibweisen: F 012 743 541, F012 743 541, F.012.743.541, F-012-743-541
    Bitte prüfen Sie diese Typennummer auf Ihrem Gerät um die Kompatibilität des BOSCH Ersatzteils zu gewährleisten.
Weitere BOSCH Ersatzteile des Gerätes 7435-41 (Hw-Exzenterschleifer) mit der Typennummer F012743541 finden Sie in der nachfolgenden Darstellung und im Dropdown zu Ihrer Auswahl:

Pos.
1
BOSCH Gehäusesatz | Ersatzteile für 7435-41 | 2610385396
Hersteller: BOSCH
Artikelnummer: EB-F012743541-2610385396
Netto: 13,81 € zzgl. MwSt.
zzgl. 6,90 € Versand (brutto)
einmalig pro Bestellung

Lieferzeit: 5 Werktage

Pos.
2
BOSCH Polschuh 230-240V | Ersatzteile für 7435-41 | 2610385741
Hersteller: BOSCH
Artikelnummer: EB-F012743541-2610385741
nur Informationsartikel
Nie mehr lieferbar
keine Alternativen
Pos.
3
BOSCH Anker 230-240V | Ersatzteile für 7435-41 | 2610389007
Hersteller: BOSCH
Artikelnummer: EB-F012743541-2610389007
nur Informationsartikel
Nie mehr lieferbar
keine Alternativen
Pos.
4
BOSCH Schalter ROT | Ersatzteile für 7435-41 | 2610389744
Hersteller: BOSCH
Artikelnummer: EB-F012743541-2610389744
nur Informationsartikel
Nie mehr lieferbar
keine Alternativen
Pos.
5
BOSCH Aderendhülse DIN 46 228-A1-6 | Ersatzteile für 7435-41 | 1900452012
Hersteller: BOSCH
Artikelnummer: EB-F012743541-1900452012
Netto: 3,94 € zzgl. MwSt.
zzgl. 6,90 € Versand (brutto)
einmalig pro Bestellung

Lieferzeit: 5 Werktage

Pos.
5
BOSCH Kabel | Ersatzteile für 7435-41 | 2610388562
Hersteller: BOSCH
Artikelnummer: EB-F012743541-2610388562
nur Informationsartikel
Nie mehr lieferbar
keine Alternativen
Pos.
6
BOSCH Lagerbuchse | Ersatzteile für 7435-41 | 2610390531
Hersteller: BOSCH
Artikelnummer: EB-F012743541-2610390531
Netto: 6,69 € zzgl. MwSt.
zzgl. 6,90 € Versand (brutto)
einmalig pro Bestellung

Lieferzeit: 5 Werktage

Pos.
7
BOSCH Tülle | Ersatzteile für 7435-41 | 2610060520
Hersteller: BOSCH
Artikelnummer: EB-F012743541-2610060520
nur Informationsartikel
Nie mehr lieferbar
keine Alternativen
Pos.
8
BOSCH Kabelschelle | Ersatzteile für 7435-41 | 2610064973
Hersteller: BOSCH
Artikelnummer: EB-F012743541-2610064973
Netto: 3,94 € zzgl. MwSt.
zzgl. 6,90 € Versand (brutto)
einmalig pro Bestellung

Lieferzeit: 5 Werktage

Pos.
9
BOSCH Typschild | Ersatzteile für 7435-41 | 2610385491
Hersteller: BOSCH
Artikelnummer: EB-F012743541-2610385491
nur Informationsartikel
Nie mehr lieferbar
keine Alternativen
Pos.
10
BOSCH Torx-Linsenschraube 8x16 | Ersatzteile für 7435-41 | 2610374916
Hersteller: BOSCH
Artikelnummer: EB-F012743541-2610374916
Netto: 3,94 € zzgl. MwSt.
zzgl. 6,90 € Versand (brutto)
einmalig pro Bestellung

Lieferzeit: 5 Werktage

Pos.
11
BOSCH Bürstenhalter | Ersatzteile für 7435-41 | 2610376874
Hersteller: BOSCH
Artikelnummer: EB-F012743541-2610376874
nur Informationsartikel
Nie mehr lieferbar
keine Alternativen
Pos.
12
BOSCH Haltering | Ersatzteile für 7435-41 | 2600206103
Hersteller: BOSCH
Artikelnummer: EB-F012743541-2600206103
nur Informationsartikel
Nie mehr lieferbar
keine Alternativen
Pos.
13
BOSCH Rillenkugellager 8x22x7 | Ersatzteile für 7435-41 | 2600905052
Hersteller: BOSCH
Artikelnummer: EB-F012743541-2600905052
Netto: 7,76 € zzgl. MwSt.
zzgl. 6,90 € Versand (brutto)
einmalig pro Bestellung

Lieferzeit: 5 Werktage

Pos.
14
BOSCH Rillenkugellager | Ersatzteile für 7435-41 | 2600905034
Hersteller: BOSCH
Artikelnummer: EB-F012743541-2600905034
Netto: 11,92 € zzgl. MwSt.
zzgl. 6,90 € Versand (brutto)
einmalig pro Bestellung

Lieferzeit: 5 Werktage

Pos.
15
BOSCH Drehzahlregler 230V | Ersatzteile für 7435-41 | 2610385536
Hersteller: BOSCH
Artikelnummer: EB-F012743541-2610385536
nur Informationsartikel
Nie mehr lieferbar
keine Alternativen
Pos.
16
BOSCH Entstörfilter | Ersatzteile für 7435-41 | 2610373494
Hersteller: BOSCH
Artikelnummer: EB-F012743541-2610373494
nur Informationsartikel
Nie mehr lieferbar
keine Alternativen
Pos.
17
BOSCH Draht | Ersatzteile für 7435-41 | 2610385601
Hersteller: BOSCH
Artikelnummer: EB-F012743541-2610385601
nur Informationsartikel
Nie mehr lieferbar
keine Alternativen
Pos.
18
BOSCH Draht SCHWARZ | Ersatzteile für 7435-41 | 2610385602
Hersteller: BOSCH
Artikelnummer: EB-F012743541-2610385602
nur Informationsartikel
Nie mehr lieferbar
keine Alternativen
Pos.
19
BOSCH Schraube | Ersatzteile für 7435-41 | 2610374700
Hersteller: BOSCH
Artikelnummer: EB-F012743541-2610374700
nur Informationsartikel
Nie mehr lieferbar
keine Alternativen
Pos.
20
BOSCH Hinweisschild | Ersatzteile für 7435-41 | 2610386054
Hersteller: BOSCH
Artikelnummer: EB-F012743541-2610386054
nur Informationsartikel
Nie mehr lieferbar
keine Alternativen
Pos.
27
BOSCH Mitnehmer | Ersatzteile für 7435-41 | 2600328027
Hersteller: BOSCH
Artikelnummer: EB-F012743541-2600328027
nur Informationsartikel
Nie mehr lieferbar
keine Alternativen
Pos.
29
BOSCH Scheibe | Ersatzteile für 7435-41 | 2600190059
Hersteller: BOSCH
Artikelnummer: EB-F012743541-2600190059
Netto: 4,32 € zzgl. MwSt.
zzgl. 6,90 € Versand (brutto)
einmalig pro Bestellung

Lieferzeit: 5 Werktage

Pos.
30
BOSCH Rillenkugellager 15x35x11 | Ersatzteile für 7435-41 | 2600905111
Hersteller: BOSCH
Artikelnummer: EB-F012743541-2600905111
nur Informationsartikel
Nie mehr lieferbar
keine Alternativen
Pos.
35
BOSCH Innensechskantschraube | Ersatzteile für 7435-41 | 2603414062
Hersteller: BOSCH
Artikelnummer: EB-F012743541-2603414062
Netto: 4,32 € zzgl. MwSt.
zzgl. 6,90 € Versand (brutto)
einmalig pro Bestellung

Lieferzeit: 5 Werktage

Pos.
38
BOSCH Elektr Leitung BLAU | Ersatzteile für 7435-41 | 2610377267
Hersteller: BOSCH
Artikelnummer: EB-F012743541-2610377267
nur Informationsartikel
Nie mehr lieferbar
keine Alternativen
Pos.
39
BOSCH Verbindungsleitung WEISS | Ersatzteile für 7435-41 | 2610376577
Hersteller: BOSCH
Artikelnummer: EB-F012743541-2610376577
nur Informationsartikel
Nie mehr lieferbar
keine Alternativen
Pos.
45
BOSCH Handgriff | Ersatzteile für 7435-41 | 2610385458
Hersteller: BOSCH
Artikelnummer: EB-F012743541-2610385458
nur Informationsartikel
Nie mehr lieferbar
keine Alternativen
Pos.
47
BOSCH Bolzen | Ersatzteile für 7435-41 | 2610385460
Hersteller: BOSCH
Artikelnummer: EB-F012743541-2610385460
nur Informationsartikel
Nie mehr lieferbar
keine Alternativen
Pos.
50
BOSCH Innensechskantschlüssel 5 MM | Ersatzteile für 7435-41 | 2610364015
Hersteller: BOSCH
Artikelnummer: EB-F012743541-2610364015
Netto: 5,19 € zzgl. MwSt.
zzgl. 6,90 € Versand (brutto)
einmalig pro Bestellung

Lieferzeit: 5 Werktage

Pos.
654
BOSCH Staubbehaelter ROT | Ersatzteile für 7435-41 | 2610390622
Hersteller: BOSCH
Artikelnummer: EB-F012743541-2610390622
nur Informationsartikel
Nie mehr lieferbar
keine Alternativen
Pos.
655
BOSCH Kragen | Ersatzteile für 7435-41 | 2610385456
Hersteller: BOSCH
Artikelnummer: EB-F012743541-2610385456
nur Informationsartikel
Nie mehr lieferbar
keine Alternativen
Pos.
740
BOSCH Unterlegscheibe | Ersatzteile für 7435-41 | 2610097755
Hersteller: BOSCH
Artikelnummer: EB-F012743541-2610097755
nur Informationsartikel
Nie mehr lieferbar
keine Alternativen
Pos.
826
BOSCH Lüfter LINKSGEWINDE | Ersatzteile für 7435-41 | 2606610901
Hersteller: BOSCH
Artikelnummer: EB-F012743541-2606610901
nur Informationsartikel
Nie mehr lieferbar
keine Alternativen

Angaben zur Produktsicherheit

Hersteller:
Robert Bosch Power Tools GmbH
Postfach 30 02 20
70442 Stuttgart

E-Mail:
kontakt@bosch.de