BOSCH Leitungshalter | Ersatzteile für 7640 | 2610395796

Artikelnummer: EB-F012764055-2610395796

Position: 807

Marke: BOSCH


Bitte Kompatibilität prüfen!

Bitte prüfen Sie unbedingt die 10-stellige Typennummer Ihrer Maschine / Ihres Gerätes. Das Ersatzteil ist nur kompatibel, wenn Sie die Typennummer Ihrer Maschine in der unten stehenden Produktbeschreibung finden.

Bitte prüfen Sie ebenfalls detailliert die Explosionszeichnung mit Ihrem Artikelwunsch und der jeweiligen Pos-Nummer.

Alle Elemente, welche vom schwarzen Strich der Pos-Nummer ausgehend berührt / erfasst werden, gehören zu dieser Pos-Nummer und somit zu diesem Artikel. Jede Pos-Nummer ist ein eigenständiger Artikel, welchen Sie in der Auflistung finden.

Sie erhalten stets die aktuellste, neueste Produktversion zu der gewählten Pos-Nummer seitens des Herstellers. Es kann daher je nach Gerätealter vorkommen, dass Sie ggf. weitere, zugehörige Elemente, welche an diese Pos-Nummer grenzen, ebenfalls mittauschen müssen.

Nähere Informationen finden Sie unter dem Link
Hinweise zu Ihrer BOSCH Ersatzteilsuche

Preisübersicht

Einzelpreis: 0,62 €* (Brutto: 0,74 €)
Gesamtpreis: 0,62 €* 
Position:

Lieferzeit: 5 Werktage


Beschreibung

  • Leitungshalter
  • Original Bosch Zubehör / BOSCH Ersatzteil (2610395796)
  • im Gerät verbaut: 1
Dieses BOSCH Ersatzteil ist mit folgendem Gerät und Modell kompatibel:
  • BOSCH Gerätename: 7640
  • BOSCH Explosionszeichnung: Position 807
  • BOSCH Typennummer: F012764055
  • BOSCH Typennummer alternative Schreibweisen: F 012 764 055, F012 764 055, F.012.764.055, F-012-764-055
    Bitte prüfen Sie diese Typennummer auf Ihrem Gerät um die Kompatibilität des BOSCH Ersatzteils zu gewährleisten.
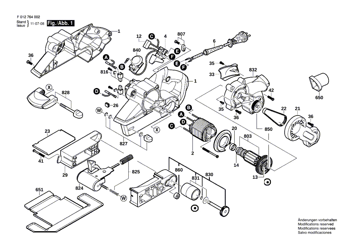
Weitere BOSCH Ersatzteile des Gerätes 7640 (Gw-Bandschleifer) mit der Typennummer F012764055 finden Sie in der nachfolgenden Darstellung und im Dropdown zu Ihrer Auswahl:

Pos.
1
BOSCH Motorgehäuse | Ersatzteile für 7640 | F000601243
Hersteller: BOSCH
Artikelnummer: EB-F012764055-F000601243
nur Informationsartikel
Nie mehr lieferbar
keine Alternativen
Pos.
2
BOSCH Polschuh 220V | Ersatzteile für 7640 | F000607055
Hersteller: BOSCH
Artikelnummer: EB-F012764055-F000607055
nur Informationsartikel
Nie mehr lieferbar
keine Alternativen
Pos.
4
BOSCH Ein/Aus-Schalter | Ersatzteile für 7640 | F000608066
Hersteller: BOSCH
Artikelnummer: EB-F012764055-F000608066
nur Informationsartikel
Nie mehr lieferbar
keine Alternativen
Pos.
5
BOSCH Netzanschlussleitung | Ersatzteile für 7640 | F000609255
Hersteller: BOSCH
Artikelnummer: EB-F012764055-F000609255
nur Informationsartikel
Nie mehr lieferbar
keine Alternativen
Pos.
6
BOSCH Tülle | Ersatzteile für 7640 | 2610395810
Hersteller: BOSCH
Artikelnummer: EB-F012764055-2610395810
nur Informationsartikel
Nie mehr lieferbar
keine Alternativen
Pos.
12
BOSCH Entstörkondensator | Ersatzteile für 7640 | 2610395789
Hersteller: BOSCH
Artikelnummer: EB-F012764055-2610395789
nur Informationsartikel
Nie mehr lieferbar
keine Alternativen
Pos.
13
BOSCH Rillenkugellager | Ersatzteile für 7640 | F000615026
Hersteller: BOSCH
Artikelnummer: EB-F012764055-F000615026
nur Informationsartikel
Nie mehr lieferbar
keine Alternativen
Pos.
14
BOSCH Rillenkugellager | Ersatzteile für 7640 | F000615027
Hersteller: BOSCH
Artikelnummer: EB-F012764055-F000615027
nur Informationsartikel
Nie mehr lieferbar
keine Alternativen
Pos.
15
BOSCH Blechschraube | Ersatzteile für 7640 | F000616074
Hersteller: BOSCH
Artikelnummer: EB-F012764055-F000616074
nur Informationsartikel
Nie mehr lieferbar
keine Alternativen
Pos.
20
BOSCH Buchse | Ersatzteile für 7640 | 2610373997
Hersteller: BOSCH
Artikelnummer: EB-F012764055-2610373997
nur Informationsartikel
Nie mehr lieferbar
keine Alternativen
Pos.
21
BOSCH Bandabdeckung | Ersatzteile für 7640 | 2610395786
Hersteller: BOSCH
Artikelnummer: EB-F012764055-2610395786
nur Informationsartikel
Nie mehr lieferbar
keine Alternativen
Pos.
22
BOSCH Zahnriemen | Ersatzteile für 7640 | 2610395787
Hersteller: BOSCH
Artikelnummer: EB-F012764055-2610395787
nur Informationsartikel
Nie mehr lieferbar
keine Alternativen
Pos.
23
BOSCH Unterlage | Ersatzteile für 7640 | 2610395788
Hersteller: BOSCH
Artikelnummer: EB-F012764055-2610395788
nur Informationsartikel
Nie mehr lieferbar
keine Alternativen
Pos.
26
BOSCH Stopfen | Ersatzteile für 7640 | 2610395793
Hersteller: BOSCH
Artikelnummer: EB-F012764055-2610395793
nur Informationsartikel
Nie mehr lieferbar
keine Alternativen
Pos.
29
BOSCH Abdeckhaube | Ersatzteile für 7640 | 2610395798
Hersteller: BOSCH
Artikelnummer: EB-F012764055-2610395798
nur Informationsartikel
Nie mehr lieferbar
keine Alternativen
Pos.
33
BOSCH Abdeckplatte | Ersatzteile für 7640 | 2610395802
Hersteller: BOSCH
Artikelnummer: EB-F012764055-2610395802
nur Informationsartikel
Nie mehr lieferbar
keine Alternativen
Pos.
35
BOSCH Blechschraube | Ersatzteile für 7640 | 2610395804
Hersteller: BOSCH
Artikelnummer: EB-F012764055-2610395804
nur Informationsartikel
Nie mehr lieferbar
keine Alternativen
Pos.
36
BOSCH Blechschraube | Ersatzteile für 7640 | 2610395805
Hersteller: BOSCH
Artikelnummer: EB-F012764055-2610395805
nur Informationsartikel
Nie mehr lieferbar
keine Alternativen
Pos.
41
BOSCH Blechschraube | Ersatzteile für 7640 | 2610395811
Hersteller: BOSCH
Artikelnummer: EB-F012764055-2610395811
nur Informationsartikel
Nie mehr lieferbar
keine Alternativen
Pos.
42
BOSCH Blechschraube | Ersatzteile für 7640 | 2610395812
Hersteller: BOSCH
Artikelnummer: EB-F012764055-2610395812
Netto: 0,62 € zzgl. MwSt.
zzgl. 6,90 € Versand (brutto)
einmalig pro Bestellung

Lieferzeit: 5 Werktage

Pos.
803
BOSCH Anker 220V | Ersatzteile für 7640 | 2610395785
Hersteller: BOSCH
Artikelnummer: EB-F012764055-2610395785
nur Informationsartikel
Nie mehr lieferbar
keine Alternativen
Pos.
807
BOSCH Leitungshalter | Ersatzteile für 7640 | 2610395796
Hersteller: BOSCH
Artikelnummer: EB-F012764055-2610395796
Netto: 0,62 € zzgl. MwSt.
zzgl. 6,90 € Versand (brutto)
einmalig pro Bestellung

Lieferzeit: 5 Werktage

Pos.
816
BOSCH Kohlebürstensatz | Ersatzteile für 7640 | 2610395790
Hersteller: BOSCH
Artikelnummer: EB-F012764055-2610395790
nur Informationsartikel
Nie mehr lieferbar
keine Alternativen
Pos.
824
BOSCH Gabel | Ersatzteile für 7640 | 2610395791
Hersteller: BOSCH
Artikelnummer: EB-F012764055-2610395791
nur Informationsartikel
Nie mehr lieferbar
keine Alternativen
Pos.
825
BOSCH Federnsatz | Ersatzteile für 7640 | 2610395792
Hersteller: BOSCH
Artikelnummer: EB-F012764055-2610395792
nur Informationsartikel
Nie mehr lieferbar
keine Alternativen
Pos.
827
BOSCH Stellknopf | Ersatzteile für 7640 | 2610395794
Hersteller: BOSCH
Artikelnummer: EB-F012764055-2610395794
nur Informationsartikel
Nie mehr lieferbar
keine Alternativen
Pos.
828
BOSCH Handgriff | Ersatzteile für 7640 | 2610395795
Hersteller: BOSCH
Artikelnummer: EB-F012764055-2610395795
nur Informationsartikel
Nie mehr lieferbar
keine Alternativen
Pos.
830
BOSCH Getriebegehäuse | Ersatzteile für 7640 | 2610395799
Hersteller: BOSCH
Artikelnummer: EB-F012764055-2610395799
nur Informationsartikel
Nie mehr lieferbar
keine Alternativen
Pos.
831
BOSCH Laufrolle | Ersatzteile für 7640 | 2610395801
Hersteller: BOSCH
Artikelnummer: EB-F012764055-2610395801
nur Informationsartikel
Nie mehr lieferbar
keine Alternativen
Pos.
832
BOSCH Gehäuseschale | Ersatzteile für 7640 | 2610395803
Hersteller: BOSCH
Artikelnummer: EB-F012764055-2610395803
nur Informationsartikel
Nie mehr lieferbar
keine Alternativen
Pos.
840
BOSCH Drehzahlregler | Ersatzteile für 7640 | F000608067
Hersteller: BOSCH
Artikelnummer: EB-F012764055-F000608067
nur Informationsartikel
Nie mehr lieferbar
keine Alternativen
Pos.
850
BOSCH Zahnriemenrad | Ersatzteile für 7640 | F000615028
Hersteller: BOSCH
Artikelnummer: EB-F012764055-F000615028
nur Informationsartikel
Nie mehr lieferbar
keine Alternativen
Pos.
860
BOSCH Rundmutter | Ersatzteile für 7640 | F000616029
Hersteller: BOSCH
Artikelnummer: EB-F012764055-F000616029
nur Informationsartikel
Nie mehr lieferbar
keine Alternativen
Pos.
870
BOSCH Rillenkugellager | Ersatzteile für 7640 | F000615030
Hersteller: BOSCH
Artikelnummer: EB-F012764055-F000615030
nur Informationsartikel
Nie mehr lieferbar
keine Alternativen

Angaben zur Produktsicherheit

Hersteller:
Robert Bosch Power Tools GmbH
Postfach 30 02 20
70442 Stuttgart

E-Mail:
kontakt@bosch.de