BOSCH Kegelrad | Ersatzteile für 9021 PA | 9618089079

Artikelnummer: EB-F0129021PA-9618089079

Position: 38

Marke: BOSCH


Bitte Kompatibilität prüfen!

Bitte prüfen Sie unbedingt die 10-stellige Typennummer Ihrer Maschine / Ihres Gerätes. Das Ersatzteil ist nur kompatibel, wenn Sie die Typennummer Ihrer Maschine in der unten stehenden Produktbeschreibung finden.

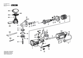
Bitte prüfen Sie ebenfalls detailliert die Explosionszeichnung mit Ihrem Artikelwunsch und der jeweiligen Pos-Nummer.

Alle Elemente, welche vom schwarzen Strich der Pos-Nummer ausgehend berührt / erfasst werden, gehören zu dieser Pos-Nummer und somit zu diesem Artikel. Jede Pos-Nummer ist ein eigenständiger Artikel, welchen Sie in der Auflistung finden.

Sie erhalten stets die aktuellste, neueste Produktversion zu der gewählten Pos-Nummer seitens des Herstellers. Es kann daher je nach Gerätealter vorkommen, dass Sie ggf. weitere, zugehörige Elemente, welche an diese Pos-Nummer grenzen, ebenfalls mittauschen müssen.

Nähere Informationen finden Sie unter dem Link
Hinweise zu Ihrer BOSCH Ersatzteilsuche

Preisübersicht

Einzelpreis: 23,72 €* (Brutto: 28,23 €)
Gesamtpreis: 23,72 €* 
Position:

Lieferzeit: 5 Werktage


Beschreibung

  • Kegelrad
  • Original Bosch Zubehör / BOSCH Ersatzteil (9618089079)
  • im Gerät verbaut: 1
Dieses BOSCH Ersatzteil ist mit folgendem Gerät und Modell kompatibel:
  • BOSCH Gerätename: 9021 PA
  • BOSCH Explosionszeichnung: Position 38
  • BOSCH Typennummer: F0129021PA
  • BOSCH Typennummer alternative Schreibweisen: F 012 902 1PA, F012 902 1PA, F.012.902.1PA, F-012-902-1PA
    Bitte prüfen Sie diese Typennummer auf Ihrem Gerät um die Kompatibilität des BOSCH Ersatzteils zu gewährleisten.
Weitere BOSCH Ersatzteile des Gerätes 9021 PA (Winkelpolierer) mit der Typennummer F0129021PA finden Sie in der nachfolgenden Darstellung und im Dropdown zu Ihrer Auswahl:

Pos.
1
BOSCH Motorgehäuse | Ersatzteile für 9021 PA | F000601061
Hersteller: BOSCH
Artikelnummer: EB-F0129021PA-F000601061
Netto: 35,89 € zzgl. MwSt.
zzgl. 6,90 € Versand (brutto)
einmalig pro Bestellung

Lieferzeit: 5 Werktage

Pos.
2
BOSCH Polschuh 220V | Ersatzteile für 9021 PA | 9618089917
Hersteller: BOSCH
Artikelnummer: EB-F0129021PA-9618089917
nur Informationsartikel
Nie mehr lieferbar
keine Alternativen
Pos.
3
BOSCH Anker 220V | Ersatzteile für 9021 PA | 9618089918
Hersteller: BOSCH
Artikelnummer: EB-F0129021PA-9618089918
nur Informationsartikel
Nie mehr lieferbar
keine Alternativen
Pos.
4
BOSCH Ein/Aus-Schalter | Ersatzteile für 9021 PA | 1607200086
Hersteller: BOSCH
Artikelnummer: EB-F0129021PA-1607200086
Netto: 9,95 € zzgl. MwSt.
zzgl. 6,90 € Versand (brutto)
einmalig pro Bestellung

Lieferzeit: 5 Werktage

Pos.
5
BOSCH Netzanschlussleitung AR 2,00m 2 x 0,75mm H05 VVF | Ersatzteile für 9021 PA | F000609188
Hersteller: BOSCH
Artikelnummer: EB-F0129021PA-F000609188
nur Informationsartikel
Nie mehr lieferbar
keine Alternativen
Pos.
6
BOSCH Tülle Ø8,3-Ø9,4x95 MM | Ersatzteile für 9021 PA | 2600703011
Hersteller: BOSCH
Artikelnummer: EB-F0129021PA-2600703011
Netto: 4,82 € zzgl. MwSt.
zzgl. 6,90 € Versand (brutto)
einmalig pro Bestellung

Lieferzeit: 5 Werktage

Pos.
7
BOSCH Befestigungsschelle | Ersatzteile für 9021 PA | 1601302017
Hersteller: BOSCH
Artikelnummer: EB-F0129021PA-1601302017
Netto: 3,63 € zzgl. MwSt.
zzgl. 6,90 € Versand (brutto)
einmalig pro Bestellung

Lieferzeit: 5 Werktage

Pos.
13
BOSCH Rillenkugellager DIN 607-2Z-C3 | Ersatzteile für 9021 PA | 1600900024
Hersteller: BOSCH
Artikelnummer: EB-F0129021PA-1600900024
Netto: 5,74 € zzgl. MwSt.
zzgl. 6,90 € Versand (brutto)
einmalig pro Bestellung

Lieferzeit: 5 Werktage

Pos.
14
BOSCH Kugellager 8x22x7 | Ersatzteile für 9021 PA | 1900905029
Hersteller: BOSCH
Artikelnummer: EB-F0129021PA-1900905029
Netto: 17,38 € zzgl. MwSt.
zzgl. 6,90 € Versand (brutto)
einmalig pro Bestellung

Lieferzeit: 5 Werktage

Pos.
18
BOSCH Druckfeder | Ersatzteile für 9021 PA | 1604611026
Hersteller: BOSCH
Artikelnummer: EB-F0129021PA-1604611026
Netto: 3,63 € zzgl. MwSt.
zzgl. 6,90 € Versand (brutto)
einmalig pro Bestellung

Lieferzeit: 19 Werktage

Pos.
21
BOSCH Getriebegehäuse SCHWARZ | Ersatzteile für 9021 PA | 1605806429
Hersteller: BOSCH
Artikelnummer: EB-F0129021PA-1605806429
nur Informationsartikel
Nie mehr lieferbar
keine Alternativen
Pos.
22
BOSCH Verstellschieber | Ersatzteile für 9021 PA | 1602319002
Hersteller: BOSCH
Artikelnummer: EB-F0129021PA-1602319002
Netto: 4,53 € zzgl. MwSt.
zzgl. 6,90 € Versand (brutto)
einmalig pro Bestellung

Lieferzeit: 5 Werktage

Pos.
23
BOSCH Schaltergriff ROT | Ersatzteile für 9021 PA | 1602026076
Hersteller: BOSCH
Artikelnummer: EB-F0129021PA-1602026076
Netto: 3,51 € zzgl. MwSt.
zzgl. 6,90 € Versand (brutto)
einmalig pro Bestellung

Lieferzeit: 5 Werktage

Pos.
26
BOSCH Gummibuchse | Ersatzteile für 9021 PA | 1600502020
Hersteller: BOSCH
Artikelnummer: EB-F0129021PA-1600502020
Netto: 4,53 € zzgl. MwSt.
zzgl. 6,90 € Versand (brutto)
einmalig pro Bestellung

Lieferzeit: 5 Werktage

Pos.
27
BOSCH Gummiring | Ersatzteile für 9021 PA | 1600206025
Hersteller: BOSCH
Artikelnummer: EB-F0129021PA-1600206025
Netto: 4,32 € zzgl. MwSt.
zzgl. 6,90 € Versand (brutto)
einmalig pro Bestellung

Lieferzeit: 5 Werktage

Pos.
28
BOSCH Lagerflansch | Ersatzteile für 9021 PA | 1605805061
Hersteller: BOSCH
Artikelnummer: EB-F0129021PA-1605805061
nur Informationsartikel
Nie mehr lieferbar
keine Alternativen
Pos.
29
BOSCH Luftleitring | Ersatzteile für 9021 PA | 1601328005
Hersteller: BOSCH
Artikelnummer: EB-F0129021PA-1601328005
Netto: 4,53 € zzgl. MwSt.
zzgl. 6,90 € Versand (brutto)
einmalig pro Bestellung

Lieferzeit: 5 Werktage

Pos.
32
BOSCH Schleifspindel | Ersatzteile für 9021 PA | 1607000D6A
Hersteller: BOSCH
Artikelnummer: EB-F0129021PA-1607000D6A
Netto: 7,76 € zzgl. MwSt.
zzgl. 6,90 € Versand (brutto)
einmalig pro Bestellung

Lieferzeit: 5 Werktage

Pos.
35
BOSCH Ausgleichscheibe 0,1 MM DICK | Ersatzteile für 9021 PA | 1600136012
Hersteller: BOSCH
Artikelnummer: EB-F0129021PA-1600136012
Netto: 3,63 € zzgl. MwSt.
zzgl. 6,90 € Versand (brutto)
einmalig pro Bestellung

Lieferzeit: 5 Werktage

Pos.
35
BOSCH Ausgleichscheibe 0,2 MM DICK | Ersatzteile für 9021 PA | 1600136010
Hersteller: BOSCH
Artikelnummer: EB-F0129021PA-1600136010
Netto: 4,53 € zzgl. MwSt.
zzgl. 6,90 € Versand (brutto)
einmalig pro Bestellung

Lieferzeit: 5 Werktage

Pos.
35
BOSCH Ausgleichscheibe 0,3 MM DICK | Ersatzteile für 9021 PA | 1600136011
Hersteller: BOSCH
Artikelnummer: EB-F0129021PA-1600136011
Netto: 4,32 € zzgl. MwSt.
zzgl. 6,90 € Versand (brutto)
einmalig pro Bestellung

Lieferzeit: 5 Werktage

Pos.
36
BOSCH Federscheibe | Ersatzteile für 9021 PA | 1600150011
Hersteller: BOSCH
Artikelnummer: EB-F0129021PA-1600150011
Netto: 3,63 € zzgl. MwSt.
zzgl. 6,90 € Versand (brutto)
einmalig pro Bestellung

Lieferzeit: 5 Werktage

Pos.
38
BOSCH Kegelrad | Ersatzteile für 9021 PA | 9618089079
Hersteller: BOSCH
Artikelnummer: EB-F0129021PA-9618089079
Netto: 23,72 € zzgl. MwSt.
zzgl. 6,90 € Versand (brutto)
einmalig pro Bestellung

Lieferzeit: 5 Werktage

Pos.
40
BOSCH Sicherungsring DIN 472-25x1,2MM | Ersatzteile für 9021 PA | 2916660009
Hersteller: BOSCH
Artikelnummer: EB-F0129021PA-2916660009
Netto: 4,32 € zzgl. MwSt.
zzgl. 6,90 € Versand (brutto)
einmalig pro Bestellung

Lieferzeit: 5 Werktage

Pos.
41
BOSCH Gleitlager | Ersatzteile für 9021 PA | 1600200029
Hersteller: BOSCH
Artikelnummer: EB-F0129021PA-1600200029
Netto: 5,19 € zzgl. MwSt.
zzgl. 6,90 € Versand (brutto)
einmalig pro Bestellung

Lieferzeit: 5 Werktage

Pos.
47
BOSCH Blechschraube DIN 7971-ST3,9x13-C | Ersatzteile für 9021 PA | 2910211218
Hersteller: BOSCH
Artikelnummer: EB-F0129021PA-2910211218
Netto: 3,62 € zzgl. MwSt.
zzgl. 6,90 € Versand (brutto)
einmalig pro Bestellung

Lieferzeit: 5 Werktage

Pos.
48
BOSCH Torx-Linsenschraube 3x10 | Ersatzteile für 9021 PA | 2603490017
Hersteller: BOSCH
Artikelnummer: EB-F0129021PA-2603490017
Netto: 4,32 € zzgl. MwSt.
zzgl. 6,90 € Versand (brutto)
einmalig pro Bestellung

Lieferzeit: 5 Werktage

Pos.
53
BOSCH Verbindungsleitung | Ersatzteile für 9021 PA | 9618086927
Hersteller: BOSCH
Artikelnummer: EB-F0129021PA-9618086927
nur Informationsartikel
Nie mehr lieferbar
keine Alternativen
Pos.
54
BOSCH Verbindungsleitung | Ersatzteile für 9021 PA | 9618086928
Hersteller: BOSCH
Artikelnummer: EB-F0129021PA-9618086928
nur Informationsartikel
Nie mehr lieferbar
keine Alternativen
Pos.
55
BOSCH Blechschraube 4x20 MM | Ersatzteile für 9021 PA | 9618087100
Hersteller: BOSCH
Artikelnummer: EB-F0129021PA-9618087100
Netto: 3,94 € zzgl. MwSt.
zzgl. 6,90 € Versand (brutto)
einmalig pro Bestellung

Lieferzeit: 5 Werktage

Pos.
660
BOSCH Zusatzhandgriff M10 | Ersatzteile für 9021 PA | 1602025026
Hersteller: BOSCH
Artikelnummer: EB-F0129021PA-1602025026
Netto: 4,83 € zzgl. MwSt.
zzgl. 6,90 € Versand (brutto)
einmalig pro Bestellung

Lieferzeit: 5 Werktage

Pos.
661
BOSCH Unterlegscheibe DIN 125-A15-ST | Ersatzteile für 9021 PA | 2916011022
Hersteller: BOSCH
Artikelnummer: EB-F0129021PA-2916011022
Netto: 3,94 € zzgl. MwSt.
zzgl. 6,90 € Versand (brutto)
einmalig pro Bestellung

Lieferzeit: 5 Werktage

Pos.
662
BOSCH Stützteller | Ersatzteile für 9021 PA | F000600188
Hersteller: BOSCH
Artikelnummer: EB-F0129021PA-F000600188
nur Informationsartikel
Nie mehr lieferbar
keine Alternativen
Pos.
663
BOSCH Kreuzlochmutter | Ersatzteile für 9021 PA | 2603345002
Hersteller: BOSCH
Artikelnummer: EB-F0129021PA-2603345002
Netto: 7,80 € zzgl. MwSt.
zzgl. 6,90 € Versand (brutto)
einmalig pro Bestellung

Lieferzeit: 5 Werktage

Pos.
664
BOSCH Polierhaube | Ersatzteile für 9021 PA | 9617081818
Hersteller: BOSCH
Artikelnummer: EB-F0129021PA-9617081818
nur Informationsartikel
Nie mehr lieferbar
keine Alternativen
Pos.
665
BOSCH Zweilochmutterndreher | Ersatzteile für 9021 PA | 1619P08927
Hersteller: BOSCH
Artikelnummer: EB-F0129021PA-1619P08927
Netto: 5,67 € zzgl. MwSt.
zzgl. 6,90 € Versand (brutto)
einmalig pro Bestellung

Lieferzeit: 5 Werktage

Pos.
666
BOSCH Montierschlüssel | Ersatzteile für 9021 PA | F000600339
Hersteller: BOSCH
Artikelnummer: EB-F0129021PA-F000600339
nur Informationsartikel
Nie mehr lieferbar
keine Alternativen
Pos.
810
BOSCH Kohlebürstensatz | Ersatzteile für 9021 PA | F000611029
Hersteller: BOSCH
Artikelnummer: EB-F0129021PA-F000611029
Netto: 9,95 € zzgl. MwSt.
zzgl. 6,90 € Versand (brutto)
einmalig pro Bestellung

Lieferzeit: 5 Werktage

Pos.
812
BOSCH Spiralfeder | Ersatzteile für 9021 PA | 1604652013
Hersteller: BOSCH
Artikelnummer: EB-F0129021PA-1604652013
Netto: 3,94 € zzgl. MwSt.
zzgl. 6,90 € Versand (brutto)
einmalig pro Bestellung

Lieferzeit: 5 Werktage

Pos.
816
BOSCH Bürstenhalter | Ersatzteile für 9021 PA | F000612048
Hersteller: BOSCH
Artikelnummer: EB-F0129021PA-F000612048
nur Informationsartikel
Nie mehr lieferbar
keine Alternativen
Pos.
825
BOSCH Gehäusedeckel | Ersatzteile für 9021 PA | F000603009
Hersteller: BOSCH
Artikelnummer: EB-F0129021PA-F000603009
Netto: 7,36 € zzgl. MwSt.
zzgl. 6,90 € Versand (brutto)
einmalig pro Bestellung

Lieferzeit: 5 Werktage

Angaben zur Produktsicherheit

Hersteller:
Robert Bosch Power Tools GmbH
Postfach 30 02 20
70442 Stuttgart

E-Mail:
kontakt@bosch.de