BOSCH Netzanschlussleitung CH 2,75m 2 x 1,0mm H05 VV-F | Ersatzteile für 9030 | 1604460423

Artikelnummer: EB-F015903002-1604460423

Position: 5

Marke: BOSCH


Bitte Kompatibilität prüfen!

Bitte prüfen Sie unbedingt die 10-stellige Typennummer Ihrer Maschine / Ihres Gerätes. Das Ersatzteil ist nur kompatibel, wenn Sie die Typennummer Ihrer Maschine in der unten stehenden Produktbeschreibung finden.

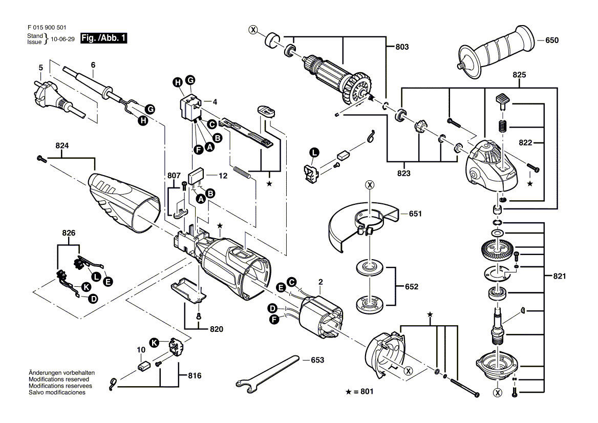
Bitte prüfen Sie ebenfalls detailliert die Explosionszeichnung mit Ihrem Artikelwunsch und der jeweiligen Pos-Nummer.

Alle Elemente, welche vom schwarzen Strich der Pos-Nummer ausgehend berührt / erfasst werden, gehören zu dieser Pos-Nummer und somit zu diesem Artikel. Jede Pos-Nummer ist ein eigenständiger Artikel, welchen Sie in der Auflistung finden.

Sie erhalten stets die aktuellste, neueste Produktversion zu der gewählten Pos-Nummer seitens des Herstellers. Es kann daher je nach Gerätealter vorkommen, dass Sie ggf. weitere, zugehörige Elemente, welche an diese Pos-Nummer grenzen, ebenfalls mittauschen müssen.

Nähere Informationen finden Sie unter dem Link
Hinweise zu Ihrer BOSCH Ersatzteilsuche

Preisübersicht

Einzelpreis: 9,18 €* (Brutto: 10,92 €)
Gesamtpreis: 9,18 €* 
Position:

Lieferzeit: 5 Werktage


Beschreibung

  • Netzanschlussleitung CH 2,75m 2 x 1,0mm H05 VV-F
  • Original Bosch Zubehör / BOSCH Ersatzteil (1604460423)
  • im Gerät verbaut: 1
Dieses BOSCH Ersatzteil ist mit folgendem Gerät und Modell kompatibel:
  • BOSCH Gerätename: 9030
  • BOSCH Explosionszeichnung: Position 5
  • BOSCH Typennummer: F015903002
  • BOSCH Typennummer alternative Schreibweisen: F 015 903 002, F015 903 002, F.015.903.002, F-015-903-002
    Bitte prüfen Sie diese Typennummer auf Ihrem Gerät um die Kompatibilität des BOSCH Ersatzteils zu gewährleisten.
Weitere BOSCH Ersatzteile des Gerätes 9030 (Winkelschleifer) mit der Typennummer F015903002 finden Sie in der nachfolgenden Darstellung und im Dropdown zu Ihrer Auswahl:

Pos.
2
BOSCH Polschuh 230V | Ersatzteile für 9030 | 2610Z01295
Hersteller: BOSCH
Artikelnummer: EB-F015903002-2610Z01295
nur Informationsartikel
Nie mehr lieferbar
keine Alternativen
Pos.
4
BOSCH Ein/Aus-Schalter | Ersatzteile für 9030 | 2610Z01281
Hersteller: BOSCH
Artikelnummer: EB-F015903002-2610Z01281
nur Informationsartikel
Nie mehr lieferbar
keine Alternativen
Pos.
5
BOSCH Netzanschlussleitung CH 2,75m 2 x 1,0mm H05 VV-F | Ersatzteile für 9030 | 1604460423
Hersteller: BOSCH
Artikelnummer: EB-F015903002-1604460423
Netto: 8,94 € zzgl. MwSt.
zzgl. 6,90 € Versand (brutto)
einmalig pro Bestellung

Lieferzeit: 5 Werktage

Pos.
6
BOSCH Tülle | Ersatzteile für 9030 | 2610Z01279
Hersteller: BOSCH
Artikelnummer: EB-F015903002-2610Z01279
nur Informationsartikel
Nie mehr lieferbar
keine Alternativen
Pos.
10
BOSCH Kohlebürstensatz | Ersatzteile für 9030 | 2610Z01288
Hersteller: BOSCH
Artikelnummer: EB-F015903002-2610Z01288
nur Informationsartikel
Nie mehr lieferbar
keine Alternativen
Pos.
12
BOSCH Entstörkondensator | Ersatzteile für 9030 | 2610Z01280
Hersteller: BOSCH
Artikelnummer: EB-F015903002-2610Z01280
nur Informationsartikel
Nie mehr lieferbar
keine Alternativen
Pos.
650
BOSCH Zusatzhandgriff | Ersatzteile für 9030 | 2610Z00827
Hersteller: BOSCH
Artikelnummer: EB-F015903002-2610Z00827
nur Informationsartikel
Nie mehr lieferbar
keine Alternativen
Pos.
651
BOSCH Schutzhaube | Ersatzteile für 9030 | 2610Z01283
Hersteller: BOSCH
Artikelnummer: EB-F015903002-2610Z01283
nur Informationsartikel
Nie mehr lieferbar
keine Alternativen
Pos.
652
BOSCH Aufspannflansch | Ersatzteile für 9030 | 2610Z00819
Hersteller: BOSCH
Artikelnummer: EB-F015903002-2610Z00819
nur Informationsartikel
Nie mehr lieferbar
keine Alternativen
Pos.
653
BOSCH Stirnlochschlüssel | Ersatzteile für 9030 | 2610Z00820
Hersteller: BOSCH
Artikelnummer: EB-F015903002-2610Z00820
nur Informationsartikel
Nie mehr lieferbar
keine Alternativen
Pos.
801
BOSCH Motorgehäuse | Ersatzteile für 9030 | 2610Z01294
Hersteller: BOSCH
Artikelnummer: EB-F015903002-2610Z01294
nur Informationsartikel
Nie mehr lieferbar
keine Alternativen
Pos.
803
BOSCH Anker 230V | Ersatzteile für 9030 | 2610Z01290
Hersteller: BOSCH
Artikelnummer: EB-F015903002-2610Z01290
nur Informationsartikel
Nie mehr lieferbar
keine Alternativen
Pos.
807
BOSCH Leitungshalter | Ersatzteile für 9030 | 2610Z01285
Hersteller: BOSCH
Artikelnummer: EB-F015903002-2610Z01285
nur Informationsartikel
Nie mehr lieferbar
keine Alternativen
Pos.
816
BOSCH Kohlebürstenhalter | Ersatzteile für 9030 | 2610Z01287
Hersteller: BOSCH
Artikelnummer: EB-F015903002-2610Z01287
nur Informationsartikel
Nie mehr lieferbar
keine Alternativen
Pos.
820
BOSCH Schalterdeckel | Ersatzteile für 9030 | 2610Z01282
Hersteller: BOSCH
Artikelnummer: EB-F015903002-2610Z01282
nur Informationsartikel
Nie mehr lieferbar
keine Alternativen
Pos.
821
BOSCH Spindelgruppe | Ersatzteile für 9030 | 2610Z01289
Hersteller: BOSCH
Artikelnummer: EB-F015903002-2610Z01289
nur Informationsartikel
Nie mehr lieferbar
keine Alternativen
Pos.
822
BOSCH Feststelleinheit | Ersatzteile für 9030 | 2610Z01292
Hersteller: BOSCH
Artikelnummer: EB-F015903002-2610Z01292
nur Informationsartikel
Nie mehr lieferbar
keine Alternativen
Pos.
823
BOSCH Ritzel | Ersatzteile für 9030 | 2610Z01291
Hersteller: BOSCH
Artikelnummer: EB-F015903002-2610Z01291
nur Informationsartikel
Nie mehr lieferbar
keine Alternativen
Pos.
824
BOSCH Gehäusedeckel | Ersatzteile für 9030 | 2610Z01286
Hersteller: BOSCH
Artikelnummer: EB-F015903002-2610Z01286
nur Informationsartikel
Nie mehr lieferbar
keine Alternativen
Pos.
825
BOSCH Getriebegehäuse | Ersatzteile für 9030 | 2610Z01293
Hersteller: BOSCH
Artikelnummer: EB-F015903002-2610Z01293
nur Informationsartikel
Nie mehr lieferbar
keine Alternativen
Pos.
826
BOSCH Entstördrossel | Ersatzteile für 9030 | 2610Z01296
Hersteller: BOSCH
Artikelnummer: EB-F015903002-2610Z01296
nur Informationsartikel
Nie mehr lieferbar
keine Alternativen

Angaben zur Produktsicherheit

Hersteller:
Robert Bosch Power Tools GmbH
Postfach 30 02 20
70442 Stuttgart

E-Mail:
kontakt@bosch.de