BOSCH Getriebegehäuse | Ersatzteile für 9051 | F000602170

Artikelnummer: EB-F012905102-F000602170

Position: 21

Marke: BOSCH


Bitte Kompatibilität prüfen!

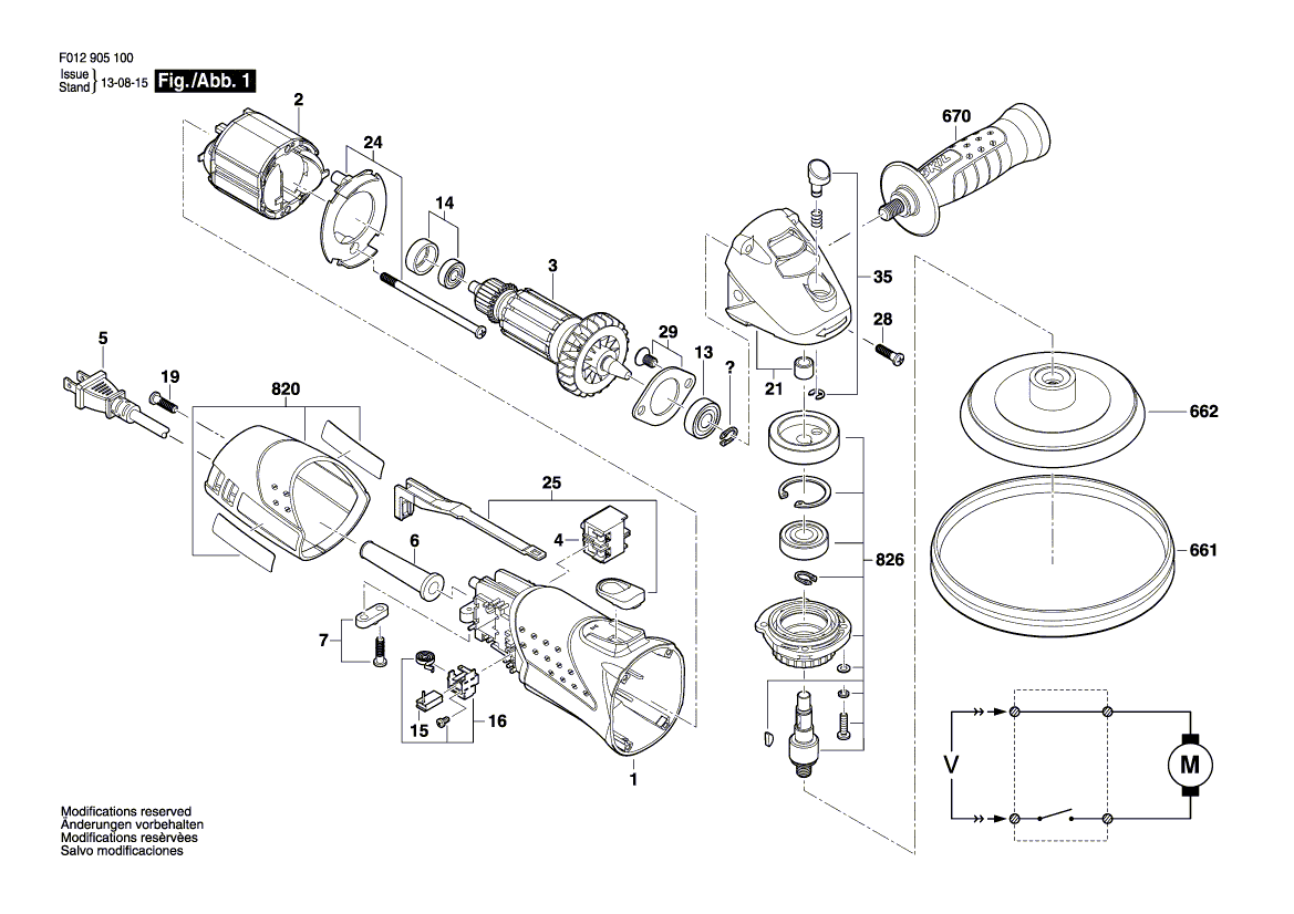
Bitte prüfen Sie unbedingt die 10-stellige Typennummer Ihrer Maschine / Ihres Gerätes. Das Ersatzteil ist nur kompatibel, wenn Sie die Typennummer Ihrer Maschine in der unten stehenden Produktbeschreibung finden.

Bitte prüfen Sie ebenfalls detailliert die Explosionszeichnung mit Ihrem Artikelwunsch und der jeweiligen Pos-Nummer.

Alle Elemente, welche vom schwarzen Strich der Pos-Nummer ausgehend berührt / erfasst werden, gehören zu dieser Pos-Nummer und somit zu diesem Artikel. Jede Pos-Nummer ist ein eigenständiger Artikel, welchen Sie in der Auflistung finden.

Sie erhalten stets die aktuellste, neueste Produktversion zu der gewählten Pos-Nummer seitens des Herstellers. Es kann daher je nach Gerätealter vorkommen, dass Sie ggf. weitere, zugehörige Elemente, welche an diese Pos-Nummer grenzen, ebenfalls mittauschen müssen.

Nähere Informationen finden Sie unter dem Link
Hinweise zu Ihrer BOSCH Ersatzteilsuche

Preisübersicht

Einzelpreis: 10,79 €* (Brutto: 12,84 €)
Gesamtpreis: 10,79 €* 
Position:

Lieferzeit: 5 Werktage


Beschreibung

  • Getriebegehäuse
  • Original Bosch Zubehör / BOSCH Ersatzteil (F000602170)
  • im Gerät verbaut: 1
Dieses BOSCH Ersatzteil ist mit folgendem Gerät und Modell kompatibel:
  • BOSCH Gerätename: 9051
  • BOSCH Explosionszeichnung: Position 21
  • BOSCH Typennummer: F012905102
  • BOSCH Typennummer alternative Schreibweisen: F 012 905 102, F012 905 102, F.012.905.102, F-012-905-102
    Bitte prüfen Sie diese Typennummer auf Ihrem Gerät um die Kompatibilität des BOSCH Ersatzteils zu gewährleisten.
Weitere BOSCH Ersatzteile des Gerätes 9051 (Winkelpolierer) mit der Typennummer F012905102 finden Sie in der nachfolgenden Darstellung und im Dropdown zu Ihrer Auswahl:

Pos.
1
BOSCH Gehäuse | Ersatzteile für 9051 | 1619PA2802
Hersteller: BOSCH
Artikelnummer: EB-F012905102-1619PA2802
nur Informationsartikel
Nie mehr lieferbar
keine Alternativen
Pos.
2
BOSCH Polschuh 220V | Ersatzteile für 9051 | F000607166
Hersteller: BOSCH
Artikelnummer: EB-F012905102-F000607166
nur Informationsartikel
Nie mehr lieferbar
keine Alternativen
Pos.
3
BOSCH Anker 220V | Ersatzteile für 9051 | F000605245
Hersteller: BOSCH
Artikelnummer: EB-F012905102-F000605245
nur Informationsartikel
Nie mehr lieferbar
keine Alternativen
Pos.
4
BOSCH Ein/Aus-Schalter | Ersatzteile für 9051 | 2610Z00181
Hersteller: BOSCH
Artikelnummer: EB-F012905102-2610Z00181
nur Informationsartikel
Nie mehr lieferbar
keine Alternativen
Pos.
5
BOSCH Netzanschlussleitung BR 2,00m 2 x 1,00mm H05 VVF | Ersatzteile für 9051 | F000609274
Hersteller: BOSCH
Artikelnummer: EB-F012905102-F000609274
Netto: 9,95 € zzgl. MwSt.
zzgl. 6,90 € Versand (brutto)
einmalig pro Bestellung

Lieferzeit: 5 Werktage

Pos.
6
BOSCH Tülle | Ersatzteile für 9051 | 2610Z00184
Hersteller: BOSCH
Artikelnummer: EB-F012905102-2610Z00184
nur Informationsartikel
Nie mehr lieferbar
keine Alternativen
Pos.
7
BOSCH Befestigungsschelle | Ersatzteile für 9051 | F000603090
Hersteller: BOSCH
Artikelnummer: EB-F012905102-F000603090
Netto: 3,95 € zzgl. MwSt.
zzgl. 6,90 € Versand (brutto)
einmalig pro Bestellung

Lieferzeit: 5 Werktage

Pos.
13
BOSCH Rillenkugellager | Ersatzteile für 9051 | F000615062
Hersteller: BOSCH
Artikelnummer: EB-F012905102-F000615062
Netto: 5,70 € zzgl. MwSt.
zzgl. 6,90 € Versand (brutto)
einmalig pro Bestellung

Lieferzeit: 5 Werktage

Pos.
14
BOSCH Rillenkugellager | Ersatzteile für 9051 | F000615063
Hersteller: BOSCH
Artikelnummer: EB-F012905102-F000615063
Netto: 7,77 € zzgl. MwSt.
zzgl. 6,90 € Versand (brutto)
einmalig pro Bestellung

Lieferzeit: 5 Werktage

Pos.
15
BOSCH Kohlebürste | Ersatzteile für 9051 | F000611068
Hersteller: BOSCH
Artikelnummer: EB-F012905102-F000611068
Netto: 7,36 € zzgl. MwSt.
zzgl. 6,90 € Versand (brutto)
einmalig pro Bestellung

Lieferzeit: 5 Werktage

Pos.
16
BOSCH Bürstenhalter | Ersatzteile für 9051 | F000611069
Hersteller: BOSCH
Artikelnummer: EB-F012905102-F000611069
Netto: 7,77 € zzgl. MwSt.
zzgl. 6,90 € Versand (brutto)
einmalig pro Bestellung

Lieferzeit: 5 Werktage

Pos.
19
BOSCH Blechschraube | Ersatzteile für 9051 | 2610Z00189
Hersteller: BOSCH
Artikelnummer: EB-F012905102-2610Z00189
nur Informationsartikel
Nie mehr lieferbar
keine Alternativen
Pos.
21
BOSCH Getriebegehäuse | Ersatzteile für 9051 | F000602170
Hersteller: BOSCH
Artikelnummer: EB-F012905102-F000602170
Netto: 10,79 € zzgl. MwSt.
zzgl. 6,90 € Versand (brutto)
einmalig pro Bestellung

Lieferzeit: 5 Werktage

Pos.
24
BOSCH Rückhalteblech | Ersatzteile für 9051 | F000616149
Hersteller: BOSCH
Artikelnummer: EB-F012905102-F000616149
Netto: 4,61 € zzgl. MwSt.
zzgl. 6,90 € Versand (brutto)
einmalig pro Bestellung

Lieferzeit: 5 Werktage

Pos.
25
BOSCH Bausatz | Ersatzteile für 9051 | F000616150
Hersteller: BOSCH
Artikelnummer: EB-F012905102-F000616150
Netto: 4,39 € zzgl. MwSt.
zzgl. 6,90 € Versand (brutto)
einmalig pro Bestellung

Lieferzeit: 5 Werktage

Pos.
28
BOSCH Blechschraube | Ersatzteile für 9051 | 2610Z00188
Hersteller: BOSCH
Artikelnummer: EB-F012905102-2610Z00188
nur Informationsartikel
Nie mehr lieferbar
keine Alternativen
Pos.
29
BOSCH Rückhalteblech | Ersatzteile für 9051 | F000616151
Hersteller: BOSCH
Artikelnummer: EB-F012905102-F000616151
Netto: 3,62 € zzgl. MwSt.
zzgl. 6,90 € Versand (brutto)
einmalig pro Bestellung

Lieferzeit: 5 Werktage

Pos.
35
BOSCH Drucktaste | Ersatzteile für 9051 | F000616152
Hersteller: BOSCH
Artikelnummer: EB-F012905102-F000616152
Netto: 3,95 € zzgl. MwSt.
zzgl. 6,90 € Versand (brutto)
einmalig pro Bestellung

Lieferzeit: 5 Werktage

Pos.
661
BOSCH Lammfellhaube | Ersatzteile für 9051 | F000631077
Hersteller: BOSCH
Artikelnummer: EB-F012905102-F000631077
nur Informationsartikel
Nie mehr lieferbar
keine Alternativen
Pos.
662
BOSCH Stützteller | Ersatzteile für 9051 | F000631078
Hersteller: BOSCH
Artikelnummer: EB-F012905102-F000631078
nur Informationsartikel
Nie mehr lieferbar
keine Alternativen
Pos.
670
BOSCH Zusatzhandgriff M10, Ø32,5x105 MM | Ersatzteile für 9051 | 2602025067
Hersteller: BOSCH
Artikelnummer: EB-F012905102-2602025067
nur Informationsartikel
Nie mehr lieferbar
keine Alternativen
Pos.
820
BOSCH Motorgehäuse | Ersatzteile für 9051 | F000603169
Hersteller: BOSCH
Artikelnummer: EB-F012905102-F000603169
nur Informationsartikel
Nie mehr lieferbar
keine Alternativen
Pos.
826
BOSCH Lagerflansch | Ersatzteile für 9051 | F000613100
Hersteller: BOSCH
Artikelnummer: EB-F012905102-F000613100
nur Informationsartikel
Nie mehr lieferbar
keine Alternativen

Angaben zur Produktsicherheit

Hersteller:
Robert Bosch Power Tools GmbH
Postfach 30 02 20
70442 Stuttgart

E-Mail:
kontakt@bosch.de