BOSCH Zweilochmutterndreher | Ersatzteile für 910 H3 | 1607950052

Artikelnummer: EB-F0159100E3-1607950052

Position: 77

Marke: BOSCH


Bitte Kompatibilität prüfen!

Bitte prüfen Sie unbedingt die 10-stellige Typennummer Ihrer Maschine / Ihres Gerätes. Das Ersatzteil ist nur kompatibel, wenn Sie die Typennummer Ihrer Maschine in der unten stehenden Produktbeschreibung finden.

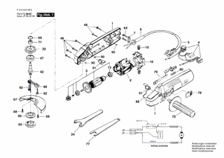
Bitte prüfen Sie ebenfalls detailliert die Explosionszeichnung mit Ihrem Artikelwunsch und der jeweiligen Pos-Nummer.

Alle Elemente, welche vom schwarzen Strich der Pos-Nummer ausgehend berührt / erfasst werden, gehören zu dieser Pos-Nummer und somit zu diesem Artikel. Jede Pos-Nummer ist ein eigenständiger Artikel, welchen Sie in der Auflistung finden.

Sie erhalten stets die aktuellste, neueste Produktversion zu der gewählten Pos-Nummer seitens des Herstellers. Es kann daher je nach Gerätealter vorkommen, dass Sie ggf. weitere, zugehörige Elemente, welche an diese Pos-Nummer grenzen, ebenfalls mittauschen müssen.

Nähere Informationen finden Sie unter dem Link
Hinweise zu Ihrer BOSCH Ersatzteilsuche

Preisübersicht

Einzelpreis: 5,19 €* (Brutto: 6,18 €)
Gesamtpreis: 5,19 €* 
Position:

Lieferzeit: 5 Werktage


Beschreibung

  • Zweilochmutterndreher
  • Original Bosch Zubehör / BOSCH Ersatzteil (1607950052)
  • im Gerät verbaut: 1
Dieses BOSCH Ersatzteil ist mit folgendem Gerät und Modell kompatibel:
  • BOSCH Gerätename: 910 H3
  • BOSCH Explosionszeichnung: Position 77
  • BOSCH Typennummer: F0159100E3
  • BOSCH Typennummer alternative Schreibweisen: F 015 910 0E3, F015 910 0E3, F.015.910.0E3, F-015-910-0E3
    Bitte prüfen Sie diese Typennummer auf Ihrem Gerät um die Kompatibilität des BOSCH Ersatzteils zu gewährleisten.
Weitere BOSCH Ersatzteile des Gerätes 910 H3 (Winkelschleifer) mit der Typennummer F0159100E3 finden Sie in der nachfolgenden Darstellung und im Dropdown zu Ihrer Auswahl:

Pos.
1
BOSCH Motorgehäuse | Ersatzteile für 910 H3 | 2610387818
Hersteller: BOSCH
Artikelnummer: EB-F0159100E3-2610387818
nur Informationsartikel
Nie mehr lieferbar
keine Alternativen
Pos.
2
BOSCH Polschuh 230-240V | Ersatzteile für 910 H3 | 2610389116
Hersteller: BOSCH
Artikelnummer: EB-F0159100E3-2610389116
nur Informationsartikel
Nie mehr lieferbar
keine Alternativen
Pos.
3
BOSCH Anker 230-240V | Ersatzteile für 910 H3 | 2610386544
Hersteller: BOSCH
Artikelnummer: EB-F0159100E3-2610386544
nur Informationsartikel
Nie mehr lieferbar
keine Alternativen
Pos.
4
BOSCH Schalter-Set | Ersatzteile für 910 H3 | 2610386547
Hersteller: BOSCH
Artikelnummer: EB-F0159100E3-2610386547
nur Informationsartikel
Nie mehr lieferbar
keine Alternativen
Pos.
5
BOSCH Netzanschlussleitung CH 2,75m 2 x 1,0mm H05 VV-F | Ersatzteile für 910 H3 | 2610371799
Hersteller: BOSCH
Artikelnummer: EB-F0159100E3-2610371799
nur Informationsartikel
Nie mehr lieferbar
keine Alternativen
Pos.
6
BOSCH Tülle | Ersatzteile für 910 H3 | 2610360176
Hersteller: BOSCH
Artikelnummer: EB-F0159100E3-2610360176
Netto: 3,94 € zzgl. MwSt.
zzgl. 6,90 € Versand (brutto)
einmalig pro Bestellung

Lieferzeit: 5 Werktage

Pos.
7
BOSCH Kabelschelle | Ersatzteile für 910 H3 | 2610064973
Hersteller: BOSCH
Artikelnummer: EB-F0159100E3-2610064973
Netto: 3,94 € zzgl. MwSt.
zzgl. 6,90 € Versand (brutto)
einmalig pro Bestellung

Lieferzeit: 5 Werktage

Pos.
10
BOSCH Kohlebürstensatz | Ersatzteile für 910 H3 | 2610386546
Hersteller: BOSCH
Artikelnummer: EB-F0159100E3-2610386546
nur Informationsartikel
Nie mehr lieferbar
keine Alternativen
Pos.
13
BOSCH Rillenkugellager 8x22x7 | Ersatzteile für 910 H3 | 2600905052
Hersteller: BOSCH
Artikelnummer: EB-F0159100E3-2600905052
Netto: 7,76 € zzgl. MwSt.
zzgl. 6,90 € Versand (brutto)
einmalig pro Bestellung

Lieferzeit: 5 Werktage

Pos.
16
BOSCH Bürstenplatte | Ersatzteile für 910 H3 | 2610391898
Hersteller: BOSCH
Artikelnummer: EB-F0159100E3-2610391898
nur Informationsartikel
Nie mehr lieferbar
keine Alternativen
Pos.
24
BOSCH Einmaulschlüssel | Ersatzteile für 910 H3 | 2610950511
Hersteller: BOSCH
Artikelnummer: EB-F0159100E3-2610950511
nur Informationsartikel
Nie mehr lieferbar
keine Alternativen
Pos.
32
BOSCH Getriebe | Ersatzteile für 910 H3 | 2610386380
Hersteller: BOSCH
Artikelnummer: EB-F0159100E3-2610386380
nur Informationsartikel
Nie mehr lieferbar
keine Alternativen
Pos.
42
BOSCH Schleifspindel | Ersatzteile für 910 H3 | 1607000D6A
Hersteller: BOSCH
Artikelnummer: EB-F0159100E3-1607000D6A
Netto: 7,76 € zzgl. MwSt.
zzgl. 6,90 € Versand (brutto)
einmalig pro Bestellung

Lieferzeit: 5 Werktage

Pos.
47
BOSCH Kugellager | Ersatzteile für 910 H3 | 2610063616
Hersteller: BOSCH
Artikelnummer: EB-F0159100E3-2610063616
nur Informationsartikel
Nie mehr lieferbar
keine Alternativen
Pos.
48
BOSCH Schraube | Ersatzteile für 910 H3 | 2610385074
Hersteller: BOSCH
Artikelnummer: EB-F0159100E3-2610385074
nur Informationsartikel
Nie mehr lieferbar
keine Alternativen
Pos.
64
BOSCH Torx-Linsenschraube 8x13 | Ersatzteile für 910 H3 | 2610374913
Hersteller: BOSCH
Artikelnummer: EB-F0159100E3-2610374913
Netto: 3,94 € zzgl. MwSt.
zzgl. 6,90 € Versand (brutto)
einmalig pro Bestellung

Lieferzeit: 5 Werktage

Pos.
65
BOSCH Rundmutter M14 | Ersatzteile für 910 H3 | 1603345043
Hersteller: BOSCH
Artikelnummer: EB-F0159100E3-1603345043
Netto: 8,33 € zzgl. MwSt.
zzgl. 6,90 € Versand (brutto)
einmalig pro Bestellung

Lieferzeit: 5 Werktage

Pos.
66
BOSCH Aufnahmeflansch | Ersatzteile für 910 H3 | 2610389447
Hersteller: BOSCH
Artikelnummer: EB-F0159100E3-2610389447
nur Informationsartikel
Nie mehr lieferbar
keine Alternativen
Pos.
67
BOSCH Schutzkappe | Ersatzteile für 910 H3 | 2610903777
Hersteller: BOSCH
Artikelnummer: EB-F0159100E3-2610903777
nur Informationsartikel
Nie mehr lieferbar
keine Alternativen
Pos.
68
BOSCH Innensechskantschraube | Ersatzteile für 910 H3 | 2610992206
Hersteller: BOSCH
Artikelnummer: EB-F0159100E3-2610992206
Netto: 4,32 € zzgl. MwSt.
zzgl. 6,90 € Versand (brutto)
einmalig pro Bestellung

Lieferzeit: 5 Werktage

Pos.
69
BOSCH Zentrierring | Ersatzteile für 910 H3 | 2610015871
Hersteller: BOSCH
Artikelnummer: EB-F0159100E3-2610015871
nur Informationsartikel
Nie mehr lieferbar
keine Alternativen
Pos.
71
BOSCH Lager | Ersatzteile für 910 H3 | 2610903764
Hersteller: BOSCH
Artikelnummer: EB-F0159100E3-2610903764
nur Informationsartikel
Nie mehr lieferbar
keine Alternativen
Pos.
72
BOSCH Zusatzhandgriff M8 | Ersatzteile für 910 H3 | 2610385293
Hersteller: BOSCH
Artikelnummer: EB-F0159100E3-2610385293
nur Informationsartikel
Nie mehr lieferbar
keine Alternativen
Pos.
77
BOSCH Zweilochmutterndreher | Ersatzteile für 910 H3 | 1607950052
Hersteller: BOSCH
Artikelnummer: EB-F0159100E3-1607950052
Netto: 5,19 € zzgl. MwSt.
zzgl. 6,90 € Versand (brutto)
einmalig pro Bestellung

Lieferzeit: 5 Werktage

Pos.
78
BOSCH Knopf | Ersatzteile für 910 H3 | 2610388818
Hersteller: BOSCH
Artikelnummer: EB-F0159100E3-2610388818
nur Informationsartikel
Nie mehr lieferbar
keine Alternativen
Pos.
79
BOSCH Verbindungsstück | Ersatzteile für 910 H3 | 2610903770
Hersteller: BOSCH
Artikelnummer: EB-F0159100E3-2610903770
nur Informationsartikel
Nie mehr lieferbar
keine Alternativen
Pos.
80
BOSCH Feder | Ersatzteile für 910 H3 | 2610903771
Hersteller: BOSCH
Artikelnummer: EB-F0159100E3-2610903771
nur Informationsartikel
Nie mehr lieferbar
keine Alternativen
Pos.
88
BOSCH Feder | Ersatzteile für 910 H3 | 2610385134
Hersteller: BOSCH
Artikelnummer: EB-F0159100E3-2610385134
nur Informationsartikel
Nie mehr lieferbar
keine Alternativen
Pos.
89
BOSCH Montageblech | Ersatzteile für 910 H3 | 2610903776
Hersteller: BOSCH
Artikelnummer: EB-F0159100E3-2610903776
nur Informationsartikel
Nie mehr lieferbar
keine Alternativen
Pos.
90
BOSCH Stift | Ersatzteile für 910 H3 | 2610350103
Hersteller: BOSCH
Artikelnummer: EB-F0159100E3-2610350103
Netto: 3,94 € zzgl. MwSt.
zzgl. 6,90 € Versand (brutto)
einmalig pro Bestellung

Lieferzeit: 5 Werktage

Pos.
91
BOSCH Gewindebuchse M 10 | Ersatzteile für 910 H3 | 2610992224
Hersteller: BOSCH
Artikelnummer: EB-F0159100E3-2610992224
nur Informationsartikel
Nie mehr lieferbar
keine Alternativen

Angaben zur Produktsicherheit

Hersteller:
Robert Bosch Power Tools GmbH
Postfach 30 02 20
70442 Stuttgart

E-Mail:
kontakt@bosch.de