BOSCH Verstellschieber | Ersatzteile für 9290 V1 | 1602319002

Artikelnummer: EB-F0159290V1-1602319002

Position: 22

Marke: BOSCH


Bitte Kompatibilität prüfen!

Bitte prüfen Sie unbedingt die 10-stellige Typennummer Ihrer Maschine / Ihres Gerätes. Das Ersatzteil ist nur kompatibel, wenn Sie die Typennummer Ihrer Maschine in der unten stehenden Produktbeschreibung finden.

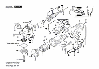
Bitte prüfen Sie ebenfalls detailliert die Explosionszeichnung mit Ihrem Artikelwunsch und der jeweiligen Pos-Nummer.

Alle Elemente, welche vom schwarzen Strich der Pos-Nummer ausgehend berührt / erfasst werden, gehören zu dieser Pos-Nummer und somit zu diesem Artikel. Jede Pos-Nummer ist ein eigenständiger Artikel, welchen Sie in der Auflistung finden.

Sie erhalten stets die aktuellste, neueste Produktversion zu der gewählten Pos-Nummer seitens des Herstellers. Es kann daher je nach Gerätealter vorkommen, dass Sie ggf. weitere, zugehörige Elemente, welche an diese Pos-Nummer grenzen, ebenfalls mittauschen müssen.

Nähere Informationen finden Sie unter dem Link
Hinweise zu Ihrer BOSCH Ersatzteilsuche

Preisübersicht

Einzelpreis: 4,53 €* (Brutto: 5,39 €)
Gesamtpreis: 4,53 €* 
Position:

Lieferzeit: 5 Werktage


Beschreibung

  • Verstellschieber
  • Original Bosch Zubehör / BOSCH Ersatzteil (1602319002)
  • im Gerät verbaut: 1
Dieses BOSCH Ersatzteil ist mit folgendem Gerät und Modell kompatibel:
  • BOSCH Gerätename: 9290 V1
  • BOSCH Explosionszeichnung: Position 22
  • BOSCH Typennummer: F0159290V1
  • BOSCH Typennummer alternative Schreibweisen: F 015 929 0V1, F015 929 0V1, F.015.929.0V1, F-015-929-0V1
    Bitte prüfen Sie diese Typennummer auf Ihrem Gerät um die Kompatibilität des BOSCH Ersatzteils zu gewährleisten.
Weitere BOSCH Ersatzteile des Gerätes 9290 V1 (Winkelschleifer) mit der Typennummer F0159290V1 finden Sie in der nachfolgenden Darstellung und im Dropdown zu Ihrer Auswahl:

Pos.
1
BOSCH Motorgehäuse SCHWARZ | Ersatzteile für 9290 V1 | 1605108184
Hersteller: BOSCH
Artikelnummer: EB-F0159290V1-1605108184
Netto: 8,34 € zzgl. MwSt.
zzgl. 6,90 € Versand (brutto)
einmalig pro Bestellung

Lieferzeit: 5 Werktage

Pos.
2/10
BOSCH Flachstecker | Ersatzteile für 9290 V1 | 1604477011
Hersteller: BOSCH
Artikelnummer: EB-F0159290V1-1604477011
Netto: 4,32 € zzgl. MwSt.
zzgl. 6,90 € Versand (brutto)
einmalig pro Bestellung

Lieferzeit: 5 Werktage

Pos.
4/1
BOSCH Ein/Aus-Schalter | Ersatzteile für 9290 V1 | 1607200086
Hersteller: BOSCH
Artikelnummer: EB-F0159290V1-1607200086
Netto: 9,95 € zzgl. MwSt.
zzgl. 6,90 € Versand (brutto)
einmalig pro Bestellung

Lieferzeit: 5 Werktage

Pos.
4/10
BOSCH Flachkopfschraube DIN 85-AM3x6-CUZN | Ersatzteile für 9290 V1 | 2910110048
Hersteller: BOSCH
Artikelnummer: EB-F0159290V1-2910110048
Netto: 3,63 € zzgl. MwSt.
zzgl. 6,90 € Versand (brutto)
einmalig pro Bestellung

Lieferzeit: 5 Werktage

Pos.
650/10
BOSCH Zusatzhandgriff M10, Ø32,5x105 MM | Ersatzteile für 9290 V1 | 2602025067
Hersteller: BOSCH
Artikelnummer: EB-F0159290V1-2602025067
nur Informationsartikel
Nie mehr lieferbar
keine Alternativen
Pos.
650/20
BOSCH Rundmutter M14 | Ersatzteile für 9290 V1 | 1603345043
Hersteller: BOSCH
Artikelnummer: EB-F0159290V1-1603345043
Netto: 8,33 € zzgl. MwSt.
zzgl. 6,90 € Versand (brutto)
einmalig pro Bestellung

Lieferzeit: 5 Werktage

Pos.
650/30
BOSCH Zweilochmutterndreher | Ersatzteile für 9290 V1 | 1607950052
Hersteller: BOSCH
Artikelnummer: EB-F0159290V1-1607950052
Netto: 5,19 € zzgl. MwSt.
zzgl. 6,90 € Versand (brutto)
einmalig pro Bestellung

Lieferzeit: 5 Werktage

Pos.
650/50
BOSCH Aufspannflansch Ø22,3xØ42 MM | Ersatzteile für 9290 V1 | 2605703014
Hersteller: BOSCH
Artikelnummer: EB-F0159290V1-2605703014
nur Informationsartikel
Nie mehr lieferbar
keine Alternativen
Pos.
652/20
BOSCH Zylinderschraube DIN 84-M 6x16-8.8 | Ersatzteile für 9290 V1 | 2910022197
Hersteller: BOSCH
Artikelnummer: EB-F0159290V1-2910022197
nur Informationsartikel
Nie mehr lieferbar
keine Alternativen
Pos.
2
BOSCH Polschuh 100V | Ersatzteile für 9290 V1 | 1604220221
Hersteller: BOSCH
Artikelnummer: EB-F0159290V1-1604220221
nur Informationsartikel
Nie mehr lieferbar
keine Alternativen
Pos.
4
BOSCH Ein/Aus-Schalter | Ersatzteile für 9290 V1 | 1607000840
Hersteller: BOSCH
Artikelnummer: EB-F0159290V1-1607000840
nur Informationsartikel
Nie mehr lieferbar
keine Alternativen
Pos.
5
BOSCH Netzanschlussleitung GB 110V 2,65m 2 x 1,0mm H05VV-F | Ersatzteile für 9290 V1 | 2604460209
Hersteller: BOSCH
Artikelnummer: EB-F0159290V1-2604460209
nur Informationsartikel
Nie mehr lieferbar
keine Alternativen
Pos.
6
BOSCH Tülle Ø7,6-Ø8,2x95 MM | Ersatzteile für 9290 V1 | 2600703013
Hersteller: BOSCH
Artikelnummer: EB-F0159290V1-2600703013
Netto: 4,53 € zzgl. MwSt.
zzgl. 6,90 € Versand (brutto)
einmalig pro Bestellung

Lieferzeit: 5 Werktage

Pos.
7
BOSCH Befestigungsschelle | Ersatzteile für 9290 V1 | 1601302017
Hersteller: BOSCH
Artikelnummer: EB-F0159290V1-1601302017
Netto: 3,63 € zzgl. MwSt.
zzgl. 6,90 € Versand (brutto)
einmalig pro Bestellung

Lieferzeit: 5 Werktage

Pos.
12
BOSCH Entstörfilter | Ersatzteile für 9290 V1 | 1607328029
Hersteller: BOSCH
Artikelnummer: EB-F0159290V1-1607328029
nur Informationsartikel
Nie mehr lieferbar
keine Alternativen
Pos.
13
BOSCH Kugellager 7x19x6 | Ersatzteile für 9290 V1 | 2600905032
Hersteller: BOSCH
Artikelnummer: EB-F0159290V1-2600905032
Netto: 6,15 € zzgl. MwSt.
zzgl. 6,90 € Versand (brutto)
einmalig pro Bestellung

Lieferzeit: 20 Werktage

Pos.
14
BOSCH Rillenkugellager 8x22x7 | Ersatzteile für 9290 V1 | 1600905011
Hersteller: BOSCH
Artikelnummer: EB-F0159290V1-1600905011
Netto: 6,70 € zzgl. MwSt.
zzgl. 6,90 € Versand (brutto)
einmalig pro Bestellung

Lieferzeit: 5 Werktage

Pos.
18
BOSCH Druckfeder | Ersatzteile für 9290 V1 | 1604611026
Hersteller: BOSCH
Artikelnummer: EB-F0159290V1-1604611026
Netto: 3,63 € zzgl. MwSt.
zzgl. 6,90 € Versand (brutto)
einmalig pro Bestellung

Lieferzeit: 20 Werktage

Pos.
22
BOSCH Verstellschieber | Ersatzteile für 9290 V1 | 1602319002
Hersteller: BOSCH
Artikelnummer: EB-F0159290V1-1602319002
Netto: 4,53 € zzgl. MwSt.
zzgl. 6,90 € Versand (brutto)
einmalig pro Bestellung

Lieferzeit: 5 Werktage

Pos.
23
BOSCH Schaltergriff ROT | Ersatzteile für 9290 V1 | 1602026078
Hersteller: BOSCH
Artikelnummer: EB-F0159290V1-1602026078
Netto: 3,63 € zzgl. MwSt.
zzgl. 6,90 € Versand (brutto)
einmalig pro Bestellung

Lieferzeit: 5 Werktage

Pos.
25
BOSCH Gehäusedeckel GRAU | Ersatzteile für 9290 V1 | 1600508030
Hersteller: BOSCH
Artikelnummer: EB-F0159290V1-1600508030
nur Informationsartikel
Nie mehr lieferbar
keine Alternativen
Pos.
26
BOSCH Gummibuchse | Ersatzteile für 9290 V1 | 1600502020
Hersteller: BOSCH
Artikelnummer: EB-F0159290V1-1600502020
Netto: 4,53 € zzgl. MwSt.
zzgl. 6,90 € Versand (brutto)
einmalig pro Bestellung

Lieferzeit: 5 Werktage

Pos.
27
BOSCH Gummiring | Ersatzteile für 9290 V1 | 1600206025
Hersteller: BOSCH
Artikelnummer: EB-F0159290V1-1600206025
Netto: 4,32 € zzgl. MwSt.
zzgl. 6,90 € Versand (brutto)
einmalig pro Bestellung

Lieferzeit: 5 Werktage

Pos.
28
BOSCH Lagerflansch | Ersatzteile für 9290 V1 | 1605805061
Hersteller: BOSCH
Artikelnummer: EB-F0159290V1-1605805061
nur Informationsartikel
Nie mehr lieferbar
keine Alternativen
Pos.
29
BOSCH Luftleitring | Ersatzteile für 9290 V1 | 1601328005
Hersteller: BOSCH
Artikelnummer: EB-F0159290V1-1601328005
Netto: 4,53 € zzgl. MwSt.
zzgl. 6,90 € Versand (brutto)
einmalig pro Bestellung

Lieferzeit: 5 Werktage

Pos.
32
BOSCH Schleifspindel | Ersatzteile für 9290 V1 | 1607000D6A
Hersteller: BOSCH
Artikelnummer: EB-F0159290V1-1607000D6A
Netto: 7,76 € zzgl. MwSt.
zzgl. 6,90 € Versand (brutto)
einmalig pro Bestellung

Lieferzeit: 5 Werktage

Pos.
35
BOSCH Ausgleichscheibe 0,1 MM DICK | Ersatzteile für 9290 V1 | 1600136012
Hersteller: BOSCH
Artikelnummer: EB-F0159290V1-1600136012
Netto: 3,63 € zzgl. MwSt.
zzgl. 6,90 € Versand (brutto)
einmalig pro Bestellung

Lieferzeit: 5 Werktage

Pos.
35
BOSCH Ausgleichscheibe 0,2 MM DICK | Ersatzteile für 9290 V1 | 1600136010
Hersteller: BOSCH
Artikelnummer: EB-F0159290V1-1600136010
Netto: 4,53 € zzgl. MwSt.
zzgl. 6,90 € Versand (brutto)
einmalig pro Bestellung

Lieferzeit: 5 Werktage

Pos.
35
BOSCH Ausgleichscheibe 0,3 MM DICK | Ersatzteile für 9290 V1 | 1600136011
Hersteller: BOSCH
Artikelnummer: EB-F0159290V1-1600136011
Netto: 4,32 € zzgl. MwSt.
zzgl. 6,90 € Versand (brutto)
einmalig pro Bestellung

Lieferzeit: 5 Werktage

Pos.
36
BOSCH Federscheibe | Ersatzteile für 9290 V1 | 1600150011
Hersteller: BOSCH
Artikelnummer: EB-F0159290V1-1600150011
Netto: 3,63 € zzgl. MwSt.
zzgl. 6,90 € Versand (brutto)
einmalig pro Bestellung

Lieferzeit: 5 Werktage

Pos.
37
BOSCH Radial-Wellendichtring | Ersatzteile für 9290 V1 | 1600290016
Hersteller: BOSCH
Artikelnummer: EB-F0159290V1-1600290016
Netto: 4,53 € zzgl. MwSt.
zzgl. 6,90 € Versand (brutto)
einmalig pro Bestellung

Lieferzeit: 5 Werktage

Pos.
38
BOSCH Tellerrad Z=36 | Ersatzteile für 9290 V1 | 1606333601
Hersteller: BOSCH
Artikelnummer: EB-F0159290V1-1606333601
Netto: 7,76 € zzgl. MwSt.
zzgl. 6,90 € Versand (brutto)
einmalig pro Bestellung

Lieferzeit: 5 Werktage

Pos.
39
BOSCH Spiralfeder | Ersatzteile für 9290 V1 | 1604652013
Hersteller: BOSCH
Artikelnummer: EB-F0159290V1-1604652013
Netto: 3,94 € zzgl. MwSt.
zzgl. 6,90 € Versand (brutto)
einmalig pro Bestellung

Lieferzeit: 5 Werktage

Pos.
40
BOSCH Sicherungsring DIN 472-25x1,2MM | Ersatzteile für 9290 V1 | 2916660009
Hersteller: BOSCH
Artikelnummer: EB-F0159290V1-2916660009
Netto: 4,32 € zzgl. MwSt.
zzgl. 6,90 € Versand (brutto)
einmalig pro Bestellung

Lieferzeit: 5 Werktage

Pos.
41
BOSCH Nadelhülse Ø8xØ12x8 MM | Ersatzteile für 9290 V1 | 1600910018
Hersteller: BOSCH
Artikelnummer: EB-F0159290V1-1600910018
Netto: 6,15 € zzgl. MwSt.
zzgl. 6,90 € Versand (brutto)
einmalig pro Bestellung

Lieferzeit: 5 Werktage

Pos.
43
BOSCH Kegelrad Z=11 | Ersatzteile für 9290 V1 | 1606333242
Hersteller: BOSCH
Artikelnummer: EB-F0159290V1-1606333242
Netto: 42,86 € zzgl. MwSt.
zzgl. 6,90 € Versand (brutto)
einmalig pro Bestellung

Lieferzeit: 5 Werktage

Pos.
45
BOSCH Sechskantmutter M7, SW10 | Ersatzteile für 9290 V1 | 1603300016
Hersteller: BOSCH
Artikelnummer: EB-F0159290V1-1603300016
Netto: 3,94 € zzgl. MwSt.
zzgl. 6,90 € Versand (brutto)
einmalig pro Bestellung

Lieferzeit: 5 Werktage

Pos.
47
BOSCH Blechschraube DIN 7971-ST3,9x13-F | Ersatzteile für 9290 V1 | 2910211018
Hersteller: BOSCH
Artikelnummer: EB-F0159290V1-2910211018
Netto: 3,63 € zzgl. MwSt.
zzgl. 6,90 € Versand (brutto)
einmalig pro Bestellung

Lieferzeit: 5 Werktage

Pos.
48
BOSCH Blechschraube DIN 7971-ST2,9x9,5-F | Ersatzteile für 9290 V1 | 2910211005
Hersteller: BOSCH
Artikelnummer: EB-F0159290V1-2910211005
nur Informationsartikel
Nie mehr lieferbar
keine Alternativen
Pos.
49
BOSCH Gewindefurchschraube | Ersatzteile für 9290 V1 | 1603435026
Hersteller: BOSCH
Artikelnummer: EB-F0159290V1-1603435026
Netto: 3,94 € zzgl. MwSt.
zzgl. 6,90 € Versand (brutto)
einmalig pro Bestellung

Lieferzeit: 5 Werktage

Pos.
51
BOSCH Drehzahlregler 100V | Ersatzteile für 9290 V1 | 1607233028
Hersteller: BOSCH
Artikelnummer: EB-F0159290V1-1607233028
nur Informationsartikel
Nie mehr lieferbar
keine Alternativen
Pos.
53
BOSCH Verbindungskabel | Ersatzteile für 9290 V1 | 1604448015
Hersteller: BOSCH
Artikelnummer: EB-F0159290V1-1604448015
Netto: 3,63 € zzgl. MwSt.
zzgl. 6,90 € Versand (brutto)
einmalig pro Bestellung

Lieferzeit: 5 Werktage

Pos.
54
BOSCH Verbindungskabel | Ersatzteile für 9290 V1 | 1604448016
Hersteller: BOSCH
Artikelnummer: EB-F0159290V1-1604448016
nur Informationsartikel
Nie mehr lieferbar
keine Alternativen
Pos.
55
BOSCH Blechschraube DIN7981-ST3,9x19-F-Z | Ersatzteile für 9290 V1 | 2912401420
Hersteller: BOSCH
Artikelnummer: EB-F0159290V1-2912401420
nur Informationsartikel
Nie mehr lieferbar
keine Alternativen
Pos.
107
BOSCH O-Ring 4,0x1,0 MM | Ersatzteile für 9290 V1 | 1600210034
Hersteller: BOSCH
Artikelnummer: EB-F0159290V1-1600210034
Netto: 3,94 € zzgl. MwSt.
zzgl. 6,90 € Versand (brutto)
einmalig pro Bestellung

Lieferzeit: 5 Werktage

Pos.
652
BOSCH Schutzhaube Ø 115 MM (4 1/2") | Ersatzteile für 9290 V1 | 1605510244
Hersteller: BOSCH
Artikelnummer: EB-F0159290V1-1605510244
Netto: 7,76 € zzgl. MwSt.
zzgl. 6,90 € Versand (brutto)
einmalig pro Bestellung

Lieferzeit: 5 Werktage

Pos.
803
BOSCH Anker Mit Lüfter 100V | Ersatzteile für 9290 V1 | 1604010249
Hersteller: BOSCH
Artikelnummer: EB-F0159290V1-1604010249
Netto: 70,50 € zzgl. MwSt.
zzgl. 6,90 € Versand (brutto)
einmalig pro Bestellung

Lieferzeit: 5 Werktage

Pos.
810
BOSCH Kohlebürstensatz | Ersatzteile für 9290 V1 | 1607014116
Hersteller: BOSCH
Artikelnummer: EB-F0159290V1-1607014116
Netto: 9,95 € zzgl. MwSt.
zzgl. 6,90 € Versand (brutto)
einmalig pro Bestellung

Lieferzeit: 5 Werktage

Pos.
813
BOSCH Druckknopf SCHWARZ | Ersatzteile für 9290 V1 | 1607000253
Hersteller: BOSCH
Artikelnummer: EB-F0159290V1-1607000253
Netto: 4,32 € zzgl. MwSt.
zzgl. 6,90 € Versand (brutto)
einmalig pro Bestellung

Lieferzeit: 5 Werktage

Pos.
816
BOSCH Bürstenhalter | Ersatzteile für 9290 V1 | 1600A003G4
Hersteller: BOSCH
Artikelnummer: EB-F0159290V1-1600A003G4
Netto: 5,19 € zzgl. MwSt.
zzgl. 6,90 € Versand (brutto)
einmalig pro Bestellung

Lieferzeit: 5 Werktage

Pos.
821
BOSCH Getriebegehäuse | Ersatzteile für 9290 V1 | 1605806480
Hersteller: BOSCH
Artikelnummer: EB-F0159290V1-1605806480
Netto: 42,86 € zzgl. MwSt.
zzgl. 6,90 € Versand (brutto)
einmalig pro Bestellung

Lieferzeit: 5 Werktage

Angaben zur Produktsicherheit

Hersteller:
Robert Bosch Power Tools GmbH
Postfach 30 02 20
70442 Stuttgart

E-Mail:
kontakt@bosch.de