BOSCH Netzanschlussleitung CH 230V 4,15m 2 x 1,0mm H05 RN-F | Ersatzteile für 9376 | 1604460403

Artikelnummer: EB-F015937612-1604460403

Position: 5

Marke: BOSCH


Bitte Kompatibilität prüfen!

Bitte prüfen Sie unbedingt die 10-stellige Typennummer Ihrer Maschine / Ihres Gerätes. Das Ersatzteil ist nur kompatibel, wenn Sie die Typennummer Ihrer Maschine in der unten stehenden Produktbeschreibung finden.

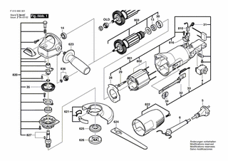
Bitte prüfen Sie ebenfalls detailliert die Explosionszeichnung mit Ihrem Artikelwunsch und der jeweiligen Pos-Nummer.

Alle Elemente, welche vom schwarzen Strich der Pos-Nummer ausgehend berührt / erfasst werden, gehören zu dieser Pos-Nummer und somit zu diesem Artikel. Jede Pos-Nummer ist ein eigenständiger Artikel, welchen Sie in der Auflistung finden.

Sie erhalten stets die aktuellste, neueste Produktversion zu der gewählten Pos-Nummer seitens des Herstellers. Es kann daher je nach Gerätealter vorkommen, dass Sie ggf. weitere, zugehörige Elemente, welche an diese Pos-Nummer grenzen, ebenfalls mittauschen müssen.

Nähere Informationen finden Sie unter dem Link
Hinweise zu Ihrer BOSCH Ersatzteilsuche

Preisübersicht

Einzelpreis: 14,36 €* (Brutto: 17,09 €)
Gesamtpreis: 14,36 €* 
Position:

Lieferzeit: 5 Werktage


Beschreibung

  • Netzanschlussleitung CH 230V 4,15m 2 x 1,0mm H05 RN-F
  • Original Bosch Zubehör / BOSCH Ersatzteil (1604460403)
  • im Gerät verbaut: 1
Dieses BOSCH Ersatzteil ist mit folgendem Gerät und Modell kompatibel:
  • BOSCH Gerätename: 9376
  • BOSCH Explosionszeichnung: Position 5
  • BOSCH Typennummer: F015937612
  • BOSCH Typennummer alternative Schreibweisen: F 015 937 612, F015 937 612, F.015.937.612, F-015-937-612
    Bitte prüfen Sie diese Typennummer auf Ihrem Gerät um die Kompatibilität des BOSCH Ersatzteils zu gewährleisten.
Weitere BOSCH Ersatzteile des Gerätes 9376 (Winkelschleifer) mit der Typennummer F015937612 finden Sie in der nachfolgenden Darstellung und im Dropdown zu Ihrer Auswahl:

Pos.
4
BOSCH Netzschalter | Ersatzteile für 9376 | 2610394092
Hersteller: BOSCH
Artikelnummer: EB-F015937612-2610394092
nur Informationsartikel
Nie mehr lieferbar
keine Alternativen
Pos.
5
BOSCH Netzanschlussleitung CH 230V 4,15m 2 x 1,0mm H05 RN-F | Ersatzteile für 9376 | 1604460403
Hersteller: BOSCH
Artikelnummer: EB-F015937612-1604460403
Netto: 13,81 € zzgl. MwSt.
zzgl. 6,90 € Versand (brutto)
einmalig pro Bestellung

Lieferzeit: 5 Werktage

Pos.
6
BOSCH Tülle | Ersatzteile für 9376 | 2610394011
Hersteller: BOSCH
Artikelnummer: EB-F015937612-2610394011
nur Informationsartikel
Nie mehr lieferbar
keine Alternativen
Pos.
13
BOSCH Rillenkugellager | Ersatzteile für 9376 | 2610394093
Hersteller: BOSCH
Artikelnummer: EB-F015937612-2610394093
nur Informationsartikel
Nie mehr lieferbar
keine Alternativen
Pos.
14
BOSCH Rillenkugellager | Ersatzteile für 9376 | 2610394094
Hersteller: BOSCH
Artikelnummer: EB-F015937612-2610394094
nur Informationsartikel
Nie mehr lieferbar
keine Alternativen
Pos.
28
BOSCH Luftleitring | Ersatzteile für 9376 | 2610394095
Hersteller: BOSCH
Artikelnummer: EB-F015937612-2610394095
nur Informationsartikel
Nie mehr lieferbar
keine Alternativen
Pos.
29
BOSCH Gewindeschneidschraube ST3,9x70 | Ersatzteile für 9376 | 2610394096
Hersteller: BOSCH
Artikelnummer: EB-F015937612-2610394096
nur Informationsartikel
Nie mehr lieferbar
keine Alternativen
Pos.
30
BOSCH Gummibuchse | Ersatzteile für 9376 | 2610394097
Hersteller: BOSCH
Artikelnummer: EB-F015937612-2610394097
nur Informationsartikel
Nie mehr lieferbar
keine Alternativen
Pos.
31
BOSCH Spiralfeder | Ersatzteile für 9376 | 2610394098
Hersteller: BOSCH
Artikelnummer: EB-F015937612-2610394098
nur Informationsartikel
Nie mehr lieferbar
keine Alternativen
Pos.
32
BOSCH Verstellschieber | Ersatzteile für 9376 | 2610394099
Hersteller: BOSCH
Artikelnummer: EB-F015937612-2610394099
nur Informationsartikel
Nie mehr lieferbar
keine Alternativen
Pos.
33
BOSCH Zugfeder | Ersatzteile für 9376 | 2610394100
Hersteller: BOSCH
Artikelnummer: EB-F015937612-2610394100
nur Informationsartikel
Nie mehr lieferbar
keine Alternativen
Pos.
34
BOSCH Schaltergriff | Ersatzteile für 9376 | 2610394101
Hersteller: BOSCH
Artikelnummer: EB-F015937612-2610394101
nur Informationsartikel
Nie mehr lieferbar
keine Alternativen
Pos.
35
BOSCH Tellerrad | Ersatzteile für 9376 | 2610394102
Hersteller: BOSCH
Artikelnummer: EB-F015937612-2610394102
nur Informationsartikel
Nie mehr lieferbar
keine Alternativen
Pos.
621
BOSCH Schutzhaube | Ersatzteile für 9376 | 2610394639
Hersteller: BOSCH
Artikelnummer: EB-F015937612-2610394639
nur Informationsartikel
Nie mehr lieferbar
keine Alternativen
Pos.
623
BOSCH Zusatzhandgriff M10, Ø32,5x105 MM | Ersatzteile für 9376 | 2602025067
Hersteller: BOSCH
Artikelnummer: EB-F015937612-2602025067
nur Informationsartikel
Nie mehr lieferbar
keine Alternativen
Pos.
624
BOSCH Zweilochmutterndreher | Ersatzteile für 9376 | 1619P08927
Hersteller: BOSCH
Artikelnummer: EB-F015937612-1619P08927
Netto: 5,65 € zzgl. MwSt.
zzgl. 6,90 € Versand (brutto)
einmalig pro Bestellung

Lieferzeit: 5 Werktage

Pos.
625
BOSCH Mitnehmerflansch | Ersatzteile für 9376 | 2610392429
Hersteller: BOSCH
Artikelnummer: EB-F015937612-2610392429
nur Informationsartikel
Nie mehr lieferbar
keine Alternativen
Pos.
626
BOSCH Rundmutter M14 | Ersatzteile für 9376 | 1603345043
Hersteller: BOSCH
Artikelnummer: EB-F015937612-1603345043
Netto: 8,23 € zzgl. MwSt.
zzgl. 6,90 € Versand (brutto)
einmalig pro Bestellung

Lieferzeit: 5 Werktage

Pos.
801
BOSCH Motorgehäuse | Ersatzteile für 9376 | 2610394013
Hersteller: BOSCH
Artikelnummer: EB-F015937612-2610394013
nur Informationsartikel
Nie mehr lieferbar
keine Alternativen
Pos.
802
BOSCH Polschuh 220V | Ersatzteile für 9376 | 2610394103
Hersteller: BOSCH
Artikelnummer: EB-F015937612-2610394103
nur Informationsartikel
Nie mehr lieferbar
keine Alternativen
Pos.
803
BOSCH Anker 230V | Ersatzteile für 9376 | 2610396345
Hersteller: BOSCH
Artikelnummer: EB-F015937612-2610396345
nur Informationsartikel
Nie mehr lieferbar
keine Alternativen
Pos.
810
BOSCH Kohlebürstensatz | Ersatzteile für 9376 | 2610394009
Hersteller: BOSCH
Artikelnummer: EB-F015937612-2610394009
nur Informationsartikel
Nie mehr lieferbar
keine Alternativen
Pos.
816
BOSCH Bürstenhalter | Ersatzteile für 9376 | 2610394104
Hersteller: BOSCH
Artikelnummer: EB-F015937612-2610394104
nur Informationsartikel
Nie mehr lieferbar
keine Alternativen
Pos.
820
BOSCH Instandsetzungssatz | Ersatzteile für 9376 | 2610394010
Hersteller: BOSCH
Artikelnummer: EB-F015937612-2610394010
nur Informationsartikel
Nie mehr lieferbar
keine Alternativen
Pos.
822
BOSCH Abdeckung | Ersatzteile für 9376 | 2610394014
Hersteller: BOSCH
Artikelnummer: EB-F015937612-2610394014
nur Informationsartikel
Nie mehr lieferbar
keine Alternativen
Pos.
827
BOSCH Schleifspindel | Ersatzteile für 9376 | 2610394105
Hersteller: BOSCH
Artikelnummer: EB-F015937612-2610394105
nur Informationsartikel
Nie mehr lieferbar
keine Alternativen
Pos.
836
BOSCH Kegelrad | Ersatzteile für 9376 | 2610396346
Hersteller: BOSCH
Artikelnummer: EB-F015937612-2610396346
nur Informationsartikel
Nie mehr lieferbar
keine Alternativen

Angaben zur Produktsicherheit

Hersteller:
Robert Bosch Power Tools GmbH
Postfach 30 02 20
70442 Stuttgart

E-Mail:
kontakt@bosch.de