BOSCH Netzanschlussleitung CH 230V 4,15m 2 x 1,0mm H05 RN-F | Ersatzteile für 9425 | 1604460403

Artikelnummer: EB-F015942512-1604460403

Position: 5

Marke: BOSCH


Bitte Kompatibilität prüfen!

Bitte prüfen Sie unbedingt die 10-stellige Typennummer Ihrer Maschine / Ihres Gerätes. Das Ersatzteil ist nur kompatibel, wenn Sie die Typennummer Ihrer Maschine in der unten stehenden Produktbeschreibung finden.

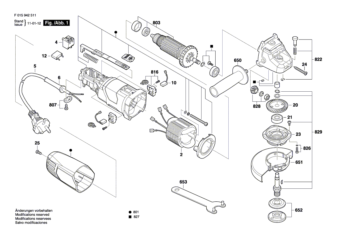
Bitte prüfen Sie ebenfalls detailliert die Explosionszeichnung mit Ihrem Artikelwunsch und der jeweiligen Pos-Nummer.

Alle Elemente, welche vom schwarzen Strich der Pos-Nummer ausgehend berührt / erfasst werden, gehören zu dieser Pos-Nummer und somit zu diesem Artikel. Jede Pos-Nummer ist ein eigenständiger Artikel, welchen Sie in der Auflistung finden.

Sie erhalten stets die aktuellste, neueste Produktversion zu der gewählten Pos-Nummer seitens des Herstellers. Es kann daher je nach Gerätealter vorkommen, dass Sie ggf. weitere, zugehörige Elemente, welche an diese Pos-Nummer grenzen, ebenfalls mittauschen müssen.

Nähere Informationen finden Sie unter dem Link
Hinweise zu Ihrer BOSCH Ersatzteilsuche

Preisübersicht

Einzelpreis: 14,36 €* (Brutto: 17,09 €)
Gesamtpreis: 14,36 €* 
Position:

Lieferzeit: 5 Werktage


Beschreibung

  • Netzanschlussleitung CH 230V 4,15m 2 x 1,0mm H05 RN-F
  • Original Bosch Zubehör / BOSCH Ersatzteil (1604460403)
  • im Gerät verbaut: 1
Dieses BOSCH Ersatzteil ist mit folgendem Gerät und Modell kompatibel:
  • BOSCH Gerätename: 9425
  • BOSCH Explosionszeichnung: Position 5
  • BOSCH Typennummer: F015942512
  • BOSCH Typennummer alternative Schreibweisen: F 015 942 512, F015 942 512, F.015.942.512, F-015-942-512
    Bitte prüfen Sie diese Typennummer auf Ihrem Gerät um die Kompatibilität des BOSCH Ersatzteils zu gewährleisten.
Weitere BOSCH Ersatzteile des Gerätes 9425 (Winkelschleifer) mit der Typennummer F015942512 finden Sie in der nachfolgenden Darstellung und im Dropdown zu Ihrer Auswahl:

Pos.
2
BOSCH Polschuh 230V | Ersatzteile für 9425 | 2610Z02362
Hersteller: BOSCH
Artikelnummer: EB-F015942512-2610Z02362
nur Informationsartikel
Nie mehr lieferbar
keine Alternativen
Pos.
4
BOSCH Ein/Aus-Schalter | Ersatzteile für 9425 | 2610Z02363
Hersteller: BOSCH
Artikelnummer: EB-F015942512-2610Z02363
nur Informationsartikel
Nie mehr lieferbar
keine Alternativen
Pos.
5
BOSCH Netzanschlussleitung CH 230V 4,15m 2 x 1,0mm H05 RN-F | Ersatzteile für 9425 | 1604460403
Hersteller: BOSCH
Artikelnummer: EB-F015942512-1604460403
Netto: 14,36 € zzgl. MwSt.
zzgl. 6,90 € Versand (brutto)
einmalig pro Bestellung

Lieferzeit: 5 Werktage

Pos.
5
BOSCH Netzanschlussleitung HO5RN-F 4M OHNE STECKER | Ersatzteile für 9425 | 2610Z00075
Hersteller: BOSCH
Artikelnummer: EB-F015942512-2610Z00075
nur Informationsartikel
Nie mehr lieferbar
keine Alternativen
Pos.
6
BOSCH Tülle | Ersatzteile für 9425 | 2610Z02364
Hersteller: BOSCH
Artikelnummer: EB-F015942512-2610Z02364
nur Informationsartikel
Nie mehr lieferbar
keine Alternativen
Pos.
10
BOSCH Kohlebürstensatz | Ersatzteile für 9425 | 2610Z02365
Hersteller: BOSCH
Artikelnummer: EB-F015942512-2610Z02365
nur Informationsartikel
Nie mehr lieferbar
keine Alternativen
Pos.
12
BOSCH Entstörkondensator | Ersatzteile für 9425 | 2610Z02366
Hersteller: BOSCH
Artikelnummer: EB-F015942512-2610Z02366
nur Informationsartikel
Nie mehr lieferbar
keine Alternativen
Pos.
20
BOSCH Tellerrad | Ersatzteile für 9425 | 2610Z02368
Hersteller: BOSCH
Artikelnummer: EB-F015942512-2610Z02368
nur Informationsartikel
Nie mehr lieferbar
keine Alternativen
Pos.
21
BOSCH Rillenkugellager | Ersatzteile für 9425 | 2610Z02369
Hersteller: BOSCH
Artikelnummer: EB-F015942512-2610Z02369
nur Informationsartikel
Nie mehr lieferbar
keine Alternativen
Pos.
23
BOSCH Gehäuserückteil | Ersatzteile für 9425 | 2610Z02370
Hersteller: BOSCH
Artikelnummer: EB-F015942512-2610Z02370
nur Informationsartikel
Nie mehr lieferbar
keine Alternativen
Pos.
24
BOSCH Blechschraube | Ersatzteile für 9425 | 2610Z02372
Hersteller: BOSCH
Artikelnummer: EB-F015942512-2610Z02372
nur Informationsartikel
Nie mehr lieferbar
keine Alternativen
Pos.
25
BOSCH Blechschraube | Ersatzteile für 9425 | 2610Z02373
Hersteller: BOSCH
Artikelnummer: EB-F015942512-2610Z02373
nur Informationsartikel
Nie mehr lieferbar
keine Alternativen
Pos.
650
BOSCH Zusatzhandgriff | Ersatzteile für 9425 | 2610Z00781
Hersteller: BOSCH
Artikelnummer: EB-F015942512-2610Z00781
nur Informationsartikel
Nie mehr lieferbar
keine Alternativen
Pos.
651
BOSCH Berührungsschutz | Ersatzteile für 9425 | 2610Z00780
Hersteller: BOSCH
Artikelnummer: EB-F015942512-2610Z00780
nur Informationsartikel
Nie mehr lieferbar
keine Alternativen
Pos.
652
BOSCH Aufspannflansch | Ersatzteile für 9425 | 2610Z00782
Hersteller: BOSCH
Artikelnummer: EB-F015942512-2610Z00782
nur Informationsartikel
Nie mehr lieferbar
keine Alternativen
Pos.
653
BOSCH Stirnlochschlüssel | Ersatzteile für 9425 | 2610Z00783
Hersteller: BOSCH
Artikelnummer: EB-F015942512-2610Z00783
nur Informationsartikel
Nie mehr lieferbar
keine Alternativen
Pos.
801
BOSCH Motorgehäuse | Ersatzteile für 9425 | 2610Z02375
Hersteller: BOSCH
Artikelnummer: EB-F015942512-2610Z02375
nur Informationsartikel
Nie mehr lieferbar
keine Alternativen
Pos.
803
BOSCH Anker 230V | Ersatzteile für 9425 | 2610Z02376
Hersteller: BOSCH
Artikelnummer: EB-F015942512-2610Z02376
nur Informationsartikel
Nie mehr lieferbar
keine Alternativen
Pos.
807
BOSCH Leitungshalter | Ersatzteile für 9425 | 2610Z02377
Hersteller: BOSCH
Artikelnummer: EB-F015942512-2610Z02377
nur Informationsartikel
Nie mehr lieferbar
keine Alternativen
Pos.
816
BOSCH Kohlebürstenhalter | Ersatzteile für 9425 | 2610Z02378
Hersteller: BOSCH
Artikelnummer: EB-F015942512-2610Z02378
nur Informationsartikel
Nie mehr lieferbar
keine Alternativen
Pos.
822
BOSCH Feststelleinheit | Ersatzteile für 9425 | 2610Z02367
Hersteller: BOSCH
Artikelnummer: EB-F015942512-2610Z02367
nur Informationsartikel
Nie mehr lieferbar
keine Alternativen
Pos.
826
BOSCH Schraubensatz | Ersatzteile für 9425 | 2610Z02374
Hersteller: BOSCH
Artikelnummer: EB-F015942512-2610Z02374
nur Informationsartikel
Nie mehr lieferbar
keine Alternativen
Pos.
827
BOSCH Getriebegehäuse | Ersatzteile für 9425 | 2610Z02379
Hersteller: BOSCH
Artikelnummer: EB-F015942512-2610Z02379
nur Informationsartikel
Nie mehr lieferbar
keine Alternativen
Pos.
828
BOSCH Ritzel | Ersatzteile für 9425 | 2610Z02380
Hersteller: BOSCH
Artikelnummer: EB-F015942512-2610Z02380
nur Informationsartikel
Nie mehr lieferbar
keine Alternativen
Pos.
829
BOSCH Spindelgruppe | Ersatzteile für 9425 | 2610Z02381
Hersteller: BOSCH
Artikelnummer: EB-F015942512-2610Z02381
nur Informationsartikel
Nie mehr lieferbar
keine Alternativen

Angaben zur Produktsicherheit

Hersteller:
Robert Bosch Power Tools GmbH
Postfach 30 02 20
70442 Stuttgart

E-Mail:
kontakt@bosch.de