BOSCH Netzanschlussleitung EU 230V 4,15m 2 x 1,0mm H05 RN-F | Ersatzteile für 9455 | 1607000386

Artikelnummer: EB-F015945511-1607000386

Position: 5

Marke: BOSCH


Bitte Kompatibilität prüfen!

Bitte prüfen Sie unbedingt die 10-stellige Typennummer Ihrer Maschine / Ihres Gerätes. Das Ersatzteil ist nur kompatibel, wenn Sie die Typennummer Ihrer Maschine in der unten stehenden Produktbeschreibung finden.

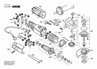
Bitte prüfen Sie ebenfalls detailliert die Explosionszeichnung mit Ihrem Artikelwunsch und der jeweiligen Pos-Nummer.

Alle Elemente, welche vom schwarzen Strich der Pos-Nummer ausgehend berührt / erfasst werden, gehören zu dieser Pos-Nummer und somit zu diesem Artikel. Jede Pos-Nummer ist ein eigenständiger Artikel, welchen Sie in der Auflistung finden.

Sie erhalten stets die aktuellste, neueste Produktversion zu der gewählten Pos-Nummer seitens des Herstellers. Es kann daher je nach Gerätealter vorkommen, dass Sie ggf. weitere, zugehörige Elemente, welche an diese Pos-Nummer grenzen, ebenfalls mittauschen müssen.

Nähere Informationen finden Sie unter dem Link
Hinweise zu Ihrer BOSCH Ersatzteilsuche

Preisübersicht

Einzelpreis: 17,38 €* (Brutto: 20,68 €)
Gesamtpreis: 17,38 €* 
Position:

Lieferzeit: 5 Werktage


Beschreibung

  • Netzanschlussleitung EU 230V 4,15m 2 x 1,0mm H05 RN-F
  • Original Bosch Zubehör / BOSCH Ersatzteil (1607000386)
  • im Gerät verbaut: 1
Dieses BOSCH Ersatzteil ist mit folgendem Gerät und Modell kompatibel:
  • BOSCH Gerätename: 9455
  • BOSCH Explosionszeichnung: Position 5
  • BOSCH Typennummer: F015945511
  • BOSCH Typennummer alternative Schreibweisen: F 015 945 511, F015 945 511, F.015.945.511, F-015-945-511
    Bitte prüfen Sie diese Typennummer auf Ihrem Gerät um die Kompatibilität des BOSCH Ersatzteils zu gewährleisten.
Weitere BOSCH Ersatzteile des Gerätes 9455 (Winkelschleifer) mit der Typennummer F015945511 finden Sie in der nachfolgenden Darstellung und im Dropdown zu Ihrer Auswahl:

Pos.
4
BOSCH Ein/Aus-Schalter | Ersatzteile für 9455 | 2610Z00631
Hersteller: BOSCH
Artikelnummer: EB-F015945511-2610Z00631
nur Informationsartikel
Nie mehr lieferbar
keine Alternativen
Pos.
5
BOSCH Netzanschlussleitung EU 230V 4,15m 2 x 1,0mm H05 RN-F | Ersatzteile für 9455 | 1607000386
Hersteller: BOSCH
Artikelnummer: EB-F015945511-1607000386
Netto: 16,70 € zzgl. MwSt.
zzgl. 6,90 € Versand (brutto)
einmalig pro Bestellung

Lieferzeit: 5 Werktage

Pos.
6
BOSCH Tülle | Ersatzteile für 9455 | 2610Z00640
Hersteller: BOSCH
Artikelnummer: EB-F015945511-2610Z00640
nur Informationsartikel
Nie mehr lieferbar
keine Alternativen
Pos.
10
BOSCH Kohlebürstensatz | Ersatzteile für 9455 | 2610Z00633
Hersteller: BOSCH
Artikelnummer: EB-F015945511-2610Z00633
nur Informationsartikel
Nie mehr lieferbar
keine Alternativen
Pos.
12
BOSCH Entstörkondensator | Ersatzteile für 9455 | 2610Z00632
Hersteller: BOSCH
Artikelnummer: EB-F015945511-2610Z00632
nur Informationsartikel
Nie mehr lieferbar
keine Alternativen
Pos.
27
BOSCH Blechschraube | Ersatzteile für 9455 | 2610Z00629
Hersteller: BOSCH
Artikelnummer: EB-F015945511-2610Z00629
nur Informationsartikel
Nie mehr lieferbar
keine Alternativen
Pos.
651
BOSCH Schutzverkleidung | Ersatzteile für 9455 | 2610Z00662
Hersteller: BOSCH
Artikelnummer: EB-F015945511-2610Z00662
nur Informationsartikel
Nie mehr lieferbar
keine Alternativen
Pos.
652
BOSCH Aufspannflansch | Ersatzteile für 9455 | 2610399831
Hersteller: BOSCH
Artikelnummer: EB-F015945511-2610399831
nur Informationsartikel
Nie mehr lieferbar
keine Alternativen
Pos.
653
BOSCH Stirnlochschlüssel | Ersatzteile für 9455 | 2610399832
Hersteller: BOSCH
Artikelnummer: EB-F015945511-2610399832
nur Informationsartikel
Nie mehr lieferbar
keine Alternativen
Pos.
801
BOSCH Motorgehäuse | Ersatzteile für 9455 | 2610Z00628
Hersteller: BOSCH
Artikelnummer: EB-F015945511-2610Z00628
nur Informationsartikel
Nie mehr lieferbar
keine Alternativen
Pos.
802
BOSCH Polschuh 230V | Ersatzteile für 9455 | 2610Z00642
Hersteller: BOSCH
Artikelnummer: EB-F015945511-2610Z00642
nur Informationsartikel
Nie mehr lieferbar
keine Alternativen
Pos.
803
BOSCH Anker 230V | Ersatzteile für 9455 | 2610Z00643
Hersteller: BOSCH
Artikelnummer: EB-F015945511-2610Z00643
nur Informationsartikel
Nie mehr lieferbar
keine Alternativen
Pos.
807
BOSCH Leitungshalter | Ersatzteile für 9455 | 2610Z00630
Hersteller: BOSCH
Artikelnummer: EB-F015945511-2610Z00630
nur Informationsartikel
Nie mehr lieferbar
keine Alternativen
Pos.
816
BOSCH Bürstenhalter | Ersatzteile für 9455 | 2610Z00634
Hersteller: BOSCH
Artikelnummer: EB-F015945511-2610Z00634
nur Informationsartikel
Nie mehr lieferbar
keine Alternativen
Pos.
821
BOSCH Spindelgruppe | Ersatzteile für 9455 | 2610Z00626
Hersteller: BOSCH
Artikelnummer: EB-F015945511-2610Z00626
nur Informationsartikel
Nie mehr lieferbar
keine Alternativen
Pos.
822
BOSCH Getriebekasten | Ersatzteile für 9455 | 2610Z00627
Hersteller: BOSCH
Artikelnummer: EB-F015945511-2610Z00627
nur Informationsartikel
Nie mehr lieferbar
keine Alternativen
Pos.
823
BOSCH Knopfsatz | Ersatzteile für 9455 | 2610Z00639
Hersteller: BOSCH
Artikelnummer: EB-F015945511-2610Z00639
nur Informationsartikel
Nie mehr lieferbar
keine Alternativen
Pos.
824
BOSCH Gehäusedeckel | Ersatzteile für 9455 | 2610Z00641
Hersteller: BOSCH
Artikelnummer: EB-F015945511-2610Z00641
nur Informationsartikel
Nie mehr lieferbar
keine Alternativen

Angaben zur Produktsicherheit

Hersteller:
Robert Bosch Power Tools GmbH
Postfach 30 02 20
70442 Stuttgart

E-Mail:
kontakt@bosch.de