BOSCH Rillenkugellager 8x22x7 | Ersatzteile für 9551-00 | 1600905011

Artikelnummer: EB-F012955100-1600905011

Position: 13

Marke: BOSCH


Bitte Kompatibilität prüfen!

Bitte prüfen Sie unbedingt die 10-stellige Typennummer Ihrer Maschine / Ihres Gerätes. Das Ersatzteil ist nur kompatibel, wenn Sie die Typennummer Ihrer Maschine in der unten stehenden Produktbeschreibung finden.

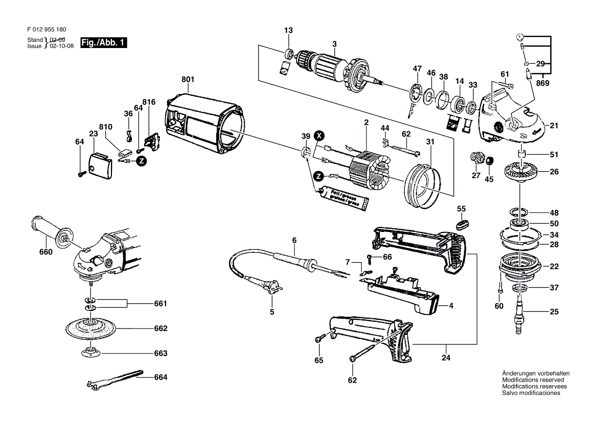
Bitte prüfen Sie ebenfalls detailliert die Explosionszeichnung mit Ihrem Artikelwunsch und der jeweiligen Pos-Nummer.

Alle Elemente, welche vom schwarzen Strich der Pos-Nummer ausgehend berührt / erfasst werden, gehören zu dieser Pos-Nummer und somit zu diesem Artikel. Jede Pos-Nummer ist ein eigenständiger Artikel, welchen Sie in der Auflistung finden.

Sie erhalten stets die aktuellste, neueste Produktversion zu der gewählten Pos-Nummer seitens des Herstellers. Es kann daher je nach Gerätealter vorkommen, dass Sie ggf. weitere, zugehörige Elemente, welche an diese Pos-Nummer grenzen, ebenfalls mittauschen müssen.

Nähere Informationen finden Sie unter dem Link
Hinweise zu Ihrer BOSCH Ersatzteilsuche

Preisübersicht

Einzelpreis: 6,70 €* (Brutto: 7,97 €)
Gesamtpreis: 6,70 €* 
Position:

Lieferzeit: 5 Werktage


Beschreibung

  • Rillenkugellager 8x22x7
  • Original Bosch Zubehör / BOSCH Ersatzteil (1600905011)
  • im Gerät verbaut: 1
Dieses BOSCH Ersatzteil ist mit folgendem Gerät und Modell kompatibel:
  • BOSCH Gerätename: 9551-00
  • BOSCH Explosionszeichnung: Position 13
  • BOSCH Typennummer: F012955100
  • BOSCH Typennummer alternative Schreibweisen: F 012 955 100, F012 955 100, F.012.955.100, F-012-955-100
    Bitte prüfen Sie diese Typennummer auf Ihrem Gerät um die Kompatibilität des BOSCH Ersatzteils zu gewährleisten.
Weitere BOSCH Ersatzteile des Gerätes 9551-00 (Gw-Winkelschleifer) mit der Typennummer F012955100 finden Sie in der nachfolgenden Darstellung und im Dropdown zu Ihrer Auswahl:

Pos.
2
BOSCH Polschuh 127V | Ersatzteile für 9551-00 | 9618086634
Hersteller: BOSCH
Artikelnummer: EB-F012955100-9618086634
nur Informationsartikel
Nie mehr lieferbar
keine Alternativen
Pos.
3
BOSCH Anker 127V | Ersatzteile für 9551-00 | 9618086633
Hersteller: BOSCH
Artikelnummer: EB-F012955100-9618086633
nur Informationsartikel
Nie mehr lieferbar
keine Alternativen
Pos.
4
BOSCH Ein/Aus-Schalter | Ersatzteile für 9551-00 | 9618086632
Hersteller: BOSCH
Artikelnummer: EB-F012955100-9618086632
nur Informationsartikel
Nie mehr lieferbar
keine Alternativen
Pos.
5
BOSCH Netzanschlussleitung | Ersatzteile für 9551-00 | 9618089008
Hersteller: BOSCH
Artikelnummer: EB-F012955100-9618089008
nur Informationsartikel
Nie mehr lieferbar
keine Alternativen
Pos.
6
BOSCH Tülle Ø 10,5-Ø11,0x100 MM | Ersatzteile für 9551-00 | 1600703023
Hersteller: BOSCH
Artikelnummer: EB-F012955100-1600703023
Netto: 4,53 € zzgl. MwSt.
zzgl. 6,90 € Versand (brutto)
einmalig pro Bestellung

Lieferzeit: 5 Werktage

Pos.
7
BOSCH Befestigungsschelle | Ersatzteile für 9551-00 | F000600566
Hersteller: BOSCH
Artikelnummer: EB-F012955100-F000600566
nur Informationsartikel
Nie mehr lieferbar
keine Alternativen
Pos.
13
BOSCH Rillenkugellager 8x22x7 | Ersatzteile für 9551-00 | 1600905011
Hersteller: BOSCH
Artikelnummer: EB-F012955100-1600905011
Netto: 6,70 € zzgl. MwSt.
zzgl. 6,90 € Versand (brutto)
einmalig pro Bestellung

Lieferzeit: 5 Werktage

Pos.
14
BOSCH Rillenkugellager | Ersatzteile für 9551-00 | 9618089480
Hersteller: BOSCH
Artikelnummer: EB-F012955100-9618089480
Netto: 14,36 € zzgl. MwSt.
zzgl. 6,90 € Versand (brutto)
einmalig pro Bestellung

Lieferzeit: 5 Werktage

Pos.
21
BOSCH Getriebegehäuse | Ersatzteile für 9551-00 | F000602012
Hersteller: BOSCH
Artikelnummer: EB-F012955100-F000602012
nur Informationsartikel
Nie mehr lieferbar
keine Alternativen
Pos.
22
BOSCH Lagerflansch Ø 180 MM | Ersatzteile für 9551-00 | 1605805063
Hersteller: BOSCH
Artikelnummer: EB-F012955100-1605805063
Netto: 12,98 € zzgl. MwSt.
zzgl. 6,90 € Versand (brutto)
einmalig pro Bestellung

Lieferzeit: 5 Werktage

Pos.
23
BOSCH Verschlussdeckel | Ersatzteile für 9551-00 | 9618089368
Hersteller: BOSCH
Artikelnummer: EB-F012955100-9618089368
nur Informationsartikel
Nie mehr lieferbar
keine Alternativen
Pos.
24
BOSCH Handgriff SCHWARZ | Ersatzteile für 9551-00 | 1605132119
Hersteller: BOSCH
Artikelnummer: EB-F012955100-1605132119
nur Informationsartikel
Nie mehr lieferbar
keine Alternativen
Pos.
25
BOSCH Schleifspindel | Ersatzteile für 9551-00 | 9618089362
Hersteller: BOSCH
Artikelnummer: EB-F012955100-9618089362
nur Informationsartikel
Nie mehr lieferbar
keine Alternativen
Pos.
26
BOSCH Tellerrad | Ersatzteile für 9551-00 | 9618087160
Hersteller: BOSCH
Artikelnummer: EB-F012955100-9618087160
Netto: 57,49 € zzgl. MwSt.
zzgl. 6,90 € Versand (brutto)
einmalig pro Bestellung

Lieferzeit: 5 Werktage

Pos.
27
BOSCH Kegelrad | Ersatzteile für 9551-00 | 9618089689
Hersteller: BOSCH
Artikelnummer: EB-F012955100-9618089689
nur Informationsartikel
Nie mehr lieferbar
keine Alternativen
Pos.
28
BOSCH O-Ring 79,0x1,78 MM | Ersatzteile für 9551-00 | 1600210033
Hersteller: BOSCH
Artikelnummer: EB-F012955100-1600210033
Netto: 3,94 € zzgl. MwSt.
zzgl. 6,90 € Versand (brutto)
einmalig pro Bestellung

Lieferzeit: 5 Werktage

Pos.
29
BOSCH O-Ring 4,0x1,0 MM | Ersatzteile für 9551-00 | 1600210034
Hersteller: BOSCH
Artikelnummer: EB-F012955100-1600210034
Netto: 3,94 € zzgl. MwSt.
zzgl. 6,90 € Versand (brutto)
einmalig pro Bestellung

Lieferzeit: 5 Werktage

Pos.
31
BOSCH Luftleitring | Ersatzteile für 9551-00 | 1600591011
Hersteller: BOSCH
Artikelnummer: EB-F012955100-1600591011
Netto: 3,94 € zzgl. MwSt.
zzgl. 6,90 € Versand (brutto)
einmalig pro Bestellung

Lieferzeit: 5 Werktage

Pos.
33
BOSCH Radial-Wellendichtring 18,7 MM ROT | Ersatzteile für 9551-00 | 1600290013
Hersteller: BOSCH
Artikelnummer: EB-F012955100-1600290013
Netto: 4,53 € zzgl. MwSt.
zzgl. 6,90 € Versand (brutto)
einmalig pro Bestellung

Lieferzeit: 5 Werktage

Pos.
34
BOSCH Ausgleichscheibe 0,1 MM DICK | Ersatzteile für 9551-00 | 1600190022
Hersteller: BOSCH
Artikelnummer: EB-F012955100-1600190022
Netto: 3,94 € zzgl. MwSt.
zzgl. 6,90 € Versand (brutto)
einmalig pro Bestellung

Lieferzeit: 5 Werktage

Pos.
34
BOSCH Ausgleichscheibe 0,15 MM DICK | Ersatzteile für 9551-00 | 1600190020
Hersteller: BOSCH
Artikelnummer: EB-F012955100-1600190020
Netto: 3,94 € zzgl. MwSt.
zzgl. 6,90 € Versand (brutto)
einmalig pro Bestellung

Lieferzeit: 5 Werktage

Pos.
34
BOSCH Ausgleichscheibe 0,3 MM DICK | Ersatzteile für 9551-00 | 1600190021
Hersteller: BOSCH
Artikelnummer: EB-F012955100-1600190021
Netto: 4,53 € zzgl. MwSt.
zzgl. 6,90 € Versand (brutto)
einmalig pro Bestellung

Lieferzeit: 5 Werktage

Pos.
36
BOSCH Spiralfeder | Ersatzteile für 9551-00 | 1604652002
Hersteller: BOSCH
Artikelnummer: EB-F012955100-1604652002
nur Informationsartikel
Nie mehr lieferbar
keine Alternativen
Pos.
37
BOSCH Dichtring SCHWARZ | Ersatzteile für 9551-00 | 1600290036
Hersteller: BOSCH
Artikelnummer: EB-F012955100-1600290036
Netto: 4,32 € zzgl. MwSt.
zzgl. 6,90 € Versand (brutto)
einmalig pro Bestellung

Lieferzeit: 5 Werktage

Pos.
38
BOSCH Gummiring 7 MM BREIT | Ersatzteile für 9551-00 | 1600206020
Hersteller: BOSCH
Artikelnummer: EB-F012955100-1600206020
Netto: 3,94 € zzgl. MwSt.
zzgl. 6,90 € Versand (brutto)
einmalig pro Bestellung

Lieferzeit: 5 Werktage

Pos.
39
BOSCH Gummiring | Ersatzteile für 9551-00 | 1600206030
Hersteller: BOSCH
Artikelnummer: EB-F012955100-1600206030
Netto: 3,94 € zzgl. MwSt.
zzgl. 6,90 € Versand (brutto)
einmalig pro Bestellung

Lieferzeit: 5 Werktage

Pos.
44
BOSCH Haltewinkel | Ersatzteile für 9551-00 | 1601334008
Hersteller: BOSCH
Artikelnummer: EB-F012955100-1601334008
Netto: 3,94 € zzgl. MwSt.
zzgl. 6,90 € Versand (brutto)
einmalig pro Bestellung

Lieferzeit: 5 Werktage

Pos.
45
BOSCH Sechskantmutter M10, SW14 | Ersatzteile für 9551-00 | 1603300019
Hersteller: BOSCH
Artikelnummer: EB-F012955100-1603300019
Netto: 3,94 € zzgl. MwSt.
zzgl. 6,90 € Versand (brutto)
einmalig pro Bestellung

Lieferzeit: 5 Werktage

Pos.
46
BOSCH Haltescheibe 1,8 MM DICK | Ersatzteile für 9551-00 | 1600102018
Hersteller: BOSCH
Artikelnummer: EB-F012955100-1600102018
Netto: 3,63 € zzgl. MwSt.
zzgl. 6,90 € Versand (brutto)
einmalig pro Bestellung

Lieferzeit: 5 Werktage

Pos.
47
BOSCH Sicherungsbügel | Ersatzteile für 9551-00 | 1600119008
Hersteller: BOSCH
Artikelnummer: EB-F012955100-1600119008
Netto: 3,94 € zzgl. MwSt.
zzgl. 6,90 € Versand (brutto)
einmalig pro Bestellung

Lieferzeit: 5 Werktage

Pos.
48
BOSCH Sicherungsbügel | Ersatzteile für 9551-00 | 1600119010
Hersteller: BOSCH
Artikelnummer: EB-F012955100-1600119010
Netto: 3,94 € zzgl. MwSt.
zzgl. 6,90 € Versand (brutto)
einmalig pro Bestellung

Lieferzeit: 5 Werktage

Pos.
50
BOSCH Rillenkugellager | Ersatzteile für 9551-00 | 1900905271
Hersteller: BOSCH
Artikelnummer: EB-F012955100-1900905271
nur Informationsartikel
Nie mehr lieferbar
keine Alternativen
Pos.
51
BOSCH Nadellager Ø14 MM | Ersatzteile für 9551-00 | 2600910001
Hersteller: BOSCH
Artikelnummer: EB-F012955100-2600910001
Netto: 5,67 € zzgl. MwSt.
zzgl. 6,90 € Versand (brutto)
einmalig pro Bestellung

Lieferzeit: 5 Werktage

Pos.
55
BOSCH Ablageleiste SCHWARZ | Ersatzteile für 9551-00 | 1602388029
Hersteller: BOSCH
Artikelnummer: EB-F012955100-1602388029
Netto: 3,94 € zzgl. MwSt.
zzgl. 6,90 € Versand (brutto)
einmalig pro Bestellung

Lieferzeit: 5 Werktage

Pos.
60
BOSCH Zylinderschraube M5x12 MM | Ersatzteile für 9551-00 | 9618086616
Hersteller: BOSCH
Artikelnummer: EB-F012955100-9618086616
nur Informationsartikel
Nie mehr lieferbar
keine Alternativen
Pos.
61
BOSCH Blechschraube | Ersatzteile für 9551-00 | F000600217
Hersteller: BOSCH
Artikelnummer: EB-F012955100-F000600217
nur Informationsartikel
Nie mehr lieferbar
keine Alternativen
Pos.
62
BOSCH Blechschraube | Ersatzteile für 9551-00 | F000600218
Hersteller: BOSCH
Artikelnummer: EB-F012955100-F000600218
nur Informationsartikel
Nie mehr lieferbar
keine Alternativen
Pos.
64
BOSCH Blechschraube 4x16 MM | Ersatzteile für 9551-00 | 9618087099
Hersteller: BOSCH
Artikelnummer: EB-F012955100-9618087099
nur Informationsartikel
Nie mehr lieferbar
keine Alternativen
Pos.
66
BOSCH Zylinderschraube | Ersatzteile für 9551-00 | 2910022116
Hersteller: BOSCH
Artikelnummer: EB-F012955100-2910022116
nur Informationsartikel
Nie mehr lieferbar
keine Alternativen
Pos.
660
BOSCH Zusatzhandgriff | Ersatzteile für 9551-00 | F000635276
Hersteller: BOSCH
Artikelnummer: EB-F012955100-F000635276
Netto: 11,92 € zzgl. MwSt.
zzgl. 6,90 € Versand (brutto)
einmalig pro Bestellung

Lieferzeit: 5 Werktage

Pos.
661
BOSCH Spannscheibe | Ersatzteile für 9551-00 | 2916010024
Hersteller: BOSCH
Artikelnummer: EB-F012955100-2916010024
nur Informationsartikel
Nie mehr lieferbar
keine Alternativen
Pos.
662
BOSCH Lagerscheibe Ø 170 MM | Ersatzteile für 9551-00 | 1608601004
Hersteller: BOSCH
Artikelnummer: EB-F012955100-1608601004
nur Informationsartikel
Nie mehr lieferbar
keine Alternativen
Pos.
663
BOSCH Rundmutter 5/8" | Ersatzteile für 9551-00 | 1603345005
Hersteller: BOSCH
Artikelnummer: EB-F012955100-1603345005
nur Informationsartikel
Nie mehr lieferbar
keine Alternativen
Pos.
664
BOSCH Zweilochmutterndreher 35x6 | Ersatzteile für 9551-00 | 1607950056
Hersteller: BOSCH
Artikelnummer: EB-F012955100-1607950056
Netto: 5,24 € zzgl. MwSt.
zzgl. 6,90 € Versand (brutto)
einmalig pro Bestellung

Lieferzeit: 5 Werktage

Pos.
801
BOSCH Motorgehäuse | Ersatzteile für 9551-00 | 9618089625
Hersteller: BOSCH
Artikelnummer: EB-F012955100-9618089625
nur Informationsartikel
Nie mehr lieferbar
keine Alternativen
Pos.
810
BOSCH Kohlebürstensatz | Ersatzteile für 9551-00 | 1607014171
Hersteller: BOSCH
Artikelnummer: EB-F012955100-1607014171
Netto: 11,92 € zzgl. MwSt.
zzgl. 6,90 € Versand (brutto)
einmalig pro Bestellung

Lieferzeit: 5 Werktage

Pos.
816
BOSCH Bürstenhalter | Ersatzteile für 9551-00 | F000600132
Hersteller: BOSCH
Artikelnummer: EB-F012955100-F000600132
nur Informationsartikel
Nie mehr lieferbar
keine Alternativen
Pos.
869
BOSCH Ersatzteil | Ersatzteile für 9551-00 | 9618086834
Hersteller: BOSCH
Artikelnummer: EB-F012955100-9618086834
Netto: 4,82 € zzgl. MwSt.
zzgl. 6,90 € Versand (brutto)
einmalig pro Bestellung

Lieferzeit: 5 Werktage

Angaben zur Produktsicherheit

Hersteller:
Robert Bosch Power Tools GmbH
Postfach 30 02 20
70442 Stuttgart

E-Mail:
kontakt@bosch.de