BOSCH Blechschraube | Ersatzteile für 9620 | 1619PA0805

Artikelnummer: EB-F015962022-1619PA0805

Position: 67

Marke: BOSCH


Bitte Kompatibilität prüfen!

Bitte prüfen Sie unbedingt die 10-stellige Typennummer Ihrer Maschine / Ihres Gerätes. Das Ersatzteil ist nur kompatibel, wenn Sie die Typennummer Ihrer Maschine in der unten stehenden Produktbeschreibung finden.

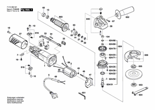
Bitte prüfen Sie ebenfalls detailliert die Explosionszeichnung mit Ihrem Artikelwunsch und der jeweiligen Pos-Nummer.

Alle Elemente, welche vom schwarzen Strich der Pos-Nummer ausgehend berührt / erfasst werden, gehören zu dieser Pos-Nummer und somit zu diesem Artikel. Jede Pos-Nummer ist ein eigenständiger Artikel, welchen Sie in der Auflistung finden.

Sie erhalten stets die aktuellste, neueste Produktversion zu der gewählten Pos-Nummer seitens des Herstellers. Es kann daher je nach Gerätealter vorkommen, dass Sie ggf. weitere, zugehörige Elemente, welche an diese Pos-Nummer grenzen, ebenfalls mittauschen müssen.

Nähere Informationen finden Sie unter dem Link
Hinweise zu Ihrer BOSCH Ersatzteilsuche

Preisübersicht

Einzelpreis: 3,94 €* (Brutto: 4,69 €)
Gesamtpreis: 3,94 €* 
Position:

Lieferzeit: 5 Werktage


Beschreibung

  • Blechschraube
  • Original Bosch Zubehör / BOSCH Ersatzteil (1619PA0805)
  • im Gerät verbaut: 1
Dieses BOSCH Ersatzteil ist mit folgendem Gerät und Modell kompatibel:
  • BOSCH Gerätename: 9620
  • BOSCH Explosionszeichnung: Position 67
  • BOSCH Typennummer: F015962022
  • BOSCH Typennummer alternative Schreibweisen: F 015 962 022, F015 962 022, F.015.962.022, F-015-962-022
    Bitte prüfen Sie diese Typennummer auf Ihrem Gerät um die Kompatibilität des BOSCH Ersatzteils zu gewährleisten.
Weitere BOSCH Ersatzteile des Gerätes 9620 (Winkelschleifer) mit der Typennummer F015962022 finden Sie in der nachfolgenden Darstellung und im Dropdown zu Ihrer Auswahl:

Pos.
1
BOSCH Motorgehäuse | Ersatzteile für 9620 | 1619PA0773
Hersteller: BOSCH
Artikelnummer: EB-F015962022-1619PA0773
Netto: 7,76 € zzgl. MwSt.
zzgl. 6,90 € Versand (brutto)
einmalig pro Bestellung

Lieferzeit: 5 Werktage

Pos.
824/22
BOSCH Dichtscheibe | Ersatzteile für 9620 | 1619PA0819
Hersteller: BOSCH
Artikelnummer: EB-F015962022-1619PA0819
nur Informationsartikel
Nie mehr lieferbar
keine Alternativen
Pos.
824/23
BOSCH Rillenkugellager | Ersatzteile für 9620 | 1619PA0815
Hersteller: BOSCH
Artikelnummer: EB-F015962022-1619PA0815
Netto: 5,17 € zzgl. MwSt.
zzgl. 6,90 € Versand (brutto)
einmalig pro Bestellung

Lieferzeit: 5 Werktage

Pos.
824/25
BOSCH Federscheibe | Ersatzteile für 9620 | 1619PA0804
Hersteller: BOSCH
Artikelnummer: EB-F015962022-1619PA0804
Netto: 3,63 € zzgl. MwSt.
zzgl. 6,90 € Versand (brutto)
einmalig pro Bestellung

Lieferzeit: 5 Werktage

Pos.
824/26
BOSCH Kreuzschlitzschraube | Ersatzteile für 9620 | 1619PA0818
Hersteller: BOSCH
Artikelnummer: EB-F015962022-1619PA0818
Netto: 4,82 € zzgl. MwSt.
zzgl. 6,90 € Versand (brutto)
einmalig pro Bestellung

Lieferzeit: 5 Werktage

Pos.
824/50
BOSCH Scheibenfeder | Ersatzteile für 9620 | 1619PA0820
Hersteller: BOSCH
Artikelnummer: EB-F015962022-1619PA0820
Netto: 3,63 € zzgl. MwSt.
zzgl. 6,90 € Versand (brutto)
einmalig pro Bestellung

Lieferzeit: 5 Werktage

Pos.
824/51
BOSCH Schleifspindel | Ersatzteile für 9620 | 1619PA0821
Hersteller: BOSCH
Artikelnummer: EB-F015962022-1619PA0821
Netto: 4,53 € zzgl. MwSt.
zzgl. 6,90 € Versand (brutto)
einmalig pro Bestellung

Lieferzeit: 5 Werktage

Pos.
824/68
BOSCH Sprengring | Ersatzteile für 9620 | 1619PA0811
Hersteller: BOSCH
Artikelnummer: EB-F015962022-1619PA0811
Netto: 3,63 € zzgl. MwSt.
zzgl. 6,90 € Versand (brutto)
einmalig pro Bestellung

Lieferzeit: 5 Werktage

Pos.
824/69
BOSCH Scheibe | Ersatzteile für 9620 | 1619PA0812
Hersteller: BOSCH
Artikelnummer: EB-F015962022-1619PA0812
Netto: 3,60 € zzgl. MwSt.
zzgl. 6,90 € Versand (brutto)
einmalig pro Bestellung

Lieferzeit: 5 Werktage

Pos.
824/70
BOSCH Tellerrad | Ersatzteile für 9620 | 1619PA0813
Hersteller: BOSCH
Artikelnummer: EB-F015962022-1619PA0813
Netto: 7,30 € zzgl. MwSt.
zzgl. 6,90 € Versand (brutto)
einmalig pro Bestellung

Lieferzeit: 5 Werktage

Pos.
824/71
BOSCH Schraube | Ersatzteile für 9620 | 1619PA0814
Hersteller: BOSCH
Artikelnummer: EB-F015962022-1619PA0814
Netto: 3,63 € zzgl. MwSt.
zzgl. 6,90 € Versand (brutto)
einmalig pro Bestellung

Lieferzeit: 5 Werktage

Pos.
2
BOSCH Polschuh 220-240V | Ersatzteile für 9620 | 1619PA0775
Hersteller: BOSCH
Artikelnummer: EB-F015962022-1619PA0775
Netto: 14,36 € zzgl. MwSt.
zzgl. 6,90 € Versand (brutto)
einmalig pro Bestellung

Lieferzeit: 5 Werktage

Pos.
4
BOSCH Ein/Aus-Schalter | Ersatzteile für 9620 | 1619PA0781
Hersteller: BOSCH
Artikelnummer: EB-F015962022-1619PA0781
Netto: 5,67 € zzgl. MwSt.
zzgl. 6,90 € Versand (brutto)
einmalig pro Bestellung

Lieferzeit: 5 Werktage

Pos.
5
BOSCH Netzanschlussleitung | Ersatzteile für 9620 | 1619PA0880
Hersteller: BOSCH
Artikelnummer: EB-F015962022-1619PA0880
Netto: 7,76 € zzgl. MwSt.
zzgl. 6,90 € Versand (brutto)
einmalig pro Bestellung

Lieferzeit: 5 Werktage

Pos.
7
BOSCH Leitungsclip | Ersatzteile für 9620 | 1619PA0783
Hersteller: BOSCH
Artikelnummer: EB-F015962022-1619PA0783
Netto: 3,63 € zzgl. MwSt.
zzgl. 6,90 € Versand (brutto)
einmalig pro Bestellung

Lieferzeit: 5 Werktage

Pos.
10
BOSCH Kohlebürstensatz | Ersatzteile für 9620 | 1619PA0808
Hersteller: BOSCH
Artikelnummer: EB-F015962022-1619PA0808
Netto: 5,19 € zzgl. MwSt.
zzgl. 6,90 € Versand (brutto)
einmalig pro Bestellung

Lieferzeit: 5 Werktage

Pos.
12
BOSCH Entstörkondensator | Ersatzteile für 9620 | 1619PA0784
Hersteller: BOSCH
Artikelnummer: EB-F015962022-1619PA0784
Netto: 3,63 € zzgl. MwSt.
zzgl. 6,90 € Versand (brutto)
einmalig pro Bestellung

Lieferzeit: 5 Werktage

Pos.
13
BOSCH Rillenkugellager | Ersatzteile für 9620 | 1619PA0780
Hersteller: BOSCH
Artikelnummer: EB-F015962022-1619PA0780
Netto: 4,32 € zzgl. MwSt.
zzgl. 6,90 € Versand (brutto)
einmalig pro Bestellung

Lieferzeit: 5 Werktage

Pos.
14
BOSCH Rillenkugellager | Ersatzteile für 9620 | 1619PA0787
Hersteller: BOSCH
Artikelnummer: EB-F015962022-1619PA0787
Netto: 4,82 € zzgl. MwSt.
zzgl. 6,90 € Versand (brutto)
einmalig pro Bestellung

Lieferzeit: 5 Werktage

Pos.
19
BOSCH Spezialschraube | Ersatzteile für 9620 | 1619PA0801
Hersteller: BOSCH
Artikelnummer: EB-F015962022-1619PA0801
Netto: 3,63 € zzgl. MwSt.
zzgl. 6,90 € Versand (brutto)
einmalig pro Bestellung

Lieferzeit: 5 Werktage

Pos.
27
BOSCH Gehäusedeckel | Ersatzteile für 9620 | 1619PA0774
Hersteller: BOSCH
Artikelnummer: EB-F015962022-1619PA0774
Netto: 6,70 € zzgl. MwSt.
zzgl. 6,90 € Versand (brutto)
einmalig pro Bestellung

Lieferzeit: 5 Werktage

Pos.
28
BOSCH Getriebegehäuse | Ersatzteile für 9620 | 1619PA0809
Hersteller: BOSCH
Artikelnummer: EB-F015962022-1619PA0809
Netto: 7,30 € zzgl. MwSt.
zzgl. 6,90 € Versand (brutto)
einmalig pro Bestellung

Lieferzeit: 5 Werktage

Pos.
33
BOSCH Verstellschieber | Ersatzteile für 9620 | 1619PA0793
Hersteller: BOSCH
Artikelnummer: EB-F015962022-1619PA0793
Netto: 3,63 € zzgl. MwSt.
zzgl. 6,90 € Versand (brutto)
einmalig pro Bestellung

Lieferzeit: 5 Werktage

Pos.
34
BOSCH Druckfeder | Ersatzteile für 9620 | 1619PA0792
Hersteller: BOSCH
Artikelnummer: EB-F015962022-1619PA0792
Netto: 3,63 € zzgl. MwSt.
zzgl. 6,90 € Versand (brutto)
einmalig pro Bestellung

Lieferzeit: 5 Werktage

Pos.
35
BOSCH Schalterknopf | Ersatzteile für 9620 | 1619PA0794
Hersteller: BOSCH
Artikelnummer: EB-F015962022-1619PA0794
Netto: 3,63 € zzgl. MwSt.
zzgl. 6,90 € Versand (brutto)
einmalig pro Bestellung

Lieferzeit: 5 Werktage

Pos.
37
BOSCH Kegelrad | Ersatzteile für 9620 | 1619PA0798
Hersteller: BOSCH
Artikelnummer: EB-F015962022-1619PA0798
Netto: 6,15 € zzgl. MwSt.
zzgl. 6,90 € Versand (brutto)
einmalig pro Bestellung

Lieferzeit: 5 Werktage

Pos.
38
BOSCH Federscheibe | Ersatzteile für 9620 | 1619PA0799
Hersteller: BOSCH
Artikelnummer: EB-F015962022-1619PA0799
Netto: 3,63 € zzgl. MwSt.
zzgl. 6,90 € Versand (brutto)
einmalig pro Bestellung

Lieferzeit: 5 Werktage

Pos.
39
BOSCH Sechskantmutter | Ersatzteile für 9620 | 1619PA0800
Hersteller: BOSCH
Artikelnummer: EB-F015962022-1619PA0800
Netto: 3,63 € zzgl. MwSt.
zzgl. 6,90 € Versand (brutto)
einmalig pro Bestellung

Lieferzeit: 5 Werktage

Pos.
45
BOSCH Vorlegscheibe | Ersatzteile für 9620 | 1619PA0803
Hersteller: BOSCH
Artikelnummer: EB-F015962022-1619PA0803
Netto: 3,63 € zzgl. MwSt.
zzgl. 6,90 € Versand (brutto)
einmalig pro Bestellung

Lieferzeit: 5 Werktage

Pos.
46
BOSCH Schraube | Ersatzteile für 9620 | 1619PA0796
Hersteller: BOSCH
Artikelnummer: EB-F015962022-1619PA0796
Netto: 3,63 € zzgl. MwSt.
zzgl. 6,90 € Versand (brutto)
einmalig pro Bestellung

Lieferzeit: 5 Werktage

Pos.
47
BOSCH Luftleitring | Ersatzteile für 9620 | 1619PA0797
Hersteller: BOSCH
Artikelnummer: EB-F015962022-1619PA0797
Netto: 4,53 € zzgl. MwSt.
zzgl. 6,90 € Versand (brutto)
einmalig pro Bestellung

Lieferzeit: 5 Werktage

Pos.
49
BOSCH Tülle | Ersatzteile für 9620 | 1619PA0782
Hersteller: BOSCH
Artikelnummer: EB-F015962022-1619PA0782
Netto: 3,63 € zzgl. MwSt.
zzgl. 6,90 € Versand (brutto)
einmalig pro Bestellung

Lieferzeit: 5 Werktage

Pos.
58
BOSCH Entstörglied | Ersatzteile für 9620 | 1619PA0827
Hersteller: BOSCH
Artikelnummer: EB-F015962022-1619PA0827
Netto: 3,63 € zzgl. MwSt.
zzgl. 6,90 € Versand (brutto)
einmalig pro Bestellung

Lieferzeit: 5 Werktage

Pos.
62
BOSCH Sprengring | Ersatzteile für 9620 | 1619PA0785
Hersteller: BOSCH
Artikelnummer: EB-F015962022-1619PA0785
Netto: 3,63 € zzgl. MwSt.
zzgl. 6,90 € Versand (brutto)
einmalig pro Bestellung

Lieferzeit: 5 Werktage

Pos.
63
BOSCH Schraube | Ersatzteile für 9620 | 1619PA0786
Hersteller: BOSCH
Artikelnummer: EB-F015962022-1619PA0786
Netto: 3,63 € zzgl. MwSt.
zzgl. 6,90 € Versand (brutto)
einmalig pro Bestellung

Lieferzeit: 5 Werktage

Pos.
65
BOSCH Zwischenring | Ersatzteile für 9620 | 1619PA0795
Hersteller: BOSCH
Artikelnummer: EB-F015962022-1619PA0795
Netto: 3,63 € zzgl. MwSt.
zzgl. 6,90 € Versand (brutto)
einmalig pro Bestellung

Lieferzeit: 5 Werktage

Pos.
67
BOSCH Blechschraube | Ersatzteile für 9620 | 1619PA0805
Hersteller: BOSCH
Artikelnummer: EB-F015962022-1619PA0805
Netto: 3,94 € zzgl. MwSt.
zzgl. 6,90 € Versand (brutto)
einmalig pro Bestellung

Lieferzeit: 5 Werktage

Pos.
104
BOSCH Nadelhülse | Ersatzteile für 9620 | 1619PA0826
Hersteller: BOSCH
Artikelnummer: EB-F015962022-1619PA0826
Netto: 4,32 € zzgl. MwSt.
zzgl. 6,90 € Versand (brutto)
einmalig pro Bestellung

Lieferzeit: 5 Werktage

Pos.
651
BOSCH Sechskantschraubendreher | Ersatzteile für 9620 | 1619PA0806
Hersteller: BOSCH
Artikelnummer: EB-F015962022-1619PA0806
Netto: 3,63 € zzgl. MwSt.
zzgl. 6,90 € Versand (brutto)
einmalig pro Bestellung

Lieferzeit: 5 Werktage

Pos.
652
BOSCH Zusatzhandgriff | Ersatzteile für 9620 | 1619PA0829
Hersteller: BOSCH
Artikelnummer: EB-F015962022-1619PA0829
Netto: 5,19 € zzgl. MwSt.
zzgl. 6,90 € Versand (brutto)
einmalig pro Bestellung

Lieferzeit: 5 Werktage

Pos.
653
BOSCH Rundmutter | Ersatzteile für 9620 | 1619PA0830
Hersteller: BOSCH
Artikelnummer: EB-F015962022-1619PA0830
Netto: 4,53 € zzgl. MwSt.
zzgl. 6,90 € Versand (brutto)
einmalig pro Bestellung

Lieferzeit: 5 Werktage

Pos.
654
BOSCH Zweilochmutterndreher | Ersatzteile für 9620 | 1619PA0831
Hersteller: BOSCH
Artikelnummer: EB-F015962022-1619PA0831
Netto: 4,82 € zzgl. MwSt.
zzgl. 6,90 € Versand (brutto)
einmalig pro Bestellung

Lieferzeit: 5 Werktage

Pos.
655
BOSCH Aufnahmeflansch | Ersatzteile für 9620 | 1619PA4910
Hersteller: BOSCH
Artikelnummer: EB-F015962022-1619PA4910
nur Informationsartikel
Nie mehr lieferbar
keine Alternativen
Pos.
656
BOSCH Schutzverkleidung SILBER | Ersatzteile für 9620 | 1619PA0833
Hersteller: BOSCH
Artikelnummer: EB-F015962022-1619PA0833
Netto: 8,33 € zzgl. MwSt.
zzgl. 6,90 € Versand (brutto)
einmalig pro Bestellung

Lieferzeit: 5 Werktage

Pos.
803
BOSCH Anker 220-240V | Ersatzteile für 9620 | 1619PA0776
Hersteller: BOSCH
Artikelnummer: EB-F015962022-1619PA0776
Netto: 17,38 € zzgl. MwSt.
zzgl. 6,90 € Versand (brutto)
einmalig pro Bestellung

Lieferzeit: 5 Werktage

Pos.
816
BOSCH Bürstenhalter | Ersatzteile für 9620 | 1619PA0788
Hersteller: BOSCH
Artikelnummer: EB-F015962022-1619PA0788
Netto: 5,19 € zzgl. MwSt.
zzgl. 6,90 € Versand (brutto)
einmalig pro Bestellung

Lieferzeit: 5 Werktage

Pos.
824
BOSCH Spindel | Ersatzteile für 9620 | 1619PA0810
Hersteller: BOSCH
Artikelnummer: EB-F015962022-1619PA0810
Netto: 14,36 € zzgl. MwSt.
zzgl. 6,90 € Versand (brutto)
einmalig pro Bestellung

Lieferzeit: 5 Werktage

Pos.
840
BOSCH Drucktastensatz | Ersatzteile für 9620 | 1619PA0822
Hersteller: BOSCH
Artikelnummer: EB-F015962022-1619PA0822
Netto: 4,53 € zzgl. MwSt.
zzgl. 6,90 € Versand (brutto)
einmalig pro Bestellung

Lieferzeit: 5 Werktage

Angaben zur Produktsicherheit

Hersteller:
Robert Bosch Power Tools GmbH
Postfach 30 02 20
70442 Stuttgart

E-Mail:
kontakt@bosch.de