BOSCH Torx-Linsenschraube 8x13 | Ersatzteile für 9760 H1 | 2610374913

Artikelnummer: EB-F0159760C1-2610374913

Position: 66

Marke: BOSCH


Bitte Kompatibilität prüfen!

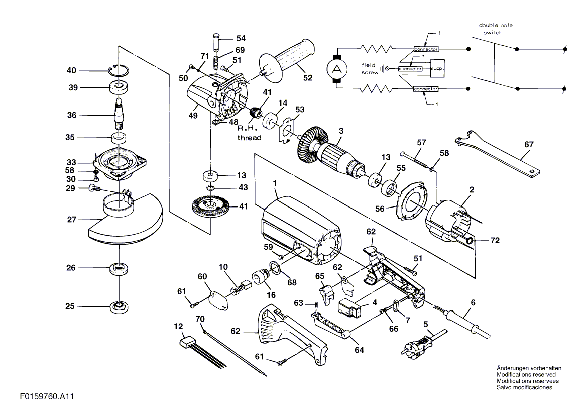
Bitte prüfen Sie unbedingt die 10-stellige Typennummer Ihrer Maschine / Ihres Gerätes. Das Ersatzteil ist nur kompatibel, wenn Sie die Typennummer Ihrer Maschine in der unten stehenden Produktbeschreibung finden.

Bitte prüfen Sie ebenfalls detailliert die Explosionszeichnung mit Ihrem Artikelwunsch und der jeweiligen Pos-Nummer.

Alle Elemente, welche vom schwarzen Strich der Pos-Nummer ausgehend berührt / erfasst werden, gehören zu dieser Pos-Nummer und somit zu diesem Artikel. Jede Pos-Nummer ist ein eigenständiger Artikel, welchen Sie in der Auflistung finden.

Sie erhalten stets die aktuellste, neueste Produktversion zu der gewählten Pos-Nummer seitens des Herstellers. Es kann daher je nach Gerätealter vorkommen, dass Sie ggf. weitere, zugehörige Elemente, welche an diese Pos-Nummer grenzen, ebenfalls mittauschen müssen.

Nähere Informationen finden Sie unter dem Link
Hinweise zu Ihrer BOSCH Ersatzteilsuche

Preisübersicht

Einzelpreis: 3,94 €* (Brutto: 4,69 €)
Gesamtpreis: 3,94 €* 
Position:

Lieferzeit: 5 Werktage


Beschreibung

  • Torx-Linsenschraube 8x13
  • Original Bosch Zubehör / BOSCH Ersatzteil (2610374913)
  • im Gerät verbaut: 1
Dieses BOSCH Ersatzteil ist mit folgendem Gerät und Modell kompatibel:
  • BOSCH Gerätename: 9760 H1
  • BOSCH Explosionszeichnung: Position 66
  • BOSCH Typennummer: F0159760C1
  • BOSCH Typennummer alternative Schreibweisen: F 015 976 0C1, F015 976 0C1, F.015.976.0C1, F-015-976-0C1
    Bitte prüfen Sie diese Typennummer auf Ihrem Gerät um die Kompatibilität des BOSCH Ersatzteils zu gewährleisten.
Weitere BOSCH Ersatzteile des Gerätes 9760 H1 (Hw-Winkelschleifer) mit der Typennummer F0159760C1 finden Sie in der nachfolgenden Darstellung und im Dropdown zu Ihrer Auswahl:

Pos.
1
BOSCH Gehäuse | Ersatzteile für 9760 H1 | 2610374812
Hersteller: BOSCH
Artikelnummer: EB-F0159760C1-2610374812
nur Informationsartikel
Nie mehr lieferbar
keine Alternativen
Pos.
2
BOSCH Polschuh 230-240V | Ersatzteile für 9760 H1 | 2610383203
Hersteller: BOSCH
Artikelnummer: EB-F0159760C1-2610383203
nur Informationsartikel
Nie mehr lieferbar
keine Alternativen
Pos.
3
BOSCH Anker 230-240V | Ersatzteile für 9760 H1 | 2610383202
Hersteller: BOSCH
Artikelnummer: EB-F0159760C1-2610383202
nur Informationsartikel
Nie mehr lieferbar
keine Alternativen
Pos.
4
BOSCH Schalter | Ersatzteile für 9760 H1 | 2610374800
Hersteller: BOSCH
Artikelnummer: EB-F0159760C1-2610374800
nur Informationsartikel
Nie mehr lieferbar
keine Alternativen
Pos.
5
BOSCH Netzanschlussleitung CH 4,15m 2 x 1,0mm HO7 RN-F | Ersatzteile für 9760 H1 | 2610383569
Hersteller: BOSCH
Artikelnummer: EB-F0159760C1-2610383569
Netto: 14,08 € zzgl. MwSt.
zzgl. 6,90 € Versand (brutto)
einmalig pro Bestellung

Lieferzeit: 5 Werktage

Pos.
6
BOSCH Tülle | Ersatzteile für 9760 H1 | 2610374838
Hersteller: BOSCH
Artikelnummer: EB-F0159760C1-2610374838
nur Informationsartikel
Nie mehr lieferbar
keine Alternativen
Pos.
7
BOSCH Kabelschelle | Ersatzteile für 9760 H1 | 2610064973
Hersteller: BOSCH
Artikelnummer: EB-F0159760C1-2610064973
Netto: 3,94 € zzgl. MwSt.
zzgl. 6,90 € Versand (brutto)
einmalig pro Bestellung

Lieferzeit: 5 Werktage

Pos.
10
BOSCH Kohlebürste | Ersatzteile für 9760 H1 | 2610374808
Hersteller: BOSCH
Artikelnummer: EB-F0159760C1-2610374808
nur Informationsartikel
Nie mehr lieferbar
keine Alternativen
Pos.
12
BOSCH Schutz | Ersatzteile für 9760 H1 | 2610374832
Hersteller: BOSCH
Artikelnummer: EB-F0159760C1-2610374832
nur Informationsartikel
Nie mehr lieferbar
keine Alternativen
Pos.
13
BOSCH Rillenkugellager | Ersatzteile für 9760 H1 | 2610042699
Hersteller: BOSCH
Artikelnummer: EB-F0159760C1-2610042699
nur Informationsartikel
Nie mehr lieferbar
keine Alternativen
Pos.
14
BOSCH Kugellager | Ersatzteile für 9760 H1 | 2610024589
Hersteller: BOSCH
Artikelnummer: EB-F0159760C1-2610024589
nur Informationsartikel
Nie mehr lieferbar
keine Alternativen
Pos.
16
BOSCH Bürstenhalter | Ersatzteile für 9760 H1 | 2610374807
Hersteller: BOSCH
Artikelnummer: EB-F0159760C1-2610374807
nur Informationsartikel
Nie mehr lieferbar
keine Alternativen
Pos.
25
BOSCH Mutter | Ersatzteile für 9760 H1 | 2610374802
Hersteller: BOSCH
Artikelnummer: EB-F0159760C1-2610374802
nur Informationsartikel
Nie mehr lieferbar
keine Alternativen
Pos.
26
BOSCH Flansch | Ersatzteile für 9760 H1 | 2610374801
Hersteller: BOSCH
Artikelnummer: EB-F0159760C1-2610374801
nur Informationsartikel
Nie mehr lieferbar
keine Alternativen
Pos.
27
BOSCH Schutzkappe | Ersatzteile für 9760 H1 | 2610374799
Hersteller: BOSCH
Artikelnummer: EB-F0159760C1-2610374799
nur Informationsartikel
Nie mehr lieferbar
keine Alternativen
Pos.
29
BOSCH Bolzen | Ersatzteile für 9760 H1 | 2610374818
Hersteller: BOSCH
Artikelnummer: EB-F0159760C1-2610374818
nur Informationsartikel
Nie mehr lieferbar
keine Alternativen
Pos.
30
BOSCH Schraube | Ersatzteile für 9760 H1 | 2610364778
Hersteller: BOSCH
Artikelnummer: EB-F0159760C1-2610364778
nur Informationsartikel
Nie mehr lieferbar
keine Alternativen
Pos.
33
BOSCH Lagerdeckel | Ersatzteile für 9760 H1 | 2610374819
Hersteller: BOSCH
Artikelnummer: EB-F0159760C1-2610374819
nur Informationsartikel
Nie mehr lieferbar
keine Alternativen
Pos.
35
BOSCH Dichtung | Ersatzteile für 9760 H1 | 2610374816
Hersteller: BOSCH
Artikelnummer: EB-F0159760C1-2610374816
nur Informationsartikel
Nie mehr lieferbar
keine Alternativen
Pos.
36
BOSCH Spindel | Ersatzteile für 9760 H1 | 2610374797
Hersteller: BOSCH
Artikelnummer: EB-F0159760C1-2610374797
nur Informationsartikel
Nie mehr lieferbar
keine Alternativen
Pos.
39
BOSCH Kugellager | Ersatzteile für 9760 H1 | 2610024748
Hersteller: BOSCH
Artikelnummer: EB-F0159760C1-2610024748
Netto: 9,05 € zzgl. MwSt.
zzgl. 6,90 € Versand (brutto)
einmalig pro Bestellung

Lieferzeit: 5 Werktage

Pos.
40
BOSCH Ring | Ersatzteile für 9760 H1 | 2610374820
Hersteller: BOSCH
Artikelnummer: EB-F0159760C1-2610374820
nur Informationsartikel
Nie mehr lieferbar
keine Alternativen
Pos.
41
BOSCH Zahnradsatz | Ersatzteile für 9760 H1 | 2610383410
Hersteller: BOSCH
Artikelnummer: EB-F0159760C1-2610383410
nur Informationsartikel
Nie mehr lieferbar
keine Alternativen
Pos.
43
BOSCH Ring | Ersatzteile für 9760 H1 | 2610361858
Hersteller: BOSCH
Artikelnummer: EB-F0159760C1-2610361858
nur Informationsartikel
Nie mehr lieferbar
keine Alternativen
Pos.
48
BOSCH Ring | Ersatzteile für 9760 H1 | 2610383413
Hersteller: BOSCH
Artikelnummer: EB-F0159760C1-2610383413
nur Informationsartikel
Nie mehr lieferbar
keine Alternativen
Pos.
49
BOSCH Gehäuse | Ersatzteile für 9760 H1 | 2610383411
Hersteller: BOSCH
Artikelnummer: EB-F0159760C1-2610383411
Netto: 29,54 € zzgl. MwSt.
zzgl. 6,90 € Versand (brutto)
einmalig pro Bestellung

Lieferzeit: 5 Werktage

Pos.
50
BOSCH Schraube | Ersatzteile für 9760 H1 | 2610364031
Hersteller: BOSCH
Artikelnummer: EB-F0159760C1-2610364031
nur Informationsartikel
Nie mehr lieferbar
keine Alternativen
Pos.
51
BOSCH Schraube | Ersatzteile für 9760 H1 | 2610367908
Hersteller: BOSCH
Artikelnummer: EB-F0159760C1-2610367908
nur Informationsartikel
Nie mehr lieferbar
keine Alternativen
Pos.
52
BOSCH Griff | Ersatzteile für 9760 H1 | 2610383423
Hersteller: BOSCH
Artikelnummer: EB-F0159760C1-2610383423
nur Informationsartikel
Nie mehr lieferbar
keine Alternativen
Pos.
53
BOSCH Halter | Ersatzteile für 9760 H1 | 2610374813
Hersteller: BOSCH
Artikelnummer: EB-F0159760C1-2610374813
nur Informationsartikel
Nie mehr lieferbar
keine Alternativen
Pos.
54
BOSCH Stift | Ersatzteile für 9760 H1 | 2610383412
Hersteller: BOSCH
Artikelnummer: EB-F0159760C1-2610383412
nur Informationsartikel
Nie mehr lieferbar
keine Alternativen
Pos.
55
BOSCH Stutzen | Ersatzteile für 9760 H1 | 2610374817
Hersteller: BOSCH
Artikelnummer: EB-F0159760C1-2610374817
nur Informationsartikel
Nie mehr lieferbar
keine Alternativen
Pos.
56
BOSCH Luftleitblech | Ersatzteile für 9760 H1 | 2610374810
Hersteller: BOSCH
Artikelnummer: EB-F0159760C1-2610374810
nur Informationsartikel
Nie mehr lieferbar
keine Alternativen
Pos.
57
BOSCH Schraube | Ersatzteile für 9760 H1 | 2610374831
Hersteller: BOSCH
Artikelnummer: EB-F0159760C1-2610374831
nur Informationsartikel
Nie mehr lieferbar
keine Alternativen
Pos.
58
BOSCH Scheibe | Ersatzteile für 9760 H1 | 2610061985
Hersteller: BOSCH
Artikelnummer: EB-F0159760C1-2610061985
nur Informationsartikel
Nie mehr lieferbar
keine Alternativen
Pos.
59
BOSCH Mutter | Ersatzteile für 9760 H1 | 2610364801
Hersteller: BOSCH
Artikelnummer: EB-F0159760C1-2610364801
nur Informationsartikel
Nie mehr lieferbar
keine Alternativen
Pos.
60
BOSCH Verschlussdeckel SCHWARZ | Ersatzteile für 9760 H1 | 2610374806
Hersteller: BOSCH
Artikelnummer: EB-F0159760C1-2610374806
nur Informationsartikel
Nie mehr lieferbar
keine Alternativen
Pos.
61
BOSCH Schraube | Ersatzteile für 9760 H1 | 2610374995
Hersteller: BOSCH
Artikelnummer: EB-F0159760C1-2610374995
nur Informationsartikel
Nie mehr lieferbar
keine Alternativen
Pos.
62
BOSCH Handgriff-Set SCHWARZ | Ersatzteile für 9760 H1 | 2610374803
Hersteller: BOSCH
Artikelnummer: EB-F0159760C1-2610374803
nur Informationsartikel
Nie mehr lieferbar
keine Alternativen
Pos.
63
BOSCH Feder | Ersatzteile für 9760 H1 | 2610374833
Hersteller: BOSCH
Artikelnummer: EB-F0159760C1-2610374833
nur Informationsartikel
Nie mehr lieferbar
keine Alternativen
Pos.
64
BOSCH Hebel SCHWARZ | Ersatzteile für 9760 H1 | 2610374804
Hersteller: BOSCH
Artikelnummer: EB-F0159760C1-2610374804
nur Informationsartikel
Nie mehr lieferbar
keine Alternativen
Pos.
65
BOSCH Sicherheitshebel SCHWARZ | Ersatzteile für 9760 H1 | 2610374805
Hersteller: BOSCH
Artikelnummer: EB-F0159760C1-2610374805
nur Informationsartikel
Nie mehr lieferbar
keine Alternativen
Pos.
66
BOSCH Torx-Linsenschraube 8x13 | Ersatzteile für 9760 H1 | 2610374913
Hersteller: BOSCH
Artikelnummer: EB-F0159760C1-2610374913
Netto: 3,94 € zzgl. MwSt.
zzgl. 6,90 € Versand (brutto)
einmalig pro Bestellung

Lieferzeit: 5 Werktage

Pos.
67
BOSCH Schlüssel | Ersatzteile für 9760 H1 | 2610374837
Hersteller: BOSCH
Artikelnummer: EB-F0159760C1-2610374837
nur Informationsartikel
Nie mehr lieferbar
keine Alternativen
Pos.
68
BOSCH Scheibe | Ersatzteile für 9760 H1 | 2610374826
Hersteller: BOSCH
Artikelnummer: EB-F0159760C1-2610374826
nur Informationsartikel
Nie mehr lieferbar
keine Alternativen
Pos.
69
BOSCH Feder | Ersatzteile für 9760 H1 | 2610383414
Hersteller: BOSCH
Artikelnummer: EB-F0159760C1-2610383414
nur Informationsartikel
Nie mehr lieferbar
keine Alternativen
Pos.
70
BOSCH Elektr Leitung | Ersatzteile für 9760 H1 | 2610374834
Hersteller: BOSCH
Artikelnummer: EB-F0159760C1-2610374834
nur Informationsartikel
Nie mehr lieferbar
keine Alternativen
Pos.
71
BOSCH Scheibe | Ersatzteile für 9760 H1 | 2610061984
Hersteller: BOSCH
Artikelnummer: EB-F0159760C1-2610061984
nur Informationsartikel
Nie mehr lieferbar
keine Alternativen
Pos.
72
BOSCH Verbindungsstück | Ersatzteile für 9760 H1 | 2610374823
Hersteller: BOSCH
Artikelnummer: EB-F0159760C1-2610374823
nur Informationsartikel
Nie mehr lieferbar
keine Alternativen

Angaben zur Produktsicherheit

Hersteller:
Robert Bosch Power Tools GmbH
Postfach 30 02 20
70442 Stuttgart

E-Mail:
kontakt@bosch.de