BOSCH Spiralfeder | Ersatzteile für 9777 JB | 1604652019

Artikelnummer: EB-F0129777JB-1604652019

Position: 836

Marke: BOSCH


Bitte Kompatibilität prüfen!

Bitte prüfen Sie unbedingt die 10-stellige Typennummer Ihrer Maschine / Ihres Gerätes. Das Ersatzteil ist nur kompatibel, wenn Sie die Typennummer Ihrer Maschine in der unten stehenden Produktbeschreibung finden.

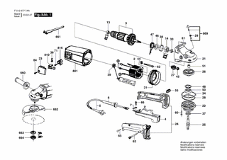
Bitte prüfen Sie ebenfalls detailliert die Explosionszeichnung mit Ihrem Artikelwunsch und der jeweiligen Pos-Nummer.

Alle Elemente, welche vom schwarzen Strich der Pos-Nummer ausgehend berührt / erfasst werden, gehören zu dieser Pos-Nummer und somit zu diesem Artikel. Jede Pos-Nummer ist ein eigenständiger Artikel, welchen Sie in der Auflistung finden.

Sie erhalten stets die aktuellste, neueste Produktversion zu der gewählten Pos-Nummer seitens des Herstellers. Es kann daher je nach Gerätealter vorkommen, dass Sie ggf. weitere, zugehörige Elemente, welche an diese Pos-Nummer grenzen, ebenfalls mittauschen müssen.

Nähere Informationen finden Sie unter dem Link
Hinweise zu Ihrer BOSCH Ersatzteilsuche

Preisübersicht

Einzelpreis: 3,94 €* (Brutto: 4,69 €)
Gesamtpreis: 3,94 €* 
Position:

Lieferzeit: 5 Werktage


Beschreibung

  • Spiralfeder
  • Original Bosch Zubehör / BOSCH Ersatzteil (1604652019)
  • im Gerät verbaut: 1
Dieses BOSCH Ersatzteil ist mit folgendem Gerät und Modell kompatibel:
  • BOSCH Gerätename: 9777 JB
  • BOSCH Explosionszeichnung: Position 836
  • BOSCH Typennummer: F0129777JB
  • BOSCH Typennummer alternative Schreibweisen: F 012 977 7JB, F012 977 7JB, F.012.977.7JB, F-012-977-7JB
    Bitte prüfen Sie diese Typennummer auf Ihrem Gerät um die Kompatibilität des BOSCH Ersatzteils zu gewährleisten.
Weitere BOSCH Ersatzteile des Gerätes 9777 JB (Gw-Winkelschleifer) mit der Typennummer F0129777JB finden Sie in der nachfolgenden Darstellung und im Dropdown zu Ihrer Auswahl:

Pos.
2
BOSCH Polschuh 220V | Ersatzteile für 9777 JB | F000607022
Hersteller: BOSCH
Artikelnummer: EB-F0129777JB-F000607022
nur Informationsartikel
Nie mehr lieferbar
keine Alternativen
Pos.
3
BOSCH Anker 220V | Ersatzteile für 9777 JB | F000605079
Hersteller: BOSCH
Artikelnummer: EB-F0129777JB-F000605079
nur Informationsartikel
Nie mehr lieferbar
keine Alternativen
Pos.
4
BOSCH Ein/Aus-Schalter | Ersatzteile für 9777 JB | F000608023
Hersteller: BOSCH
Artikelnummer: EB-F0129777JB-F000608023
nur Informationsartikel
Nie mehr lieferbar
keine Alternativen
Pos.
5
BOSCH Netzanschlussleitung | Ersatzteile für 9777 JB | F000609185
Hersteller: BOSCH
Artikelnummer: EB-F0129777JB-F000609185
nur Informationsartikel
Nie mehr lieferbar
keine Alternativen
Pos.
6
BOSCH Tülle | Ersatzteile für 9777 JB | F000609174
Hersteller: BOSCH
Artikelnummer: EB-F0129777JB-F000609174
nur Informationsartikel
Nie mehr lieferbar
keine Alternativen
Pos.
7
BOSCH Befestigungsschelle | Ersatzteile für 9777 JB | 1601302013
Hersteller: BOSCH
Artikelnummer: EB-F0129777JB-1601302013
Netto: 3,94 € zzgl. MwSt.
zzgl. 6,90 € Versand (brutto)
einmalig pro Bestellung

Lieferzeit: 5 Werktage

Pos.
13
BOSCH Rillenkugellager 8x22x7 | Ersatzteile für 9777 JB | 1600905011
Hersteller: BOSCH
Artikelnummer: EB-F0129777JB-1600905011
Netto: 6,70 € zzgl. MwSt.
zzgl. 6,90 € Versand (brutto)
einmalig pro Bestellung

Lieferzeit: 5 Werktage

Pos.
14
BOSCH Rillenkugellager | Ersatzteile für 9777 JB | 9618089480
Hersteller: BOSCH
Artikelnummer: EB-F0129777JB-9618089480
Netto: 14,36 € zzgl. MwSt.
zzgl. 6,90 € Versand (brutto)
einmalig pro Bestellung

Lieferzeit: 5 Werktage

Pos.
21
BOSCH Getriebegehäuse | Ersatzteile für 9777 JB | F000602012
Hersteller: BOSCH
Artikelnummer: EB-F0129777JB-F000602012
nur Informationsartikel
Nie mehr lieferbar
keine Alternativen
Pos.
22
BOSCH Lagerflansch | Ersatzteile für 9777 JB | 1605805137
Hersteller: BOSCH
Artikelnummer: EB-F0129777JB-1605805137
Netto: 17,38 € zzgl. MwSt.
zzgl. 6,90 € Versand (brutto)
einmalig pro Bestellung

Lieferzeit: 5 Werktage

Pos.
23
BOSCH Verschlussdeckel | Ersatzteile für 9777 JB | F000603010
Hersteller: BOSCH
Artikelnummer: EB-F0129777JB-F000603010
nur Informationsartikel
Nie mehr lieferbar
keine Alternativen
Pos.
24
BOSCH Handgriff SCHWARZ | Ersatzteile für 9777 JB | 1605132119
Hersteller: BOSCH
Artikelnummer: EB-F0129777JB-1605132119
nur Informationsartikel
Nie mehr lieferbar
keine Alternativen
Pos.
25
BOSCH Schleifspindel | Ersatzteile für 9777 JB | F000600150
Hersteller: BOSCH
Artikelnummer: EB-F0129777JB-F000600150
Netto: 11,92 € zzgl. MwSt.
zzgl. 6,90 € Versand (brutto)
einmalig pro Bestellung

Lieferzeit: 5 Werktage

Pos.
26
BOSCH Tellerrad Z=53 | Ersatzteile für 9777 JB | 1606333618
Hersteller: BOSCH
Artikelnummer: EB-F0129777JB-1606333618
nur Informationsartikel
Nie mehr lieferbar
keine Alternativen
Pos.
27
BOSCH Kegelrad Z=17 | Ersatzteile für 9777 JB | 1606333237
Hersteller: BOSCH
Artikelnummer: EB-F0129777JB-1606333237
nur Informationsartikel
Nie mehr lieferbar
keine Alternativen
Pos.
28
BOSCH O-Ring 79,0x1,78 MM | Ersatzteile für 9777 JB | 1600210033
Hersteller: BOSCH
Artikelnummer: EB-F0129777JB-1600210033
Netto: 3,94 € zzgl. MwSt.
zzgl. 6,90 € Versand (brutto)
einmalig pro Bestellung

Lieferzeit: 5 Werktage

Pos.
29
BOSCH O-Ring 4,0x1,0 MM | Ersatzteile für 9777 JB | 1600210034
Hersteller: BOSCH
Artikelnummer: EB-F0129777JB-1600210034
Netto: 3,94 € zzgl. MwSt.
zzgl. 6,90 € Versand (brutto)
einmalig pro Bestellung

Lieferzeit: 5 Werktage

Pos.
31
BOSCH Luftleitring | Ersatzteile für 9777 JB | F000635272
Hersteller: BOSCH
Artikelnummer: EB-F0129777JB-F000635272
nur Informationsartikel
Nie mehr lieferbar
keine Alternativen
Pos.
33
BOSCH Radial-Wellendichtring 18,7 MM ROT | Ersatzteile für 9777 JB | 1600290013
Hersteller: BOSCH
Artikelnummer: EB-F0129777JB-1600290013
Netto: 4,53 € zzgl. MwSt.
zzgl. 6,90 € Versand (brutto)
einmalig pro Bestellung

Lieferzeit: 5 Werktage

Pos.
34
BOSCH Ausgleichscheibe 0,1 MM DICK | Ersatzteile für 9777 JB | 1600190022
Hersteller: BOSCH
Artikelnummer: EB-F0129777JB-1600190022
Netto: 3,94 € zzgl. MwSt.
zzgl. 6,90 € Versand (brutto)
einmalig pro Bestellung

Lieferzeit: 5 Werktage

Pos.
34
BOSCH Ausgleichscheibe 0,15 MM DICK | Ersatzteile für 9777 JB | 1600190020
Hersteller: BOSCH
Artikelnummer: EB-F0129777JB-1600190020
Netto: 3,94 € zzgl. MwSt.
zzgl. 6,90 € Versand (brutto)
einmalig pro Bestellung

Lieferzeit: 5 Werktage

Pos.
34
BOSCH Ausgleichscheibe 0,3 MM DICK | Ersatzteile für 9777 JB | 1600190021
Hersteller: BOSCH
Artikelnummer: EB-F0129777JB-1600190021
Netto: 4,53 € zzgl. MwSt.
zzgl. 6,90 € Versand (brutto)
einmalig pro Bestellung

Lieferzeit: 5 Werktage

Pos.
37
BOSCH Dichtring SCHWARZ | Ersatzteile für 9777 JB | 1600290036
Hersteller: BOSCH
Artikelnummer: EB-F0129777JB-1600290036
Netto: 4,32 € zzgl. MwSt.
zzgl. 6,90 € Versand (brutto)
einmalig pro Bestellung

Lieferzeit: 5 Werktage

Pos.
38
BOSCH Gummiring 7 MM BREIT | Ersatzteile für 9777 JB | 1600206020
Hersteller: BOSCH
Artikelnummer: EB-F0129777JB-1600206020
Netto: 3,94 € zzgl. MwSt.
zzgl. 6,90 € Versand (brutto)
einmalig pro Bestellung

Lieferzeit: 5 Werktage

Pos.
39
BOSCH Aufnahmering | Ersatzteile für 9777 JB | F000616060
Hersteller: BOSCH
Artikelnummer: EB-F0129777JB-F000616060
nur Informationsartikel
Nie mehr lieferbar
keine Alternativen
Pos.
44
BOSCH Haltewinkel | Ersatzteile für 9777 JB | 1601334008
Hersteller: BOSCH
Artikelnummer: EB-F0129777JB-1601334008
Netto: 3,94 € zzgl. MwSt.
zzgl. 6,90 € Versand (brutto)
einmalig pro Bestellung

Lieferzeit: 5 Werktage

Pos.
45
BOSCH Sechskantmutter M10, SW14 | Ersatzteile für 9777 JB | 1603300019
Hersteller: BOSCH
Artikelnummer: EB-F0129777JB-1603300019
Netto: 3,94 € zzgl. MwSt.
zzgl. 6,90 € Versand (brutto)
einmalig pro Bestellung

Lieferzeit: 5 Werktage

Pos.
46
BOSCH Haltescheibe 1,8 MM DICK | Ersatzteile für 9777 JB | 1600102018
Hersteller: BOSCH
Artikelnummer: EB-F0129777JB-1600102018
Netto: 3,63 € zzgl. MwSt.
zzgl. 6,90 € Versand (brutto)
einmalig pro Bestellung

Lieferzeit: 5 Werktage

Pos.
47
BOSCH Sicherungsbügel | Ersatzteile für 9777 JB | 1600119008
Hersteller: BOSCH
Artikelnummer: EB-F0129777JB-1600119008
Netto: 3,94 € zzgl. MwSt.
zzgl. 6,90 € Versand (brutto)
einmalig pro Bestellung

Lieferzeit: 5 Werktage

Pos.
48
BOSCH Sicherungsbügel | Ersatzteile für 9777 JB | 1600119010
Hersteller: BOSCH
Artikelnummer: EB-F0129777JB-1600119010
Netto: 3,94 € zzgl. MwSt.
zzgl. 6,90 € Versand (brutto)
einmalig pro Bestellung

Lieferzeit: 5 Werktage

Pos.
50
BOSCH Rillenkugellager | Ersatzteile für 9777 JB | 3600905134
Hersteller: BOSCH
Artikelnummer: EB-F0129777JB-3600905134
Netto: 9,95 € zzgl. MwSt.
zzgl. 6,90 € Versand (brutto)
einmalig pro Bestellung

Lieferzeit: 5 Werktage

Pos.
51
BOSCH Nadellager Ø14 MM | Ersatzteile für 9777 JB | 2600910001
Hersteller: BOSCH
Artikelnummer: EB-F0129777JB-2600910001
Netto: 5,67 € zzgl. MwSt.
zzgl. 6,90 € Versand (brutto)
einmalig pro Bestellung

Lieferzeit: 5 Werktage

Pos.
55
BOSCH Ablageleiste SCHWARZ | Ersatzteile für 9777 JB | 1602388029
Hersteller: BOSCH
Artikelnummer: EB-F0129777JB-1602388029
Netto: 3,94 € zzgl. MwSt.
zzgl. 6,90 € Versand (brutto)
einmalig pro Bestellung

Lieferzeit: 5 Werktage

Pos.
60
BOSCH Zylinderschraube M5x12 MM | Ersatzteile für 9777 JB | 9618086616
Hersteller: BOSCH
Artikelnummer: EB-F0129777JB-9618086616
nur Informationsartikel
Nie mehr lieferbar
keine Alternativen
Pos.
61
BOSCH Blechschraube | Ersatzteile für 9777 JB | F000600217
Hersteller: BOSCH
Artikelnummer: EB-F0129777JB-F000600217
nur Informationsartikel
Nie mehr lieferbar
keine Alternativen
Pos.
62
BOSCH Blechschraube | Ersatzteile für 9777 JB | F000600218
Hersteller: BOSCH
Artikelnummer: EB-F0129777JB-F000600218
nur Informationsartikel
Nie mehr lieferbar
keine Alternativen
Pos.
64
BOSCH Blechschraube 4x16 MM | Ersatzteile für 9777 JB | 9618087099
Hersteller: BOSCH
Artikelnummer: EB-F0129777JB-9618087099
nur Informationsartikel
Nie mehr lieferbar
keine Alternativen
Pos.
66
BOSCH Zylinderschraube | Ersatzteile für 9777 JB | 2910022116
Hersteller: BOSCH
Artikelnummer: EB-F0129777JB-2910022116
nur Informationsartikel
Nie mehr lieferbar
keine Alternativen
Pos.
71
BOSCH Gewindefurchschraube | Ersatzteile für 9777 JB | 9618089885
Hersteller: BOSCH
Artikelnummer: EB-F0129777JB-9618089885
nur Informationsartikel
Nie mehr lieferbar
keine Alternativen
Pos.
660
BOSCH Zusatzhandgriff | Ersatzteile für 9777 JB | F000635276
Hersteller: BOSCH
Artikelnummer: EB-F0129777JB-F000635276
Netto: 11,92 € zzgl. MwSt.
zzgl. 6,90 € Versand (brutto)
einmalig pro Bestellung

Lieferzeit: 5 Werktage

Pos.
661
BOSCH Zweilochmutterndreher | Ersatzteile für 9777 JB | F000632033
Hersteller: BOSCH
Artikelnummer: EB-F0129777JB-F000632033
nur Informationsartikel
Nie mehr lieferbar
keine Alternativen
Pos.
662
BOSCH Schutzhaube | Ersatzteile für 9777 JB | F000633007
Hersteller: BOSCH
Artikelnummer: EB-F0129777JB-F000633007
nur Informationsartikel
Nie mehr lieferbar
keine Alternativen
Pos.
663
BOSCH Rundmutter M14 | Ersatzteile für 9777 JB | 1603345043
Hersteller: BOSCH
Artikelnummer: EB-F0129777JB-1603345043
Netto: 8,33 € zzgl. MwSt.
zzgl. 6,90 € Versand (brutto)
einmalig pro Bestellung

Lieferzeit: 5 Werktage

Pos.
664
BOSCH Aufnahmeflansch | Ersatzteile für 9777 JB | F000613004
Hersteller: BOSCH
Artikelnummer: EB-F0129777JB-F000613004
Netto: 6,95 € zzgl. MwSt.
zzgl. 6,90 € Versand (brutto)
einmalig pro Bestellung

Lieferzeit: 5 Werktage

Pos.
801
BOSCH Teilesatz | Ersatzteile für 9777 JB | F000601065
Hersteller: BOSCH
Artikelnummer: EB-F0129777JB-F000601065
nur Informationsartikel
Nie mehr lieferbar
keine Alternativen
Pos.
810
BOSCH Kohlebürstensatz | Ersatzteile für 9777 JB | F000611090
Hersteller: BOSCH
Artikelnummer: EB-F0129777JB-F000611090
nur Informationsartikel
Nie mehr lieferbar
keine Alternativen
Pos.
816
BOSCH Bürstenhalter | Ersatzteile für 9777 JB | 1604336021
Hersteller: BOSCH
Artikelnummer: EB-F0129777JB-1604336021
Netto: 4,82 € zzgl. MwSt.
zzgl. 6,90 € Versand (brutto)
einmalig pro Bestellung

Lieferzeit: 5 Werktage

Pos.
836
BOSCH Spiralfeder | Ersatzteile für 9777 JB | 1604652019
Hersteller: BOSCH
Artikelnummer: EB-F0129777JB-1604652019
Netto: 3,94 € zzgl. MwSt.
zzgl. 6,90 € Versand (brutto)
einmalig pro Bestellung

Lieferzeit: 5 Werktage

Pos.
869
BOSCH Aufbausatz | Ersatzteile für 9777 JB | F000623004
Hersteller: BOSCH
Artikelnummer: EB-F0129777JB-F000623004
nur Informationsartikel
Nie mehr lieferbar
keine Alternativen

Angaben zur Produktsicherheit

Hersteller:
Robert Bosch Power Tools GmbH
Postfach 30 02 20
70442 Stuttgart

E-Mail:
kontakt@bosch.de