BOSCH Netzanschlussleitung GB 4,15m 2 x 1,50mm H07 RN-F | Ersatzteile für 9783 | 1619P02323

Artikelnummer: EB-F015978313-1619P02323

Position: 5

Marke: BOSCH


Bitte Kompatibilität prüfen!

Bitte prüfen Sie unbedingt die 10-stellige Typennummer Ihrer Maschine / Ihres Gerätes. Das Ersatzteil ist nur kompatibel, wenn Sie die Typennummer Ihrer Maschine in der unten stehenden Produktbeschreibung finden.

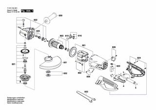
Bitte prüfen Sie ebenfalls detailliert die Explosionszeichnung mit Ihrem Artikelwunsch und der jeweiligen Pos-Nummer.

Alle Elemente, welche vom schwarzen Strich der Pos-Nummer ausgehend berührt / erfasst werden, gehören zu dieser Pos-Nummer und somit zu diesem Artikel. Jede Pos-Nummer ist ein eigenständiger Artikel, welchen Sie in der Auflistung finden.

Sie erhalten stets die aktuellste, neueste Produktversion zu der gewählten Pos-Nummer seitens des Herstellers. Es kann daher je nach Gerätealter vorkommen, dass Sie ggf. weitere, zugehörige Elemente, welche an diese Pos-Nummer grenzen, ebenfalls mittauschen müssen.

Nähere Informationen finden Sie unter dem Link
Hinweise zu Ihrer BOSCH Ersatzteilsuche

Preisübersicht

Einzelpreis: 17,38 €* (Brutto: 20,68 €)
Gesamtpreis: 17,38 €* 
Position:

Lieferzeit: 5 Werktage


Beschreibung

  • Netzanschlussleitung GB 4,15m 2 x 1,50mm H07 RN-F
  • Original Bosch Zubehör / BOSCH Ersatzteil (1619P02323)
  • im Gerät verbaut: 1
Dieses BOSCH Ersatzteil ist mit folgendem Gerät und Modell kompatibel:
  • BOSCH Gerätename: 9783
  • BOSCH Explosionszeichnung: Position 5
  • BOSCH Typennummer: F015978313
  • BOSCH Typennummer alternative Schreibweisen: F 015 978 313, F015 978 313, F.015.978.313, F-015-978-313
    Bitte prüfen Sie diese Typennummer auf Ihrem Gerät um die Kompatibilität des BOSCH Ersatzteils zu gewährleisten.
Weitere BOSCH Ersatzteile des Gerätes 9783 (.) mit der Typennummer F015978313 finden Sie in der nachfolgenden Darstellung und im Dropdown zu Ihrer Auswahl:

Pos.
4
BOSCH Ein/Aus-Schalter | Ersatzteile für 9783 | 2610Z01056
Hersteller: BOSCH
Artikelnummer: EB-F015978313-2610Z01056
Netto: 7,18 € zzgl. MwSt.
zzgl. 6,90 € Versand (brutto)
einmalig pro Bestellung

Lieferzeit: 5 Werktage

Pos.
5
BOSCH Netzanschlussleitung GB 4,15m 2 x 1,50mm H07 RN-F | Ersatzteile für 9783 | 1619P02323
Hersteller: BOSCH
Artikelnummer: EB-F015978313-1619P02323
Netto: 17,38 € zzgl. MwSt.
zzgl. 6,90 € Versand (brutto)
einmalig pro Bestellung

Lieferzeit: 5 Werktage

Pos.
650
BOSCH Zusatzhandgriff | Ersatzteile für 9783 | 2610Z00381
Hersteller: BOSCH
Artikelnummer: EB-F015978313-2610Z00381
nur Informationsartikel
Nie mehr lieferbar
keine Alternativen
Pos.
651
BOSCH Radschutz | Ersatzteile für 9783 | 2610Z01059
Hersteller: BOSCH
Artikelnummer: EB-F015978313-2610Z01059
nur Informationsartikel
Nie mehr lieferbar
keine Alternativen
Pos.
652
BOSCH Aufspannflansch | Ersatzteile für 9783 | 2610Z01062
Hersteller: BOSCH
Artikelnummer: EB-F015978313-2610Z01062
nur Informationsartikel
Nie mehr lieferbar
keine Alternativen
Pos.
653
BOSCH Stirnlochschlüssel | Ersatzteile für 9783 | 2610399832
Hersteller: BOSCH
Artikelnummer: EB-F015978313-2610399832
nur Informationsartikel
Nie mehr lieferbar
keine Alternativen
Pos.
801
BOSCH Motorgehäuse | Ersatzteile für 9783 | 2610Z01052
Hersteller: BOSCH
Artikelnummer: EB-F015978313-2610Z01052
nur Informationsartikel
Nie mehr lieferbar
keine Alternativen
Pos.
802
BOSCH Polschuh 230V | Ersatzteile für 9783 | 2610Z01053
Hersteller: BOSCH
Artikelnummer: EB-F015978313-2610Z01053
nur Informationsartikel
Nie mehr lieferbar
keine Alternativen
Pos.
803
BOSCH Anker 230V | Ersatzteile für 9783 | 2610Z01061
Hersteller: BOSCH
Artikelnummer: EB-F015978313-2610Z01061
nur Informationsartikel
Nie mehr lieferbar
keine Alternativen
Pos.
807
BOSCH Tülle | Ersatzteile für 9783 | 2610Z01055
Hersteller: BOSCH
Artikelnummer: EB-F015978313-2610Z01055
nur Informationsartikel
Nie mehr lieferbar
keine Alternativen
Pos.
810
BOSCH Kohlebürstensatz | Ersatzteile für 9783 | 2610Z01050
Hersteller: BOSCH
Artikelnummer: EB-F015978313-2610Z01050
nur Informationsartikel
Nie mehr lieferbar
keine Alternativen
Pos.
816
BOSCH Bürstenhalter | Ersatzteile für 9783 | 2610Z01051
Hersteller: BOSCH
Artikelnummer: EB-F015978313-2610Z01051
nur Informationsartikel
Nie mehr lieferbar
keine Alternativen
Pos.
821
BOSCH Spindelgruppe | Ersatzteile für 9783 | 2610Z01049
Hersteller: BOSCH
Artikelnummer: EB-F015978313-2610Z01049
nur Informationsartikel
Nie mehr lieferbar
keine Alternativen
Pos.
822
BOSCH Getriebegehäuse | Ersatzteile für 9783 | 2610Z01048
Hersteller: BOSCH
Artikelnummer: EB-F015978313-2610Z01048
nur Informationsartikel
Nie mehr lieferbar
keine Alternativen
Pos.
823
BOSCH Softstartmodul | Ersatzteile für 9783 | 2610Z01057
Hersteller: BOSCH
Artikelnummer: EB-F015978313-2610Z01057
nur Informationsartikel
Nie mehr lieferbar
keine Alternativen
Pos.
824
BOSCH Handgriff | Ersatzteile für 9783 | 2610Z01054
Hersteller: BOSCH
Artikelnummer: EB-F015978313-2610Z01054
nur Informationsartikel
Nie mehr lieferbar
keine Alternativen
Pos.
825
BOSCH Kegelradsatz | Ersatzteile für 9783 | 2610Z01060
Hersteller: BOSCH
Artikelnummer: EB-F015978313-2610Z01060
nur Informationsartikel
Nie mehr lieferbar
keine Alternativen
Pos.
826
BOSCH Bürstendeckel | Ersatzteile für 9783 | 2610Z01058
Hersteller: BOSCH
Artikelnummer: EB-F015978313-2610Z01058
nur Informationsartikel
Nie mehr lieferbar
keine Alternativen

Angaben zur Produktsicherheit

Hersteller:
Robert Bosch Power Tools GmbH
Postfach 30 02 20
70442 Stuttgart

E-Mail:
kontakt@bosch.de