BOSCH Schlüssel | Ersatzteile für 9815 | 1619P06159

Artikelnummer: EB-F015981515-1619P06159

Position: 44

Marke: BOSCH


Bitte Kompatibilität prüfen!

Bitte prüfen Sie unbedingt die 10-stellige Typennummer Ihrer Maschine / Ihres Gerätes. Das Ersatzteil ist nur kompatibel, wenn Sie die Typennummer Ihrer Maschine in der unten stehenden Produktbeschreibung finden.

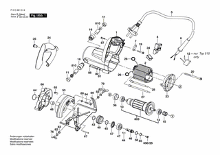
Bitte prüfen Sie ebenfalls detailliert die Explosionszeichnung mit Ihrem Artikelwunsch und der jeweiligen Pos-Nummer.

Alle Elemente, welche vom schwarzen Strich der Pos-Nummer ausgehend berührt / erfasst werden, gehören zu dieser Pos-Nummer und somit zu diesem Artikel. Jede Pos-Nummer ist ein eigenständiger Artikel, welchen Sie in der Auflistung finden.

Sie erhalten stets die aktuellste, neueste Produktversion zu der gewählten Pos-Nummer seitens des Herstellers. Es kann daher je nach Gerätealter vorkommen, dass Sie ggf. weitere, zugehörige Elemente, welche an diese Pos-Nummer grenzen, ebenfalls mittauschen müssen.

Nähere Informationen finden Sie unter dem Link
Hinweise zu Ihrer BOSCH Ersatzteilsuche

Preisübersicht

Einzelpreis: 3,60 €* (Brutto: 4,28 €)
Gesamtpreis: 3,60 €* 
Position:

Lieferzeit: 5 Werktage


Beschreibung

  • Schlüssel
  • Original Bosch Zubehör / BOSCH Ersatzteil (1619P06159)
  • im Gerät verbaut: 1
Dieses BOSCH Ersatzteil ist mit folgendem Gerät und Modell kompatibel:
  • BOSCH Gerätename: 9815
  • BOSCH Explosionszeichnung: Position 44
  • BOSCH Typennummer: F015981515
  • BOSCH Typennummer alternative Schreibweisen: F 015 981 515, F015 981 515, F.015.981.515, F-015-981-515
    Bitte prüfen Sie diese Typennummer auf Ihrem Gerät um die Kompatibilität des BOSCH Ersatzteils zu gewährleisten.
Weitere BOSCH Ersatzteile des Gerätes 9815 (Marmorsäge) mit der Typennummer F015981515 finden Sie in der nachfolgenden Darstellung und im Dropdown zu Ihrer Auswahl:

Pos.
1
BOSCH Motorgehäuse | Ersatzteile für 9815 | 1619P06125
Hersteller: BOSCH
Artikelnummer: EB-F015981515-1619P06125
nur Informationsartikel
Nie mehr lieferbar
keine Alternativen
Pos.
650/1
BOSCH Sicherungsscheibe | Ersatzteile für 9815 | 1619P06186
Hersteller: BOSCH
Artikelnummer: EB-F015981515-1619P06186
Netto: 4,82 € zzgl. MwSt.
zzgl. 6,90 € Versand (brutto)
einmalig pro Bestellung

Lieferzeit: 5 Werktage

Pos.
650/2
BOSCH Rastenscheibe | Ersatzteile für 9815 | 1619P06187
Hersteller: BOSCH
Artikelnummer: EB-F015981515-1619P06187
Netto: 4,53 € zzgl. MwSt.
zzgl. 6,90 € Versand (brutto)
einmalig pro Bestellung

Lieferzeit: 5 Werktage

Pos.
650/25
BOSCH Bolzen | Ersatzteile für 9815 | 1619P06195
Hersteller: BOSCH
Artikelnummer: EB-F015981515-1619P06195
nur Informationsartikel
Nie mehr lieferbar
keine Alternativen
Pos.
650/3
BOSCH Bohrfutterschlüssel | Ersatzteile für 9815 | 1619P06188
Hersteller: BOSCH
Artikelnummer: EB-F015981515-1619P06188
Netto: 4,82 € zzgl. MwSt.
zzgl. 6,90 € Versand (brutto)
einmalig pro Bestellung

Lieferzeit: 5 Werktage

Pos.
650/4
BOSCH Sechskantsteckschlüssel | Ersatzteile für 9815 | 1619P06189
Hersteller: BOSCH
Artikelnummer: EB-F015981515-1619P06189
Netto: 4,36 € zzgl. MwSt.
zzgl. 6,90 € Versand (brutto)
einmalig pro Bestellung

Lieferzeit: 5 Werktage

Pos.
650/5
BOSCH Schlauchleitung | Ersatzteile für 9815 | 1619P06190
Hersteller: BOSCH
Artikelnummer: EB-F015981515-1619P06190
nur Informationsartikel
Nie mehr lieferbar
keine Alternativen
Pos.
650/6
BOSCH Zwischenstecker | Ersatzteile für 9815 | 1619P06191
Hersteller: BOSCH
Artikelnummer: EB-F015981515-1619P06191
nur Informationsartikel
Nie mehr lieferbar
keine Alternativen
Pos.
650/7
BOSCH Wasserventil | Ersatzteile für 9815 | 1619P06192
Hersteller: BOSCH
Artikelnummer: EB-F015981515-1619P06192
nur Informationsartikel
Nie mehr lieferbar
keine Alternativen
Pos.
650/8
BOSCH Schraube | Ersatzteile für 9815 | 1619P06193
Hersteller: BOSCH
Artikelnummer: EB-F015981515-1619P06193
nur Informationsartikel
Nie mehr lieferbar
keine Alternativen
Pos.
650/9
BOSCH Unterlegscheibe | Ersatzteile für 9815 | 1619P06194
Hersteller: BOSCH
Artikelnummer: EB-F015981515-1619P06194
Netto: 3,60 € zzgl. MwSt.
zzgl. 6,90 € Versand (brutto)
einmalig pro Bestellung

Lieferzeit: 5 Werktage

Pos.
2
BOSCH Polschuh 115V | Ersatzteile für 9815 | 1619P06127
Hersteller: BOSCH
Artikelnummer: EB-F015981515-1619P06127
nur Informationsartikel
Nie mehr lieferbar
keine Alternativen
Pos.
4
BOSCH Ein/Aus-Schalter | Ersatzteile für 9815 | 1619P06130
Hersteller: BOSCH
Artikelnummer: EB-F015981515-1619P06130
nur Informationsartikel
Nie mehr lieferbar
keine Alternativen
Pos.
5
BOSCH Netzanschlussleitung | Ersatzteile für 9815 | 1619P06133
Hersteller: BOSCH
Artikelnummer: EB-F015981515-1619P06133
nur Informationsartikel
Nie mehr lieferbar
keine Alternativen
Pos.
6
BOSCH Tülle | Ersatzteile für 9815 | 1619P06135
Hersteller: BOSCH
Artikelnummer: EB-F015981515-1619P06135
Netto: 3,60 € zzgl. MwSt.
zzgl. 6,90 € Versand (brutto)
einmalig pro Bestellung

Lieferzeit: 5 Werktage

Pos.
7
BOSCH Leitungshalter | Ersatzteile für 9815 | 1619P06136
Hersteller: BOSCH
Artikelnummer: EB-F015981515-1619P06136
Netto: 3,60 € zzgl. MwSt.
zzgl. 6,90 € Versand (brutto)
einmalig pro Bestellung

Lieferzeit: 5 Werktage

Pos.
11
BOSCH Gerätekappe | Ersatzteile für 9815 | 1619P06142
Hersteller: BOSCH
Artikelnummer: EB-F015981515-1619P06142
Netto: 4,33 € zzgl. MwSt.
zzgl. 6,90 € Versand (brutto)
einmalig pro Bestellung

Lieferzeit: 5 Werktage

Pos.
12
BOSCH Entstörfilter | Ersatzteile für 9815 | 1619P06143
Hersteller: BOSCH
Artikelnummer: EB-F015981515-1619P06143
nur Informationsartikel
Nie mehr lieferbar
keine Alternativen
Pos.
13
BOSCH Rillenkugellager | Ersatzteile für 9815 | 1619P06144
Hersteller: BOSCH
Artikelnummer: EB-F015981515-1619P06144
nur Informationsartikel
Nie mehr lieferbar
keine Alternativen
Pos.
14
BOSCH Rillenkugellager | Ersatzteile für 9815 | 1619P06145
Hersteller: BOSCH
Artikelnummer: EB-F015981515-1619P06145
Netto: 5,19 € zzgl. MwSt.
zzgl. 6,90 € Versand (brutto)
einmalig pro Bestellung

Lieferzeit: 5 Werktage

Pos.
15
BOSCH Ritzel | Ersatzteile für 9815 | 1619P06146
Hersteller: BOSCH
Artikelnummer: EB-F015981515-1619P06146
Netto: 7,26 € zzgl. MwSt.
zzgl. 6,90 € Versand (brutto)
einmalig pro Bestellung

Lieferzeit: 5 Werktage

Pos.
16
BOSCH Bürstenhalter | Ersatzteile für 9815 | 1619P06147
Hersteller: BOSCH
Artikelnummer: EB-F015981515-1619P06147
Netto: 4,80 € zzgl. MwSt.
zzgl. 6,90 € Versand (brutto)
einmalig pro Bestellung

Lieferzeit: 5 Werktage

Pos.
19
BOSCH Blechschraube | Ersatzteile für 9815 | 1619P06149
Hersteller: BOSCH
Artikelnummer: EB-F015981515-1619P06149
nur Informationsartikel
Nie mehr lieferbar
keine Alternativen
Pos.
20
BOSCH Blechschraube | Ersatzteile für 9815 | 1619P06150
Hersteller: BOSCH
Artikelnummer: EB-F015981515-1619P06150
nur Informationsartikel
Nie mehr lieferbar
keine Alternativen
Pos.
23
BOSCH Luftleitring | Ersatzteile für 9815 | 1619P06151
Hersteller: BOSCH
Artikelnummer: EB-F015981515-1619P06151
Netto: 3,94 € zzgl. MwSt.
zzgl. 6,90 € Versand (brutto)
einmalig pro Bestellung

Lieferzeit: 5 Werktage

Pos.
24
BOSCH Griffschale | Ersatzteile für 9815 | 1619P06152
Hersteller: BOSCH
Artikelnummer: EB-F015981515-1619P06152
nur Informationsartikel
Nie mehr lieferbar
keine Alternativen
Pos.
26
BOSCH Verbindungkabel | Ersatzteile für 9815 | 1619P06153
Hersteller: BOSCH
Artikelnummer: EB-F015981515-1619P06153
Netto: 4,36 € zzgl. MwSt.
zzgl. 6,90 € Versand (brutto)
einmalig pro Bestellung

Lieferzeit: 5 Werktage

Pos.
27
BOSCH Verbindungkabel | Ersatzteile für 9815 | 1619P06154
Hersteller: BOSCH
Artikelnummer: EB-F015981515-1619P06154
Netto: 3,60 € zzgl. MwSt.
zzgl. 6,90 € Versand (brutto)
einmalig pro Bestellung

Lieferzeit: 5 Werktage

Pos.
28
BOSCH Verbindungkabel | Ersatzteile für 9815 | 1619P06155
Hersteller: BOSCH
Artikelnummer: EB-F015981515-1619P06155
nur Informationsartikel
Nie mehr lieferbar
keine Alternativen
Pos.
34
BOSCH Schutzhaube | Ersatzteile für 9815 | 1619P06156
Hersteller: BOSCH
Artikelnummer: EB-F015981515-1619P06156
Netto: 3,60 € zzgl. MwSt.
zzgl. 6,90 € Versand (brutto)
einmalig pro Bestellung

Lieferzeit: 5 Werktage

Pos.
35
BOSCH Schutzhaube | Ersatzteile für 9815 | 1619P06157
Hersteller: BOSCH
Artikelnummer: EB-F015981515-1619P06157
nur Informationsartikel
Nie mehr lieferbar
keine Alternativen
Pos.
38
BOSCH Gummibuchse | Ersatzteile für 9815 | 1619P04444
Hersteller: BOSCH
Artikelnummer: EB-F015981515-1619P04444
Netto: 4,56 € zzgl. MwSt.
zzgl. 6,90 € Versand (brutto)
einmalig pro Bestellung

Lieferzeit: 5 Werktage

Pos.
43
BOSCH Rückhalteblech | Ersatzteile für 9815 | 1619P06158
Hersteller: BOSCH
Artikelnummer: EB-F015981515-1619P06158
nur Informationsartikel
Nie mehr lieferbar
keine Alternativen
Pos.
44
BOSCH Schlüssel | Ersatzteile für 9815 | 1619P06159
Hersteller: BOSCH
Artikelnummer: EB-F015981515-1619P06159
Netto: 3,60 € zzgl. MwSt.
zzgl. 6,90 € Versand (brutto)
einmalig pro Bestellung

Lieferzeit: 5 Werktage

Pos.
45
BOSCH Rückhalteblech | Ersatzteile für 9815 | 1619P06160
Hersteller: BOSCH
Artikelnummer: EB-F015981515-1619P06160
Netto: 3,60 € zzgl. MwSt.
zzgl. 6,90 € Versand (brutto)
einmalig pro Bestellung

Lieferzeit: 5 Werktage

Pos.
46
BOSCH Spindel | Ersatzteile für 9815 | 1619P06161
Hersteller: BOSCH
Artikelnummer: EB-F015981515-1619P06161
nur Informationsartikel
Nie mehr lieferbar
keine Alternativen
Pos.
47
BOSCH Rillenkugellager | Ersatzteile für 9815 | 1619P06162
Hersteller: BOSCH
Artikelnummer: EB-F015981515-1619P06162
nur Informationsartikel
Nie mehr lieferbar
keine Alternativen
Pos.
48
BOSCH Nadellager | Ersatzteile für 9815 | 1619P06163
Hersteller: BOSCH
Artikelnummer: EB-F015981515-1619P06163
Netto: 3,60 € zzgl. MwSt.
zzgl. 6,90 € Versand (brutto)
einmalig pro Bestellung

Lieferzeit: 5 Werktage

Pos.
49
BOSCH Stirnrad | Ersatzteile für 9815 | 1619P06164
Hersteller: BOSCH
Artikelnummer: EB-F015981515-1619P06164
nur Informationsartikel
Nie mehr lieferbar
keine Alternativen
Pos.
53
BOSCH Schutz | Ersatzteile für 9815 | 1619P06165
Hersteller: BOSCH
Artikelnummer: EB-F015981515-1619P06165
nur Informationsartikel
Nie mehr lieferbar
keine Alternativen
Pos.
55
BOSCH O-Ring | Ersatzteile für 9815 | 1619P06167
Hersteller: BOSCH
Artikelnummer: EB-F015981515-1619P06167
nur Informationsartikel
Nie mehr lieferbar
keine Alternativen
Pos.
56
BOSCH O-Ring | Ersatzteile für 9815 | 1619P06168
Hersteller: BOSCH
Artikelnummer: EB-F015981515-1619P06168
nur Informationsartikel
Nie mehr lieferbar
keine Alternativen
Pos.
57
BOSCH Distanzstück | Ersatzteile für 9815 | 1619P06166
Hersteller: BOSCH
Artikelnummer: EB-F015981515-1619P06166
Netto: 3,63 € zzgl. MwSt.
zzgl. 6,90 € Versand (brutto)
einmalig pro Bestellung

Lieferzeit: 5 Werktage

Pos.
64
BOSCH O-Ring | Ersatzteile für 9815 | 1619P06169
Hersteller: BOSCH
Artikelnummer: EB-F015981515-1619P06169
nur Informationsartikel
Nie mehr lieferbar
keine Alternativen
Pos.
65
BOSCH Steckkupplung | Ersatzteile für 9815 | 1619P06170
Hersteller: BOSCH
Artikelnummer: EB-F015981515-1619P06170
Netto: 3,60 € zzgl. MwSt.
zzgl. 6,90 € Versand (brutto)
einmalig pro Bestellung

Lieferzeit: 5 Werktage

Pos.
66
BOSCH Getriebegehäuse | Ersatzteile für 9815 | 1619P03286
Hersteller: BOSCH
Artikelnummer: EB-F015981515-1619P03286
Netto: 9,18 € zzgl. MwSt.
zzgl. 6,90 € Versand (brutto)
einmalig pro Bestellung

Lieferzeit: 5 Werktage

Pos.
67
BOSCH Federsteg | Ersatzteile für 9815 | 1619P06172
Hersteller: BOSCH
Artikelnummer: EB-F015981515-1619P06172
Netto: 3,94 € zzgl. MwSt.
zzgl. 6,90 € Versand (brutto)
einmalig pro Bestellung

Lieferzeit: 5 Werktage

Pos.
69
BOSCH Grundplatte | Ersatzteile für 9815 | 1619P06173
Hersteller: BOSCH
Artikelnummer: EB-F015981515-1619P06173
Netto: 7,30 € zzgl. MwSt.
zzgl. 6,90 € Versand (brutto)
einmalig pro Bestellung

Lieferzeit: 5 Werktage

Pos.
76
BOSCH Flügelmutter | Ersatzteile für 9815 | 1619P06174
Hersteller: BOSCH
Artikelnummer: EB-F015981515-1619P06174
Netto: 3,60 € zzgl. MwSt.
zzgl. 6,90 € Versand (brutto)
einmalig pro Bestellung

Lieferzeit: 5 Werktage

Pos.
77
BOSCH Bolzen | Ersatzteile für 9815 | 1619P06175
Hersteller: BOSCH
Artikelnummer: EB-F015981515-1619P06175
nur Informationsartikel
Nie mehr lieferbar
keine Alternativen
Pos.
79
BOSCH Flügelschraube | Ersatzteile für 9815 | 1619P06176
Hersteller: BOSCH
Artikelnummer: EB-F015981515-1619P06176
Netto: 3,60 € zzgl. MwSt.
zzgl. 6,90 € Versand (brutto)
einmalig pro Bestellung

Lieferzeit: 5 Werktage

Pos.
80
BOSCH Federscheibe | Ersatzteile für 9815 | 1619P06177
Hersteller: BOSCH
Artikelnummer: EB-F015981515-1619P06177
nur Informationsartikel
Nie mehr lieferbar
keine Alternativen
Pos.
81
BOSCH Unterlegscheibe | Ersatzteile für 9815 | 1619P06178
Hersteller: BOSCH
Artikelnummer: EB-F015981515-1619P06178
Netto: 3,60 € zzgl. MwSt.
zzgl. 6,90 € Versand (brutto)
einmalig pro Bestellung

Lieferzeit: 5 Werktage

Pos.
82
BOSCH Federscheibe | Ersatzteile für 9815 | 1619P06179
Hersteller: BOSCH
Artikelnummer: EB-F015981515-1619P06179
Netto: 3,60 € zzgl. MwSt.
zzgl. 6,90 € Versand (brutto)
einmalig pro Bestellung

Lieferzeit: 5 Werktage

Pos.
83
BOSCH Unterlegscheibe | Ersatzteile für 9815 | 1619P06180
Hersteller: BOSCH
Artikelnummer: EB-F015981515-1619P06180
Netto: 3,60 € zzgl. MwSt.
zzgl. 6,90 € Versand (brutto)
einmalig pro Bestellung

Lieferzeit: 5 Werktage

Pos.
87
BOSCH Blechschraube | Ersatzteile für 9815 | 1619P06181
Hersteller: BOSCH
Artikelnummer: EB-F015981515-1619P06181
nur Informationsartikel
Nie mehr lieferbar
keine Alternativen
Pos.
88
BOSCH Schraube | Ersatzteile für 9815 | 1619P06182
Hersteller: BOSCH
Artikelnummer: EB-F015981515-1619P06182
Netto: 3,60 € zzgl. MwSt.
zzgl. 6,90 € Versand (brutto)
einmalig pro Bestellung

Lieferzeit: 5 Werktage

Pos.
94
BOSCH Schraube | Ersatzteile für 9815 | 1619P06183
Hersteller: BOSCH
Artikelnummer: EB-F015981515-1619P06183
nur Informationsartikel
Nie mehr lieferbar
keine Alternativen
Pos.
180
BOSCH Klebeschild | Ersatzteile für 9815 | 1619P06255
Hersteller: BOSCH
Artikelnummer: EB-F015981515-1619P06255
nur Informationsartikel
Nie mehr lieferbar
keine Alternativen
Pos.
803
BOSCH Ankersatz 115V | Ersatzteile für 9815 | 1619P06308
Hersteller: BOSCH
Artikelnummer: EB-F015981515-1619P06308
Netto: 23,72 € zzgl. MwSt.
zzgl. 6,90 € Versand (brutto)
einmalig pro Bestellung

Lieferzeit: 5 Werktage

Pos.
810
BOSCH Kohlebürstensatz | Ersatzteile für 9815 | 1619P06259
Hersteller: BOSCH
Artikelnummer: EB-F015981515-1619P06259
Netto: 7,30 € zzgl. MwSt.
zzgl. 6,90 € Versand (brutto)
einmalig pro Bestellung

Lieferzeit: 5 Werktage

Angaben zur Produktsicherheit

Hersteller:
Robert Bosch Power Tools GmbH
Postfach 30 02 20
70442 Stuttgart

E-Mail:
kontakt@bosch.de