BOSCH Rillenkugellager | Ersatzteile für 9851 | 1619PA1751

Artikelnummer: EB-F015985124-1619PA1751

Position: 13

Marke: BOSCH


Bitte Kompatibilität prüfen!

Bitte prüfen Sie unbedingt die 10-stellige Typennummer Ihrer Maschine / Ihres Gerätes. Das Ersatzteil ist nur kompatibel, wenn Sie die Typennummer Ihrer Maschine in der unten stehenden Produktbeschreibung finden.

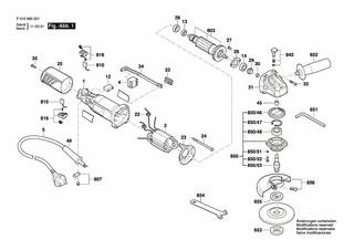
Bitte prüfen Sie ebenfalls detailliert die Explosionszeichnung mit Ihrem Artikelwunsch und der jeweiligen Pos-Nummer.

Alle Elemente, welche vom schwarzen Strich der Pos-Nummer ausgehend berührt / erfasst werden, gehören zu dieser Pos-Nummer und somit zu diesem Artikel. Jede Pos-Nummer ist ein eigenständiger Artikel, welchen Sie in der Auflistung finden.

Sie erhalten stets die aktuellste, neueste Produktversion zu der gewählten Pos-Nummer seitens des Herstellers. Es kann daher je nach Gerätealter vorkommen, dass Sie ggf. weitere, zugehörige Elemente, welche an diese Pos-Nummer grenzen, ebenfalls mittauschen müssen.

Nähere Informationen finden Sie unter dem Link
Hinweise zu Ihrer BOSCH Ersatzteilsuche

Preisübersicht

Einzelpreis: 4,36 €* (Brutto: 5,19 €)
Gesamtpreis: 4,36 €* 
Position:

Lieferzeit: 5 Werktage


Beschreibung

  • Rillenkugellager
  • Original Bosch Zubehör / BOSCH Ersatzteil (1619PA1751)
  • im Gerät verbaut: 1
Dieses BOSCH Ersatzteil ist mit folgendem Gerät und Modell kompatibel:
  • BOSCH Gerätename: 9851
  • BOSCH Explosionszeichnung: Position 13
  • BOSCH Typennummer: F015985124
  • BOSCH Typennummer alternative Schreibweisen: F 015 985 124, F015 985 124, F.015.985.124, F-015-985-124
    Bitte prüfen Sie diese Typennummer auf Ihrem Gerät um die Kompatibilität des BOSCH Ersatzteils zu gewährleisten.
Weitere BOSCH Ersatzteile des Gerätes 9851 (Winkelschleifer) mit der Typennummer F015985124 finden Sie in der nachfolgenden Darstellung und im Dropdown zu Ihrer Auswahl:

Pos.
1
BOSCH Motorgehäuse | Ersatzteile für 9851 | 1619PA1738
Hersteller: BOSCH
Artikelnummer: EB-F015985124-1619PA1738
Netto: 5,65 € zzgl. MwSt.
zzgl. 6,90 € Versand (brutto)
einmalig pro Bestellung

Lieferzeit: 5 Werktage

Pos.
850/46
BOSCH Tellerrad | Ersatzteile für 9851 | 1619PA1771
Hersteller: BOSCH
Artikelnummer: EB-F015985124-1619PA1771
Netto: 8,23 € zzgl. MwSt.
zzgl. 6,90 € Versand (brutto)
einmalig pro Bestellung

Lieferzeit: 5 Werktage

Pos.
850/47
BOSCH Sprengring | Ersatzteile für 9851 | 1619PA1772
Hersteller: BOSCH
Artikelnummer: EB-F015985124-1619PA1772
nur Informationsartikel
Nie mehr lieferbar
keine Alternativen
Pos.
850/48
BOSCH Rillenkugellager | Ersatzteile für 9851 | 1619PA1773
Hersteller: BOSCH
Artikelnummer: EB-F015985124-1619PA1773
Netto: 4,56 € zzgl. MwSt.
zzgl. 6,90 € Versand (brutto)
einmalig pro Bestellung

Lieferzeit: 5 Werktage

Pos.
850/51
BOSCH Federscheibe | Ersatzteile für 9851 | 1619PA1776
Hersteller: BOSCH
Artikelnummer: EB-F015985124-1619PA1776
nur Informationsartikel
Nie mehr lieferbar
keine Alternativen
Pos.
850/52
BOSCH Blechschraube | Ersatzteile für 9851 | 1619PA1777
Hersteller: BOSCH
Artikelnummer: EB-F015985124-1619PA1777
Netto: 3,60 € zzgl. MwSt.
zzgl. 6,90 € Versand (brutto)
einmalig pro Bestellung

Lieferzeit: 5 Werktage

Pos.
850/53
BOSCH Schleifspindel | Ersatzteile für 9851 | 1619PA1842
Hersteller: BOSCH
Artikelnummer: EB-F015985124-1619PA1842
Netto: 9,05 € zzgl. MwSt.
zzgl. 6,90 € Versand (brutto)
einmalig pro Bestellung

Lieferzeit: 5 Werktage

Pos.
2
BOSCH Polschuh 220-240V | Ersatzteile für 9851 | 1619PA1743
Hersteller: BOSCH
Artikelnummer: EB-F015985124-1619PA1743
Netto: 18,86 € zzgl. MwSt.
zzgl. 6,90 € Versand (brutto)
einmalig pro Bestellung

Lieferzeit: 5 Werktage

Pos.
4
BOSCH Ein/Aus-Schalter | Ersatzteile für 9851 | 1619PA1744
Hersteller: BOSCH
Artikelnummer: EB-F015985124-1619PA1744
Netto: 7,66 € zzgl. MwSt.
zzgl. 6,90 € Versand (brutto)
einmalig pro Bestellung

Lieferzeit: 5 Werktage

Pos.
5
BOSCH Netzanschlussleitung | Ersatzteile für 9851 | 1619PA1722
Hersteller: BOSCH
Artikelnummer: EB-F015985124-1619PA1722
nur Informationsartikel
Nie mehr lieferbar
keine Alternativen
Pos.
12
BOSCH Entstörkondensator | Ersatzteile für 9851 | 1619PA1750
Hersteller: BOSCH
Artikelnummer: EB-F015985124-1619PA1750
nur Informationsartikel
Nie mehr lieferbar
keine Alternativen
Pos.
13
BOSCH Rillenkugellager | Ersatzteile für 9851 | 1619PA1751
Hersteller: BOSCH
Artikelnummer: EB-F015985124-1619PA1751
Netto: 4,36 € zzgl. MwSt.
zzgl. 6,90 € Versand (brutto)
einmalig pro Bestellung

Lieferzeit: 5 Werktage

Pos.
14
BOSCH Rillenkugellager | Ersatzteile für 9851 | 1619PA1752
Hersteller: BOSCH
Artikelnummer: EB-F015985124-1619PA1752
Netto: 4,76 € zzgl. MwSt.
zzgl. 6,90 € Versand (brutto)
einmalig pro Bestellung

Lieferzeit: 5 Werktage

Pos.
22
BOSCH Entstörglied | Ersatzteile für 9851 | 1619PA1754
Hersteller: BOSCH
Artikelnummer: EB-F015985124-1619PA1754
Netto: 3,94 € zzgl. MwSt.
zzgl. 6,90 € Versand (brutto)
einmalig pro Bestellung

Lieferzeit: 5 Werktage

Pos.
23
BOSCH Luftleitring | Ersatzteile für 9851 | 1619PA1755
Hersteller: BOSCH
Artikelnummer: EB-F015985124-1619PA1755
Netto: 3,60 € zzgl. MwSt.
zzgl. 6,90 € Versand (brutto)
einmalig pro Bestellung

Lieferzeit: 5 Werktage

Pos.
24
BOSCH Schraube | Ersatzteile für 9851 | 1619PA1756
Hersteller: BOSCH
Artikelnummer: EB-F015985124-1619PA1756
nur Informationsartikel
Nie mehr lieferbar
keine Alternativen
Pos.
25
BOSCH Gehäusedeckel | Ersatzteile für 9851 | 1619PA1757
Hersteller: BOSCH
Artikelnummer: EB-F015985124-1619PA1757
Netto: 4,56 € zzgl. MwSt.
zzgl. 6,90 € Versand (brutto)
einmalig pro Bestellung

Lieferzeit: 5 Werktage

Pos.
26
BOSCH Zwischenring | Ersatzteile für 9851 | 1619PA1758
Hersteller: BOSCH
Artikelnummer: EB-F015985124-1619PA1758
nur Informationsartikel
Nie mehr lieferbar
keine Alternativen
Pos.
27
BOSCH Sechskantschraube | Ersatzteile für 9851 | 1619PA1759
Hersteller: BOSCH
Artikelnummer: EB-F015985124-1619PA1759
nur Informationsartikel
Nie mehr lieferbar
keine Alternativen
Pos.
28
BOSCH Spannplatte | Ersatzteile für 9851 | 1619PA1760
Hersteller: BOSCH
Artikelnummer: EB-F015985124-1619PA1760
Netto: 3,60 € zzgl. MwSt.
zzgl. 6,90 € Versand (brutto)
einmalig pro Bestellung

Lieferzeit: 5 Werktage

Pos.
29
BOSCH Kegelrad | Ersatzteile für 9851 | 1619PA1761
Hersteller: BOSCH
Artikelnummer: EB-F015985124-1619PA1761
Netto: 6,75 € zzgl. MwSt.
zzgl. 6,90 € Versand (brutto)
einmalig pro Bestellung

Lieferzeit: 5 Werktage

Pos.
30
BOSCH Sechskantmutter | Ersatzteile für 9851 | 1619PA1762
Hersteller: BOSCH
Artikelnummer: EB-F015985124-1619PA1762
nur Informationsartikel
Nie mehr lieferbar
keine Alternativen
Pos.
31
BOSCH Getriebegehäuse | Ersatzteile für 9851 | 1619PA1763
Hersteller: BOSCH
Artikelnummer: EB-F015985124-1619PA1763
Netto: 8,23 € zzgl. MwSt.
zzgl. 6,90 € Versand (brutto)
einmalig pro Bestellung

Lieferzeit: 5 Werktage

Pos.
32
BOSCH Blechschraube | Ersatzteile für 9851 | 1619PA1764
Hersteller: BOSCH
Artikelnummer: EB-F015985124-1619PA1764
Netto: 3,60 € zzgl. MwSt.
zzgl. 6,90 € Versand (brutto)
einmalig pro Bestellung

Lieferzeit: 5 Werktage

Pos.
33
BOSCH Schalterknopf | Ersatzteile für 9851 | 1619PA1780
Hersteller: BOSCH
Artikelnummer: EB-F015985124-1619PA1780
Netto: 3,60 € zzgl. MwSt.
zzgl. 6,90 € Versand (brutto)
einmalig pro Bestellung

Lieferzeit: 5 Werktage

Pos.
34
BOSCH Verstellschieber | Ersatzteile für 9851 | 1619PA1781
Hersteller: BOSCH
Artikelnummer: EB-F015985124-1619PA1781
Netto: 3,60 € zzgl. MwSt.
zzgl. 6,90 € Versand (brutto)
einmalig pro Bestellung

Lieferzeit: 5 Werktage

Pos.
35
BOSCH Blechschraube | Ersatzteile für 9851 | 1619PA1782
Hersteller: BOSCH
Artikelnummer: EB-F015985124-1619PA1782
nur Informationsartikel
Nie mehr lieferbar
keine Alternativen
Pos.
45
BOSCH Nadelhülse | Ersatzteile für 9851 | 1619PA1770
Hersteller: BOSCH
Artikelnummer: EB-F015985124-1619PA1770
Netto: 3,60 € zzgl. MwSt.
zzgl. 6,90 € Versand (brutto)
einmalig pro Bestellung

Lieferzeit: 5 Werktage

Pos.
49
BOSCH Tülle | Ersatzteile für 9851 | 1619PA1783
Hersteller: BOSCH
Artikelnummer: EB-F015985124-1619PA1783
Netto: 3,60 € zzgl. MwSt.
zzgl. 6,90 € Versand (brutto)
einmalig pro Bestellung

Lieferzeit: 5 Werktage

Pos.
651
BOSCH Sechskantschraubendreher | Ersatzteile für 9851 | 1619PA1732
Hersteller: BOSCH
Artikelnummer: EB-F015985124-1619PA1732
nur Informationsartikel
Nie mehr lieferbar
keine Alternativen
Pos.
652
BOSCH Zusatzhandgriff | Ersatzteile für 9851 | 1619PA1731
Hersteller: BOSCH
Artikelnummer: EB-F015985124-1619PA1731
nur Informationsartikel
Nie mehr lieferbar
keine Alternativen
Pos.
653
BOSCH Rundmutter | Ersatzteile für 9851 | 1619PA1840
Hersteller: BOSCH
Artikelnummer: EB-F015985124-1619PA1840
nur Informationsartikel
Nie mehr lieferbar
keine Alternativen
Pos.
654
BOSCH Zweilochmutterndreher | Ersatzteile für 9851 | 1619PA1837
Hersteller: BOSCH
Artikelnummer: EB-F015985124-1619PA1837
nur Informationsartikel
Nie mehr lieferbar
keine Alternativen
Pos.
655
BOSCH Aufnahmeflansch | Ersatzteile für 9851 | 1619PA1841
Hersteller: BOSCH
Artikelnummer: EB-F015985124-1619PA1841
Netto: 3,60 € zzgl. MwSt.
zzgl. 6,90 € Versand (brutto)
einmalig pro Bestellung

Lieferzeit: 5 Werktage

Pos.
656
BOSCH Schutzverkleidung Ø 115mm | Ersatzteile für 9851 | 1619PA1819
Hersteller: BOSCH
Artikelnummer: EB-F015985124-1619PA1819
nur Informationsartikel
Nie mehr lieferbar
keine Alternativen
Pos.
803
BOSCH Ankerbaugruppe 220-240V | Ersatzteile für 9851 | 1619PA1739
Hersteller: BOSCH
Artikelnummer: EB-F015985124-1619PA1739
Netto: 23,72 € zzgl. MwSt.
zzgl. 6,90 € Versand (brutto)
einmalig pro Bestellung

Lieferzeit: 5 Werktage

Pos.
807
BOSCH Leitungsclip | Ersatzteile für 9851 | 1619PA1746
Hersteller: BOSCH
Artikelnummer: EB-F015985124-1619PA1746
Netto: 3,60 € zzgl. MwSt.
zzgl. 6,90 € Versand (brutto)
einmalig pro Bestellung

Lieferzeit: 5 Werktage

Pos.
810
BOSCH Kohlebürstensatz | Ersatzteile für 9851 | 1619PA1749
Hersteller: BOSCH
Artikelnummer: EB-F015985124-1619PA1749
Netto: 6,75 € zzgl. MwSt.
zzgl. 6,90 € Versand (brutto)
einmalig pro Bestellung

Lieferzeit: 5 Werktage

Pos.
816
BOSCH Kohlebürstenhalter | Ersatzteile für 9851 | 1619PA1753
Hersteller: BOSCH
Artikelnummer: EB-F015985124-1619PA1753
Netto: 4,56 € zzgl. MwSt.
zzgl. 6,90 € Versand (brutto)
einmalig pro Bestellung

Lieferzeit: 5 Werktage

Pos.
842
BOSCH Drucktastensatz | Ersatzteile für 9851 | 1619PA1765
Hersteller: BOSCH
Artikelnummer: EB-F015985124-1619PA1765
Netto: 3,60 € zzgl. MwSt.
zzgl. 6,90 € Versand (brutto)
einmalig pro Bestellung

Lieferzeit: 5 Werktage

Pos.
850
BOSCH Lagerflansch | Ersatzteile für 9851 | 1619PA1843
Hersteller: BOSCH
Artikelnummer: EB-F015985124-1619PA1843
Netto: 14,92 € zzgl. MwSt.
zzgl. 6,90 € Versand (brutto)
einmalig pro Bestellung

Lieferzeit: 5 Werktage

Angaben zur Produktsicherheit

Hersteller:
Robert Bosch Power Tools GmbH
Postfach 30 02 20
70442 Stuttgart

E-Mail:
kontakt@bosch.de