BOSCH Anker 230V | Ersatzteile für 9950 | F000605116

Artikelnummer: EB-F015995013-F000605116

Position: 3

Marke: BOSCH


Bitte Kompatibilität prüfen!

Bitte prüfen Sie unbedingt die 10-stellige Typennummer Ihrer Maschine / Ihres Gerätes. Das Ersatzteil ist nur kompatibel, wenn Sie die Typennummer Ihrer Maschine in der unten stehenden Produktbeschreibung finden.

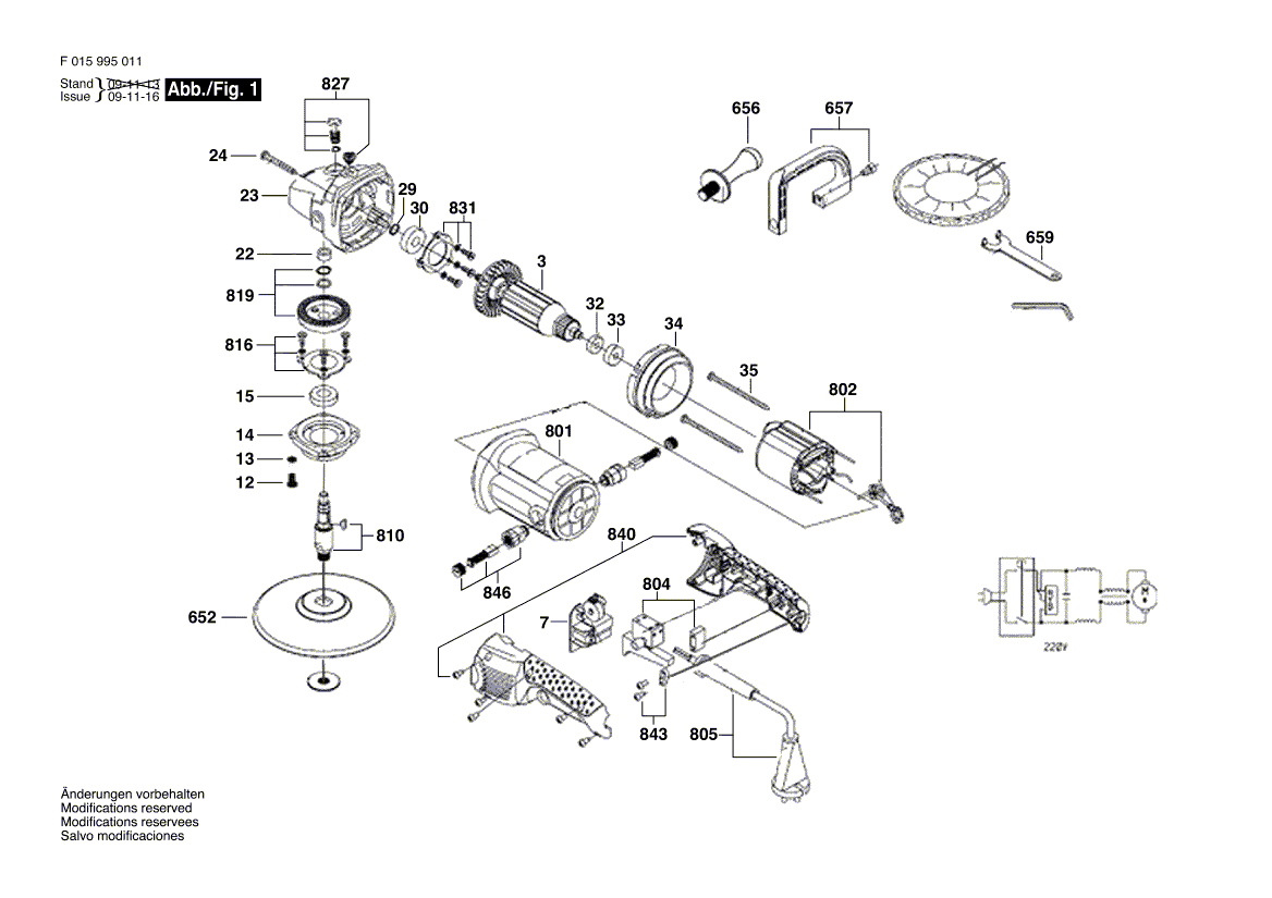
Bitte prüfen Sie ebenfalls detailliert die Explosionszeichnung mit Ihrem Artikelwunsch und der jeweiligen Pos-Nummer.

Alle Elemente, welche vom schwarzen Strich der Pos-Nummer ausgehend berührt / erfasst werden, gehören zu dieser Pos-Nummer und somit zu diesem Artikel. Jede Pos-Nummer ist ein eigenständiger Artikel, welchen Sie in der Auflistung finden.

Sie erhalten stets die aktuellste, neueste Produktversion zu der gewählten Pos-Nummer seitens des Herstellers. Es kann daher je nach Gerätealter vorkommen, dass Sie ggf. weitere, zugehörige Elemente, welche an diese Pos-Nummer grenzen, ebenfalls mittauschen müssen.

Nähere Informationen finden Sie unter dem Link
Hinweise zu Ihrer BOSCH Ersatzteilsuche

Preisübersicht

Einzelpreis: 47,09 €* (Brutto: 56,04 €)
Gesamtpreis: 47,09 €* 
Position:

Lieferzeit: 5 Werktage


Beschreibung

  • Anker 230V
  • Original Bosch Zubehör / BOSCH Ersatzteil (F000605116)
  • im Gerät verbaut: 1
Dieses BOSCH Ersatzteil ist mit folgendem Gerät und Modell kompatibel:
  • BOSCH Gerätename: 9950
  • BOSCH Explosionszeichnung: Position 3
  • BOSCH Typennummer: F015995013
  • BOSCH Typennummer alternative Schreibweisen: F 015 995 013, F015 995 013, F.015.995.013, F-015-995-013
    Bitte prüfen Sie diese Typennummer auf Ihrem Gerät um die Kompatibilität des BOSCH Ersatzteils zu gewährleisten.
Weitere BOSCH Ersatzteile des Gerätes 9950 (Winkelpolierer) mit der Typennummer F015995013 finden Sie in der nachfolgenden Darstellung und im Dropdown zu Ihrer Auswahl:

Pos.
3
BOSCH Anker 230V | Ersatzteile für 9950 | F000605116
Hersteller: BOSCH
Artikelnummer: EB-F015995013-F000605116
Netto: 46,22 € zzgl. MwSt.
zzgl. 6,90 € Versand (brutto)
einmalig pro Bestellung

Lieferzeit: 5 Werktage

Pos.
7
BOSCH EL-Feldregler | Ersatzteile für 9950 | 2610Z00507
Hersteller: BOSCH
Artikelnummer: EB-F015995013-2610Z00507
nur Informationsartikel
Nie mehr lieferbar
keine Alternativen
Pos.
12
BOSCH Schraube | Ersatzteile für 9950 | F000616086
Hersteller: BOSCH
Artikelnummer: EB-F015995013-F000616086
nur Informationsartikel
Nie mehr lieferbar
keine Alternativen
Pos.
13
BOSCH Unterlegscheibe | Ersatzteile für 9950 | F000616087
Hersteller: BOSCH
Artikelnummer: EB-F015995013-F000616087
nur Informationsartikel
Nie mehr lieferbar
keine Alternativen
Pos.
14
BOSCH Antriebslager | Ersatzteile für 9950 | F000613050
Hersteller: BOSCH
Artikelnummer: EB-F015995013-F000613050
nur Informationsartikel
Nie mehr lieferbar
keine Alternativen
Pos.
15
BOSCH Rillenkugellager | Ersatzteile für 9950 | 2610Z00621
Hersteller: BOSCH
Artikelnummer: EB-F015995013-2610Z00621
nur Informationsartikel
Nie mehr lieferbar
keine Alternativen
Pos.
22
BOSCH Nadelhülse | Ersatzteile für 9950 | F000615036
Hersteller: BOSCH
Artikelnummer: EB-F015995013-F000615036
nur Informationsartikel
Nie mehr lieferbar
keine Alternativen
Pos.
23
BOSCH Antriebslager | Ersatzteile für 9950 | F000613051
Hersteller: BOSCH
Artikelnummer: EB-F015995013-F000613051
nur Informationsartikel
Nie mehr lieferbar
keine Alternativen
Pos.
24
BOSCH Blechschraube | Ersatzteile für 9950 | F000616092
Hersteller: BOSCH
Artikelnummer: EB-F015995013-F000616092
nur Informationsartikel
Nie mehr lieferbar
keine Alternativen
Pos.
29
BOSCH Sicherungsring | Ersatzteile für 9950 | F000616096
Hersteller: BOSCH
Artikelnummer: EB-F015995013-F000616096
nur Informationsartikel
Nie mehr lieferbar
keine Alternativen
Pos.
30
BOSCH Rillenkugellager | Ersatzteile für 9950 | F000615037
Hersteller: BOSCH
Artikelnummer: EB-F015995013-F000615037
nur Informationsartikel
Nie mehr lieferbar
keine Alternativen
Pos.
32
BOSCH Rillenkugellager | Ersatzteile für 9950 | F000615039
Hersteller: BOSCH
Artikelnummer: EB-F015995013-F000615039
nur Informationsartikel
Nie mehr lieferbar
keine Alternativen
Pos.
33
BOSCH Lüfterdeckel | Ersatzteile für 9950 | F000615040
Hersteller: BOSCH
Artikelnummer: EB-F015995013-F000615040
nur Informationsartikel
Nie mehr lieferbar
keine Alternativen
Pos.
34
BOSCH Lüfterdeckel | Ersatzteile für 9950 | F000604010
Hersteller: BOSCH
Artikelnummer: EB-F015995013-F000604010
Netto: 4,36 € zzgl. MwSt.
zzgl. 6,90 € Versand (brutto)
einmalig pro Bestellung

Lieferzeit: 5 Werktage

Pos.
35
BOSCH Blechschraube | Ersatzteile für 9950 | F000616103
Hersteller: BOSCH
Artikelnummer: EB-F015995013-F000616103
nur Informationsartikel
Nie mehr lieferbar
keine Alternativen
Pos.
652
BOSCH Stützteller 125MM | Ersatzteile für 9950 | 2610399879
Hersteller: BOSCH
Artikelnummer: EB-F015995013-2610399879
nur Informationsartikel
Nie mehr lieferbar
keine Alternativen
Pos.
652
BOSCH Stützteller 180MM | Ersatzteile für 9950 | 2610399966
Hersteller: BOSCH
Artikelnummer: EB-F015995013-2610399966
nur Informationsartikel
Nie mehr lieferbar
keine Alternativen
Pos.
656
BOSCH Zusatzhandgriff | Ersatzteile für 9950 | 2610399867
Hersteller: BOSCH
Artikelnummer: EB-F015995013-2610399867
nur Informationsartikel
Nie mehr lieferbar
keine Alternativen
Pos.
657
BOSCH Handgriff | Ersatzteile für 9950 | 2610399868
Hersteller: BOSCH
Artikelnummer: EB-F015995013-2610399868
nur Informationsartikel
Nie mehr lieferbar
keine Alternativen
Pos.
659
BOSCH Zweilochmutterndreher | Ersatzteile für 9950 | 2610395291
Hersteller: BOSCH
Artikelnummer: EB-F015995013-2610395291
nur Informationsartikel
Nie mehr lieferbar
keine Alternativen
Pos.
801
BOSCH Motorgehäuse | Ersatzteile für 9950 | 2610Z00506
Hersteller: BOSCH
Artikelnummer: EB-F015995013-2610Z00506
nur Informationsartikel
Nie mehr lieferbar
keine Alternativen
Pos.
802
BOSCH Polschuh 230V | Ersatzteile für 9950 | 2610Z00505
Hersteller: BOSCH
Artikelnummer: EB-F015995013-2610Z00505
nur Informationsartikel
Nie mehr lieferbar
keine Alternativen
Pos.
804
BOSCH Drosselklappenschalter | Ersatzteile für 9950 | 2610Z00473
Hersteller: BOSCH
Artikelnummer: EB-F015995013-2610Z00473
nur Informationsartikel
Nie mehr lieferbar
keine Alternativen
Pos.
805
BOSCH Netzanschlussleitung GB 230V 4,15m 2 x 1,0mm H05 RN-F | Ersatzteile für 9950 | 2604460222
Hersteller: BOSCH
Artikelnummer: EB-F015995013-2604460222
nur Informationsartikel
Nie mehr lieferbar
keine Alternativen
Pos.
810
BOSCH Spindel | Ersatzteile für 9950 | F000619052
Hersteller: BOSCH
Artikelnummer: EB-F015995013-F000619052
nur Informationsartikel
Nie mehr lieferbar
keine Alternativen
Pos.
816
BOSCH Antriebslager | Ersatzteile für 9950 | F000615041
Hersteller: BOSCH
Artikelnummer: EB-F015995013-F000615041
nur Informationsartikel
Nie mehr lieferbar
keine Alternativen
Pos.
819
BOSCH Tellerrad | Ersatzteile für 9950 | F000617037
Hersteller: BOSCH
Artikelnummer: EB-F015995013-F000617037
nur Informationsartikel
Nie mehr lieferbar
keine Alternativen
Pos.
827
BOSCH Tülle | Ersatzteile für 9950 | F000616101
Hersteller: BOSCH
Artikelnummer: EB-F015995013-F000616101
nur Informationsartikel
Nie mehr lieferbar
keine Alternativen
Pos.
831
BOSCH Antriebslager | Ersatzteile für 9950 | F000615042
Hersteller: BOSCH
Artikelnummer: EB-F015995013-F000615042
nur Informationsartikel
Nie mehr lieferbar
keine Alternativen
Pos.
840
BOSCH Handgriff | Ersatzteile für 9950 | 2610Z00474
Hersteller: BOSCH
Artikelnummer: EB-F015995013-2610Z00474
nur Informationsartikel
Nie mehr lieferbar
keine Alternativen
Pos.
843
BOSCH Dichtungssatz | Ersatzteile für 9950 | F000603051
Hersteller: BOSCH
Artikelnummer: EB-F015995013-F000603051
nur Informationsartikel
Nie mehr lieferbar
keine Alternativen
Pos.
846
BOSCH Kohlebürstensatz | Ersatzteile für 9950 | F000611051
Hersteller: BOSCH
Artikelnummer: EB-F015995013-F000611051
Netto: 10,62 € zzgl. MwSt.
zzgl. 6,90 € Versand (brutto)
einmalig pro Bestellung

Lieferzeit: 5 Werktage

Angaben zur Produktsicherheit

Hersteller:
Robert Bosch Power Tools GmbH
Postfach 30 02 20
70442 Stuttgart

E-Mail:
kontakt@bosch.de