BOSCH Sicherungskappe Ø8 MM SCHWARZ | Ersatzteile für ADMIRAL 16 | F016T48990

Artikelnummer: EB-F016509042-F016T48990

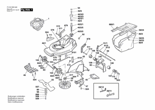
Position: 104

Marke: BOSCH


Bitte Kompatibilität prüfen!

Bitte prüfen Sie unbedingt die 10-stellige Typennummer Ihrer Maschine / Ihres Gerätes. Das Ersatzteil ist nur kompatibel, wenn Sie die Typennummer Ihrer Maschine in der unten stehenden Produktbeschreibung finden.

Bitte prüfen Sie ebenfalls detailliert die Explosionszeichnung mit Ihrem Artikelwunsch und der jeweiligen Pos-Nummer.

Alle Elemente, welche vom schwarzen Strich der Pos-Nummer ausgehend berührt / erfasst werden, gehören zu dieser Pos-Nummer und somit zu diesem Artikel. Jede Pos-Nummer ist ein eigenständiger Artikel, welchen Sie in der Auflistung finden.

Sie erhalten stets die aktuellste, neueste Produktversion zu der gewählten Pos-Nummer seitens des Herstellers. Es kann daher je nach Gerätealter vorkommen, dass Sie ggf. weitere, zugehörige Elemente, welche an diese Pos-Nummer grenzen, ebenfalls mittauschen müssen.

Nähere Informationen finden Sie unter dem Link
Hinweise zu Ihrer BOSCH Ersatzteilsuche

Preisübersicht

Einzelpreis: 3,60 €* (Brutto: 4,28 €)
Gesamtpreis: 3,60 €* 
Position:

Lieferzeit: 5 Werktage


Beschreibung

  • Sicherungskappe Ø8 MM SCHWARZ
  • Original Bosch Zubehör / BOSCH Ersatzteil (F016T48990)
  • im Gerät verbaut: 1
Dieses BOSCH Ersatzteil ist mit folgendem Gerät und Modell kompatibel:
  • BOSCH Gerätename: ADMIRAL 16
  • BOSCH Explosionszeichnung: Position 104
  • BOSCH Typennummer: F016509042
  • BOSCH Typennummer alternative Schreibweisen: F 016 509 042, F016 509 042, F.016.509.042, F-016-509-042
    Bitte prüfen Sie diese Typennummer auf Ihrem Gerät um die Kompatibilität des BOSCH Ersatzteils zu gewährleisten.
Weitere BOSCH Ersatzteile des Gerätes ADMIRAL 16 (Rasenmäher) mit der Typennummer F016509042 finden Sie in der nachfolgenden Darstellung und im Dropdown zu Ihrer Auswahl:

Pos.
1
BOSCH Ersatzteil | Ersatzteile für ADMIRAL 16 | F016L63936
Hersteller: BOSCH
Artikelnummer: EB-F016509042-F016L63936
nur Informationsartikel
Nie mehr lieferbar
keine Alternativen
Pos.
39/11
BOSCH Montierschlüssel | Ersatzteile für ADMIRAL 16 | F016T48376
Hersteller: BOSCH
Artikelnummer: EB-F016509042-F016T48376
nur Informationsartikel
Nie mehr lieferbar
keine Alternativen
Pos.
39/12
BOSCH Stiftschlüssel | Ersatzteile für ADMIRAL 16 | F016T48375
Hersteller: BOSCH
Artikelnummer: EB-F016509042-F016T48375
Netto: 6,75 € zzgl. MwSt.
zzgl. 6,90 € Versand (brutto)
einmalig pro Bestellung

Lieferzeit: 5 Werktage

Pos.
39/20
BOSCH Unterlegscheibe 8,5 MM | Ersatzteile für ADMIRAL 16 | F016L35316
Hersteller: BOSCH
Artikelnummer: EB-F016509042-F016L35316
Netto: 3,60 € zzgl. MwSt.
zzgl. 6,90 € Versand (brutto)
einmalig pro Bestellung

Lieferzeit: 5 Werktage

Pos.
39/22
BOSCH Laufbolzen M 6x30 | Ersatzteile für ADMIRAL 16 | F016L61657
Hersteller: BOSCH
Artikelnummer: EB-F016509042-F016L61657
nur Informationsartikel
Nie mehr lieferbar
keine Alternativen
Pos.
39/23
BOSCH Gewindeschneidschraube 4x19 MM | Ersatzteile für ADMIRAL 16 | F016T49429
Hersteller: BOSCH
Artikelnummer: EB-F016509042-F016T49429
Netto: 3,60 € zzgl. MwSt.
zzgl. 6,90 € Versand (brutto)
einmalig pro Bestellung

Lieferzeit: 5 Werktage

Pos.
39/24
BOSCH Verbindungsstück | Ersatzteile für ADMIRAL 16 | F016T48349
Hersteller: BOSCH
Artikelnummer: EB-F016509042-F016T48349
nur Informationsartikel
Nie mehr lieferbar
keine Alternativen
Pos.
39/25
BOSCH Klemme | Ersatzteile für ADMIRAL 16 | F016T48404
Hersteller: BOSCH
Artikelnummer: EB-F016509042-F016T48404
Netto: 3,60 € zzgl. MwSt.
zzgl. 6,90 € Versand (brutto)
einmalig pro Bestellung

Lieferzeit: 5 Werktage

Pos.
40/1
BOSCH Gehäuse | Ersatzteile für ADMIRAL 16 | F016T56245
Hersteller: BOSCH
Artikelnummer: EB-F016509042-F016T56245
nur Informationsartikel
Nie mehr lieferbar
keine Alternativen
Pos.
40/2/1
BOSCH Spindel | Ersatzteile für ADMIRAL 16 | F016T49292
Hersteller: BOSCH
Artikelnummer: EB-F016509042-F016T49292
Netto: 5,65 € zzgl. MwSt.
zzgl. 6,90 € Versand (brutto)
einmalig pro Bestellung

Lieferzeit: 5 Werktage

Pos.
40/2/2
BOSCH Mutter | Ersatzteile für ADMIRAL 16 | F016T48361
Hersteller: BOSCH
Artikelnummer: EB-F016509042-F016T48361
nur Informationsartikel
Nie mehr lieferbar
keine Alternativen
Pos.
40/2/3
BOSCH Rückhalteblech | Ersatzteile für ADMIRAL 16 | F016T48422
Hersteller: BOSCH
Artikelnummer: EB-F016509042-F016T48422
nur Informationsartikel
Nie mehr lieferbar
keine Alternativen
Pos.
40/2/4
BOSCH Gelenkteil | Ersatzteile für ADMIRAL 16 | F016T48426
Hersteller: BOSCH
Artikelnummer: EB-F016509042-F016T48426
Netto: 6,27 € zzgl. MwSt.
zzgl. 6,90 € Versand (brutto)
einmalig pro Bestellung

Lieferzeit: 5 Werktage

Pos.
40/2/5
BOSCH Bolzen | Ersatzteile für ADMIRAL 16 | F016T48362
Hersteller: BOSCH
Artikelnummer: EB-F016509042-F016T48362
nur Informationsartikel
Nie mehr lieferbar
keine Alternativen
Pos.
40/2/6
BOSCH Halteklammer | Ersatzteile für ADMIRAL 16 | F016T45870
Hersteller: BOSCH
Artikelnummer: EB-F016509042-F016T45870
Netto: 3,60 € zzgl. MwSt.
zzgl. 6,90 € Versand (brutto)
einmalig pro Bestellung

Lieferzeit: 5 Werktage

Pos.
40/2/7
BOSCH Stellring | Ersatzteile für ADMIRAL 16 | F016T48549
Hersteller: BOSCH
Artikelnummer: EB-F016509042-F016T48549
nur Informationsartikel
Nie mehr lieferbar
keine Alternativen
Pos.
40/3/1
BOSCH Kugellager | Ersatzteile für ADMIRAL 16 | F016T48358
Hersteller: BOSCH
Artikelnummer: EB-F016509042-F016T48358
Netto: 3,60 € zzgl. MwSt.
zzgl. 6,90 € Versand (brutto)
einmalig pro Bestellung

Lieferzeit: 5 Werktage

Pos.
40/3/2
BOSCH Knopf | Ersatzteile für ADMIRAL 16 | F016A58730
Hersteller: BOSCH
Artikelnummer: EB-F016509042-F016A58730
nur Informationsartikel
Nie mehr lieferbar
keine Alternativen
Pos.
40/3/3
BOSCH Druckfeder | Ersatzteile für ADMIRAL 16 | F016T48420
Hersteller: BOSCH
Artikelnummer: EB-F016509042-F016T48420
Netto: 3,60 € zzgl. MwSt.
zzgl. 6,90 € Versand (brutto)
einmalig pro Bestellung

Lieferzeit: 5 Werktage

Pos.
40/4
BOSCH Vorlegscheibe | Ersatzteile für ADMIRAL 16 | F016T48359
Hersteller: BOSCH
Artikelnummer: EB-F016509042-F016T48359
nur Informationsartikel
Nie mehr lieferbar
keine Alternativen
Pos.
40/5
BOSCH Schraube M6x25 MM | Ersatzteile für ADMIRAL 16 | F016T49288
Hersteller: BOSCH
Artikelnummer: EB-F016509042-F016T49288
Netto: 3,60 € zzgl. MwSt.
zzgl. 6,90 € Versand (brutto)
einmalig pro Bestellung

Lieferzeit: 5 Werktage

Pos.
50/2
BOSCH Beilegring | Ersatzteile für ADMIRAL 16 | F016L36245
Hersteller: BOSCH
Artikelnummer: EB-F016509042-F016L36245
Netto: 3,60 € zzgl. MwSt.
zzgl. 6,90 € Versand (brutto)
einmalig pro Bestellung

Lieferzeit: 5 Werktage

Pos.
60/2
BOSCH Laufrad | Ersatzteile für ADMIRAL 16 | F016T56236
Hersteller: BOSCH
Artikelnummer: EB-F016509042-F016T56236
Netto: 7,66 € zzgl. MwSt.
zzgl. 6,90 € Versand (brutto)
einmalig pro Bestellung

Lieferzeit: 5 Werktage

Pos.
60/3
BOSCH Beilegring | Ersatzteile für ADMIRAL 16 | F016T48365
Hersteller: BOSCH
Artikelnummer: EB-F016509042-F016T48365
Netto: 3,60 € zzgl. MwSt.
zzgl. 6,90 € Versand (brutto)
einmalig pro Bestellung

Lieferzeit: 5 Werktage

Pos.
60/4
BOSCH Sicherungsscheibe | Ersatzteile für ADMIRAL 16 | F016T48537
Hersteller: BOSCH
Artikelnummer: EB-F016509042-F016T48537
Netto: 3,94 € zzgl. MwSt.
zzgl. 6,90 € Versand (brutto)
einmalig pro Bestellung

Lieferzeit: 5 Werktage

Pos.
75/18
BOSCH Steuerleiste | Ersatzteile für ADMIRAL 16 | F016L63921
Hersteller: BOSCH
Artikelnummer: EB-F016509042-F016L63921
nur Informationsartikel
Nie mehr lieferbar
keine Alternativen
Pos.
75/20
BOSCH Schraube | Ersatzteile für ADMIRAL 16 | F016L63197
Hersteller: BOSCH
Artikelnummer: EB-F016509042-F016L63197
nur Informationsartikel
Nie mehr lieferbar
keine Alternativen
Pos.
75/30
BOSCH Schalthebel | Ersatzteile für ADMIRAL 16 | F016L63928
Hersteller: BOSCH
Artikelnummer: EB-F016509042-F016L63928
Netto: 11,58 € zzgl. MwSt.
zzgl. 6,90 € Versand (brutto)
einmalig pro Bestellung

Lieferzeit: 5 Werktage

Pos.
75/41
BOSCH Klemmstück | Ersatzteile für ADMIRAL 16 | F016T48550
Hersteller: BOSCH
Artikelnummer: EB-F016509042-F016T48550
nur Informationsartikel
Nie mehr lieferbar
keine Alternativen
Pos.
75/42
BOSCH Lagerbuchse | Ersatzteile für ADMIRAL 16 | F016L64137
Hersteller: BOSCH
Artikelnummer: EB-F016509042-F016L64137
nur Informationsartikel
Nie mehr lieferbar
keine Alternativen
Pos.
75/43
BOSCH Spezialmutter | Ersatzteile für ADMIRAL 16 | F016L63925
Hersteller: BOSCH
Artikelnummer: EB-F016509042-F016L63925
nur Informationsartikel
Nie mehr lieferbar
keine Alternativen
Pos.
75/44
BOSCH Verschlussdeckel | Ersatzteile für ADMIRAL 16 | F016T48461
Hersteller: BOSCH
Artikelnummer: EB-F016509042-F016T48461
nur Informationsartikel
Nie mehr lieferbar
keine Alternativen
Pos.
75/46
BOSCH Beilegring | Ersatzteile für ADMIRAL 16 | F016L63927
Hersteller: BOSCH
Artikelnummer: EB-F016509042-F016L63927
nur Informationsartikel
Nie mehr lieferbar
keine Alternativen
Pos.
75/50
BOSCH Seilzug | Ersatzteile für ADMIRAL 16 | F016L63922
Hersteller: BOSCH
Artikelnummer: EB-F016509042-F016L63922
nur Informationsartikel
Nie mehr lieferbar
keine Alternativen
Pos.
75/52
BOSCH Versteifungsblech | Ersatzteile für ADMIRAL 16 | F016L64146
Hersteller: BOSCH
Artikelnummer: EB-F016509042-F016L64146
nur Informationsartikel
Nie mehr lieferbar
keine Alternativen
Pos.
76/3
BOSCH Halter | Ersatzteile für ADMIRAL 16 | F016T48390
Hersteller: BOSCH
Artikelnummer: EB-F016509042-F016T48390
Netto: 3,60 € zzgl. MwSt.
zzgl. 6,90 € Versand (brutto)
einmalig pro Bestellung

Lieferzeit: 5 Werktage

Pos.
76/4
BOSCH Stecker | Ersatzteile für ADMIRAL 16 | F016T48419
Hersteller: BOSCH
Artikelnummer: EB-F016509042-F016T48419
nur Informationsartikel
Nie mehr lieferbar
keine Alternativen
Pos.
76/5
BOSCH Schraube | Ersatzteile für ADMIRAL 16 | F016L36179
Hersteller: BOSCH
Artikelnummer: EB-F016509042-F016L36179
Netto: 3,60 € zzgl. MwSt.
zzgl. 6,90 € Versand (brutto)
einmalig pro Bestellung

Lieferzeit: 5 Werktage

Pos.
80/3
BOSCH Zarge | Ersatzteile für ADMIRAL 16 | F016T48348
Hersteller: BOSCH
Artikelnummer: EB-F016509042-F016T48348
Netto: 16,70 € zzgl. MwSt.
zzgl. 6,90 € Versand (brutto)
einmalig pro Bestellung

Lieferzeit: 5 Werktage

Pos.
80/4
BOSCH Schnaepper | Ersatzteile für ADMIRAL 16 | F016T56232
Hersteller: BOSCH
Artikelnummer: EB-F016509042-F016T56232
nur Informationsartikel
Nie mehr lieferbar
keine Alternativen
Pos.
875/1
BOSCH Handgriff | Ersatzteile für ADMIRAL 16 | F016102988
Hersteller: BOSCH
Artikelnummer: EB-F016509042-F016102988
nur Informationsartikel
Nie mehr lieferbar
keine Alternativen
Pos.
876/1
BOSCH Handgriff | Ersatzteile für ADMIRAL 16 | F016102989
Hersteller: BOSCH
Artikelnummer: EB-F016509042-F016102989
nur Informationsartikel
Nie mehr lieferbar
keine Alternativen
Pos.
880/1
BOSCH Teilesatz | Ersatzteile für ADMIRAL 16 | F016T48746
Hersteller: BOSCH
Artikelnummer: EB-F016509042-F016T48746
Netto: 38,40 € zzgl. MwSt.
zzgl. 6,90 € Versand (brutto)
einmalig pro Bestellung

Lieferzeit: 5 Werktage

Pos.
91/1
BOSCH Hebel | Ersatzteile für ADMIRAL 16 | F016T48384
Hersteller: BOSCH
Artikelnummer: EB-F016509042-F016T48384
Netto: 5,65 € zzgl. MwSt.
zzgl. 6,90 € Versand (brutto)
einmalig pro Bestellung

Lieferzeit: 5 Werktage

Pos.
91/2
BOSCH Spindel | Ersatzteile für ADMIRAL 16 | F016T48385
Hersteller: BOSCH
Artikelnummer: EB-F016509042-F016T48385
Netto: 7,26 € zzgl. MwSt.
zzgl. 6,90 € Versand (brutto)
einmalig pro Bestellung

Lieferzeit: 5 Werktage

Pos.
91/3
BOSCH Zylinderstift | Ersatzteile für ADMIRAL 16 | F016T56145
Hersteller: BOSCH
Artikelnummer: EB-F016509042-F016T56145
Netto: 3,60 € zzgl. MwSt.
zzgl. 6,90 € Versand (brutto)
einmalig pro Bestellung

Lieferzeit: 5 Werktage

Pos.
45
BOSCH Einsatz | Ersatzteile für ADMIRAL 16 | F016L59997
Hersteller: BOSCH
Artikelnummer: EB-F016509042-F016L59997
nur Informationsartikel
Nie mehr lieferbar
keine Alternativen
Pos.
46
BOSCH Verschlussdeckel | Ersatzteile für ADMIRAL 16 | F016T48436
Hersteller: BOSCH
Artikelnummer: EB-F016509042-F016T48436
nur Informationsartikel
Nie mehr lieferbar
keine Alternativen
Pos.
47
BOSCH Ersatzteil | Ersatzteile für ADMIRAL 16 | F016T48430
Hersteller: BOSCH
Artikelnummer: EB-F016509042-F016T48430
nur Informationsartikel
Nie mehr lieferbar
keine Alternativen
Pos.
50
BOSCH Rolle | Ersatzteile für ADMIRAL 16 | F016L36244
Hersteller: BOSCH
Artikelnummer: EB-F016509042-F016L36244
nur Informationsartikel
Nie mehr lieferbar
keine Alternativen
Pos.
52
BOSCH Rollenwelle | Ersatzteile für ADMIRAL 16 | F016T48437
Hersteller: BOSCH
Artikelnummer: EB-F016509042-F016T48437
Netto: 8,23 € zzgl. MwSt.
zzgl. 6,90 € Versand (brutto)
einmalig pro Bestellung

Lieferzeit: 5 Werktage

Pos.
54
BOSCH Rollenträger | Ersatzteile für ADMIRAL 16 | F016T48469
Hersteller: BOSCH
Artikelnummer: EB-F016509042-F016T48469
Netto: 18,86 € zzgl. MwSt.
zzgl. 6,90 € Versand (brutto)
einmalig pro Bestellung

Lieferzeit: 5 Werktage

Pos.
55
BOSCH Mähmesser | Ersatzteile für ADMIRAL 16 | F016T49293
Hersteller: BOSCH
Artikelnummer: EB-F016509042-F016T49293
nur Informationsartikel
Nie mehr lieferbar
keine Alternativen
Pos.
57
BOSCH Lüfter | Ersatzteile für ADMIRAL 16 | F016T48793
Hersteller: BOSCH
Artikelnummer: EB-F016509042-F016T48793
Netto: 15,15 € zzgl. MwSt.
zzgl. 6,90 € Versand (brutto)
einmalig pro Bestellung

Lieferzeit: 5 Werktage

Pos.
58
BOSCH Rolle | Ersatzteile für ADMIRAL 16 | F016L59474
Hersteller: BOSCH
Artikelnummer: EB-F016509042-F016L59474
nur Informationsartikel
Nie mehr lieferbar
keine Alternativen
Pos.
60
BOSCH Achse | Ersatzteile für ADMIRAL 16 | F016T48366
Hersteller: BOSCH
Artikelnummer: EB-F016509042-F016T48366
Netto: 20,80 € zzgl. MwSt.
zzgl. 6,90 € Versand (brutto)
einmalig pro Bestellung

Lieferzeit: 5 Werktage

Pos.
82
BOSCH Ersatzteil | Ersatzteile für ADMIRAL 16 | F016L64168
Hersteller: BOSCH
Artikelnummer: EB-F016509042-F016L64168
nur Informationsartikel
Nie mehr lieferbar
keine Alternativen
Pos.
89
BOSCH Scheibe | Ersatzteile für ADMIRAL 16 | F016L59136
Hersteller: BOSCH
Artikelnummer: EB-F016509042-F016L59136
Netto: 3,60 € zzgl. MwSt.
zzgl. 6,90 € Versand (brutto)
einmalig pro Bestellung

Lieferzeit: 5 Werktage

Pos.
92
BOSCH Verschlussdeckel | Ersatzteile für ADMIRAL 16 | F016T48396
Hersteller: BOSCH
Artikelnummer: EB-F016509042-F016T48396
nur Informationsartikel
Nie mehr lieferbar
keine Alternativen
Pos.
93
BOSCH Befestigungsplatte | Ersatzteile für ADMIRAL 16 | F016T48406
Hersteller: BOSCH
Artikelnummer: EB-F016509042-F016T48406
nur Informationsartikel
Nie mehr lieferbar
keine Alternativen
Pos.
94
BOSCH Verschlussdeckel | Ersatzteile für ADMIRAL 16 | F016T48421
Hersteller: BOSCH
Artikelnummer: EB-F016509042-F016T48421
nur Informationsartikel
Nie mehr lieferbar
keine Alternativen
Pos.
95
BOSCH Lagerbuchse | Ersatzteile für ADMIRAL 16 | F016T48425
Hersteller: BOSCH
Artikelnummer: EB-F016509042-F016T48425
nur Informationsartikel
Nie mehr lieferbar
keine Alternativen
Pos.
96
BOSCH Feder | Ersatzteile für ADMIRAL 16 | F016T48427
Hersteller: BOSCH
Artikelnummer: EB-F016509042-F016T48427
Netto: 4,36 € zzgl. MwSt.
zzgl. 6,90 € Versand (brutto)
einmalig pro Bestellung

Lieferzeit: 5 Werktage

Pos.
97
BOSCH Zapfen | Ersatzteile für ADMIRAL 16 | F016L61019
Hersteller: BOSCH
Artikelnummer: EB-F016509042-F016L61019
nur Informationsartikel
Nie mehr lieferbar
keine Alternativen
Pos.
98
BOSCH Scheibe | Ersatzteile für ADMIRAL 16 | F016T48445
Hersteller: BOSCH
Artikelnummer: EB-F016509042-F016T48445
Netto: 5,65 € zzgl. MwSt.
zzgl. 6,90 € Versand (brutto)
einmalig pro Bestellung

Lieferzeit: 5 Werktage

Pos.
99
BOSCH Beilegring | Ersatzteile für ADMIRAL 16 | F016T48451
Hersteller: BOSCH
Artikelnummer: EB-F016509042-F016T48451
Netto: 7,26 € zzgl. MwSt.
zzgl. 6,90 € Versand (brutto)
einmalig pro Bestellung

Lieferzeit: 5 Werktage

Pos.
102
BOSCH Verschlusskappe | Ersatzteile für ADMIRAL 16 | F016T48546
Hersteller: BOSCH
Artikelnummer: EB-F016509042-F016T48546
Netto: 3,60 € zzgl. MwSt.
zzgl. 6,90 € Versand (brutto)
einmalig pro Bestellung

Lieferzeit: 5 Werktage

Pos.
103
BOSCH Gestänge | Ersatzteile für ADMIRAL 16 | F016L61394
Hersteller: BOSCH
Artikelnummer: EB-F016509042-F016L61394
nur Informationsartikel
Nie mehr lieferbar
keine Alternativen
Pos.
104
BOSCH Sicherungskappe Ø8 MM SCHWARZ | Ersatzteile für ADMIRAL 16 | F016T48990
Hersteller: BOSCH
Artikelnummer: EB-F016509042-F016T48990
Netto: 3,60 € zzgl. MwSt.
zzgl. 6,90 € Versand (brutto)
einmalig pro Bestellung

Lieferzeit: 5 Werktage

Pos.
105
BOSCH Feder | Ersatzteile für ADMIRAL 16 | F016T49840
Hersteller: BOSCH
Artikelnummer: EB-F016509042-F016T49840
Netto: 3,94 € zzgl. MwSt.
zzgl. 6,90 € Versand (brutto)
einmalig pro Bestellung

Lieferzeit: 5 Werktage

Pos.
106
BOSCH Klemmstück | Ersatzteile für ADMIRAL 16 | F016T56249
Hersteller: BOSCH
Artikelnummer: EB-F016509042-F016T56249
nur Informationsartikel
Nie mehr lieferbar
keine Alternativen
Pos.
107
BOSCH Klemmstück | Ersatzteile für ADMIRAL 16 | F016T56250
Hersteller: BOSCH
Artikelnummer: EB-F016509042-F016T56250
Netto: 3,60 € zzgl. MwSt.
zzgl. 6,90 € Versand (brutto)
einmalig pro Bestellung

Lieferzeit: 5 Werktage

Pos.
108
BOSCH Ersatzteil | Ersatzteile für ADMIRAL 16 | F016T56251
Hersteller: BOSCH
Artikelnummer: EB-F016509042-F016T56251
Netto: 3,94 € zzgl. MwSt.
zzgl. 6,90 € Versand (brutto)
einmalig pro Bestellung

Lieferzeit: 5 Werktage

Pos.
109
BOSCH Batteriedeckel | Ersatzteile für ADMIRAL 16 | F016T56253
Hersteller: BOSCH
Artikelnummer: EB-F016509042-F016T56253
nur Informationsartikel
Nie mehr lieferbar
keine Alternativen
Pos.
110
BOSCH Verschlusskappe | Ersatzteile für ADMIRAL 16 | F016T56254
Hersteller: BOSCH
Artikelnummer: EB-F016509042-F016T56254
nur Informationsartikel
Nie mehr lieferbar
keine Alternativen
Pos.
111
BOSCH Getriebedeckel | Ersatzteile für ADMIRAL 16 | F016T56255
Hersteller: BOSCH
Artikelnummer: EB-F016509042-F016T56255
nur Informationsartikel
Nie mehr lieferbar
keine Alternativen
Pos.
119
BOSCH Ersatzteil | Ersatzteile für ADMIRAL 16 | F016T56370
Hersteller: BOSCH
Artikelnummer: EB-F016509042-F016T56370
nur Informationsartikel
Nie mehr lieferbar
keine Alternativen
Pos.
125
BOSCH Leitungsband | Ersatzteile für ADMIRAL 16 | F016W26070
Hersteller: BOSCH
Artikelnummer: EB-F016509042-F016W26070
Netto: 3,60 € zzgl. MwSt.
zzgl. 6,90 € Versand (brutto)
einmalig pro Bestellung

Lieferzeit: 5 Werktage

Pos.
502
BOSCH Unterlegscheibe | Ersatzteile für ADMIRAL 16 | F016L35331
Hersteller: BOSCH
Artikelnummer: EB-F016509042-F016L35331
nur Informationsartikel
Nie mehr lieferbar
keine Alternativen
Pos.
503
BOSCH Sicherungsmutter M6 | Ersatzteile für ADMIRAL 16 | F016L35388
Hersteller: BOSCH
Artikelnummer: EB-F016509042-F016L35388
nur Informationsartikel
Nie mehr lieferbar
keine Alternativen
Pos.
504
BOSCH Schraube | Ersatzteile für ADMIRAL 16 | F016L57434
Hersteller: BOSCH
Artikelnummer: EB-F016509042-F016L57434
nur Informationsartikel
Nie mehr lieferbar
keine Alternativen
Pos.
506
BOSCH Unterlegscheibe M5 | Ersatzteile für ADMIRAL 16 | F016T48428
Hersteller: BOSCH
Artikelnummer: EB-F016509042-F016T48428
nur Informationsartikel
Nie mehr lieferbar
keine Alternativen
Pos.
507
BOSCH Anlaufscheibe | Ersatzteile für ADMIRAL 16 | F016T48441
Hersteller: BOSCH
Artikelnummer: EB-F016509042-F016T48441
nur Informationsartikel
Nie mehr lieferbar
keine Alternativen
Pos.
508
BOSCH Federscheibe | Ersatzteile für ADMIRAL 16 | F016T48446
Hersteller: BOSCH
Artikelnummer: EB-F016509042-F016T48446
Netto: 3,60 € zzgl. MwSt.
zzgl. 6,90 € Versand (brutto)
einmalig pro Bestellung

Lieferzeit: 5 Werktage

Pos.
509
BOSCH Schraube | Ersatzteile für ADMIRAL 16 | F016T48448
Hersteller: BOSCH
Artikelnummer: EB-F016509042-F016T48448
nur Informationsartikel
Nie mehr lieferbar
keine Alternativen
Pos.
510
BOSCH Schraube M6 | Ersatzteile für ADMIRAL 16 | F016T48457
Hersteller: BOSCH
Artikelnummer: EB-F016509042-F016T48457
Netto: 4,36 € zzgl. MwSt.
zzgl. 6,90 € Versand (brutto)
einmalig pro Bestellung

Lieferzeit: 5 Werktage

Pos.
511
BOSCH Unterlegscheibe 8,5 MM | Ersatzteile für ADMIRAL 16 | F016T48531
Hersteller: BOSCH
Artikelnummer: EB-F016509042-F016T48531
nur Informationsartikel
Nie mehr lieferbar
keine Alternativen
Pos.
512
BOSCH Unterlegscheibe | Ersatzteile für ADMIRAL 16 | F016T48541
Hersteller: BOSCH
Artikelnummer: EB-F016509042-F016T48541
nur Informationsartikel
Nie mehr lieferbar
keine Alternativen
Pos.
513
BOSCH Sechskantschraube M8x20 MM | Ersatzteile für ADMIRAL 16 | F016T48547
Hersteller: BOSCH
Artikelnummer: EB-F016509042-F016T48547
Netto: 4,56 € zzgl. MwSt.
zzgl. 6,90 € Versand (brutto)
einmalig pro Bestellung

Lieferzeit: 5 Werktage

Pos.
515
BOSCH Stellring 12 MM T40 | Ersatzteile für ADMIRAL 16 | F016T49100
Hersteller: BOSCH
Artikelnummer: EB-F016509042-F016T49100
nur Informationsartikel
Nie mehr lieferbar
keine Alternativen
Pos.
517
BOSCH Scheibenfeder | Ersatzteile für ADMIRAL 16 | F016T48438
Hersteller: BOSCH
Artikelnummer: EB-F016509042-F016T48438
Netto: 3,94 € zzgl. MwSt.
zzgl. 6,90 € Versand (brutto)
einmalig pro Bestellung

Lieferzeit: 5 Werktage

Pos.
575
BOSCH Laufbolzen | Ersatzteile für ADMIRAL 16 | F016L36447
Hersteller: BOSCH
Artikelnummer: EB-F016509042-F016L36447
nur Informationsartikel
Nie mehr lieferbar
keine Alternativen
Pos.
576
BOSCH Buchse | Ersatzteile für ADMIRAL 16 | F016T56262
Hersteller: BOSCH
Artikelnummer: EB-F016509042-F016T56262
Netto: 3,60 € zzgl. MwSt.
zzgl. 6,90 € Versand (brutto)
einmalig pro Bestellung

Lieferzeit: 5 Werktage

Pos.
878
BOSCH Handgriff | Ersatzteile für ADMIRAL 16 | F016101648
Hersteller: BOSCH
Artikelnummer: EB-F016509042-F016101648
Netto: 7,26 € zzgl. MwSt.
zzgl. 6,90 € Versand (brutto)
einmalig pro Bestellung

Lieferzeit: 5 Werktage

Pos.
879
BOSCH Handgriff | Ersatzteile für ADMIRAL 16 | F016101647
Hersteller: BOSCH
Artikelnummer: EB-F016509042-F016101647
Netto: 7,26 € zzgl. MwSt.
zzgl. 6,90 € Versand (brutto)
einmalig pro Bestellung

Lieferzeit: 5 Werktage

Pos.
888
BOSCH Ersatzteil | Ersatzteile für ADMIRAL 16 | F016L59134
Hersteller: BOSCH
Artikelnummer: EB-F016509042-F016L59134
Netto: 18,86 € zzgl. MwSt.
zzgl. 6,90 € Versand (brutto)
einmalig pro Bestellung

Lieferzeit: 5 Werktage

Pos.
8101
BOSCH Unterlegplatte | Ersatzteile für ADMIRAL 16 | F016102131
Hersteller: BOSCH
Artikelnummer: EB-F016509042-F016102131
nur Informationsartikel
Nie mehr lieferbar
keine Alternativen

Angaben zur Produktsicherheit

Hersteller:
Robert Bosch Power Tools GmbH
Postfach 30 02 20
70442 Stuttgart

E-Mail:
kontakt@bosch.de