BOSCH Breitstrahldüse WEISS | Ersatzteile für AdvancedAquatak 140 | F016F05361

Artikelnummer: EB-3600HA7D70-F016F05361

Position: 874

Marke: BOSCH


Bitte Kompatibilität prüfen!

Bitte prüfen Sie unbedingt die 10-stellige Typennummer Ihrer Maschine / Ihres Gerätes. Das Ersatzteil ist nur kompatibel, wenn Sie die Typennummer Ihrer Maschine in der unten stehenden Produktbeschreibung finden.

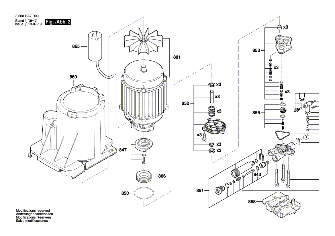
Bitte prüfen Sie ebenfalls detailliert die Explosionszeichnung mit Ihrem Artikelwunsch und der jeweiligen Pos-Nummer.

Alle Elemente, welche vom schwarzen Strich der Pos-Nummer ausgehend berührt / erfasst werden, gehören zu dieser Pos-Nummer und somit zu diesem Artikel. Jede Pos-Nummer ist ein eigenständiger Artikel, welchen Sie in der Auflistung finden.

Sie erhalten stets die aktuellste, neueste Produktversion zu der gewählten Pos-Nummer seitens des Herstellers. Es kann daher je nach Gerätealter vorkommen, dass Sie ggf. weitere, zugehörige Elemente, welche an diese Pos-Nummer grenzen, ebenfalls mittauschen müssen.

Nähere Informationen finden Sie unter dem Link
Hinweise zu Ihrer BOSCH Ersatzteilsuche

Preisübersicht

Einzelpreis: 8,23 €* (Brutto: 9,79 €)
Gesamtpreis: 8,23 €* 
Position:

Lieferzeit: 5 Werktage


Beschreibung

  • Breitstrahldüse WEISS
  • Original Bosch Zubehör / BOSCH Ersatzteil (F016F05361)
  • im Gerät verbaut: 1
Dieses BOSCH Ersatzteil ist mit folgendem Gerät und Modell kompatibel:
  • BOSCH Gerätename: AdvancedAquatak 140
  • BOSCH Explosionszeichnung: Position 874
  • BOSCH Typennummer: 3600HA7D70
  • BOSCH Typennummer alternative Schreibweisen: 3 600 HA7 D70, 3600 HA7 D70, 3.600.HA7.D70, 3-600-HA7-D70
    Bitte prüfen Sie diese Typennummer auf Ihrem Gerät um die Kompatibilität des BOSCH Ersatzteils zu gewährleisten.
Weitere BOSCH Ersatzteile des Gerätes AdvancedAquatak 140 (Hochdruckreiniger) mit der Typennummer 3600HA7D70 finden Sie in der nachfolgenden Darstellung und im Dropdown zu Ihrer Auswahl:

Pos.
801
BOSCH Elektromotor | Ersatzteile für AdvancedAquatak 140 | F016F04644
Hersteller: BOSCH
Artikelnummer: EB-3600HA7D70-F016F04644
Netto: 150,24 € zzgl. MwSt.
zzgl. 6,90 € Versand (brutto)
einmalig pro Bestellung

Lieferzeit: 5 Werktage

Pos.
808
BOSCH Typschild | Ersatzteile für AdvancedAquatak 140 | F016F05356
Hersteller: BOSCH
Artikelnummer: EB-3600HA7D70-F016F05882
nur Informationsartikel
Nie mehr lieferbar
keine Alternativen
Pos.
809
BOSCH Warnzettel | Ersatzteile für AdvancedAquatak 140 | F016F05436
Hersteller: BOSCH
Artikelnummer: EB-3600HA7D70-F016F05436
nur Informationsartikel
Nie mehr lieferbar
keine Alternativen
Pos.
810
BOSCH Torx-Zylinderschraube | Ersatzteile für AdvancedAquatak 140 | F016F04810
Hersteller: BOSCH
Artikelnummer: EB-3600HA7D70-F016F04810
nur Informationsartikel
Nie mehr lieferbar
keine Alternativen
Pos.
811
BOSCH Frontverkleidung | Ersatzteile für AdvancedAquatak 140 | F016F05357
Hersteller: BOSCH
Artikelnummer: EB-3600HA7D70-F016F05357
nur Informationsartikel
Nie mehr lieferbar
keine Alternativen
Pos.
812
BOSCH Frontverkleidung | Ersatzteile für AdvancedAquatak 140 | F016F04616
Hersteller: BOSCH
Artikelnummer: EB-3600HA7D70-F016F04616
Netto: 8,23 € zzgl. MwSt.
zzgl. 6,90 € Versand (brutto)
einmalig pro Bestellung

Lieferzeit: 5 Werktage

Pos.
813
BOSCH Frontverkleidung | Ersatzteile für AdvancedAquatak 140 | F016F04617
Hersteller: BOSCH
Artikelnummer: EB-3600HA7D70-F016F04617
Netto: 8,23 € zzgl. MwSt.
zzgl. 6,90 € Versand (brutto)
einmalig pro Bestellung

Lieferzeit: 5 Werktage

Pos.
814
BOSCH Frontverkleidung | Ersatzteile für AdvancedAquatak 140 | F016F05358
Hersteller: BOSCH
Artikelnummer: EB-3600HA7D70-F016F05358
nur Informationsartikel
Nie mehr lieferbar
keine Alternativen
Pos.
820
BOSCH Abdeckung | Ersatzteile für AdvancedAquatak 140 | F016F04623
Hersteller: BOSCH
Artikelnummer: EB-3600HA7D70-F016F04623
nur Informationsartikel
Nie mehr lieferbar
keine Alternativen
Pos.
821
BOSCH Abdeckung | Ersatzteile für AdvancedAquatak 140 | F016F05359
Hersteller: BOSCH
Artikelnummer: EB-3600HA7D70-F016F05359
Netto: 16,70 € zzgl. MwSt.
zzgl. 6,90 € Versand (brutto)
einmalig pro Bestellung

Lieferzeit: 5 Werktage

Pos.
833
BOSCH Handgriff | Ersatzteile für AdvancedAquatak 140 | F016F05104
Hersteller: BOSCH
Artikelnummer: EB-3600HA7D70-F016F05104
Netto: 26,41 € zzgl. MwSt.
zzgl. 6,90 € Versand (brutto)
einmalig pro Bestellung

Lieferzeit: 5 Werktage

Pos.
835
BOSCH Handgriff-Set | Ersatzteile für AdvancedAquatak 140 | F016F04649
Hersteller: BOSCH
Artikelnummer: EB-3600HA7D70-F016F04649
Netto: 12,50 € zzgl. MwSt.
zzgl. 6,90 € Versand (brutto)
einmalig pro Bestellung

Lieferzeit: 5 Werktage

Pos.
836
BOSCH Schlauchtrommel | Ersatzteile für AdvancedAquatak 140 | F016F04666
Hersteller: BOSCH
Artikelnummer: EB-3600HA7D70-F016F04666
nur Informationsartikel
Nie mehr lieferbar
keine Alternativen
Pos.
843
BOSCH O-Ring | Ersatzteile für AdvancedAquatak 140 | F016F05402
Hersteller: BOSCH
Artikelnummer: EB-3600HA7D70-F016F05402
nur Informationsartikel
Nie mehr lieferbar
keine Alternativen
Pos.
844
BOSCH O-Ringsatz | Ersatzteile für AdvancedAquatak 140 | F016F05403
Hersteller: BOSCH
Artikelnummer: EB-3600HA7D70-F016F05403
nur Informationsartikel
Nie mehr lieferbar
keine Alternativen
Pos.
847
BOSCH Taumelscheibe | Ersatzteile für AdvancedAquatak 140 | F016F05046
Hersteller: BOSCH
Artikelnummer: EB-3600HA7D70-F016F05046
nur Informationsartikel
Nie mehr lieferbar
keine Alternativen
Pos.
849
BOSCH Hochdruckschlauch 0,4m | Ersatzteile für AdvancedAquatak 140 | F016F05360
Hersteller: BOSCH
Artikelnummer: EB-3600HA7D70-F016F05360
nur Informationsartikel
Nie mehr lieferbar
keine Alternativen
Pos.
850
BOSCH O-Ring | Ersatzteile für AdvancedAquatak 140 | F016F04459
Hersteller: BOSCH
Artikelnummer: EB-3600HA7D70-F016F04459
Netto: 7,66 € zzgl. MwSt.
zzgl. 6,90 € Versand (brutto)
einmalig pro Bestellung

Lieferzeit: 5 Werktage

Pos.
851
BOSCH Pumpenkopf | Ersatzteile für AdvancedAquatak 140 | F016F04643
Hersteller: BOSCH
Artikelnummer: EB-3600HA7D70-F016F04643
Netto: 23,72 € zzgl. MwSt.
zzgl. 6,90 € Versand (brutto)
einmalig pro Bestellung

Lieferzeit: 5 Werktage

Pos.
852
BOSCH Kolbenführung | Ersatzteile für AdvancedAquatak 140 | F016F04642
Hersteller: BOSCH
Artikelnummer: EB-3600HA7D70-F016F04642
Netto: 18,86 € zzgl. MwSt.
zzgl. 6,90 € Versand (brutto)
einmalig pro Bestellung

Lieferzeit: 5 Werktage

Pos.
853
BOSCH Pumpeneinheit | Ersatzteile für AdvancedAquatak 140 | F016F04440
Hersteller: BOSCH
Artikelnummer: EB-3600HA7D70-F016F04440
Netto: 12,50 € zzgl. MwSt.
zzgl. 6,90 € Versand (brutto)
einmalig pro Bestellung

Lieferzeit: 5 Werktage

Pos.
856
BOSCH Rückschlagventil | Ersatzteile für AdvancedAquatak 140 | F016F04460
Hersteller: BOSCH
Artikelnummer: EB-3600HA7D70-F016F04460
Netto: 7,26 € zzgl. MwSt.
zzgl. 6,90 € Versand (brutto)
einmalig pro Bestellung

Lieferzeit: 5 Werktage

Pos.
858
BOSCH Pumpenanbau | Ersatzteile für AdvancedAquatak 140 | F016F04627
Hersteller: BOSCH
Artikelnummer: EB-3600HA7D70-F016F04627
Netto: 7,58 € zzgl. MwSt.
zzgl. 6,90 € Versand (brutto)
einmalig pro Bestellung

Lieferzeit: 5 Werktage

Pos.
859
BOSCH Steckkupplung | Ersatzteile für AdvancedAquatak 140 | F016F04651
Hersteller: BOSCH
Artikelnummer: EB-3600HA7D70-F016F04651
Netto: 82,83 € zzgl. MwSt.
zzgl. 6,90 € Versand (brutto)
einmalig pro Bestellung

Lieferzeit: 5 Werktage

Pos.
860
BOSCH Motordeckel | Ersatzteile für AdvancedAquatak 140 | F016F04652
Hersteller: BOSCH
Artikelnummer: EB-3600HA7D70-F016F04652
Netto: 10,47 € zzgl. MwSt.
zzgl. 6,90 € Versand (brutto)
einmalig pro Bestellung

Lieferzeit: 5 Werktage

Pos.
861
BOSCH Schaltkasten | Ersatzteile für AdvancedAquatak 140 | F016F04636
Hersteller: BOSCH
Artikelnummer: EB-3600HA7D70-F016F04636
Netto: 46,22 € zzgl. MwSt.
zzgl. 6,90 € Versand (brutto)
einmalig pro Bestellung

Lieferzeit: 5 Werktage

Pos.
862
BOSCH Netzanschlussleitung UK | Ersatzteile für AdvancedAquatak 140 | F016F04637
Hersteller: BOSCH
Artikelnummer: EB-3600HA7D70-F016F04637
nur Informationsartikel
Nie mehr lieferbar
keine Alternativen
Pos.
863
BOSCH Schalterbetaetiger | Ersatzteile für AdvancedAquatak 140 | F016F04613
Hersteller: BOSCH
Artikelnummer: EB-3600HA7D70-F016F04613
Netto: 23,72 € zzgl. MwSt.
zzgl. 6,90 € Versand (brutto)
einmalig pro Bestellung

Lieferzeit: 5 Werktage

Pos.
864
BOSCH Clip | Ersatzteile für AdvancedAquatak 140 | F016L73871
Hersteller: BOSCH
Artikelnummer: EB-3600HA7D70-F016F05501
Netto: 10,47 € zzgl. MwSt.
zzgl. 6,90 € Versand (brutto)
einmalig pro Bestellung

Lieferzeit: 5 Werktage

Pos.
865
BOSCH Kondensator | Ersatzteile für AdvancedAquatak 140 | F016F05184
Hersteller: BOSCH
Artikelnummer: EB-3600HA7D70-F016F05184
nur Informationsartikel
Nie mehr lieferbar
keine Alternativen
Pos.
866
BOSCH Lagersatz | Ersatzteile für AdvancedAquatak 140 | F016F04646
Hersteller: BOSCH
Artikelnummer: EB-3600HA7D70-F016F04646
Netto: 9,75 € zzgl. MwSt.
zzgl. 6,90 € Versand (brutto)
einmalig pro Bestellung

Lieferzeit: 5 Werktage

Pos.
870
BOSCH Dichtungssatz | Ersatzteile für AdvancedAquatak 140 | F016F04458
Hersteller: BOSCH
Artikelnummer: EB-3600HA7D70-F016F04458
Netto: 7,26 € zzgl. MwSt.
zzgl. 6,90 € Versand (brutto)
einmalig pro Bestellung

Lieferzeit: 5 Werktage

Pos.
871
BOSCH Auslöser | Ersatzteile für AdvancedAquatak 140 | F016F06271
Hersteller: BOSCH
Artikelnummer: EB-3600HA7D70-F016F05512
Netto: 35,13 € zzgl. MwSt.
zzgl. 6,90 € Versand (brutto)
einmalig pro Bestellung

Lieferzeit: 5 Werktage

Pos.
872
BOSCH Lanze | Ersatzteile für AdvancedAquatak 140 | F016F05281
Hersteller: BOSCH
Artikelnummer: EB-3600HA7D70-F016F05281
Netto: 10,62 € zzgl. MwSt.
zzgl. 6,90 € Versand (brutto)
einmalig pro Bestellung

Lieferzeit: 5 Werktage

Pos.
874
BOSCH Breitstrahldüse WEISS | Ersatzteile für AdvancedAquatak 140 | F016F05361
Hersteller: BOSCH
Artikelnummer: EB-3600HA7D70-F016F05361
Netto: 8,23 € zzgl. MwSt.
zzgl. 6,90 € Versand (brutto)
einmalig pro Bestellung

Lieferzeit: 5 Werktage

Pos.
875
BOSCH Düse WEISS | Ersatzteile für AdvancedAquatak 140 | F016F05362
Hersteller: BOSCH
Artikelnummer: EB-3600HA7D70-F016F05362
Netto: 12,50 € zzgl. MwSt.
zzgl. 6,90 € Versand (brutto)
einmalig pro Bestellung

Lieferzeit: 5 Werktage

Pos.
879
BOSCH Flasche | Ersatzteile für AdvancedAquatak 140 | F016F05279
Hersteller: BOSCH
Artikelnummer: EB-3600HA7D70-F016F05279
nur Informationsartikel
Nie mehr lieferbar
keine Alternativen
Pos.
880
BOSCH Düse Durchmesser 1,10 WEISS | Ersatzteile für AdvancedAquatak 140 | F016F05560
Hersteller: BOSCH
Artikelnummer: EB-3600HA7D70-F016F05560
Netto: 9,75 € zzgl. MwSt.
zzgl. 6,90 € Versand (brutto)
einmalig pro Bestellung

Lieferzeit: 5 Werktage

Pos.
882
BOSCH Wasserfilter | Ersatzteile für AdvAquatak 140 | F016F05855
Hersteller: BOSCH
Artikelnummer: EB-3600HA7D70-F016F05855
Netto: 8,23 € zzgl. MwSt.
zzgl. 6,90 € Versand (brutto)
einmalig pro Bestellung

Lieferzeit: 5 Werktage

Pos.
883
BOSCH Hochdruckschlauch 8m | Ersatzteile für AdvancedAquatak 140 | F016F04667
Hersteller: BOSCH
Artikelnummer: EB-3600HA7D70-F016F04667
nur Informationsartikel
Nie mehr lieferbar
keine Alternativen
Pos.
888
BOSCH Wasserfilter | Ersatzteile für AdvAquatak 140 | F016F05661
Hersteller: BOSCH
Artikelnummer: EB-3600HA7D70-F016F05661
Netto: 3,94 € zzgl. MwSt.
zzgl. 6,90 € Versand (brutto)
einmalig pro Bestellung

Lieferzeit: 5 Werktage

Pos.
889
BOSCH Wasserfilter | Ersatzteile für AdvAquatak 140 | F016F06182
Hersteller: BOSCH
Artikelnummer: EB-3600HA7D70-F016F06182
Netto: 4,56 € zzgl. MwSt.
zzgl. 6,90 € Versand (brutto)
einmalig pro Bestellung

Lieferzeit: 5 Werktage

Angaben zur Produktsicherheit

Hersteller:
Robert Bosch Power Tools GmbH
Postfach 30 02 20
70442 Stuttgart

E-Mail:
kontakt@bosch.de