BOSCH Lagerbuchse | Ersatzteile für AdvancedRotak 780 | F016L90064

Artikelnummer: EB-3600HB9373-F016L90064

Position: 75/1/2

Marke: BOSCH


Bitte Kompatibilität prüfen!

Bitte prüfen Sie unbedingt die 10-stellige Typennummer Ihrer Maschine / Ihres Gerätes. Das Ersatzteil ist nur kompatibel, wenn Sie die Typennummer Ihrer Maschine in der unten stehenden Produktbeschreibung finden.

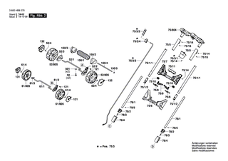
Bitte prüfen Sie ebenfalls detailliert die Explosionszeichnung mit Ihrem Artikelwunsch und der jeweiligen Pos-Nummer.

Alle Elemente, welche vom schwarzen Strich der Pos-Nummer ausgehend berührt / erfasst werden, gehören zu dieser Pos-Nummer und somit zu diesem Artikel. Jede Pos-Nummer ist ein eigenständiger Artikel, welchen Sie in der Auflistung finden.

Sie erhalten stets die aktuellste, neueste Produktversion zu der gewählten Pos-Nummer seitens des Herstellers. Es kann daher je nach Gerätealter vorkommen, dass Sie ggf. weitere, zugehörige Elemente, welche an diese Pos-Nummer grenzen, ebenfalls mittauschen müssen.

Nähere Informationen finden Sie unter dem Link
Hinweise zu Ihrer BOSCH Ersatzteilsuche

Preisübersicht

Einzelpreis: 3,94 €* (Brutto: 4,69 €)
Gesamtpreis: 3,94 €* 
Position:

Lieferzeit: 5 Werktage


Beschreibung

  • Lagerbuchse
  • Original Bosch Zubehör / BOSCH Ersatzteil (F016L90064)
  • im Gerät verbaut: 1
Dieses BOSCH Ersatzteil ist mit folgendem Gerät und Modell kompatibel:
  • BOSCH Gerätename: AdvancedRotak 780
  • BOSCH Explosionszeichnung: Position 75/1/2
  • BOSCH Typennummer: 3600HB9373
  • BOSCH Typennummer alternative Schreibweisen: 3 600 HB9 373, 3600 HB9 373, 3.600.HB9.373, 3-600-HB9-373
    Bitte prüfen Sie diese Typennummer auf Ihrem Gerät um die Kompatibilität des BOSCH Ersatzteils zu gewährleisten.
Weitere BOSCH Ersatzteile des Gerätes AdvancedRotak 780 (Rasenmäher) mit der Typennummer 3600HB9373 finden Sie in der nachfolgenden Darstellung und im Dropdown zu Ihrer Auswahl:

Pos.
1
BOSCH Elektromotor | Ersatzteile für AdvancedRotak 780 | F016L90455
Hersteller: BOSCH
Artikelnummer: EB-3600HB9373-F016L90455
Netto: 86,83 € zzgl. MwSt.
zzgl. 6,90 € Versand (brutto)
einmalig pro Bestellung

Lieferzeit: 5 Werktage

Pos.
1/17
BOSCH Antriebswelle | Ersatzteile für AdvancedRotak 780 | F016L65108
Hersteller: BOSCH
Artikelnummer: EB-3600HB9373-F016L65108
Netto: 11,92 € zzgl. MwSt.
zzgl. 6,90 € Versand (brutto)
einmalig pro Bestellung

Lieferzeit: 5 Werktage

Pos.
1/20
BOSCH Lager | Ersatzteile für AdvancedRotak 780 | F016L64594
Hersteller: BOSCH
Artikelnummer: EB-3600HB9373-F016L64594
Netto: 4,82 € zzgl. MwSt.
zzgl. 6,90 € Versand (brutto)
einmalig pro Bestellung

Lieferzeit: 5 Werktage

Pos.
1/21
BOSCH Antriebsriemen | Ersatzteile für AdvancedRotak 780 | F016L65109
Hersteller: BOSCH
Artikelnummer: EB-3600HB9373-F016L65109
Netto: 10,92 € zzgl. MwSt.
zzgl. 6,90 € Versand (brutto)
einmalig pro Bestellung

Lieferzeit: 5 Werktage

Pos.
150/1
BOSCH Rolle | Ersatzteile für AdvancedRotak 780 | F016L90413
Hersteller: BOSCH
Artikelnummer: EB-3600HB9373-F016L90413
Netto: 6,70 € zzgl. MwSt.
zzgl. 6,90 € Versand (brutto)
einmalig pro Bestellung

Lieferzeit: 5 Werktage

Pos.
150/2
BOSCH Rollenträger | Ersatzteile für AdvancedRotak 780 | F016L90414
Hersteller: BOSCH
Artikelnummer: EB-3600HB9373-F016L90414
Netto: 4,32 € zzgl. MwSt.
zzgl. 6,90 € Versand (brutto)
einmalig pro Bestellung

Lieferzeit: 5 Werktage

Pos.
150/3
BOSCH Rollenträger | Ersatzteile für AdvancedRotak 780 | F016L90415
Hersteller: BOSCH
Artikelnummer: EB-3600HB9373-F016L90415
Netto: 4,32 € zzgl. MwSt.
zzgl. 6,90 € Versand (brutto)
einmalig pro Bestellung

Lieferzeit: 5 Werktage

Pos.
150/4
BOSCH Spindel | Ersatzteile für AdvancedRotak 780 | F016L90025
Hersteller: BOSCH
Artikelnummer: EB-3600HB9373-F016L90025
Netto: 4,32 € zzgl. MwSt.
zzgl. 6,90 € Versand (brutto)
einmalig pro Bestellung

Lieferzeit: 5 Werktage

Pos.
150/5
BOSCH Sicherungskappe Ø8 MM SCHWARZ | Ersatzteile für AdvancedRotak 780 | F016T48990
Hersteller: BOSCH
Artikelnummer: EB-3600HB9373-F016T48990
Netto: 3,63 € zzgl. MwSt.
zzgl. 6,90 € Versand (brutto)
einmalig pro Bestellung

Lieferzeit: 5 Werktage

Pos.
41/2
BOSCH Lager 6003 | Ersatzteile für AdvancedRotak 780 | F016L64387
Hersteller: BOSCH
Artikelnummer: EB-3600HB9373-F016L64387
Netto: 6,15 € zzgl. MwSt.
zzgl. 6,90 € Versand (brutto)
einmalig pro Bestellung

Lieferzeit: 5 Werktage

Pos.
43/1
BOSCH Motorhaube | Ersatzteile für AdvancedRotak 780 | F016L90017
Hersteller: BOSCH
Artikelnummer: EB-3600HB9373-F016L90017
Netto: 15,75 € zzgl. MwSt.
zzgl. 6,90 € Versand (brutto)
einmalig pro Bestellung

Lieferzeit: 5 Werktage

Pos.
43/10
BOSCH Ziergitter | Ersatzteile für AdvancedRotak 780 | F016L90400
Hersteller: BOSCH
Artikelnummer: EB-3600HB9373-F016L90400
Netto: 8,33 € zzgl. MwSt.
zzgl. 6,90 € Versand (brutto)
einmalig pro Bestellung

Lieferzeit: 5 Werktage

Pos.
43/11
BOSCH Klebeschild logo l | Ersatzteile für AdvancedRotak 780 | F016L90076
Hersteller: BOSCH
Artikelnummer: EB-3600HB9373-F016L90076
Netto: 4,53 € zzgl. MwSt.
zzgl. 6,90 € Versand (brutto)
einmalig pro Bestellung

Lieferzeit: 5 Werktage

Pos.
43/11
BOSCH Klebeschild POWERDRIVE L | Ersatzteile für AdvancedRotak 780 | 160111C3G3
Hersteller: BOSCH
Artikelnummer: EB-3600HB9373-160111C3G3
Netto: 4,53 € zzgl. MwSt.
zzgl. 6,90 € Versand (brutto)
einmalig pro Bestellung

Lieferzeit: 5 Werktage

Pos.
43/12
BOSCH Klebeschild logo r | Ersatzteile für AdvancedRotak 780 | F016L90077
Hersteller: BOSCH
Artikelnummer: EB-3600HB9373-F016L90077
Netto: 4,53 € zzgl. MwSt.
zzgl. 6,90 € Versand (brutto)
einmalig pro Bestellung

Lieferzeit: 5 Werktage

Pos.
43/12
BOSCH Klebeschild POWERDRIVE R | Ersatzteile für AdvancedRotak 780 | 160111C3G4
Hersteller: BOSCH
Artikelnummer: EB-3600HB9373-160111C3G4
Netto: 4,53 € zzgl. MwSt.
zzgl. 6,90 € Versand (brutto)
einmalig pro Bestellung

Lieferzeit: 5 Werktage

Pos.
43/2
BOSCH Traggriff | Ersatzteile für AdvancedRotak 780 | F016L90018
Hersteller: BOSCH
Artikelnummer: EB-3600HB9373-F016L90018
Netto: 3,94 € zzgl. MwSt.
zzgl. 6,90 € Versand (brutto)
einmalig pro Bestellung

Lieferzeit: 5 Werktage

Pos.
43/3
BOSCH Abdeckung | Ersatzteile für AdvancedRotak 780 | F016L90081
Hersteller: BOSCH
Artikelnummer: EB-3600HB9373-F016L90081
Netto: 3,63 € zzgl. MwSt.
zzgl. 6,90 € Versand (brutto)
einmalig pro Bestellung

Lieferzeit: 5 Werktage

Pos.
43/4
BOSCH Klarsichtdeckel | Ersatzteile für AdvancedRotak 780 | F016L90432
Hersteller: BOSCH
Artikelnummer: EB-3600HB9373-F016L90432
Netto: 3,94 € zzgl. MwSt.
zzgl. 6,90 € Versand (brutto)
einmalig pro Bestellung

Lieferzeit: 5 Werktage

Pos.
43/5
BOSCH Anzeigegerät | Ersatzteile für AdvancedRotak 780 | F016L90433
Hersteller: BOSCH
Artikelnummer: EB-3600HB9373-F016L90433
Netto: 5,19 € zzgl. MwSt.
zzgl. 6,90 € Versand (brutto)
einmalig pro Bestellung

Lieferzeit: 5 Werktage

Pos.
43/6
BOSCH Taste | Ersatzteile für AdvancedRotak 780 | 1600A02DY2
Hersteller: BOSCH
Artikelnummer: EB-3600HB9373-1600A02DY2
Netto: 3,94 € zzgl. MwSt.
zzgl. 6,90 € Versand (brutto)
einmalig pro Bestellung

Lieferzeit: 5 Werktage

Pos.
43/7
BOSCH Knopffeder | Ersatzteile für AdvancedRotak 780 | F016L91168
Hersteller: BOSCH
Artikelnummer: EB-3600HB9373-F016L91168
Netto: 3,63 € zzgl. MwSt.
zzgl. 6,90 € Versand (brutto)
einmalig pro Bestellung

Lieferzeit: 5 Werktage

Pos.
43/8
BOSCH Schutzlappen | Ersatzteile für AdvancedRotak 780 | F016L90022
Hersteller: BOSCH
Artikelnummer: EB-3600HB9373-F016L90022
Netto: 7,76 € zzgl. MwSt.
zzgl. 6,90 € Versand (brutto)
einmalig pro Bestellung

Lieferzeit: 5 Werktage

Pos.
43/9
BOSCH Feder | Ersatzteile für AdvancedRotak 780 | F016L66165
Hersteller: BOSCH
Artikelnummer: EB-3600HB9373-F016L66165
nur Informationsartikel
Nie mehr lieferbar
keine Alternativen
Pos.
52/1
BOSCH Achse | Ersatzteile für AdvancedRotak 780 | F016L90007
Hersteller: BOSCH
Artikelnummer: EB-3600HB9373-F016L90007
Netto: 6,15 € zzgl. MwSt.
zzgl. 6,90 € Versand (brutto)
einmalig pro Bestellung

Lieferzeit: 5 Werktage

Pos.
52/2
BOSCH Gelenkhälfte | Ersatzteile für AdvancedRotak 780 | F016L90033
Hersteller: BOSCH
Artikelnummer: EB-3600HB9373-F016L90033
Netto: 3,94 € zzgl. MwSt.
zzgl. 6,90 € Versand (brutto)
einmalig pro Bestellung

Lieferzeit: 5 Werktage

Pos.
52/3
BOSCH Gelenkhälfte | Ersatzteile für AdvancedRotak 780 | F016L90037
Hersteller: BOSCH
Artikelnummer: EB-3600HB9373-F016L90037
Netto: 3,94 € zzgl. MwSt.
zzgl. 6,90 € Versand (brutto)
einmalig pro Bestellung

Lieferzeit: 5 Werktage

Pos.
52/805
BOSCH Rad | Ersatzteile für AdvancedRotak 780 | F016104422
Hersteller: BOSCH
Artikelnummer: EB-3600HB9373-F016104422
Netto: 8,33 € zzgl. MwSt.
zzgl. 6,90 € Versand (brutto)
einmalig pro Bestellung

Lieferzeit: 63 Werktage

Pos.
61/1
BOSCH Achse 42/46 | Ersatzteile für AdvancedRotak 780 | F016L90006
Hersteller: BOSCH
Artikelnummer: EB-3600HB9373-F016L90006
Netto: 6,15 € zzgl. MwSt.
zzgl. 6,90 € Versand (brutto)
einmalig pro Bestellung

Lieferzeit: 5 Werktage

Pos.
61/2
BOSCH Gelenkhälfte | Ersatzteile für AdvancedRotak 780 | F016L90032
Hersteller: BOSCH
Artikelnummer: EB-3600HB9373-F016L90032
Netto: 3,94 € zzgl. MwSt.
zzgl. 6,90 € Versand (brutto)
einmalig pro Bestellung

Lieferzeit: 5 Werktage

Pos.
61/3
BOSCH Distanzstück | Ersatzteile für AdvancedRotak 780 | F016L90036
Hersteller: BOSCH
Artikelnummer: EB-3600HB9373-F016L90036
Netto: 3,63 € zzgl. MwSt.
zzgl. 6,90 € Versand (brutto)
einmalig pro Bestellung

Lieferzeit: 5 Werktage

Pos.
61/4
BOSCH Rastkappe | Ersatzteile für AdvancedRotak 780 | F016L68095
Hersteller: BOSCH
Artikelnummer: EB-3600HB9373-F016L68095
Netto: 3,94 € zzgl. MwSt.
zzgl. 6,90 € Versand (brutto)
einmalig pro Bestellung

Lieferzeit: 5 Werktage

Pos.
BOSCH Rad | Ersatzteile für AdvancedRotak 780 | F016104421
Hersteller: BOSCH
Artikelnummer:
Netto: 9,18 € zzgl. MwSt.
zzgl. 6,90 € Versand (brutto)
einmalig pro Bestellung

Lieferzeit: 63 Werktage

Pos.
75/1/1
BOSCH Handgriff | Ersatzteile für AdvancedRotak 780 | F016L90012
Hersteller: BOSCH
Artikelnummer: EB-3600HB9373-F016L90012
Netto: 14,36 € zzgl. MwSt.
zzgl. 6,90 € Versand (brutto)
einmalig pro Bestellung

Lieferzeit: 5 Werktage

Pos.
75/1/2
BOSCH Lagerbuchse | Ersatzteile für AdvancedRotak 780 | F016L90064
Hersteller: BOSCH
Artikelnummer: EB-3600HB9373-F016L90064
Netto: 3,94 € zzgl. MwSt.
zzgl. 6,90 € Versand (brutto)
einmalig pro Bestellung

Lieferzeit: 5 Werktage

Pos.
75/10
BOSCH Druckfeder | Ersatzteile für AdvancedRotak 780 | F016L90074
Hersteller: BOSCH
Artikelnummer: EB-3600HB9373-F016L90074
Netto: 3,63 € zzgl. MwSt.
zzgl. 6,90 € Versand (brutto)
einmalig pro Bestellung

Lieferzeit: 5 Werktage

Pos.
75/11
BOSCH Taste | Ersatzteile für AdvancedRotak 780 | F016L90065
Hersteller: BOSCH
Artikelnummer: EB-3600HB9373-F016L90065
Netto: 4,82 € zzgl. MwSt.
zzgl. 6,90 € Versand (brutto)
einmalig pro Bestellung

Lieferzeit: 5 Werktage

Pos.
75/14
BOSCH Schraube M5x8 Csk Hd. | Ersatzteile für AdvancedRotak 780 | F016L36542
Hersteller: BOSCH
Artikelnummer: EB-3600HB9373-F016L36542
Netto: 4,53 € zzgl. MwSt.
zzgl. 6,90 € Versand (brutto)
einmalig pro Bestellung

Lieferzeit: 5 Werktage

Pos.
75/3
BOSCH Verdrahtungseinheit | Ersatzteile für AdvancedRotak 780 | F016L90703
Hersteller: BOSCH
Artikelnummer: EB-3600HB9373-F016L90703
Netto: 24,13 € zzgl. MwSt.
zzgl. 6,90 € Versand (brutto)
einmalig pro Bestellung

Lieferzeit: 5 Werktage

Pos.
75/3/1
BOSCH Schaltergehäuse | Ersatzteile für AdvancedRotak 780 | F016L67217
Hersteller: BOSCH
Artikelnummer: EB-3600HB9373-F016L67217
nur Informationsartikel
Nie mehr lieferbar
keine Alternativen
Pos.
75/3/2
BOSCH Reihenklemme | Ersatzteile für AdvancedRotak 780 | F016L90781
Hersteller: BOSCH
Artikelnummer: EB-3600HB9373-F016L90781
Netto: 11,92 € zzgl. MwSt.
zzgl. 6,90 € Versand (brutto)
einmalig pro Bestellung

Lieferzeit: 5 Werktage

Pos.
75/3/3
BOSCH Verbindungkabel | Ersatzteile für AdvancedRotak 780 | F016L90709
Hersteller: BOSCH
Artikelnummer: EB-3600HB9373-F016L90709
Netto: 15,75 € zzgl. MwSt.
zzgl. 6,90 € Versand (brutto)
einmalig pro Bestellung

Lieferzeit: 5 Werktage

Pos.
75/3/4
BOSCH Ein/Aus-Schalter | Ersatzteile für AdvancedRotak 780 | F016L67490
Hersteller: BOSCH
Artikelnummer: EB-3600HB9373-F016L67490
nur Informationsartikel
Nie mehr lieferbar
keine Alternativen
Pos.
75/5
BOSCH Hülse | Ersatzteile für AdvancedRotak 780 | F016L90070
Hersteller: BOSCH
Artikelnummer: EB-3600HB9373-F016L90070
Netto: 4,32 € zzgl. MwSt.
zzgl. 6,90 € Versand (brutto)
einmalig pro Bestellung

Lieferzeit: 5 Werktage

Pos.
75/6
BOSCH Handgriff | Ersatzteile für AdvancedRotak 780 | F016L90066
Hersteller: BOSCH
Artikelnummer: EB-3600HB9373-F016L90066
Netto: 6,15 € zzgl. MwSt.
zzgl. 6,90 € Versand (brutto)
einmalig pro Bestellung

Lieferzeit: 5 Werktage

Pos.
75/7
BOSCH Handgriff | Ersatzteile für AdvancedRotak 780 | F016L90067
Hersteller: BOSCH
Artikelnummer: EB-3600HB9373-F016L90067
Netto: 6,70 € zzgl. MwSt.
zzgl. 6,90 € Versand (brutto)
einmalig pro Bestellung

Lieferzeit: 5 Werktage

Pos.
75/8
BOSCH Verschlussstift | Ersatzteile für AdvancedRotak 780 | F016L90068
Hersteller: BOSCH
Artikelnummer: EB-3600HB9373-F016L90068
Netto: 3,94 € zzgl. MwSt.
zzgl. 6,90 € Versand (brutto)
einmalig pro Bestellung

Lieferzeit: 5 Werktage

Pos.
75/804
BOSCH Schaltbaustein | Ersatzteile für AdvancedRotak 780 | F016105287
Hersteller: BOSCH
Artikelnummer: EB-3600HB9373-F016105287
Netto: 19,23 € zzgl. MwSt.
zzgl. 6,90 € Versand (brutto)
einmalig pro Bestellung

Lieferzeit: 5 Werktage

Pos.
75/9
BOSCH Hebel | Ersatzteile für AdvancedRotak 780 | F016L90543
Hersteller: BOSCH
Artikelnummer: EB-3600HB9373-F016L90543
Netto: 3,63 € zzgl. MwSt.
zzgl. 6,90 € Versand (brutto)
einmalig pro Bestellung

Lieferzeit: 5 Werktage

Pos.
78/1
BOSCH Untergriff | Ersatzteile für AdvancedRotak 780 | F016L90013
Hersteller: BOSCH
Artikelnummer: EB-3600HB9373-F016L90013
Netto: 10,92 € zzgl. MwSt.
zzgl. 6,90 € Versand (brutto)
einmalig pro Bestellung

Lieferzeit: 5 Werktage

Pos.
78/2
BOSCH Abdrückvorrichtung | Ersatzteile für AdvancedRotak 780 | F016L90063
Hersteller: BOSCH
Artikelnummer: EB-3600HB9373-F016L90063
Netto: 3,94 € zzgl. MwSt.
zzgl. 6,90 € Versand (brutto)
einmalig pro Bestellung

Lieferzeit: 5 Werktage

Pos.
78/3
BOSCH Druckfeder | Ersatzteile für AdvancedRotak 780 | F016L90841
Hersteller: BOSCH
Artikelnummer: EB-3600HB9373-F016L90841
Netto: 3,63 € zzgl. MwSt.
zzgl. 6,90 € Versand (brutto)
einmalig pro Bestellung

Lieferzeit: 5 Werktage

Pos.
78/4
BOSCH Abdrückvorrichtung | Ersatzteile für AdvancedRotak 780 | F016L90062
Hersteller: BOSCH
Artikelnummer: EB-3600HB9373-F016L90062
Netto: 4,53 € zzgl. MwSt.
zzgl. 6,90 € Versand (brutto)
einmalig pro Bestellung

Lieferzeit: 5 Werktage

Pos.
78/6
BOSCH Haltearm | Ersatzteile für AdvancedRotak 780 | F016L90082
Hersteller: BOSCH
Artikelnummer: EB-3600HB9373-F016L90082
Netto: 6,70 € zzgl. MwSt.
zzgl. 6,90 € Versand (brutto)
einmalig pro Bestellung

Lieferzeit: 5 Werktage

Pos.
78/7
BOSCH Gelenkbolzen | Ersatzteile für AdvancedRotak 780 | F016L90014
Hersteller: BOSCH
Artikelnummer: EB-3600HB9373-F016L90014
Netto: 3,63 € zzgl. MwSt.
zzgl. 6,90 € Versand (brutto)
einmalig pro Bestellung

Lieferzeit: 5 Werktage

Pos.
BOSCH Steckerstift | Ersatzteile für AdvancedRotak 780 | F016L91107
Hersteller: BOSCH
Artikelnummer:
Netto: 4,82 € zzgl. MwSt.
zzgl. 6,90 € Versand (brutto)
einmalig pro Bestellung

Lieferzeit: 5 Werktage

Pos.
BOSCH Buchseneinsatz | Ersatzteile für AdvancedRotak 780 | F016L91108
Hersteller: BOSCH
Artikelnummer:
Netto: 4,82 € zzgl. MwSt.
zzgl. 6,90 € Versand (brutto)
einmalig pro Bestellung

Lieferzeit: 5 Werktage

Pos.
883/1/2
BOSCH Handgriff | Ersatzteile für AdvancedRotak 780 | F016L90040
Hersteller: BOSCH
Artikelnummer: EB-3600HB9373-F016L90040
Netto: 3,94 € zzgl. MwSt.
zzgl. 6,90 € Versand (brutto)
einmalig pro Bestellung

Lieferzeit: 5 Werktage

Pos.
883/1/3
BOSCH Abdeckung | Ersatzteile für AdvancedRotak 780 | F016L90557
Hersteller: BOSCH
Artikelnummer: EB-3600HB9373-F016L90557
Netto: 4,32 € zzgl. MwSt.
zzgl. 6,90 € Versand (brutto)
einmalig pro Bestellung

Lieferzeit: 5 Werktage

Pos.
883/1/4
BOSCH Lagerplatte | Ersatzteile für AdvancedRotak 780 | F016L90558
Hersteller: BOSCH
Artikelnummer: EB-3600HB9373-F016L90558
Netto: 3,63 € zzgl. MwSt.
zzgl. 6,90 € Versand (brutto)
einmalig pro Bestellung

Lieferzeit: 5 Werktage

Pos.
32
BOSCH Gewindeschneidschraube | Ersatzteile für AdvancedRotak 780 | F016L37433
Hersteller: BOSCH
Artikelnummer: EB-3600HB9373-F016L37433
Netto: 3,63 € zzgl. MwSt.
zzgl. 6,90 € Versand (brutto)
einmalig pro Bestellung

Lieferzeit: 5 Werktage

Pos.
40
BOSCH Mähergehäuse | Ersatzteile für AdvancedRotak 780 | F016L90016
Hersteller: BOSCH
Artikelnummer: EB-3600HB9373-F016L90016
Netto: 26,88 € zzgl. MwSt.
zzgl. 6,90 € Versand (brutto)
einmalig pro Bestellung

Lieferzeit: 5 Werktage

Pos.
41
BOSCH Gerätegehäuse 46 cm | Ersatzteile für AdvancedRotak 780 | F016L90444
Hersteller: BOSCH
Artikelnummer: EB-3600HB9373-F016L90444
Netto: 52,14 € zzgl. MwSt.
zzgl. 6,90 € Versand (brutto)
einmalig pro Bestellung

Lieferzeit: 5 Werktage

Pos.
49
BOSCH Gelenkteil | Ersatzteile für AdvancedRotak 780 | F016L90028
Hersteller: BOSCH
Artikelnummer: EB-3600HB9373-F016L90028
Netto: 9,18 € zzgl. MwSt.
zzgl. 6,90 € Versand (brutto)
einmalig pro Bestellung

Lieferzeit: 5 Werktage

Pos.
55
BOSCH Mähmesser 46 cm | Ersatzteile für AdvancedRotak 780 | F016L69573
Hersteller: BOSCH
Artikelnummer: EB-3600HB9373-F016L69573
Netto: 26,88 € zzgl. MwSt.
zzgl. 6,90 € Versand (brutto)
einmalig pro Bestellung

Lieferzeit: 5 Werktage

Pos.
58
BOSCH Sicherungsscheibe 1/2" | Ersatzteile für AdvancedRotak 780 | F016L18181
Hersteller: BOSCH
Artikelnummer: EB-3600HB9373-F016L18181
Netto: 4,32 € zzgl. MwSt.
zzgl. 6,90 € Versand (brutto)
einmalig pro Bestellung

Lieferzeit: 5 Werktage

Pos.
59
BOSCH Sechskantschraube | Ersatzteile für AdvancedRotak 780 | F04N004003
Hersteller: BOSCH
Artikelnummer: EB-3600HB9373-F04N004003
Netto: 3,63 € zzgl. MwSt.
zzgl. 6,90 € Versand (brutto)
einmalig pro Bestellung

Lieferzeit: 5 Werktage

Pos.
93
BOSCH Temperaturwächter | Ersatzteile für AdvancedRotak 780 | F016L90717
Hersteller: BOSCH
Artikelnummer: EB-3600HB9373-F016L90717
Netto: 7,76 € zzgl. MwSt.
zzgl. 6,90 € Versand (brutto)
einmalig pro Bestellung

Lieferzeit: 5 Werktage

Pos.
106
BOSCH Leitungsführung | Ersatzteile für AdvancedRotak 780 | F016L90419
Hersteller: BOSCH
Artikelnummer: EB-3600HB9373-F016L90419
Netto: 5,67 € zzgl. MwSt.
zzgl. 6,90 € Versand (brutto)
einmalig pro Bestellung

Lieferzeit: 5 Werktage

Pos.
108
BOSCH Lagerdeckel | Ersatzteile für AdvancedRotak 780 | F016L67627
Hersteller: BOSCH
Artikelnummer: EB-3600HB9373-F016L67627
nur Informationsartikel
Nie mehr lieferbar
keine Alternativen
Pos.
110
BOSCH Schallwand | Ersatzteile für AdvancedRotak 780 | F016L90086
Hersteller: BOSCH
Artikelnummer: EB-3600HB9373-F016L90086
Netto: 9,18 € zzgl. MwSt.
zzgl. 6,90 € Versand (brutto)
einmalig pro Bestellung

Lieferzeit: 5 Werktage

Pos.
121
BOSCH Geräteclip | Ersatzteile für AdvancedRotak 780 | F016L91066
Hersteller: BOSCH
Artikelnummer: EB-3600HB9373-F016L91066
Netto: 3,63 € zzgl. MwSt.
zzgl. 6,90 € Versand (brutto)
einmalig pro Bestellung

Lieferzeit: 5 Werktage

Pos.
122
BOSCH Feder | Ersatzteile für AdvancedRotak 780 | F016L90072
Hersteller: BOSCH
Artikelnummer: EB-3600HB9373-F016L90072
Netto: 4,82 € zzgl. MwSt.
zzgl. 6,90 € Versand (brutto)
einmalig pro Bestellung

Lieferzeit: 5 Werktage

Pos.
130
BOSCH Frontverkleidung P2 DUNKELGRAU | Ersatzteile für AdvancedRotak 780 | F016L90876
Hersteller: BOSCH
Artikelnummer: EB-3600HB9373-F016L90876
Netto: 7,26 € zzgl. MwSt.
zzgl. 6,90 € Versand (brutto)
einmalig pro Bestellung

Lieferzeit: 5 Werktage

Pos.
131
BOSCH Abdeckung | Ersatzteile für AdvancedRotak 780 | F016L90164
Hersteller: BOSCH
Artikelnummer: EB-3600HB9373-F016L90164
Netto: 4,56 € zzgl. MwSt.
zzgl. 6,90 € Versand (brutto)
einmalig pro Bestellung

Lieferzeit: 5 Werktage

Pos.
132
BOSCH Abdeckung | Ersatzteile für AdvancedRotak 780 | F016L90168
Hersteller: BOSCH
Artikelnummer: EB-3600HB9373-F016L90168
Netto: 4,56 € zzgl. MwSt.
zzgl. 6,90 € Versand (brutto)
einmalig pro Bestellung

Lieferzeit: 5 Werktage

Pos.
140
BOSCH Ablenkplatte | Ersatzteile für AdvancedRotak 780 | F016L90830
Hersteller: BOSCH
Artikelnummer: EB-3600HB9373-F016L90830
Netto: 17,38 € zzgl. MwSt.
zzgl. 6,90 € Versand (brutto)
einmalig pro Bestellung

Lieferzeit: 5 Werktage

Pos.
160
BOSCH Abdeckung | Ersatzteile für AdvancedRotak 780 | F016L90060
Hersteller: BOSCH
Artikelnummer: EB-3600HB9373-F016L90060
Netto: 4,53 € zzgl. MwSt.
zzgl. 6,90 € Versand (brutto)
einmalig pro Bestellung

Lieferzeit: 5 Werktage

Pos.
161
BOSCH Abdeckung | Ersatzteile für AdvancedRotak 780 | F016L90061
Hersteller: BOSCH
Artikelnummer: EB-3600HB9373-F016L90061
Netto: 4,53 € zzgl. MwSt.
zzgl. 6,90 € Versand (brutto)
einmalig pro Bestellung

Lieferzeit: 5 Werktage

Pos.
163
BOSCH Torx-Linsenschraube M6x50 | Ersatzteile für AdvancedRotak 780 | 1613490011
Hersteller: BOSCH
Artikelnummer: EB-3600HB9373-1613490011
Netto: 4,32 € zzgl. MwSt.
zzgl. 6,90 € Versand (brutto)
einmalig pro Bestellung

Lieferzeit: 5 Werktage

Pos.
500
BOSCH Torx-Flanschschraube | Ersatzteile für AdvancedRotak 780 | F016L68124
Hersteller: BOSCH
Artikelnummer: EB-3600HB9373-F016L68124
Netto: 3,63 € zzgl. MwSt.
zzgl. 6,90 € Versand (brutto)
einmalig pro Bestellung

Lieferzeit: 5 Werktage

Pos.
501
BOSCH Unterlegscheibe | Ersatzteile für AdvancedRotak 780 | 8716107299
Hersteller: BOSCH
Artikelnummer: EB-3600HB9373-8716107299
Netto: 3,63 € zzgl. MwSt.
zzgl. 6,90 € Versand (brutto)
einmalig pro Bestellung

Lieferzeit: 5 Werktage

Pos.
652
BOSCH Verlaengerungskabel GB 10 Meter | Ersatzteile für AdvancedRotak 780 | F016L90697
Hersteller: BOSCH
Artikelnummer: EB-3600HB9373-F016L90697
Netto: 47,09 € zzgl. MwSt.
zzgl. 6,90 € Versand (brutto)
einmalig pro Bestellung

Lieferzeit: 5 Werktage

Pos.
883
BOSCH Fangkorb | Ersatzteile für AdvancedRotak 780 | F016105378
Hersteller: BOSCH
Artikelnummer: EB-3600HB9373-F016105378
Netto: 52,14 € zzgl. MwSt.
zzgl. 6,90 € Versand (brutto)
einmalig pro Bestellung

Lieferzeit: 5 Werktage

Pos.
898
BOSCH Drehzahlregler | Ersatzteile für AdvancedRotak 780 | F016105113
Hersteller: BOSCH
Artikelnummer: EB-3600HB9373-F016105113
Netto: 39,11 € zzgl. MwSt.
zzgl. 6,90 € Versand (brutto)
einmalig pro Bestellung

Lieferzeit: 5 Werktage

Angaben zur Produktsicherheit

Hersteller:
Robert Bosch Power Tools GmbH
Postfach 30 02 20
70442 Stuttgart

E-Mail:
kontakt@bosch.de