BOSCH Abdrückvorrichtung | Ersatzteile für AdvancedRotak36-660 | F016L90063

Artikelnummer: EB-3600HB9605-F016L90063

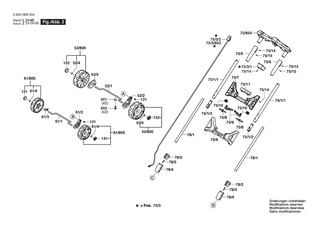
Position: 78/2

Marke: BOSCH


Bitte Kompatibilität prüfen!

Bitte prüfen Sie unbedingt die 10-stellige Typennummer Ihrer Maschine / Ihres Gerätes. Das Ersatzteil ist nur kompatibel, wenn Sie die Typennummer Ihrer Maschine in der unten stehenden Produktbeschreibung finden.

Bitte prüfen Sie ebenfalls detailliert die Explosionszeichnung mit Ihrem Artikelwunsch und der jeweiligen Pos-Nummer.

Alle Elemente, welche vom schwarzen Strich der Pos-Nummer ausgehend berührt / erfasst werden, gehören zu dieser Pos-Nummer und somit zu diesem Artikel. Jede Pos-Nummer ist ein eigenständiger Artikel, welchen Sie in der Auflistung finden.

Sie erhalten stets die aktuellste, neueste Produktversion zu der gewählten Pos-Nummer seitens des Herstellers. Es kann daher je nach Gerätealter vorkommen, dass Sie ggf. weitere, zugehörige Elemente, welche an diese Pos-Nummer grenzen, ebenfalls mittauschen müssen.

Nähere Informationen finden Sie unter dem Link
Hinweise zu Ihrer BOSCH Ersatzteilsuche

Preisübersicht

Einzelpreis: 3,94 €* (Brutto: 4,69 €)
Gesamtpreis: 3,94 €* 
Position:

Lieferzeit: 5 Werktage


Beschreibung

  • Abdrückvorrichtung
  • Original Bosch Zubehör / BOSCH Ersatzteil (F016L90063)
  • im Gerät verbaut: 1
Dieses BOSCH Ersatzteil ist mit folgendem Gerät und Modell kompatibel:
  • BOSCH Gerätename: AdvancedRotak36-660
  • BOSCH Explosionszeichnung: Position 78/2
  • BOSCH Typennummer: 3600HB9605
  • BOSCH Typennummer alternative Schreibweisen: 3 600 HB9 605, 3600 HB9 605, 3.600.HB9.605, 3-600-HB9-605
    Bitte prüfen Sie diese Typennummer auf Ihrem Gerät um die Kompatibilität des BOSCH Ersatzteils zu gewährleisten.
Weitere BOSCH Ersatzteile des Gerätes AdvancedRotak36-660 (Rasenmäher) mit der Typennummer 3600HB9605 finden Sie in der nachfolgenden Darstellung und im Dropdown zu Ihrer Auswahl:

Pos.
39/16
BOSCH Leitungshalter | Ersatzteile für AdvancedRotak 36-660 | F016L66895
Hersteller: BOSCH
Artikelnummer: EB-3600HB9605-F016L66895
nur Informationsartikel
Nie mehr lieferbar
keine Alternativen
Pos.
39/801
BOSCH Klemmhebel | Ersatzteile für AdvancedRotak 36-660 | F016105363
Hersteller: BOSCH
Artikelnummer: EB-3600HB9605-F016105363
Netto: 5,67 € zzgl. MwSt.
zzgl. 6,90 € Versand (brutto)
einmalig pro Bestellung

Lieferzeit: 5 Werktage

Pos.
43/1
BOSCH Motorhaube | Ersatzteile für AdvancedRotak 36-660 | F016L90017
Hersteller: BOSCH
Artikelnummer: EB-3600HB9605-F016L90017
Netto: 15,75 € zzgl. MwSt.
zzgl. 6,90 € Versand (brutto)
einmalig pro Bestellung

Lieferzeit: 5 Werktage

Pos.
43/10
BOSCH Ziergitter | Ersatzteile für AdvancedRotak 36-660 | F016L91059
Hersteller: BOSCH
Artikelnummer: EB-3600HB9605-F016L91059
Netto: 15,75 € zzgl. MwSt.
zzgl. 6,90 € Versand (brutto)
einmalig pro Bestellung

Lieferzeit: 5 Werktage

Pos.
43/11
BOSCH Klebeschild logo l | Ersatzteile für AdvancedRotak 36-660 | F016L90076
Hersteller: BOSCH
Artikelnummer: EB-3600HB9605-F016L90076
Netto: 4,53 € zzgl. MwSt.
zzgl. 6,90 € Versand (brutto)
einmalig pro Bestellung

Lieferzeit: 5 Werktage

Pos.
43/11
BOSCH Klebeschild POWERDRIVE L | Ersatzteile für AdvancedRotak36-660 | 160111C3G3
Hersteller: BOSCH
Artikelnummer: EB-3600HB9605-160111C3G3
Netto: 4,53 € zzgl. MwSt.
zzgl. 6,90 € Versand (brutto)
einmalig pro Bestellung

Lieferzeit: 5 Werktage

Pos.
43/12
BOSCH Klebeschild logo r | Ersatzteile für AdvancedRotak 36-660 | F016L90077
Hersteller: BOSCH
Artikelnummer: EB-3600HB9605-F016L90077
Netto: 4,53 € zzgl. MwSt.
zzgl. 6,90 € Versand (brutto)
einmalig pro Bestellung

Lieferzeit: 5 Werktage

Pos.
43/12
BOSCH Klebeschild POWERDRIVE R | Ersatzteile für AdvancedRotak36-660 | 160111C3G4
Hersteller: BOSCH
Artikelnummer: EB-3600HB9605-160111C3G4
Netto: 4,53 € zzgl. MwSt.
zzgl. 6,90 € Versand (brutto)
einmalig pro Bestellung

Lieferzeit: 5 Werktage

Pos.
43/13
BOSCH Abdeckblende | Ersatzteile für AdvancedRotak 36-660 | F016L90021
Hersteller: BOSCH
Artikelnummer: EB-3600HB9605-F016L90021
Netto: 4,32 € zzgl. MwSt.
zzgl. 6,90 € Versand (brutto)
einmalig pro Bestellung

Lieferzeit: 5 Werktage

Pos.
43/14
BOSCH Schlüssel | Ersatzteile für AdvancedRotak 36-660 | F016L90054
Hersteller: BOSCH
Artikelnummer: EB-3600HB9605-F016L90054
Netto: 7,76 € zzgl. MwSt.
zzgl. 6,90 € Versand (brutto)
einmalig pro Bestellung

Lieferzeit: 5 Werktage

Pos.
43/15
BOSCH Auslösehebel | Ersatzteile für AdvancedRotak 36-660 | F016L90773
Hersteller: BOSCH
Artikelnummer: EB-3600HB9605-F016L90773
Netto: 7,30 € zzgl. MwSt.
zzgl. 6,90 € Versand (brutto)
einmalig pro Bestellung

Lieferzeit: 5 Werktage

Pos.
43/17
BOSCH Schalterführung | Ersatzteile für AdvancedRotak 36-660 | F016L90777
Hersteller: BOSCH
Artikelnummer: EB-3600HB9605-F016L90777
Netto: 7,30 € zzgl. MwSt.
zzgl. 6,90 € Versand (brutto)
einmalig pro Bestellung

Lieferzeit: 5 Werktage

Pos.
43/18
BOSCH Kabelbaum | Ersatzteile für AdvancedRotak 36-660 | F016L90833
Hersteller: BOSCH
Artikelnummer: EB-3600HB9605-F016L90833
Netto: 17,38 € zzgl. MwSt.
zzgl. 6,90 € Versand (brutto)
einmalig pro Bestellung

Lieferzeit: 5 Werktage

Pos.
43/19
BOSCH Batteriegehäuse | Ersatzteile für AdvancedRotak 36-660 | F016L90057
Hersteller: BOSCH
Artikelnummer: EB-3600HB9605-F016L90057
Netto: 10,92 € zzgl. MwSt.
zzgl. 6,90 € Versand (brutto)
einmalig pro Bestellung

Lieferzeit: 5 Werktage

Pos.
43/2
BOSCH Traggriff | Ersatzteile für AdvancedRotak 36-660 | F016L90018
Hersteller: BOSCH
Artikelnummer: EB-3600HB9605-F016L90018
Netto: 3,94 € zzgl. MwSt.
zzgl. 6,90 € Versand (brutto)
einmalig pro Bestellung

Lieferzeit: 5 Werktage

Pos.
43/4
BOSCH Klarsichtdeckel | Ersatzteile für AdvancedRotak 36-660 | F016L90432
Hersteller: BOSCH
Artikelnummer: EB-3600HB9605-F016L90432
Netto: 3,94 € zzgl. MwSt.
zzgl. 6,90 € Versand (brutto)
einmalig pro Bestellung

Lieferzeit: 5 Werktage

Pos.
43/5
BOSCH Anzeigegerät | Ersatzteile für AdvancedRotak 36-660 | F016L90434
Hersteller: BOSCH
Artikelnummer: EB-3600HB9605-F016L90433
Netto: 3,63 € zzgl. MwSt.
zzgl. 6,90 € Versand (brutto)
einmalig pro Bestellung

Lieferzeit: 5 Werktage

Pos.
43/6
BOSCH Taste | Ersatzteile für AdvancedRotak36-660 | 1600A022AC
Hersteller: BOSCH
Artikelnummer: EB-3600HB9605-1600A022AC
Netto: 4,32 € zzgl. MwSt.
zzgl. 6,90 € Versand (brutto)
einmalig pro Bestellung

Lieferzeit: 5 Werktage

Pos.
43/6
BOSCH Taste GRAU | Ersatzteile für AdvancedRotak 36-660 | F016L91040
Hersteller: BOSCH
Artikelnummer: EB-3600HB9605-F016L91040
nur Informationsartikel
Nie mehr lieferbar
keine Alternativen
Pos.
43/7
BOSCH Knopffeder | Ersatzteile für AdvancedRotak 36-660 | F016L90071
Hersteller: BOSCH
Artikelnummer: EB-3600HB9605-F016L91168
Netto: 3,60 € zzgl. MwSt.
zzgl. 6,90 € Versand (brutto)
einmalig pro Bestellung

Lieferzeit: 5 Werktage

Pos.
43/8
BOSCH Schutzlappen | Ersatzteile für AdvancedRotak 36-660 | F016L90022
Hersteller: BOSCH
Artikelnummer: EB-3600HB9605-F016L90022
Netto: 7,76 € zzgl. MwSt.
zzgl. 6,90 € Versand (brutto)
einmalig pro Bestellung

Lieferzeit: 5 Werktage

Pos.
43/9
BOSCH Feder | Ersatzteile für AdvancedRotak 36-660 | F016L90868
Hersteller: BOSCH
Artikelnummer: EB-3600HB9605-F016L90868
Netto: 3,94 € zzgl. MwSt.
zzgl. 6,90 € Versand (brutto)
einmalig pro Bestellung

Lieferzeit: 5 Werktage

Pos.
52/1
BOSCH Achse | Ersatzteile für AdvancedRotak 36-660 | F016L90005
Hersteller: BOSCH
Artikelnummer: EB-3600HB9605-F016L90007
Netto: 6,15 € zzgl. MwSt.
zzgl. 6,90 € Versand (brutto)
einmalig pro Bestellung

Lieferzeit: 5 Werktage

Pos.
52/2
BOSCH Gelenkhälfte | Ersatzteile für AdvancedRotak 36-660 | F016L90033
Hersteller: BOSCH
Artikelnummer: EB-3600HB9605-F016L90033
Netto: 3,94 € zzgl. MwSt.
zzgl. 6,90 € Versand (brutto)
einmalig pro Bestellung

Lieferzeit: 5 Werktage

Pos.
52/3
BOSCH Gelenkhälfte | Ersatzteile für AdvancedRotak 36-660 | F016L90037
Hersteller: BOSCH
Artikelnummer: EB-3600HB9605-F016L90037
Netto: 3,94 € zzgl. MwSt.
zzgl. 6,90 € Versand (brutto)
einmalig pro Bestellung

Lieferzeit: 5 Werktage

Pos.
52/805
BOSCH Rad | Ersatzteile für AdvancedRotak 36-660 | F016105108
Hersteller: BOSCH
Artikelnummer: EB-3600HB9605-F016104422
Netto: 9,18 € zzgl. MwSt.
zzgl. 6,90 € Versand (brutto)
einmalig pro Bestellung

Lieferzeit: 5 Werktage

Pos.
61/1
BOSCH Achse | Ersatzteile für AdvancedRotak 36-660 | F016L90004
Hersteller: BOSCH
Artikelnummer: EB-3600HB9605-F016L90004
Netto: 5,67 € zzgl. MwSt.
zzgl. 6,90 € Versand (brutto)
einmalig pro Bestellung

Lieferzeit: 5 Werktage

Pos.
61/1
BOSCH Achse 42/46 | Ersatzteile für AdvancedRotak36-660 | F016L90006
Hersteller: BOSCH
Artikelnummer: EB-3600HB9605-F016L90006
Netto: 6,15 € zzgl. MwSt.
zzgl. 6,90 € Versand (brutto)
einmalig pro Bestellung

Lieferzeit: 5 Werktage

Pos.
61/2
BOSCH Gelenkhälfte | Ersatzteile für AdvancedRotak 36-660 | F016L90032
Hersteller: BOSCH
Artikelnummer: EB-3600HB9605-F016L90032
Netto: 3,94 € zzgl. MwSt.
zzgl. 6,90 € Versand (brutto)
einmalig pro Bestellung

Lieferzeit: 5 Werktage

Pos.
61/3
BOSCH Distanzstück | Ersatzteile für AdvancedRotak 36-660 | F016L90036
Hersteller: BOSCH
Artikelnummer: EB-3600HB9605-F016L90036
Netto: 3,63 € zzgl. MwSt.
zzgl. 6,90 € Versand (brutto)
einmalig pro Bestellung

Lieferzeit: 5 Werktage

Pos.
61/4
BOSCH Rastkappe | Ersatzteile für AdvancedRotak 36-660 | F016L68095
Hersteller: BOSCH
Artikelnummer: EB-3600HB9605-F016L68095
Netto: 3,94 € zzgl. MwSt.
zzgl. 6,90 € Versand (brutto)
einmalig pro Bestellung

Lieferzeit: 5 Werktage

Pos.
61/805
BOSCH Rad | Ersatzteile für AdvancedRotak 36-660 | F016105110
Hersteller: BOSCH
Artikelnummer: EB-3600HB9605-1600A023EL
Netto: 8,33 € zzgl. MwSt.
zzgl. 6,90 € Versand (brutto)
einmalig pro Bestellung

Lieferzeit: 5 Werktage

Pos.
75/1
BOSCH Handgriff | Ersatzteile für AdvancedRotak 36-660 | F016L90608
Hersteller: BOSCH
Artikelnummer: EB-3600HB9605-F016L90608
Netto: 14,36 € zzgl. MwSt.
zzgl. 6,90 € Versand (brutto)
einmalig pro Bestellung

Lieferzeit: 5 Werktage

Pos.
75/1/1
BOSCH Handgriff | Ersatzteile für AdvancedRotak36-660 | F016L90012
Hersteller: BOSCH
Artikelnummer: EB-3600HB9605-F016L90012
Netto: 14,36 € zzgl. MwSt.
zzgl. 6,90 € Versand (brutto)
einmalig pro Bestellung

Lieferzeit: 5 Werktage

Pos.
75/1/2
BOSCH Lagerbuchse | Ersatzteile für AdvancedRotak36-660 | F016L90064
Hersteller: BOSCH
Artikelnummer: EB-3600HB9605-F016L90064
Netto: 3,94 € zzgl. MwSt.
zzgl. 6,90 € Versand (brutto)
einmalig pro Bestellung

Lieferzeit: 5 Werktage

Pos.
75/10
BOSCH Druckfeder | Ersatzteile für AdvancedRotak36-660 | F016L90074
Hersteller: BOSCH
Artikelnummer: EB-3600HB9605-F016L90074
Netto: 3,63 € zzgl. MwSt.
zzgl. 6,90 € Versand (brutto)
einmalig pro Bestellung

Lieferzeit: 5 Werktage

Pos.
75/11
BOSCH Button | Ersatzteile für AdvancedRotak36-660 | F016L91039
Hersteller: BOSCH
Artikelnummer: EB-3600HB9605-F016L91039
Netto: 4,32 € zzgl. MwSt.
zzgl. 6,90 € Versand (brutto)
einmalig pro Bestellung

Lieferzeit: 5 Werktage

Pos.
75/14
BOSCH Schraube M5x8 Csk Hd. | Ersatzteile für AdvancedRotak 36-660 | F016L36542
Hersteller: BOSCH
Artikelnummer: EB-3600HB9605-F016L36542
Netto: 4,53 € zzgl. MwSt.
zzgl. 6,90 € Versand (brutto)
einmalig pro Bestellung

Lieferzeit: 5 Werktage

Pos.
75/3
BOSCH Verdrahtungseinheit | Ersatzteile für AdvancedRotak 36-660 | F016L90849
Hersteller: BOSCH
Artikelnummer: EB-3600HB9605-F016L90850
Netto: 15,75 € zzgl. MwSt.
zzgl. 6,90 € Versand (brutto)
einmalig pro Bestellung

Lieferzeit: 5 Werktage

Pos.
75/3/1
BOSCH Steckverbindergehäuse | Ersatzteile für AdvancedRotak 36-660 | F016L67218
Hersteller: BOSCH
Artikelnummer: EB-3600HB9605-F016L67218
Netto: 6,15 € zzgl. MwSt.
zzgl. 6,90 € Versand (brutto)
einmalig pro Bestellung

Lieferzeit: 5 Werktage

Pos.
75/3/2
BOSCH Verbindungkabel | Ersatzteile für AdvancedRotak 36-660 | F016L90847
Hersteller: BOSCH
Artikelnummer: EB-3600HB9605-F016L90848
nur Informationsartikel
Nie mehr lieferbar
keine Alternativen
Pos.
75/3/803
BOSCH Schaltersatz | Ersatzteile für AdvancedRotak 36-660 | F016104163
Hersteller: BOSCH
Artikelnummer: EB-3600HB9605-F016104163
nur Informationsartikel
Nie mehr lieferbar
keine Alternativen
Pos.
75/3/804
BOSCH Seilführung | Ersatzteile für AdvancedRotak 36-660 | F016104213
Hersteller: BOSCH
Artikelnummer: EB-3600HB9605-F016104213
Netto: 8,33 € zzgl. MwSt.
zzgl. 6,90 € Versand (brutto)
einmalig pro Bestellung

Lieferzeit: 5 Werktage

Pos.
75/5
BOSCH Hülse | Ersatzteile für AdvancedRotak36-660 | F016L90070
Hersteller: BOSCH
Artikelnummer: EB-3600HB9605-F016L90070
Netto: 4,32 € zzgl. MwSt.
zzgl. 6,90 € Versand (brutto)
einmalig pro Bestellung

Lieferzeit: 5 Werktage

Pos.
75/6
BOSCH Handgriff | Ersatzteile für AdvancedRotak36-660 | F016L90066
Hersteller: BOSCH
Artikelnummer: EB-3600HB9605-F016L90066
Netto: 6,15 € zzgl. MwSt.
zzgl. 6,90 € Versand (brutto)
einmalig pro Bestellung

Lieferzeit: 5 Werktage

Pos.
75/7
BOSCH Handgriff | Ersatzteile für AdvancedRotak36-660 | F016L90067
Hersteller: BOSCH
Artikelnummer: EB-3600HB9605-F016L90067
Netto: 6,70 € zzgl. MwSt.
zzgl. 6,90 € Versand (brutto)
einmalig pro Bestellung

Lieferzeit: 5 Werktage

Pos.
75/8
BOSCH Verschlussstift | Ersatzteile für AdvancedRotak36-660 | F016L90068
Hersteller: BOSCH
Artikelnummer: EB-3600HB9605-F016L90068
Netto: 3,94 € zzgl. MwSt.
zzgl. 6,90 € Versand (brutto)
einmalig pro Bestellung

Lieferzeit: 5 Werktage

Pos.
75/802
BOSCH Mutternaufnahme | Ersatzteile für AdvancedRotak 36-660 | F016105314
Hersteller: BOSCH
Artikelnummer: EB-3600HB9605-F016105314
Netto: 4,82 € zzgl. MwSt.
zzgl. 6,90 € Versand (brutto)
einmalig pro Bestellung

Lieferzeit: 5 Werktage

Pos.
75/804
BOSCH Schalterzusammenbau | Ersatzteile für AdvancedRotak 36-660 | F016105448
Hersteller: BOSCH
Artikelnummer: EB-3600HB9605-F016105448
Netto: 24,13 € zzgl. MwSt.
zzgl. 6,90 € Versand (brutto)
einmalig pro Bestellung

Lieferzeit: 5 Werktage

Pos.
75/805
BOSCH Hülse | Ersatzteile für AdvancedRotak 36-660 | F016104361
Hersteller: BOSCH
Artikelnummer: EB-3600HB9605-F016104361
Netto: 5,67 € zzgl. MwSt.
zzgl. 6,90 € Versand (brutto)
einmalig pro Bestellung

Lieferzeit: 5 Werktage

Pos.
75/9
BOSCH Hebel | Ersatzteile für AdvancedRotak36-660 | F016L91109
Hersteller: BOSCH
Artikelnummer: EB-3600HB9605-F016L91109
Netto: 4,82 € zzgl. MwSt.
zzgl. 6,90 € Versand (brutto)
einmalig pro Bestellung

Lieferzeit: 5 Werktage

Pos.
78/1
BOSCH Griffstange | Ersatzteile für AdvancedRotak36-660 | F016L90013
Hersteller: BOSCH
Artikelnummer: EB-3600HB9605-F016L90013
Netto: 10,92 € zzgl. MwSt.
zzgl. 6,90 € Versand (brutto)
einmalig pro Bestellung

Lieferzeit: 5 Werktage

Pos.
78/1
BOSCH Haltearm | Ersatzteile für AdvancedRotak 36-660 | F016L91163
Hersteller: BOSCH
Artikelnummer: EB-3600HB9605-F016L91163
Netto: 3,94 € zzgl. MwSt.
zzgl. 6,90 € Versand (brutto)
einmalig pro Bestellung

Lieferzeit: 5 Werktage

Pos.
78/2
BOSCH Abdrückvorrichtung | Ersatzteile für AdvancedRotak36-660 | F016L90063
Hersteller: BOSCH
Artikelnummer: EB-3600HB9605-F016L90063
Netto: 3,94 € zzgl. MwSt.
zzgl. 6,90 € Versand (brutto)
einmalig pro Bestellung

Lieferzeit: 5 Werktage

Pos.
78/2
BOSCH Handgriff | Ersatzteile für AdvancedRotak 36-660 | F016L90890
Hersteller: BOSCH
Artikelnummer: EB-3600HB9605-F016L90890
Netto: 9,18 € zzgl. MwSt.
zzgl. 6,90 € Versand (brutto)
einmalig pro Bestellung

Lieferzeit: 5 Werktage

Pos.
78/3
BOSCH Druckfeder | Ersatzteile für AdvancedRotak36-660 | F016L90841
Hersteller: BOSCH
Artikelnummer: EB-3600HB9605-F016L90841
Netto: 3,63 € zzgl. MwSt.
zzgl. 6,90 € Versand (brutto)
einmalig pro Bestellung

Lieferzeit: 5 Werktage

Pos.
78/4
BOSCH Abdrückvorrichtung | Ersatzteile für AdvancedRotak36-660 | F016L90062
Hersteller: BOSCH
Artikelnummer: EB-3600HB9605-F016L90062
Netto: 4,53 € zzgl. MwSt.
zzgl. 6,90 € Versand (brutto)
einmalig pro Bestellung

Lieferzeit: 5 Werktage

Pos.
78/6
BOSCH Haltearm | Ersatzteile für AdvancedRotak36-660 | F016L90082
Hersteller: BOSCH
Artikelnummer: EB-3600HB9605-F016L90082
Netto: 6,70 € zzgl. MwSt.
zzgl. 6,90 € Versand (brutto)
einmalig pro Bestellung

Lieferzeit: 5 Werktage

Pos.
78/7
BOSCH Gelenkbolzen | Ersatzteile für AdvancedRotak36-660 | F016L90014
Hersteller: BOSCH
Artikelnummer: EB-3600HB9605-F016L90014
Netto: 3,63 € zzgl. MwSt.
zzgl. 6,90 € Versand (brutto)
einmalig pro Bestellung

Lieferzeit: 5 Werktage

Pos.
79/1
BOSCH Haltearm | Ersatzteile für AdvancedRotak 36-660 | F016L91164
Hersteller: BOSCH
Artikelnummer: EB-3600HB9605-F016L91164
Netto: 3,94 € zzgl. MwSt.
zzgl. 6,90 € Versand (brutto)
einmalig pro Bestellung

Lieferzeit: 5 Werktage

Pos.
79/2
BOSCH Handgriff | Ersatzteile für AdvancedRotak 36-660 | F016L90891
Hersteller: BOSCH
Artikelnummer: EB-3600HB9605-F016L90891
Netto: 9,18 € zzgl. MwSt.
zzgl. 6,90 € Versand (brutto)
einmalig pro Bestellung

Lieferzeit: 5 Werktage

Pos.
801/19
BOSCH Wärmeleitfolie | Ersatzteile für AdvancedRotak36-660 | 1600A01Z1R
Hersteller: BOSCH
Artikelnummer: EB-3600HB9605-1600A01Z1R
Netto: 8,33 € zzgl. MwSt.
zzgl. 6,90 € Versand (brutto)
einmalig pro Bestellung

Lieferzeit: 5 Werktage

Pos.
883/1/10
BOSCH Steckerstift | Ersatzteile für AdvancedRotak 36-660 | F016L91107
Hersteller: BOSCH
Artikelnummer: EB-3600HB9605-F016L91107
Netto: 4,82 € zzgl. MwSt.
zzgl. 6,90 € Versand (brutto)
einmalig pro Bestellung

Lieferzeit: 5 Werktage

Pos.
883/1/11
BOSCH Buchseneinsatz | Ersatzteile für AdvancedRotak 36-660 | F016L91108
Hersteller: BOSCH
Artikelnummer: EB-3600HB9605-F016L91108
Netto: 4,82 € zzgl. MwSt.
zzgl. 6,90 € Versand (brutto)
einmalig pro Bestellung

Lieferzeit: 5 Werktage

Pos.
883/1/2
BOSCH Handgriff | Ersatzteile für AdvancedRotak 36-660 | F016L90040
Hersteller: BOSCH
Artikelnummer: EB-3600HB9605-F016L90040
Netto: 3,94 € zzgl. MwSt.
zzgl. 6,90 € Versand (brutto)
einmalig pro Bestellung

Lieferzeit: 5 Werktage

Pos.
883/1/3
BOSCH Abdeckung | Ersatzteile für AdvancedRotak 36-660 | F016L90557
Hersteller: BOSCH
Artikelnummer: EB-3600HB9605-F016L90557
Netto: 4,32 € zzgl. MwSt.
zzgl. 6,90 € Versand (brutto)
einmalig pro Bestellung

Lieferzeit: 5 Werktage

Pos.
883/1/4
BOSCH Lagerplatte | Ersatzteile für AdvancedRotak 36-660 | F016L91038
Hersteller: BOSCH
Artikelnummer: EB-3600HB9605-F016L91038
Netto: 3,63 € zzgl. MwSt.
zzgl. 6,90 € Versand (brutto)
einmalig pro Bestellung

Lieferzeit: 5 Werktage

Pos.
3
BOSCH Gewindefurchschraube M4x8 | Ersatzteile für AdvancedRotak 36-660 | 2603410048
Hersteller: BOSCH
Artikelnummer: EB-3600HB9605-2603410048
Netto: 3,94 € zzgl. MwSt.
zzgl. 6,90 € Versand (brutto)
einmalig pro Bestellung

Lieferzeit: 5 Werktage

Pos.
3
BOSCH Schraube | Ersatzteile für AdvancedRotak36-660 | 160343003T
Hersteller: BOSCH
Artikelnummer: EB-3600HB9605-160343003T
Netto: 3,63 € zzgl. MwSt.
zzgl. 6,90 € Versand (brutto)
einmalig pro Bestellung

Lieferzeit: 5 Werktage

Pos.
32
BOSCH Torx-Flanschschraube | Ersatzteile für AdvancedRotak 36-660 | F016L69108
Hersteller: BOSCH
Artikelnummer: EB-3600HB9605-F016L69108
Netto: 3,63 € zzgl. MwSt.
zzgl. 6,90 € Versand (brutto)
einmalig pro Bestellung

Lieferzeit: 5 Werktage

Pos.
40
BOSCH Mähergehäuse | Ersatzteile für AdvancedRotak 36-660 | F016L90981
Hersteller: BOSCH
Artikelnummer: EB-3600HB9605-F016L90981
Netto: 21,16 € zzgl. MwSt.
zzgl. 6,90 € Versand (brutto)
einmalig pro Bestellung

Lieferzeit: 5 Werktage

Pos.
40
BOSCH Mähergehäuse 42/46 | Ersatzteile für AdvancedRotak36-660 | F016L90982
Hersteller: BOSCH
Artikelnummer: EB-3600HB9605-F016L90982
Netto: 24,13 € zzgl. MwSt.
zzgl. 6,90 € Versand (brutto)
einmalig pro Bestellung

Lieferzeit: 5 Werktage

Pos.
41
BOSCH Gerätegehäuse 36 cm | Ersatzteile für AdvancedRotak 36-660 | F016L69357
Hersteller: BOSCH
Artikelnummer: EB-3600HB9605-F016L69357
Netto: 29,45 € zzgl. MwSt.
zzgl. 6,90 € Versand (brutto)
einmalig pro Bestellung

Lieferzeit: 5 Werktage

Pos.
41
BOSCH Gerätegehäuse 42 | Ersatzteile für AdvancedRotak36-660 | F016L69359
Hersteller: BOSCH
Artikelnummer: EB-3600HB9605-F016L69359
Netto: 32,74 € zzgl. MwSt.
zzgl. 6,90 € Versand (brutto)
einmalig pro Bestellung

Lieferzeit: 5 Werktage

Pos.
49
BOSCH Gelenkteil | Ersatzteile für AdvancedRotak 36-660 | F016L90027
Hersteller: BOSCH
Artikelnummer: EB-3600HB9605-F016L90028
Netto: 8,33 € zzgl. MwSt.
zzgl. 6,90 € Versand (brutto)
einmalig pro Bestellung

Lieferzeit: 5 Werktage

Pos.
55
BOSCH Mähmesser 36 cm | Ersatzteile für AdvancedRotak 36-660 | F016L90159
Hersteller: BOSCH
Artikelnummer: EB-3600HB9605-F016L90159
Netto: 17,38 € zzgl. MwSt.
zzgl. 6,90 € Versand (brutto)
einmalig pro Bestellung

Lieferzeit: 5 Werktage

Pos.
58
BOSCH Federscheibe 1/2" | Ersatzteile für AdvancedRotak 36-660 | F016L66173
Hersteller: BOSCH
Artikelnummer: EB-3600HB9605-F016L66173
Netto: 3,94 € zzgl. MwSt.
zzgl. 6,90 € Versand (brutto)
einmalig pro Bestellung

Lieferzeit: 5 Werktage

Pos.
59
BOSCH Bolzen M10x30 | Ersatzteile für AdvancedRotak 36-660 | F016L66141
Hersteller: BOSCH
Artikelnummer: EB-3600HB9605-F016L66141
Netto: 4,53 € zzgl. MwSt.
zzgl. 6,90 € Versand (brutto)
einmalig pro Bestellung

Lieferzeit: 5 Werktage

Pos.
99
BOSCH Auswuchtstücke | Ersatzteile für AdvancedRotak 36-660 | F016L69400
Hersteller: BOSCH
Artikelnummer: EB-3600HB9605-1600A026A7
Netto: 17,38 € zzgl. MwSt.
zzgl. 6,90 € Versand (brutto)
einmalig pro Bestellung

Lieferzeit: 5 Werktage

Pos.
121
BOSCH Geräteclip | Ersatzteile für AdvancedRotak 36-660 | F016L91066
Hersteller: BOSCH
Artikelnummer: EB-3600HB9605-F016L91066
Netto: 3,63 € zzgl. MwSt.
zzgl. 6,90 € Versand (brutto)
einmalig pro Bestellung

Lieferzeit: 5 Werktage

Pos.
122
BOSCH Feder | Ersatzteile für AdvancedRotak 36-660 | F016L59327
Hersteller: BOSCH
Artikelnummer: EB-3600HB9605-F016L90072
Netto: 4,82 € zzgl. MwSt.
zzgl. 6,90 € Versand (brutto)
einmalig pro Bestellung

Lieferzeit: 5 Werktage

Pos.
123
BOSCH Kunststoffeinsatz | Ersatzteile für AdvancedRotak 36-660 | F016L90553
Hersteller: BOSCH
Artikelnummer: EB-3600HB9605-F016L90553
Netto: 4,53 € zzgl. MwSt.
zzgl. 6,90 € Versand (brutto)
einmalig pro Bestellung

Lieferzeit: 5 Werktage

Pos.
124
BOSCH Knopffeder | Ersatzteile für AdvancedRotak 36-660 | F016L90701
Hersteller: BOSCH
Artikelnummer: EB-3600HB9605-F016L90701
Netto: 3,63 € zzgl. MwSt.
zzgl. 6,90 € Versand (brutto)
einmalig pro Bestellung

Lieferzeit: 5 Werktage

Pos.
125
BOSCH Taste | Ersatzteile für AdvancedRotak 36-660 | F016L90197
Hersteller: BOSCH
Artikelnummer: EB-3600HB9605-F016L90197
Netto: 4,32 € zzgl. MwSt.
zzgl. 6,90 € Versand (brutto)
einmalig pro Bestellung

Lieferzeit: 5 Werktage

Pos.
126
BOSCH Taste | Ersatzteile für AdvancedRotak 36-660 | F016L90198
Hersteller: BOSCH
Artikelnummer: EB-3600HB9605-F016L90198
Netto: 4,32 € zzgl. MwSt.
zzgl. 6,90 € Versand (brutto)
einmalig pro Bestellung

Lieferzeit: 5 Werktage

Pos.
131
BOSCH Abdeckkappe | Ersatzteile für AdvancedRotak 36-660 | F016L68116
Hersteller: BOSCH
Artikelnummer: EB-3600HB9605-F016L68116
Netto: 3,63 € zzgl. MwSt.
zzgl. 6,90 € Versand (brutto)
einmalig pro Bestellung

Lieferzeit: 5 Werktage

Pos.
160
BOSCH Abdeckung | Ersatzteile für AdvancedRotak36-660 | F016L90060
Hersteller: BOSCH
Artikelnummer: EB-3600HB9605-F016L90060
Netto: 4,53 € zzgl. MwSt.
zzgl. 6,90 € Versand (brutto)
einmalig pro Bestellung

Lieferzeit: 5 Werktage

Pos.
161
BOSCH Abdeckung | Ersatzteile für AdvancedRotak36-660 | F016L90061
Hersteller: BOSCH
Artikelnummer: EB-3600HB9605-F016L90061
Netto: 4,53 € zzgl. MwSt.
zzgl. 6,90 € Versand (brutto)
einmalig pro Bestellung

Lieferzeit: 5 Werktage

Pos.
163
BOSCH Torx-Linsenschraube M6X50 | Ersatzteile für AdvancedRotak36-660 | 1613490011
Hersteller: BOSCH
Artikelnummer: EB-3600HB9605-1613490011
Netto: 4,32 € zzgl. MwSt.
zzgl. 6,90 € Versand (brutto)
einmalig pro Bestellung

Lieferzeit: 5 Werktage

Pos.
500
BOSCH Torx-Flanschschraube | Ersatzteile für AdvancedRotak 36-660 | F016L68124
Hersteller: BOSCH
Artikelnummer: EB-3600HB9605-F016L68124
Netto: 3,63 € zzgl. MwSt.
zzgl. 6,90 € Versand (brutto)
einmalig pro Bestellung

Lieferzeit: 5 Werktage

Pos.
501
BOSCH Unterlegscheibe | Ersatzteile für AdvancedRotak36-660 | 8716107299
Hersteller: BOSCH
Artikelnummer: EB-3600HB9605-8716107299
Netto: 3,63 € zzgl. MwSt.
zzgl. 6,90 € Versand (brutto)
einmalig pro Bestellung

Lieferzeit: 5 Werktage

Pos.
502
BOSCH Gewindeschneidschraube | Ersatzteile für AdvancedRotak36-660 | F016L37433
Hersteller: BOSCH
Artikelnummer: EB-3600HB9605-F016L37433
Netto: 3,63 € zzgl. MwSt.
zzgl. 6,90 € Versand (brutto)
einmalig pro Bestellung

Lieferzeit: 5 Werktage

Pos.
650
BOSCH Akku-Paket | Ersatzteile für AdvancedRotak36-660 | 1607A350R2
Hersteller: BOSCH
Artikelnummer: EB-3600HB9605-1607A350RC
Netto: 210,92 € zzgl. MwSt.
zzgl. 6,90 € Versand (brutto)
einmalig pro Bestellung

Lieferzeit: 5 Werktage

Pos.
650
BOSCH Akku-Paket 36V, 6.0Ah, LI | Ersatzteile für AdvancedRotak 36-660 | 1607A3504P
Hersteller: BOSCH
Artikelnummer: EB-3600HB9605-1607A3504P
nur Informationsartikel
Nie mehr lieferbar
keine Alternativen
Pos.
650
BOSCH Akku-Paket GBA 36V 2,0AH H-B | Ersatzteile für AdvancedRotak36-660 | 1607A350PZ
Hersteller: BOSCH
Artikelnummer: EB-3600HB9605-1607A350PZ
Netto: 169,85 € zzgl. MwSt.
zzgl. 6,90 € Versand (brutto)
einmalig pro Bestellung

Lieferzeit: 5 Werktage

Pos.
650
BOSCH Einschub-Akkupaket 36V 2,0 Ah Li | Ersatzteile für AdvancedRotak 36-660 | 2607336913
Hersteller: BOSCH
Artikelnummer: EB-3600HB9605-2607336913
nur Informationsartikel
Nie mehr lieferbar
keine Alternativen
Pos.
651
BOSCH Ladegerät EU 230V/14,4-36V | Ersatzteile für AdvancedRotak 36-660 | 2607225657
Hersteller: BOSCH
Artikelnummer: EB-3600HB9605-2607225657
nur Informationsartikel
Nie mehr lieferbar
keine Alternativen
Pos.
651
BOSCH Schnell-Lader EU AL 36V-20/36V | Ersatzteile für AdvancedRotak 36-660 | 2607226273
Hersteller: BOSCH
Artikelnummer: EB-3600HB9605-2607226273
Netto: 52,14 € zzgl. MwSt.
zzgl. 6,90 € Versand (brutto)
einmalig pro Bestellung

Lieferzeit: 5 Werktage

Pos.
652
BOSCH Ablenkplatte | Ersatzteile für AdvancedRotak 36-660 | F016L90829
Hersteller: BOSCH
Artikelnummer: EB-3600HB9605-F016L90830
Netto: 15,75 € zzgl. MwSt.
zzgl. 6,90 € Versand (brutto)
einmalig pro Bestellung

Lieferzeit: 5 Werktage

Pos.
801
BOSCH Gleichstrommotor | Ersatzteile für AdvancedRotak 36-660 | 1607000E85
Hersteller: BOSCH
Artikelnummer: EB-3600HB9605-1607000E85
Netto: 121,18 € zzgl. MwSt.
zzgl. 6,90 € Versand (brutto)
einmalig pro Bestellung

Lieferzeit: 5 Werktage

Pos.
802
BOSCH Elektronikmodul | Ersatzteile für AdvancedRotak 36-660 | F016105439
Hersteller: BOSCH
Artikelnummer: EB-3600HB9605-F016105440
Netto: 52,14 € zzgl. MwSt.
zzgl. 6,90 € Versand (brutto)
einmalig pro Bestellung

Lieferzeit: 5 Werktage

Pos.
808
BOSCH Typschild | Ersatzteile für AdvancedRotak36-660 | 160111A7C1
Hersteller: BOSCH
Artikelnummer: EB-3600HB9605-160111A7C1
Netto: 4,53 € zzgl. MwSt.
zzgl. 6,90 € Versand (brutto)
einmalig pro Bestellung

Lieferzeit: 5 Werktage

Pos.
883
BOSCH Fangkorb | Ersatzteile für AdvancedRotak 36-660 | F016105378
Hersteller: BOSCH
Artikelnummer: EB-3600HB9605-F016105378
Netto: 52,14 € zzgl. MwSt.
zzgl. 6,90 € Versand (brutto)
einmalig pro Bestellung

Lieferzeit: 5 Werktage

Angaben zur Produktsicherheit

Hersteller:
Robert Bosch Power Tools GmbH
Postfach 30 02 20
70442 Stuttgart

E-Mail:
kontakt@bosch.de