BOSCH O-Ring Ø 63 X 2,65 MM | Ersatzteile für AdvAquatak 2000 | F016F05637

Artikelnummer: EB-3600HA7G10-F016F05637

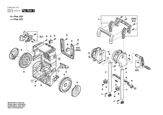
Position: 842

Marke: BOSCH


Bitte Kompatibilität prüfen!

Bitte prüfen Sie unbedingt die 10-stellige Typennummer Ihrer Maschine / Ihres Gerätes. Das Ersatzteil ist nur kompatibel, wenn Sie die Typennummer Ihrer Maschine in der unten stehenden Produktbeschreibung finden.

Bitte prüfen Sie ebenfalls detailliert die Explosionszeichnung mit Ihrem Artikelwunsch und der jeweiligen Pos-Nummer.

Alle Elemente, welche vom schwarzen Strich der Pos-Nummer ausgehend berührt / erfasst werden, gehören zu dieser Pos-Nummer und somit zu diesem Artikel. Jede Pos-Nummer ist ein eigenständiger Artikel, welchen Sie in der Auflistung finden.

Sie erhalten stets die aktuellste, neueste Produktversion zu der gewählten Pos-Nummer seitens des Herstellers. Es kann daher je nach Gerätealter vorkommen, dass Sie ggf. weitere, zugehörige Elemente, welche an diese Pos-Nummer grenzen, ebenfalls mittauschen müssen.

Nähere Informationen finden Sie unter dem Link
Hinweise zu Ihrer BOSCH Ersatzteilsuche

Preisübersicht

Einzelpreis: 3,94 €* (Brutto: 4,69 €)
Gesamtpreis: 3,94 €* 
Position:

Lieferzeit: 5 Werktage


Beschreibung

  • O-Ring Ø 63 X 2,65 MM
  • Original Bosch Zubehör / BOSCH Ersatzteil (F016F05637)
  • im Gerät verbaut: 1
Dieses BOSCH Ersatzteil ist mit folgendem Gerät und Modell kompatibel:
  • BOSCH Gerätename: AdvAquatak 2000
  • BOSCH Explosionszeichnung: Position 842
  • BOSCH Typennummer: 3600HA7G10
  • BOSCH Typennummer alternative Schreibweisen: 3 600 HA7 G10, 3600 HA7 G10, 3.600.HA7.G10, 3-600-HA7-G10
    Bitte prüfen Sie diese Typennummer auf Ihrem Gerät um die Kompatibilität des BOSCH Ersatzteils zu gewährleisten.
Weitere BOSCH Ersatzteile des Gerätes AdvAquatak 2000 (Hochdruckreiniger) mit der Typennummer 3600HA7G10 finden Sie in der nachfolgenden Darstellung und im Dropdown zu Ihrer Auswahl:

Pos.
801
BOSCH Elektromotor | Ersatzteile für AdvancedAquatak 2000 | F016F04975
Hersteller: BOSCH
Artikelnummer: EB-3600HA7G10-F016F04975
Netto: 101,78 € zzgl. MwSt.
zzgl. 6,90 € Versand (brutto)
einmalig pro Bestellung

Lieferzeit: 5 Werktage

Pos.
808
BOSCH Typschild | Ersatzteile für AdvancedAquatak 2000 | F016F05271
Hersteller: BOSCH
Artikelnummer: EB-3600HA7G10-F016F05271
Netto: 4,56 € zzgl. MwSt.
zzgl. 6,90 € Versand (brutto)
einmalig pro Bestellung

Lieferzeit: 5 Werktage

Pos.
809
BOSCH Warnzettel | Ersatzteile für AdvancedAquatak 2000 | F016F04998
Hersteller: BOSCH
Artikelnummer: EB-3600HA7G10-F016F04998
Netto: 4,56 € zzgl. MwSt.
zzgl. 6,90 € Versand (brutto)
einmalig pro Bestellung

Lieferzeit: 5 Werktage

Pos.
810
BOSCH Torx-Zylinderschraube | Ersatzteile für AdvancedAquatak 2000 | F016F04810
Hersteller: BOSCH
Artikelnummer: EB-3600HA7G10-F016F04810
nur Informationsartikel
Nie mehr lieferbar
keine Alternativen
Pos.
811
BOSCH Frontverkleidung | Ersatzteile für AdvancedAquatak 2000 | F016F05273
Hersteller: BOSCH
Artikelnummer: EB-3600HA7G10-F016F05273
Netto: 46,22 € zzgl. MwSt.
zzgl. 6,90 € Versand (brutto)
einmalig pro Bestellung

Lieferzeit: 5 Werktage

Pos.
812
BOSCH Frontverkleidung | Ersatzteile für AdvancedAquatak 2000 | F016F04616
Hersteller: BOSCH
Artikelnummer: EB-3600HA7G10-F016F04616
Netto: 8,23 € zzgl. MwSt.
zzgl. 6,90 € Versand (brutto)
einmalig pro Bestellung

Lieferzeit: 5 Werktage

Pos.
813
BOSCH Frontverkleidung | Ersatzteile für AdvancedAquatak 2000 | F016F04617
Hersteller: BOSCH
Artikelnummer: EB-3600HA7G10-F016F04617
Netto: 8,23 € zzgl. MwSt.
zzgl. 6,90 € Versand (brutto)
einmalig pro Bestellung

Lieferzeit: 5 Werktage

Pos.
820
BOSCH Abdeckung | Ersatzteile für AdvancedAquatak 2000 | F016F05274
Hersteller: BOSCH
Artikelnummer: EB-3600HA7G10-F016F05274
Netto: 55,88 € zzgl. MwSt.
zzgl. 6,90 € Versand (brutto)
einmalig pro Bestellung

Lieferzeit: 5 Werktage

Pos.
821
BOSCH Abdeckung | Ersatzteile für AdvancedAquatak 2000 | F016F04626
Hersteller: BOSCH
Artikelnummer: EB-3600HA7G10-F016F04626
Netto: 6,27 € zzgl. MwSt.
zzgl. 6,90 € Versand (brutto)
einmalig pro Bestellung

Lieferzeit: 5 Werktage

Pos.
834
BOSCH Handgriff | Ersatzteile für AdvancedAquatak 2000 | F016F05104
Hersteller: BOSCH
Artikelnummer: EB-3600HA7G10-F016F05104
Netto: 26,41 € zzgl. MwSt.
zzgl. 6,90 € Versand (brutto)
einmalig pro Bestellung

Lieferzeit: 5 Werktage

Pos.
835
BOSCH Handgriff-Set | Ersatzteile für AdvancedAquatak 2000 | F016F04649
Hersteller: BOSCH
Artikelnummer: EB-3600HA7G10-F016F04649
Netto: 12,50 € zzgl. MwSt.
zzgl. 6,90 € Versand (brutto)
einmalig pro Bestellung

Lieferzeit: 5 Werktage

Pos.
836
BOSCH Schlauchtrommel | Ersatzteile für AdvancedAquatak 2000 | F016F04666
Hersteller: BOSCH
Artikelnummer: EB-3600HA7G10-F016F04666
nur Informationsartikel
Nie mehr lieferbar
keine Alternativen
Pos.
837
BOSCH Schaumstoffplatte | Ersatzteile für AdvancedAquatak 2000 | F016F05275
Hersteller: BOSCH
Artikelnummer: EB-3600HA7G10-F016F05275
Netto: 8,23 € zzgl. MwSt.
zzgl. 6,90 € Versand (brutto)
einmalig pro Bestellung

Lieferzeit: 5 Werktage

Pos.
838
BOSCH Schaumstoffplatte | Ersatzteile für AdvancedAquatak 2000 | F016F05019
Hersteller: BOSCH
Artikelnummer: EB-3600HA7G10-F016F05019
nur Informationsartikel
Nie mehr lieferbar
keine Alternativen
Pos.
841
BOSCH Schaumstoffplatte | Ersatzteile für AdvancedAquatak 2000 | F016F05276
Hersteller: BOSCH
Artikelnummer: EB-3600HA7G10-F016F05276
Netto: 8,23 € zzgl. MwSt.
zzgl. 6,90 € Versand (brutto)
einmalig pro Bestellung

Lieferzeit: 5 Werktage

Pos.
842
BOSCH O-Ring Ø 63 X 2,65 MM | Ersatzteile für AdvAquatak 2000 | F016F05637
Hersteller: BOSCH
Artikelnummer: EB-3600HA7G10-F016F05637
Netto: 3,94 € zzgl. MwSt.
zzgl. 6,90 € Versand (brutto)
einmalig pro Bestellung

Lieferzeit: 5 Werktage

Pos.
843
BOSCH O-Ring | Ersatzteile für AdvancedAquatak 2000 | F016F05402
Hersteller: BOSCH
Artikelnummer: EB-3600HA7G10-F016F05402
nur Informationsartikel
Nie mehr lieferbar
keine Alternativen
Pos.
844
BOSCH O-Ringsatz | Ersatzteile für AdvancedAquatak 2000 | F016F05403
Hersteller: BOSCH
Artikelnummer: EB-3600HA7G10-F016F05403
nur Informationsartikel
Nie mehr lieferbar
keine Alternativen
Pos.
849
BOSCH Hochdruckschlauch 0,4m | Ersatzteile für AdvancedAquatak 2000 | F016F05360
Hersteller: BOSCH
Artikelnummer: EB-3600HA7G10-F016F05360
nur Informationsartikel
Nie mehr lieferbar
keine Alternativen
Pos.
850
BOSCH O-Ring | Ersatzteile für AdvancedAquatak 2000 | F016F04459
Hersteller: BOSCH
Artikelnummer: EB-3600HA7G10-F016F04459
Netto: 7,66 € zzgl. MwSt.
zzgl. 6,90 € Versand (brutto)
einmalig pro Bestellung

Lieferzeit: 5 Werktage

Pos.
851
BOSCH Pumpenkopf | Ersatzteile für AdvancedAquatak 2000 | F016F05277
Hersteller: BOSCH
Artikelnummer: EB-3600HA7G10-F016F05277
Netto: 18,86 € zzgl. MwSt.
zzgl. 6,90 € Versand (brutto)
einmalig pro Bestellung

Lieferzeit: 5 Werktage

Pos.
852
BOSCH Kolbenführung | Ersatzteile für AdvancedAquatak 2000 | F016F04441
Hersteller: BOSCH
Artikelnummer: EB-3600HA7G10-F016F04441
Netto: 8,23 € zzgl. MwSt.
zzgl. 6,90 € Versand (brutto)
einmalig pro Bestellung

Lieferzeit: 5 Werktage

Pos.
853
BOSCH Pumpeneinheit | Ersatzteile für AdvancedAquatak 2000 | F016F04440
Hersteller: BOSCH
Artikelnummer: EB-3600HA7G10-F016F04440
Netto: 12,50 € zzgl. MwSt.
zzgl. 6,90 € Versand (brutto)
einmalig pro Bestellung

Lieferzeit: 5 Werktage

Pos.
854
BOSCH Axiallager | Ersatzteile für AdvancedAquatak 2000 | F016F05023
Hersteller: BOSCH
Artikelnummer: EB-3600HA7G10-F016F05023
nur Informationsartikel
Nie mehr lieferbar
keine Alternativen
Pos.
855
BOSCH Getriebekasten | Ersatzteile für AdvancedAquatak 2000 | F016F04447
Hersteller: BOSCH
Artikelnummer: EB-3600HA7G10-F016F04447
Netto: 28,93 € zzgl. MwSt.
zzgl. 6,90 € Versand (brutto)
einmalig pro Bestellung

Lieferzeit: 5 Werktage

Pos.
856
BOSCH Rückschlagventil | Ersatzteile für AdvancedAquatak 2000 | F016F04460
Hersteller: BOSCH
Artikelnummer: EB-3600HA7G10-F016F04460
Netto: 7,26 € zzgl. MwSt.
zzgl. 6,90 € Versand (brutto)
einmalig pro Bestellung

Lieferzeit: 5 Werktage

Pos.
858
BOSCH Pumpenanbau | Ersatzteile für AdvancedAquatak 2000 | F016F04627
Hersteller: BOSCH
Artikelnummer: EB-3600HA7G10-F016F04627
Netto: 7,58 € zzgl. MwSt.
zzgl. 6,90 € Versand (brutto)
einmalig pro Bestellung

Lieferzeit: 5 Werktage

Pos.
859
BOSCH Steckkupplung | Ersatzteile für AdvancedAquatak 2000 | F016F04651
Hersteller: BOSCH
Artikelnummer: EB-3600HA7G10-F016F04651
Netto: 82,83 € zzgl. MwSt.
zzgl. 6,90 € Versand (brutto)
einmalig pro Bestellung

Lieferzeit: 5 Werktage

Pos.
860
BOSCH Motordeckel | Ersatzteile für AdvancedAquatak 2000 | F016F05278
Hersteller: BOSCH
Artikelnummer: EB-3600HA7G10-F016F05278
Netto: 15,15 € zzgl. MwSt.
zzgl. 6,90 € Versand (brutto)
einmalig pro Bestellung

Lieferzeit: 5 Werktage

Pos.
861
BOSCH Schaltkasten | Ersatzteile für AdvancedAquatak 2000 | F016F04972
Hersteller: BOSCH
Artikelnummer: EB-3600HA7G10-F016F04972
Netto: 18,86 € zzgl. MwSt.
zzgl. 6,90 € Versand (brutto)
einmalig pro Bestellung

Lieferzeit: 5 Werktage

Pos.
862
BOSCH Netzanschlussleitung USA | Ersatzteile für AdvancedAquatak 2000 | F016F04971
Hersteller: BOSCH
Artikelnummer: EB-3600HA7G10-F016F04971
Netto: 61,64 € zzgl. MwSt.
zzgl. 6,90 € Versand (brutto)
einmalig pro Bestellung

Lieferzeit: 5 Werktage

Pos.
863
BOSCH Schalterbetaetiger | Ersatzteile für AdvancedAquatak 2000 | F016F04999
Hersteller: BOSCH
Artikelnummer: EB-3600HA7G10-F016F04999
Netto: 28,93 € zzgl. MwSt.
zzgl. 6,90 € Versand (brutto)
einmalig pro Bestellung

Lieferzeit: 5 Werktage

Pos.
870
BOSCH Dichtungssatz | Ersatzteile für AdvancedAquatak 2000 | F016F04458
Hersteller: BOSCH
Artikelnummer: EB-3600HA7G10-F016F04458
Netto: 7,26 € zzgl. MwSt.
zzgl. 6,90 € Versand (brutto)
einmalig pro Bestellung

Lieferzeit: 5 Werktage

Pos.
871
BOSCH Auslöser | Ersatzteile für AdvancedAquatak 2000 | F016F05280
Hersteller: BOSCH
Artikelnummer: EB-3600HA7G10-F016F05280
nur Informationsartikel
Nie mehr lieferbar
keine Alternativen
Pos.
872
BOSCH Lanze | Ersatzteile für AdvancedAquatak 2000 | F016F05281
Hersteller: BOSCH
Artikelnummer: EB-3600HA7G10-F016F05281
Netto: 10,62 € zzgl. MwSt.
zzgl. 6,90 € Versand (brutto)
einmalig pro Bestellung

Lieferzeit: 5 Werktage

Pos.
874
BOSCH Breitstrahldüse SCHWARZ | Ersatzteile für AdvancedAquatak 2000 | F016F05406
Hersteller: BOSCH
Artikelnummer: EB-3600HA7G10-F016F05406
nur Informationsartikel
Nie mehr lieferbar
keine Alternativen
Pos.
875
BOSCH Düse SCHWARZ | Ersatzteile für AdvancedAquatak 2000 | F016F05051
Hersteller: BOSCH
Artikelnummer: EB-3600HA7G10-F016F05051
nur Informationsartikel
Nie mehr lieferbar
keine Alternativen
Pos.
875
BOSCH Düse WEISS | Ersatzteile für AdvAquatak 2000 | F016F05362
Hersteller: BOSCH
Artikelnummer: EB-3600HA7G10-F016F05362
Netto: 12,50 € zzgl. MwSt.
zzgl. 6,90 € Versand (brutto)
einmalig pro Bestellung

Lieferzeit: 5 Werktage

Pos.
879
BOSCH Flasche | Ersatzteile für AdvancedAquatak 2000 | F016F05279
Hersteller: BOSCH
Artikelnummer: EB-3600HA7G10-F016F05279
nur Informationsartikel
Nie mehr lieferbar
keine Alternativen
Pos.
880
BOSCH Hochdruck-Schaumdüse ROT | Ersatzteile für AdvancedAquatak 2000 | F016F05020
Hersteller: BOSCH
Artikelnummer: EB-3600HA7G10-F016F05020
nur Informationsartikel
Nie mehr lieferbar
keine Alternativen
Pos.
882
BOSCH Wasserfilter | Ersatzteile für AdvancedAquatak 2000 | F016F05052
Hersteller: BOSCH
Artikelnummer: EB-3600HA7G10-F016F05052
Netto: 5,17 € zzgl. MwSt.
zzgl. 6,90 € Versand (brutto)
einmalig pro Bestellung

Lieferzeit: 5 Werktage

Pos.
883
BOSCH Hochdruckschlauch 8m | Ersatzteile für AdvancedAquatak 2000 | F016F04667
Hersteller: BOSCH
Artikelnummer: EB-3600HA7G10-F016F04667
nur Informationsartikel
Nie mehr lieferbar
keine Alternativen
Pos.
884
BOSCH Schlauchkupplung | Ersatzteile für AdvancedAquatak 2000 | F016F05429
Hersteller: BOSCH
Artikelnummer: EB-3600HA7G10-F016F05429
Netto: 6,27 € zzgl. MwSt.
zzgl. 6,90 € Versand (brutto)
einmalig pro Bestellung

Lieferzeit: 5 Werktage

Pos.
888
BOSCH Wasserfilter | Ersatzteile für AdvAquatak 2000 | F016F05661
Hersteller: BOSCH
Artikelnummer: EB-3600HA7G10-F016F05661
Netto: 3,94 € zzgl. MwSt.
zzgl. 6,90 € Versand (brutto)
einmalig pro Bestellung

Lieferzeit: 5 Werktage

Pos.
889
BOSCH Wasserfilter | Ersatzteile für AdvAquatak 2000 | F016F06182
Hersteller: BOSCH
Artikelnummer: EB-3600HA7G10-F016F06182
Netto: 4,56 € zzgl. MwSt.
zzgl. 6,90 € Versand (brutto)
einmalig pro Bestellung

Lieferzeit: 5 Werktage

Angaben zur Produktsicherheit

Hersteller:
Robert Bosch Power Tools GmbH
Postfach 30 02 20
70442 Stuttgart

E-Mail:
kontakt@bosch.de