BOSCH Motorgehäuse | Ersatzteile für AG60-125 | 1607000CY2

Artikelnummer: EB-3601G98010-1607000CY2

Position: 801

Marke: BOSCH


Bitte Kompatibilität prüfen!

Bitte prüfen Sie unbedingt die 10-stellige Typennummer Ihrer Maschine / Ihres Gerätes. Das Ersatzteil ist nur kompatibel, wenn Sie die Typennummer Ihrer Maschine in der unten stehenden Produktbeschreibung finden.

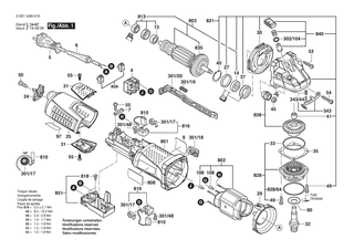
Bitte prüfen Sie ebenfalls detailliert die Explosionszeichnung mit Ihrem Artikelwunsch und der jeweiligen Pos-Nummer.

Alle Elemente, welche vom schwarzen Strich der Pos-Nummer ausgehend berührt / erfasst werden, gehören zu dieser Pos-Nummer und somit zu diesem Artikel. Jede Pos-Nummer ist ein eigenständiger Artikel, welchen Sie in der Auflistung finden.

Sie erhalten stets die aktuellste, neueste Produktversion zu der gewählten Pos-Nummer seitens des Herstellers. Es kann daher je nach Gerätealter vorkommen, dass Sie ggf. weitere, zugehörige Elemente, welche an diese Pos-Nummer grenzen, ebenfalls mittauschen müssen.

Nähere Informationen finden Sie unter dem Link
Hinweise zu Ihrer BOSCH Ersatzteilsuche

Preisübersicht

Einzelpreis: 15,15 €* (Brutto: 18,03 €)
Gesamtpreis: 15,15 €* 
Position:

Lieferzeit: 5 Werktage


Beschreibung

  • Motorgehäuse
  • Original Bosch Zubehör / BOSCH Ersatzteil (1607000CY2)
  • im Gerät verbaut: 1
Dieses BOSCH Ersatzteil ist mit folgendem Gerät und Modell kompatibel:
  • BOSCH Gerätename: AG60-125
  • BOSCH Explosionszeichnung: Position 801
  • BOSCH Typennummer: 3601G98010
  • BOSCH Typennummer alternative Schreibweisen: 3 601 G98 010, 3601 G98 010, 3.601.G98.010, 3-601-G98-010
    Bitte prüfen Sie diese Typennummer auf Ihrem Gerät um die Kompatibilität des BOSCH Ersatzteils zu gewährleisten.
Weitere BOSCH Ersatzteile des Gerätes AG60-125 (Winkelschleifer) mit der Typennummer 3601G98010 finden Sie in der nachfolgenden Darstellung und im Dropdown zu Ihrer Auswahl:

Pos.
301/1
BOSCH Motorgehäuse | Ersatzteile für AG60-125 | 1605108283
Hersteller: BOSCH
Artikelnummer: EB-3601G98010-1605108283
Netto: 13,81 € zzgl. MwSt.
zzgl. 6,90 € Versand (brutto)
einmalig pro Bestellung

Lieferzeit: 5 Werktage

Pos.
301/17
BOSCH Spiralfeder | Ersatzteile für AG60-125 | 1604652021
Hersteller: BOSCH
Artikelnummer: EB-3601G98010-1604652021
nur Informationsartikel
Nie mehr lieferbar
keine Alternativen
Pos.
301/18
BOSCH Schaltergriff | Ersatzteile für AG60-125 | 1602026091
Hersteller: BOSCH
Artikelnummer: EB-3601G98010-1602026091
Netto: 3,60 € zzgl. MwSt.
zzgl. 6,90 € Versand (brutto)
einmalig pro Bestellung

Lieferzeit: 5 Werktage

Pos.
301/19
BOSCH Druckfeder | Ersatzteile für AG60-125 | 1604611031
Hersteller: BOSCH
Artikelnummer: EB-3601G98010-1604611031
Netto: 4,80 € zzgl. MwSt.
zzgl. 6,90 € Versand (brutto)
einmalig pro Bestellung

Lieferzeit: 5 Werktage

Pos.
301/20
BOSCH Verstellschieber | Ersatzteile für AG60-125 | 1602319026
Hersteller: BOSCH
Artikelnummer: EB-3601G98010-1602319026
Netto: 3,94 € zzgl. MwSt.
zzgl. 6,90 € Versand (brutto)
einmalig pro Bestellung

Lieferzeit: 5 Werktage

Pos.
301/48
BOSCH Linsenkopfschraube 3x10 ST | Ersatzteile für AG60-125 | 1613435034
Hersteller: BOSCH
Artikelnummer: EB-3601G98010-1613435034
nur Informationsartikel
Nie mehr lieferbar
keine Alternativen
Pos.
302/104
BOSCH O-Ring 4,5x1,0 MM BLAU | Ersatzteile für AG60-125 | 1600210044
Hersteller: BOSCH
Artikelnummer: EB-3601G98010-1600210044
Netto: 3,60 € zzgl. MwSt.
zzgl. 6,90 € Versand (brutto)
einmalig pro Bestellung

Lieferzeit: 5 Werktage

Pos.
343/44
BOSCH Druckfeder | Ersatzteile für AG60-125 | 1604611042
Hersteller: BOSCH
Artikelnummer: EB-3601G98010-1604611042
nur Informationsartikel
Nie mehr lieferbar
keine Alternativen
Pos.
650/1
BOSCH Zusatzhandgriff M10 ANTI-VIBRATION | Ersatzteile für AG60-125 | 16020250A0
Hersteller: BOSCH
Artikelnummer: EB-3601G98010-16020250A0
Netto: 18,10 € zzgl. MwSt.
zzgl. 6,90 € Versand (brutto)
einmalig pro Bestellung

Lieferzeit: 5 Werktage

Pos.
650/2
BOSCH Aufnahmeflansch | Ersatzteile für AG60-125 | 1605703140
Hersteller: BOSCH
Artikelnummer: EB-3601G98010-1605703140
Netto: 8,23 € zzgl. MwSt.
zzgl. 6,90 € Versand (brutto)
einmalig pro Bestellung

Lieferzeit: 5 Werktage

Pos.
650/2/2
BOSCH O-Ring | Ersatzteile für AG60-125 | 1600210253
Hersteller: BOSCH
Artikelnummer: EB-3601G98010-1600210253
Netto: 4,76 € zzgl. MwSt.
zzgl. 6,90 € Versand (brutto)
einmalig pro Bestellung

Lieferzeit: 5 Werktage

Pos.
650/3
BOSCH Zweilochmutterndreher | Ersatzteile für AG60-125 | 1607950052
Hersteller: BOSCH
Artikelnummer: EB-3601G98010-1607950052
Netto: 5,17 € zzgl. MwSt.
zzgl. 6,90 € Versand (brutto)
einmalig pro Bestellung

Lieferzeit: 5 Werktage

Pos.
650/5
BOSCH Rundmutter 5/8" | Ersatzteile für AG60-125 | 3603340503
Hersteller: BOSCH
Artikelnummer: EB-3601G98010-3603340503
Netto: 15,15 € zzgl. MwSt.
zzgl. 6,90 € Versand (brutto)
einmalig pro Bestellung

Lieferzeit: 5 Werktage

Pos.
828/04
BOSCH O-Ring 47,0x1,5 MM | Ersatzteile für AG60-125 | 3600210109
Hersteller: BOSCH
Artikelnummer: EB-3601G98010-3600210109
Netto: 4,36 € zzgl. MwSt.
zzgl. 6,90 € Versand (brutto)
einmalig pro Bestellung

Lieferzeit: 5 Werktage

Pos.
4
BOSCH Schalter | Ersatzteile für AG60-125 | 1607200256
Hersteller: BOSCH
Artikelnummer: EB-3601G98010-160720035A
Netto: 10,62 € zzgl. MwSt.
zzgl. 6,90 € Versand (brutto)
einmalig pro Bestellung

Lieferzeit: 5 Werktage

Pos.
5
BOSCH Netzanschlussleitung USA/CAN/SMA 2,68m 2 x 1,31mm SJ 16/2 | Ersatzteile für AG60-125 | 1604460336
Hersteller: BOSCH
Artikelnummer: EB-3601G98010-1604460336
nur Informationsartikel
Nie mehr lieferbar
keine Alternativen
Pos.
6
BOSCH Tülle | Ersatzteile für AG60-125 | 1600703043
Hersteller: BOSCH
Artikelnummer: EB-3601G98010-1600703043
nur Informationsartikel
Nie mehr lieferbar
keine Alternativen
Pos.
7
BOSCH Befestigungsschelle | Ersatzteile für AG60-125 | 1601302017
Hersteller: BOSCH
Artikelnummer: EB-3601G98010-1601302017
Netto: 3,60 € zzgl. MwSt.
zzgl. 6,90 € Versand (brutto)
einmalig pro Bestellung

Lieferzeit: 5 Werktage

Pos.
9
BOSCH Firmenschild AG60-125 | Ersatzteile für AG60-125 | 1601118L46
Hersteller: BOSCH
Artikelnummer: EB-3601G98010-1601118L46
Netto: 4,56 € zzgl. MwSt.
zzgl. 6,90 € Versand (brutto)
einmalig pro Bestellung

Lieferzeit: 5 Werktage

Pos.
13
BOSCH Kugellager 7x19x6 | Ersatzteile für AG60-125 | 2600905032
Hersteller: BOSCH
Artikelnummer: EB-3601G98010-2600905032
Netto: 6,27 € zzgl. MwSt.
zzgl. 6,90 € Versand (brutto)
einmalig pro Bestellung

Lieferzeit: 5 Werktage

Pos.
14
BOSCH Rillenkugellager 8x22x7 | Ersatzteile für AG60-125 | 1600905032
Hersteller: BOSCH
Artikelnummer: EB-3601G98010-1600905032
Netto: 6,75 € zzgl. MwSt.
zzgl. 6,90 € Versand (brutto)
einmalig pro Bestellung

Lieferzeit: 5 Werktage

Pos.
24
BOSCH Deckel | Ersatzteile für AG60-125 | 1605500274
Hersteller: BOSCH
Artikelnummer: EB-3601G98010-1605500274
Netto: 4,80 € zzgl. MwSt.
zzgl. 6,90 € Versand (brutto)
einmalig pro Bestellung

Lieferzeit: 5 Werktage

Pos.
25
BOSCH Gehäusedeckel | Ersatzteile für AG60-125 | 1605500276
Hersteller: BOSCH
Artikelnummer: EB-3601G98010-1605500276
Netto: 8,23 € zzgl. MwSt.
zzgl. 6,90 € Versand (brutto)
einmalig pro Bestellung

Lieferzeit: 5 Werktage

Pos.
27
BOSCH Gummiring | Ersatzteile für AG60-125 | 1600206025
Hersteller: BOSCH
Artikelnummer: EB-3601G98010-1600206025
Netto: 4,36 € zzgl. MwSt.
zzgl. 6,90 € Versand (brutto)
einmalig pro Bestellung

Lieferzeit: 5 Werktage

Pos.
29
BOSCH Luftleitring | Ersatzteile für AG60-125 | 1600591047
Hersteller: BOSCH
Artikelnummer: EB-3601G98010-1600591047
nur Informationsartikel
Nie mehr lieferbar
keine Alternativen
Pos.
30
BOSCH Luftverteiler | Ersatzteile für AG60-125 | 1600591048
Hersteller: BOSCH
Artikelnummer: EB-3601G98010-1600591048
nur Informationsartikel
Nie mehr lieferbar
keine Alternativen
Pos.
31
BOSCH Bürstendeckel | Ersatzteile für AG60-125 | 1605500277
Hersteller: BOSCH
Artikelnummer: EB-3601G98010-1600A01M0M
Netto: 4,36 € zzgl. MwSt.
zzgl. 6,90 € Versand (brutto)
einmalig pro Bestellung

Lieferzeit: 5 Werktage

Pos.
32
BOSCH Schleifspindel | Ersatzteile für AG60-125 | 1607000D6B
Hersteller: BOSCH
Artikelnummer: EB-3601G98010-1607000D6B
Netto: 8,23 € zzgl. MwSt.
zzgl. 6,90 € Versand (brutto)
einmalig pro Bestellung

Lieferzeit: 5 Werktage

Pos.
32
BOSCH Schleifspindel 5/8" | Ersatzteile für AG60-125 | 1603523122
Hersteller: BOSCH
Artikelnummer: EB-3601G98010-1603523122
nur Informationsartikel
Nie mehr lieferbar
keine Alternativen
Pos.
33
BOSCH O-Ring 46,0x1,1 MM | Ersatzteile für AG60-125 | 1600210035
Hersteller: BOSCH
Artikelnummer: EB-3601G98010-1600210035
nur Informationsartikel
Nie mehr lieferbar
keine Alternativen
Pos.
35
BOSCH Ausgleichscheibe 0,1 MM DICK | Ersatzteile für AG60-125 | 1600136013
Hersteller: BOSCH
Artikelnummer: EB-3601G98010-1600136013
nur Informationsartikel
Nie mehr lieferbar
keine Alternativen
Pos.
35
BOSCH Ausgleichscheibe 0,15 MM DICK | Ersatzteile für AG60-125 | 1600136020
Hersteller: BOSCH
Artikelnummer: EB-3601G98010-1600136020
nur Informationsartikel
Nie mehr lieferbar
keine Alternativen
Pos.
35
BOSCH Ausgleichscheibe 0,2 MM DICK | Ersatzteile für AG60-125 | 1600136014
Hersteller: BOSCH
Artikelnummer: EB-3601G98010-1600136014
nur Informationsartikel
Nie mehr lieferbar
keine Alternativen
Pos.
35
BOSCH Ausgleichscheibe 0,3 MM DICK | Ersatzteile für AG60-125 | 1600136015
Hersteller: BOSCH
Artikelnummer: EB-3601G98010-1600136015
nur Informationsartikel
Nie mehr lieferbar
keine Alternativen
Pos.
37
BOSCH Radial-Wellendichtring | Ersatzteile für AG60-125 | 1600290016
Hersteller: BOSCH
Artikelnummer: EB-3601G98010-1600290016
Netto: 4,56 € zzgl. MwSt.
zzgl. 6,90 € Versand (brutto)
einmalig pro Bestellung

Lieferzeit: 5 Werktage

Pos.
40
BOSCH Sicherungsbügel | Ersatzteile für AG60-125 | 1600119011
Hersteller: BOSCH
Artikelnummer: EB-3601G98010-1600119011
Netto: 4,36 € zzgl. MwSt.
zzgl. 6,90 € Versand (brutto)
einmalig pro Bestellung

Lieferzeit: 5 Werktage

Pos.
41
BOSCH Gleitlager | Ersatzteile für AG60-125 | 1600200029
Hersteller: BOSCH
Artikelnummer: EB-3601G98010-1600200029
Netto: 5,65 € zzgl. MwSt.
zzgl. 6,90 € Versand (brutto)
einmalig pro Bestellung

Lieferzeit: 5 Werktage

Pos.
45
BOSCH Sechskantmutter M7, SW10 | Ersatzteile für AG60-125 | 1603300016
Hersteller: BOSCH
Artikelnummer: EB-3601G98010-1603300016
Netto: 3,94 € zzgl. MwSt.
zzgl. 6,90 € Versand (brutto)
einmalig pro Bestellung

Lieferzeit: 5 Werktage

Pos.
49
BOSCH Gewindefurchschraube M4x16-St w/ Precote 85-3 | Ersatzteile für AG60-125 | 160343508X
Hersteller: BOSCH
Artikelnummer: EB-3601G98010-160343508X
Netto: 3,60 € zzgl. MwSt.
zzgl. 6,90 € Versand (brutto)
einmalig pro Bestellung

Lieferzeit: 5 Werktage

Pos.
50
BOSCH Torx-Linsenschraube 4x20 | Ersatzteile für AG60-125 | 2603490023
Hersteller: BOSCH
Artikelnummer: EB-3601G98010-2603490023
Netto: 3,60 € zzgl. MwSt.
zzgl. 6,90 € Versand (brutto)
einmalig pro Bestellung

Lieferzeit: 5 Werktage

Pos.
53
BOSCH Torx-Linsenschraube | Ersatzteile für AG60-125 | 1603435078
Hersteller: BOSCH
Artikelnummer: EB-3601G98010-1603435078
Netto: 3,60 € zzgl. MwSt.
zzgl. 6,90 € Versand (brutto)
einmalig pro Bestellung

Lieferzeit: 5 Werktage

Pos.
54
BOSCH Torx-Linsenschraube 4x30 | Ersatzteile für AG60-125 | 1603414026
Hersteller: BOSCH
Artikelnummer: EB-3601G98010-1603414026
nur Informationsartikel
Nie mehr lieferbar
keine Alternativen
Pos.
55
BOSCH Torx-Linsenschraube 4x12 | Ersatzteile für AG60-125 | 2603490021
Hersteller: BOSCH
Artikelnummer: EB-3601G98010-2603490021
Netto: 3,60 € zzgl. MwSt.
zzgl. 6,90 € Versand (brutto)
einmalig pro Bestellung

Lieferzeit: 5 Werktage

Pos.
80
BOSCH Abdeckscheibe | Ersatzteile für AG60-125 | 1619P09390
Hersteller: BOSCH
Artikelnummer: EB-3601G98010-1619P09390
Netto: 4,36 € zzgl. MwSt.
zzgl. 6,90 € Versand (brutto)
einmalig pro Bestellung

Lieferzeit: 5 Werktage

Pos.
80
BOSCH Dichtscheibe | Ersatzteile für AG60-125 | 3600150021
Hersteller: BOSCH
Artikelnummer: EB-3601G98010-3600150021
Netto: 4,15 € zzgl. MwSt.
zzgl. 6,90 € Versand (brutto)
einmalig pro Bestellung

Lieferzeit: 5 Werktage

Pos.
97
BOSCH Warnschild | Ersatzteile für AG60-125 | 1601118L49
Hersteller: BOSCH
Artikelnummer: EB-3601G98010-1601118L49
Netto: 4,32 € zzgl. MwSt.
zzgl. 6,90 € Versand (brutto)
einmalig pro Bestellung

Lieferzeit: 5 Werktage

Pos.
108
BOSCH Isolierteil | Ersatzteile für AG60-125 | 1600712030
Hersteller: BOSCH
Artikelnummer: EB-3601G98010-1600712030
Netto: 3,94 € zzgl. MwSt.
zzgl. 6,90 € Versand (brutto)
einmalig pro Bestellung

Lieferzeit: 5 Werktage

Pos.
343
BOSCH Rasthebel | Ersatzteile für AG60-125 | 1607000742
Hersteller: BOSCH
Artikelnummer: EB-3601G98010-1607000742
nur Informationsartikel
Nie mehr lieferbar
keine Alternativen
Pos.
651
BOSCH Schutzhaube | Ersatzteile für AG60-125 | 1600A00XL6
Hersteller: BOSCH
Artikelnummer: EB-3601G98010-1600A00XL6
Netto: 15,15 € zzgl. MwSt.
zzgl. 6,90 € Versand (brutto)
einmalig pro Bestellung

Lieferzeit: 5 Werktage

Pos.
651
BOSCH Schutzhaube Ø150 MM | Ersatzteile für AG60-125 | 1605510379
Hersteller: BOSCH
Artikelnummer: EB-3601G98010-1605510379
Netto: 17,03 € zzgl. MwSt.
zzgl. 6,90 € Versand (brutto)
einmalig pro Bestellung

Lieferzeit: 5 Werktage

Pos.
652
BOSCH Schutzhaube Ø 150 MM | Ersatzteile für AG60-125 | 1605510382
Hersteller: BOSCH
Artikelnummer: EB-3601G98010-1605510382
Netto: 15,15 € zzgl. MwSt.
zzgl. 6,90 € Versand (brutto)
einmalig pro Bestellung

Lieferzeit: 5 Werktage

Pos.
801
BOSCH Motorgehäuse | Ersatzteile für AG60-125 | 1607000CY2
Hersteller: BOSCH
Artikelnummer: EB-3601G98010-1607000CY2
Netto: 15,15 € zzgl. MwSt.
zzgl. 6,90 € Versand (brutto)
einmalig pro Bestellung

Lieferzeit: 5 Werktage

Pos.
802
BOSCH Polschuhbaugruppe 127V | Ersatzteile für AG60-125 | 1604220533
Hersteller: BOSCH
Artikelnummer: EB-3601G98010-1604220533
Netto: 28,93 € zzgl. MwSt.
zzgl. 6,90 € Versand (brutto)
einmalig pro Bestellung

Lieferzeit: 5 Werktage

Pos.
803
BOSCH Anker 120V | Ersatzteile für AG60-125 | 1607000V66
Hersteller: BOSCH
Artikelnummer: EB-3601G98010-1607000V66
Netto: 91,88 € zzgl. MwSt.
zzgl. 6,90 € Versand (brutto)
einmalig pro Bestellung

Lieferzeit: 5 Werktage

Pos.
808
BOSCH Typschild | Ersatzteile für AG60-125 | 1601106070
Hersteller: BOSCH
Artikelnummer: EB-3601G98010-1601106070
Netto: 4,56 € zzgl. MwSt.
zzgl. 6,90 € Versand (brutto)
einmalig pro Bestellung

Lieferzeit: 5 Werktage

Pos.
809
BOSCH Dichtung | Ersatzteile für AG60-125 | 1607000D9C
Hersteller: BOSCH
Artikelnummer: EB-3601G98010-1607000D9C
Netto: 3,94 € zzgl. MwSt.
zzgl. 6,90 € Versand (brutto)
einmalig pro Bestellung

Lieferzeit: 5 Werktage

Pos.
810
BOSCH Kohlebürstensatz | Ersatzteile für AG60-125 | 1607000V61
Hersteller: BOSCH
Artikelnummer: EB-3601G98010-1607000V61
Netto: 12,50 € zzgl. MwSt.
zzgl. 6,90 € Versand (brutto)
einmalig pro Bestellung

Lieferzeit: 5 Werktage

Pos.
813
BOSCH Rillenkugellager | Ersatzteile für AG60-125 | 1607000V38
Hersteller: BOSCH
Artikelnummer: EB-3601G98010-1607000V38
Netto: 7,66 € zzgl. MwSt.
zzgl. 6,90 € Versand (brutto)
einmalig pro Bestellung

Lieferzeit: 5 Werktage

Pos.
816
BOSCH Bürstenhalter | Ersatzteile für AG60-125 | 1607000V43
Hersteller: BOSCH
Artikelnummer: EB-3601G98010-1607000V43
Netto: 5,17 € zzgl. MwSt.
zzgl. 6,90 € Versand (brutto)
einmalig pro Bestellung

Lieferzeit: 5 Werktage

Pos.
818
BOSCH Flachkopfschraube | Ersatzteile für AG60-125 | 1607000V42
Hersteller: BOSCH
Artikelnummer: EB-3601G98010-1607000V42
Netto: 3,60 € zzgl. MwSt.
zzgl. 6,90 € Versand (brutto)
einmalig pro Bestellung

Lieferzeit: 5 Werktage

Pos.
821
BOSCH Getriebegehäuse | Ersatzteile für AG60-125 | 1607000V40
Hersteller: BOSCH
Artikelnummer: EB-3601G98010-1607000V40
Netto: 20,80 € zzgl. MwSt.
zzgl. 6,90 € Versand (brutto)
einmalig pro Bestellung

Lieferzeit: 5 Werktage

Pos.
828
BOSCH Lagerflansch | Ersatzteile für AG60-125 | 1607000D6D
Hersteller: BOSCH
Artikelnummer: EB-3601G98010-1607000D6D
Netto: 12,50 € zzgl. MwSt.
zzgl. 6,90 € Versand (brutto)
einmalig pro Bestellung

Lieferzeit: 5 Werktage

Pos.
835
BOSCH Lüfter | Ersatzteile für AG60-125 | 1606610132
Hersteller: BOSCH
Artikelnummer: EB-3601G98010-1606610132
nur Informationsartikel
Nie mehr lieferbar
keine Alternativen
Pos.
838
BOSCH Getriebeeinheit | Ersatzteile für AG60-125 | 1607000D4Z
Hersteller: BOSCH
Artikelnummer: EB-3601G98010-1607000D4Z
Netto: 16,70 € zzgl. MwSt.
zzgl. 6,90 € Versand (brutto)
einmalig pro Bestellung

Lieferzeit: 5 Werktage

Pos.
840
BOSCH Druckknopf | Ersatzteile für AG60-125 | 1607000V41
Hersteller: BOSCH
Artikelnummer: EB-3601G98010-1607000V41
Netto: 5,65 € zzgl. MwSt.
zzgl. 6,90 € Versand (brutto)
einmalig pro Bestellung

Lieferzeit: 5 Werktage

Pos.
851
BOSCH Drehzahlregler | Ersatzteile für AG60-125 | 1607233478
Hersteller: BOSCH
Artikelnummer: EB-3601G98010-1607233478
Netto: 60,55 € zzgl. MwSt.
zzgl. 6,90 € Versand (brutto)
einmalig pro Bestellung

Lieferzeit: 5 Werktage

Pos.
891
BOSCH Bügelgriff | Ersatzteile für AG60-125 | 2602025027
Hersteller: BOSCH
Artikelnummer: EB-3601G98010-2602025027
nur Informationsartikel
Nie mehr lieferbar
keine Alternativen
Pos.
891
BOSCH Zusatzhandgriff M10 | Ersatzteile für AG60-125 | 1602025027
Hersteller: BOSCH
Artikelnummer: EB-3601G98010-1602025027
Netto: 7,26 € zzgl. MwSt.
zzgl. 6,90 € Versand (brutto)
einmalig pro Bestellung

Lieferzeit: 5 Werktage

Angaben zur Produktsicherheit

Hersteller:
Robert Bosch Power Tools GmbH
Postfach 30 02 20
70442 Stuttgart

E-Mail:
kontakt@bosch.de