BOSCH Hinweisschild SCHATTENSEITE | Ersatzteile für AGS 50 | 2601119402

Artikelnummer: EB-0600832042-2601119402

Position: 20

Marke: BOSCH


Bitte Kompatibilität prüfen!

Bitte prüfen Sie unbedingt die 10-stellige Typennummer Ihrer Maschine / Ihres Gerätes. Das Ersatzteil ist nur kompatibel, wenn Sie die Typennummer Ihrer Maschine in der unten stehenden Produktbeschreibung finden.

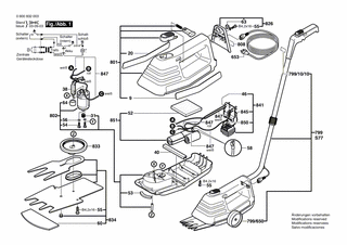
Bitte prüfen Sie ebenfalls detailliert die Explosionszeichnung mit Ihrem Artikelwunsch und der jeweiligen Pos-Nummer.

Alle Elemente, welche vom schwarzen Strich der Pos-Nummer ausgehend berührt / erfasst werden, gehören zu dieser Pos-Nummer und somit zu diesem Artikel. Jede Pos-Nummer ist ein eigenständiger Artikel, welchen Sie in der Auflistung finden.

Sie erhalten stets die aktuellste, neueste Produktversion zu der gewählten Pos-Nummer seitens des Herstellers. Es kann daher je nach Gerätealter vorkommen, dass Sie ggf. weitere, zugehörige Elemente, welche an diese Pos-Nummer grenzen, ebenfalls mittauschen müssen.

Nähere Informationen finden Sie unter dem Link
Hinweise zu Ihrer BOSCH Ersatzteilsuche

Preisübersicht

Einzelpreis: 5,21 €* (Brutto: 6,20 €)
Gesamtpreis: 5,21 €* 
Position:

Lieferzeit: 5 Werktage


Beschreibung

  • Hinweisschild SCHATTENSEITE
  • Original Bosch Zubehör / BOSCH Ersatzteil (2601119402)
  • im Gerät verbaut: 1
Dieses BOSCH Ersatzteil ist mit folgendem Gerät und Modell kompatibel:
  • BOSCH Gerätename: AGS 50
  • BOSCH Explosionszeichnung: Position 20
  • BOSCH Typennummer: 0600832042
  • BOSCH Typennummer alternative Schreibweisen: 0 600 832 042, 0600 832 042, 0.600.832.042, 0-600-832-042
    Bitte prüfen Sie diese Typennummer auf Ihrem Gerät um die Kompatibilität des BOSCH Ersatzteils zu gewährleisten.
Weitere BOSCH Ersatzteile des Gerätes AGS 50 (Akku-Grasschere) mit der Typennummer 0600832042 finden Sie in der nachfolgenden Darstellung und im Dropdown zu Ihrer Auswahl:

Pos.
799/10/10
BOSCH Firmenschild | Ersatzteile für AGS 50 | 2601110601
Hersteller: BOSCH
Artikelnummer: EB-0600832042-2601110601
nur Informationsartikel
Nie mehr lieferbar
keine Alternativen
Pos.
799/650
BOSCH Laufrad | Ersatzteile für AGS 50 | 1609200927
Hersteller: BOSCH
Artikelnummer: EB-0600832042-1609200927
nur Informationsartikel
Nie mehr lieferbar
keine Alternativen
Pos.
9
BOSCH Firmenschild SONNENSEITE | Ersatzteile für AGS 50 | 2601119372
Hersteller: BOSCH
Artikelnummer: EB-0600832042-2601119372
nur Informationsartikel
Nie mehr lieferbar
keine Alternativen
Pos.
20
BOSCH Hinweisschild SCHATTENSEITE | Ersatzteile für AGS 50 | 2601119402
Hersteller: BOSCH
Artikelnummer: EB-0600832042-2601119402
Netto: 5,21 € zzgl. MwSt.
zzgl. 6,90 € Versand (brutto)
einmalig pro Bestellung

Lieferzeit: 5 Werktage

Pos.
31
BOSCH Ritzel Z=10, Ø2,3 MM | Ersatzteile für AGS 50 | 2606316175
Hersteller: BOSCH
Artikelnummer: EB-0600832042-2606316175
nur Informationsartikel
Nie mehr lieferbar
keine Alternativen
Pos.
38
BOSCH Kontaktträger | Ersatzteile für AGS 50 | 2608018002
Hersteller: BOSCH
Artikelnummer: EB-0600832042-2608018002
nur Informationsartikel
Nie mehr lieferbar
keine Alternativen
Pos.
40
BOSCH Abdeckschiene | Ersatzteile für AGS 50 | 2602386000
Hersteller: BOSCH
Artikelnummer: EB-0600832042-2602386000
nur Informationsartikel
Nie mehr lieferbar
keine Alternativen
Pos.
46
BOSCH Kontakthülse | Ersatzteile für AGS 50 | 2600422003
Hersteller: BOSCH
Artikelnummer: EB-0600832042-2600422003
nur Informationsartikel
Nie mehr lieferbar
keine Alternativen
Pos.
52
BOSCH Dämmplatte 60x80x2 MM | Ersatzteile für AGS 50 | 2602388007
Hersteller: BOSCH
Artikelnummer: EB-0600832042-2602388007
nur Informationsartikel
Nie mehr lieferbar
keine Alternativen
Pos.
53
BOSCH Schmutzabstreifer | Ersatzteile für AGS 50 | 2602391002
Hersteller: BOSCH
Artikelnummer: EB-0600832042-2602391002
nur Informationsartikel
Nie mehr lieferbar
keine Alternativen
Pos.
54
BOSCH Zylinderschraube AM 2,6x8 MM | Ersatzteile für AGS 50 | 2603413030
Hersteller: BOSCH
Artikelnummer: EB-0600832042-2603413030
nur Informationsartikel
Nie mehr lieferbar
keine Alternativen
Pos.
55
BOSCH Schraube 4x16 | Ersatzteile für AGS 50 | 2603490022
Hersteller: BOSCH
Artikelnummer: EB-0600832042-2603490022
Netto: 0,59 € zzgl. MwSt.
zzgl. 6,90 € Versand (brutto)
einmalig pro Bestellung

Lieferzeit: 5 Werktage

Pos.
56
BOSCH Sicherungsring | Ersatzteile für AGS 50 | 2600116037
Hersteller: BOSCH
Artikelnummer: EB-0600832042-2600116037
nur Informationsartikel
Nie mehr lieferbar
keine Alternativen
Pos.
58
BOSCH Steckhülse | Ersatzteile für AGS 50 | 1904478015
Hersteller: BOSCH
Artikelnummer: EB-0600832042-1904478015
Netto: 0,62 € zzgl. MwSt.
zzgl. 6,90 € Versand (brutto)
einmalig pro Bestellung

Lieferzeit: 5 Werktage

Pos.
60
BOSCH Schutzkappe | Ersatzteile für AGS 50 | 2605510017
Hersteller: BOSCH
Artikelnummer: EB-0600832042-2605510017
nur Informationsartikel
Nie mehr lieferbar
keine Alternativen
Pos.
63
BOSCH Schutzkappe | Ersatzteile für AGS 50 | 2605500141
Hersteller: BOSCH
Artikelnummer: EB-0600832042-2605500141
nur Informationsartikel
Nie mehr lieferbar
keine Alternativen
Pos.
64
BOSCH Adapter | Ersatzteile für AGS 50 | 2605719025
Hersteller: BOSCH
Artikelnummer: EB-0600832042-2605719025
nur Informationsartikel
Nie mehr lieferbar
keine Alternativen
Pos.
653
BOSCH Netzanschlussleitung GB 1,1m | Ersatzteile für AGS 50 | 2604460111
Hersteller: BOSCH
Artikelnummer: EB-0600832042-2604460111
nur Informationsartikel
Nie mehr lieferbar
keine Alternativen
Pos.
799
BOSCH Führungsbügel GRUEN | Ersatzteile für AGS 50 | 2607001181
Hersteller: BOSCH
Artikelnummer: EB-0600832042-2607001181
nur Informationsartikel
Nie mehr lieferbar
keine Alternativen
Pos.
801
BOSCH Gehäuseoberteil GRUEN | Ersatzteile für AGS 50 | 2605104831
Hersteller: BOSCH
Artikelnummer: EB-0600832042-2605104831
nur Informationsartikel
Nie mehr lieferbar
keine Alternativen
Pos.
802
BOSCH Gleichstrommotor 18V | Ersatzteile für AGS 50 | 2607022960
Hersteller: BOSCH
Artikelnummer: EB-0600832042-2607022960
nur Informationsartikel
Nie mehr lieferbar
keine Alternativen
Pos.
808
BOSCH Typschild | Ersatzteile für AGS 50 | 160111A3H4
Hersteller: BOSCH
Artikelnummer: EB-0600832042-160111A3H4
nur Informationsartikel
Nie mehr lieferbar
keine Alternativen
Pos.
826
BOSCH Gehäusedeckel GRUEN | Ersatzteile für AGS 50 | 2605500906
Hersteller: BOSCH
Artikelnummer: EB-0600832042-2605500906
nur Informationsartikel
Nie mehr lieferbar
keine Alternativen
Pos.
833
BOSCH Exzenterzahnrad Z=85 | Ersatzteile für AGS 50 | 2606334901
Hersteller: BOSCH
Artikelnummer: EB-0600832042-2606334901
nur Informationsartikel
Nie mehr lieferbar
keine Alternativen
Pos.
834
BOSCH Messersatz 80 MM | Ersatzteile für AGS 50 | 1609200907
Hersteller: BOSCH
Artikelnummer: EB-0600832042-1609200907
nur Informationsartikel
Nie mehr lieferbar
keine Alternativen
Pos.
841
BOSCH Ladetransformator 230V/4,8V | Ersatzteile für AGS 50 | 1609200915
Hersteller: BOSCH
Artikelnummer: EB-0600832042-1609200915
nur Informationsartikel
Nie mehr lieferbar
keine Alternativen
Pos.
845
BOSCH Teilesatz 2 STUECK | Ersatzteile für AGS 50 | 2607010227
Hersteller: BOSCH
Artikelnummer: EB-0600832042-2607010227
nur Informationsartikel
Nie mehr lieferbar
keine Alternativen
Pos.
847
BOSCH Elektr Leitung | Ersatzteile für AGS 50 | 2604412900
Hersteller: BOSCH
Artikelnummer: EB-0600832042-2604412900
nur Informationsartikel
Nie mehr lieferbar
keine Alternativen
Pos.
850
BOSCH Verbindungsleitung L=63 MM WEISS | Ersatzteile für AGS 50 | 2604412023
Hersteller: BOSCH
Artikelnummer: EB-0600832042-2604412023
nur Informationsartikel
Nie mehr lieferbar
keine Alternativen
Pos.
851
BOSCH Batteriesatz 3,6V | Ersatzteile für AGS 50 | 1609200913
Hersteller: BOSCH
Artikelnummer: EB-0600832042-1609200913
nur Informationsartikel
Nie mehr lieferbar
keine Alternativen

Angaben zur Produktsicherheit

Hersteller:
Robert Bosch Power Tools GmbH
Postfach 30 02 20
70442 Stuttgart

E-Mail:
kontakt@bosch.de