BOSCH Henkel | Ersatzteile für AHM 30 | F016F05520

Artikelnummer: EB-3600H86003-F016F05520

Position: 1

Marke: BOSCH


Bitte Kompatibilität prüfen!

Bitte prüfen Sie unbedingt die 10-stellige Typennummer Ihrer Maschine / Ihres Gerätes. Das Ersatzteil ist nur kompatibel, wenn Sie die Typennummer Ihrer Maschine in der unten stehenden Produktbeschreibung finden.

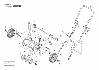
Bitte prüfen Sie ebenfalls detailliert die Explosionszeichnung mit Ihrem Artikelwunsch und der jeweiligen Pos-Nummer.

Alle Elemente, welche vom schwarzen Strich der Pos-Nummer ausgehend berührt / erfasst werden, gehören zu dieser Pos-Nummer und somit zu diesem Artikel. Jede Pos-Nummer ist ein eigenständiger Artikel, welchen Sie in der Auflistung finden.

Sie erhalten stets die aktuellste, neueste Produktversion zu der gewählten Pos-Nummer seitens des Herstellers. Es kann daher je nach Gerätealter vorkommen, dass Sie ggf. weitere, zugehörige Elemente, welche an diese Pos-Nummer grenzen, ebenfalls mittauschen müssen.

Nähere Informationen finden Sie unter dem Link
Hinweise zu Ihrer BOSCH Ersatzteilsuche

Preisübersicht

Einzelpreis: 9,18 €* (Brutto: 10,92 €)
Gesamtpreis: 9,18 €* 
Position:

Lieferzeit: 5 Werktage


Beschreibung

  • Henkel
  • Original Bosch Zubehör / BOSCH Ersatzteil (F016F05520)
  • im Gerät verbaut: 1
Dieses BOSCH Ersatzteil ist mit folgendem Gerät und Modell kompatibel:
  • BOSCH Gerätename: AHM 30
  • BOSCH Explosionszeichnung: Position 1
  • BOSCH Typennummer: 3600H86003
  • BOSCH Typennummer alternative Schreibweisen: 3 600 H86 003, 3600 H86 003, 3.600.H86.003, 3-600-H86-003
    Bitte prüfen Sie diese Typennummer auf Ihrem Gerät um die Kompatibilität des BOSCH Ersatzteils zu gewährleisten.
Weitere BOSCH Ersatzteile des Gerätes AHM 30 (Rasenmäher) mit der Typennummer 3600H86003 finden Sie in der nachfolgenden Darstellung und im Dropdown zu Ihrer Auswahl:

Pos.
1
BOSCH Henkel | Ersatzteile für AHM 30 | F016F05520
Hersteller: BOSCH
Artikelnummer: EB-3600H86003-F016F05520
Netto: 9,18 € zzgl. MwSt.
zzgl. 6,90 € Versand (brutto)
einmalig pro Bestellung

Lieferzeit: 5 Werktage

Pos.
2
BOSCH Schraube | Ersatzteile für AHM 30 | F016F05521
Hersteller: BOSCH
Artikelnummer: EB-3600H86003-F016F05521
Netto: 4,32 € zzgl. MwSt.
zzgl. 6,90 € Versand (brutto)
einmalig pro Bestellung

Lieferzeit: 5 Werktage

Pos.
3
BOSCH Henkel | Ersatzteile für AHM 30 | F016F05522
Hersteller: BOSCH
Artikelnummer: EB-3600H86003-F016F05522
Netto: 8,33 € zzgl. MwSt.
zzgl. 6,90 € Versand (brutto)
einmalig pro Bestellung

Lieferzeit: 5 Werktage

Pos.
4
BOSCH Henkel | Ersatzteile für AHM 30 | F016F05523
Hersteller: BOSCH
Artikelnummer: EB-3600H86003-F016F05523
Netto: 9,95 € zzgl. MwSt.
zzgl. 6,90 € Versand (brutto)
einmalig pro Bestellung

Lieferzeit: 5 Werktage

Pos.
7
BOSCH Spindel | Ersatzteile für AHM 30 | F016F05525
Hersteller: BOSCH
Artikelnummer: EB-3600H86003-F016F05525
Netto: 4,32 € zzgl. MwSt.
zzgl. 6,90 € Versand (brutto)
einmalig pro Bestellung

Lieferzeit: 5 Werktage

Pos.
8
BOSCH Haltearm | Ersatzteile für AHM 30 | F016F05524
Hersteller: BOSCH
Artikelnummer: EB-3600H86003-F016F05524
Netto: 4,82 € zzgl. MwSt.
zzgl. 6,90 € Versand (brutto)
einmalig pro Bestellung

Lieferzeit: 5 Werktage

Pos.
9
BOSCH Walze | Ersatzteile für AHM 30 | F016F05526
Hersteller: BOSCH
Artikelnummer: EB-3600H86003-F016F05526
Netto: 5,19 € zzgl. MwSt.
zzgl. 6,90 € Versand (brutto)
einmalig pro Bestellung

Lieferzeit: 5 Werktage

Pos.
10
BOSCH Flügelmutter | Ersatzteile für AHM 30 | F016F05527
Hersteller: BOSCH
Artikelnummer: EB-3600H86003-F016F05527
Netto: 4,53 € zzgl. MwSt.
zzgl. 6,90 € Versand (brutto)
einmalig pro Bestellung

Lieferzeit: 5 Werktage

Pos.
11
BOSCH Chassis | Ersatzteile für AHM 30 | F016F05534
Hersteller: BOSCH
Artikelnummer: EB-3600H86003-F016F05534
Netto: 26,88 € zzgl. MwSt.
zzgl. 6,90 € Versand (brutto)
einmalig pro Bestellung

Lieferzeit: 5 Werktage

Pos.
12
BOSCH Knopf | Ersatzteile für AHM 30 | F016F05528
Hersteller: BOSCH
Artikelnummer: EB-3600H86003-F016F05528
Netto: 4,32 € zzgl. MwSt.
zzgl. 6,90 € Versand (brutto)
einmalig pro Bestellung

Lieferzeit: 5 Werktage

Pos.
13
BOSCH Rad | Ersatzteile für AHM 30 | F016F05529
Hersteller: BOSCH
Artikelnummer: EB-3600H86003-F016F05529
Netto: 11,92 € zzgl. MwSt.
zzgl. 6,90 € Versand (brutto)
einmalig pro Bestellung

Lieferzeit: 5 Werktage

Pos.
14
BOSCH Sicherungsclip | Ersatzteile für AHM 30 | F016F05530
Hersteller: BOSCH
Artikelnummer: EB-3600H86003-F016F05530
Netto: 3,63 € zzgl. MwSt.
zzgl. 6,90 € Versand (brutto)
einmalig pro Bestellung

Lieferzeit: 5 Werktage

Pos.
15
BOSCH Rückhaltering | Ersatzteile für AHM 30 | F016F05531
Hersteller: BOSCH
Artikelnummer: EB-3600H86003-F016F05531
Netto: 3,63 € zzgl. MwSt.
zzgl. 6,90 € Versand (brutto)
einmalig pro Bestellung

Lieferzeit: 5 Werktage

Pos.
16
BOSCH Ritzel | Ersatzteile für AHM 30 | F016F05532
Hersteller: BOSCH
Artikelnummer: EB-3600H86003-F016F05532
Netto: 4,32 € zzgl. MwSt.
zzgl. 6,90 € Versand (brutto)
einmalig pro Bestellung

Lieferzeit: 5 Werktage

Pos.
17
BOSCH Zustellklinke | Ersatzteile für AHM 30 | F016F05533
Hersteller: BOSCH
Artikelnummer: EB-3600H86003-F016F05533
Netto: 3,94 € zzgl. MwSt.
zzgl. 6,90 € Versand (brutto)
einmalig pro Bestellung

Lieferzeit: 5 Werktage

Pos.
18
BOSCH Lager | Ersatzteile für AHM 30 | F016F05535
Hersteller: BOSCH
Artikelnummer: EB-3600H86003-F016F05535
Netto: 5,19 € zzgl. MwSt.
zzgl. 6,90 € Versand (brutto)
einmalig pro Bestellung

Lieferzeit: 5 Werktage

Pos.
19
BOSCH Feder | Ersatzteile für AHM 30 | F016F05536
Hersteller: BOSCH
Artikelnummer: EB-3600H86003-F016F05536
Netto: 3,94 € zzgl. MwSt.
zzgl. 6,90 € Versand (brutto)
einmalig pro Bestellung

Lieferzeit: 5 Werktage

Pos.
20
BOSCH Maehspindel | Ersatzteile für AHM 30 | F016F05537
Hersteller: BOSCH
Artikelnummer: EB-3600H86003-F016F05537
Netto: 21,16 € zzgl. MwSt.
zzgl. 6,90 € Versand (brutto)
einmalig pro Bestellung

Lieferzeit: 5 Werktage

Pos.
21
BOSCH Sicherungsbügel | Ersatzteile für AHM 30 | F016F05538
Hersteller: BOSCH
Artikelnummer: EB-3600H86003-F016F05538
Netto: 3,63 € zzgl. MwSt.
zzgl. 6,90 € Versand (brutto)
einmalig pro Bestellung

Lieferzeit: 5 Werktage

Pos.
22
BOSCH Adapter | Ersatzteile für AHM 30 | F016F05539
Hersteller: BOSCH
Artikelnummer: EB-3600H86003-F016F05539
Netto: 4,32 € zzgl. MwSt.
zzgl. 6,90 € Versand (brutto)
einmalig pro Bestellung

Lieferzeit: 5 Werktage

Pos.
23
BOSCH Ritzel | Ersatzteile für AHM 30 | F016F05540
Hersteller: BOSCH
Artikelnummer: EB-3600H86003-F016F05540
Netto: 4,32 € zzgl. MwSt.
zzgl. 6,90 € Versand (brutto)
einmalig pro Bestellung

Lieferzeit: 5 Werktage

Pos.
24
BOSCH Firmenschild | Ersatzteile für AHM 30 | F016F05541
Hersteller: BOSCH
Artikelnummer: EB-3600H86003-F016F05541
Netto: 4,53 € zzgl. MwSt.
zzgl. 6,90 € Versand (brutto)
einmalig pro Bestellung

Lieferzeit: 5 Werktage

Pos.
25
BOSCH Typschild | Ersatzteile für AHM 30 | F016F05542
Hersteller: BOSCH
Artikelnummer: EB-3600H86003-F016F05542
Netto: 4,53 € zzgl. MwSt.
zzgl. 6,90 € Versand (brutto)
einmalig pro Bestellung

Lieferzeit: 5 Werktage

Angaben zur Produktsicherheit

Hersteller:
Robert Bosch Power Tools GmbH
Postfach 30 02 20
70442 Stuttgart

E-Mail:
kontakt@bosch.de