BOSCH Sieb | Ersatzteile für AHR 1000 AS | F016102411

Artikelnummer: EB-0600806003-F016102411

Position: 2/43

Marke: BOSCH


Bitte Kompatibilität prüfen!

Bitte prüfen Sie unbedingt die 10-stellige Typennummer Ihrer Maschine / Ihres Gerätes. Das Ersatzteil ist nur kompatibel, wenn Sie die Typennummer Ihrer Maschine in der unten stehenden Produktbeschreibung finden.

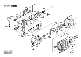
Bitte prüfen Sie ebenfalls detailliert die Explosionszeichnung mit Ihrem Artikelwunsch und der jeweiligen Pos-Nummer.

Alle Elemente, welche vom schwarzen Strich der Pos-Nummer ausgehend berührt / erfasst werden, gehören zu dieser Pos-Nummer und somit zu diesem Artikel. Jede Pos-Nummer ist ein eigenständiger Artikel, welchen Sie in der Auflistung finden.

Sie erhalten stets die aktuellste, neueste Produktversion zu der gewählten Pos-Nummer seitens des Herstellers. Es kann daher je nach Gerätealter vorkommen, dass Sie ggf. weitere, zugehörige Elemente, welche an diese Pos-Nummer grenzen, ebenfalls mittauschen müssen.

Nähere Informationen finden Sie unter dem Link
Hinweise zu Ihrer BOSCH Ersatzteilsuche

Preisübersicht

Einzelpreis: 5,65 €* (Brutto: 6,72 €)
Gesamtpreis: 5,65 €* 
Position:

Lieferzeit: 5 Werktage


Beschreibung

  • Sieb
  • Original Bosch Zubehör / BOSCH Ersatzteil (F016102411)
  • im Gerät verbaut: 1
Dieses BOSCH Ersatzteil ist mit folgendem Gerät und Modell kompatibel:
  • BOSCH Gerätename: AHR 1000 AS
  • BOSCH Explosionszeichnung: Position 2/43
  • BOSCH Typennummer: 0600806003
  • BOSCH Typennummer alternative Schreibweisen: 0 600 806 003, 0600 806 003, 0.600.806.003, 0-600-806-003
    Bitte prüfen Sie diese Typennummer auf Ihrem Gerät um die Kompatibilität des BOSCH Ersatzteils zu gewährleisten.
Weitere BOSCH Ersatzteile des Gerätes AHR 1000 AS (Hochdruckreiniger) mit der Typennummer 0600806003 finden Sie in der nachfolgenden Darstellung und im Dropdown zu Ihrer Auswahl:

Pos.
1/01
BOSCH Gehäuse | Ersatzteile für AHR 1000 AS | F016102495
Hersteller: BOSCH
Artikelnummer: EB-0600806003-F016102495
nur Informationsartikel
Nie mehr lieferbar
keine Alternativen
Pos.
1/02
BOSCH Tülle | Ersatzteile für AHR 1000 AS | 1609350473
Hersteller: BOSCH
Artikelnummer: EB-0600806003-1609350473
nur Informationsartikel
Nie mehr lieferbar
keine Alternativen
Pos.
1/03
BOSCH Netzanschlussleitung | Ersatzteile für AHR 1000 AS | F016102686
Hersteller: BOSCH
Artikelnummer: EB-0600806003-F016102686
nur Informationsartikel
Nie mehr lieferbar
keine Alternativen
Pos.
1/06
BOSCH Gewindeschneidschraube | Ersatzteile für AHR 1000 AS | F016102400
Hersteller: BOSCH
Artikelnummer: EB-0600806003-F016102400
nur Informationsartikel
Nie mehr lieferbar
keine Alternativen
Pos.
1/07
BOSCH Schraube | Ersatzteile für AHR 1000 AS | F016102691
Hersteller: BOSCH
Artikelnummer: EB-0600806003-F016102691
nur Informationsartikel
Nie mehr lieferbar
keine Alternativen
Pos.
2/01
BOSCH Ersatzteilgruppe | Ersatzteile für AHR 1000 AS | F016102671
Hersteller: BOSCH
Artikelnummer: EB-0600806003-F016102671
nur Informationsartikel
Nie mehr lieferbar
keine Alternativen
Pos.
2/02
BOSCH Formteil | Ersatzteile für AHR 1000 AS | F016102464
Hersteller: BOSCH
Artikelnummer: EB-0600806003-F016102464
Netto: 7,22 € zzgl. MwSt.
zzgl. 6,90 € Versand (brutto)
einmalig pro Bestellung

Lieferzeit: 5 Werktage

Pos.
2/03
BOSCH Schlauch | Ersatzteile für AHR 1000 AS | F016102644
Hersteller: BOSCH
Artikelnummer: EB-0600806003-F016102644
nur Informationsartikel
Nie mehr lieferbar
keine Alternativen
Pos.
2/04
BOSCH Filter | Ersatzteile für AHR 1000 AS | F016102643
Hersteller: BOSCH
Artikelnummer: EB-0600806003-F016102643
nur Informationsartikel
Nie mehr lieferbar
keine Alternativen
Pos.
2/14
BOSCH Mutter | Ersatzteile für AHR 1000 AS | F016102653
Hersteller: BOSCH
Artikelnummer: EB-0600806003-F016102653
nur Informationsartikel
Nie mehr lieferbar
keine Alternativen
Pos.
2/18
BOSCH Nutring | Ersatzteile für AHR 1000 AS | F016102407
Hersteller: BOSCH
Artikelnummer: EB-0600806003-F016102407
nur Informationsartikel
Nie mehr lieferbar
keine Alternativen
Pos.
2/20
BOSCH Zylinderkopf | Ersatzteile für AHR 1000 AS | F016102460
Hersteller: BOSCH
Artikelnummer: EB-0600806003-F016102460
nur Informationsartikel
Nie mehr lieferbar
keine Alternativen
Pos.
2/24
BOSCH Dichtring | Ersatzteile für AHR 1000 AS | F016102512
Hersteller: BOSCH
Artikelnummer: EB-0600806003-F016102512
nur Informationsartikel
Nie mehr lieferbar
keine Alternativen
Pos.
2/25
BOSCH Steuerkopf | Ersatzteile für AHR 1000 AS | F016102467
Hersteller: BOSCH
Artikelnummer: EB-0600806003-F016102467
nur Informationsartikel
Nie mehr lieferbar
keine Alternativen
Pos.
2/26
BOSCH Deckel | Ersatzteile für AHR 1000 AS | F016102502
Hersteller: BOSCH
Artikelnummer: EB-0600806003-F016102502
nur Informationsartikel
Nie mehr lieferbar
keine Alternativen
Pos.
2/28
BOSCH Sicherheitsventil | Ersatzteile für AHR 1000 AS | F016102476
Hersteller: BOSCH
Artikelnummer: EB-0600806003-F016102476
nur Informationsartikel
Nie mehr lieferbar
keine Alternativen
Pos.
2/29
BOSCH O-Ring | Ersatzteile für AHR 1000 AS | F016102513
Hersteller: BOSCH
Artikelnummer: EB-0600806003-F016102513
nur Informationsartikel
Nie mehr lieferbar
keine Alternativen
Pos.
2/30
BOSCH Saugstutzen | Ersatzteile für AHR 1000 AS | F016102491
Hersteller: BOSCH
Artikelnummer: EB-0600806003-F016102491
nur Informationsartikel
Nie mehr lieferbar
keine Alternativen
Pos.
2/32
BOSCH Injektor | Ersatzteile für AHR 1000 AS | F016102463
Hersteller: BOSCH
Artikelnummer: EB-0600806003-F016102463
nur Informationsartikel
Nie mehr lieferbar
keine Alternativen
Pos.
2/34
BOSCH Feder | Ersatzteile für AHR 1000 AS | F016102506
Hersteller: BOSCH
Artikelnummer: EB-0600806003-F016102506
nur Informationsartikel
Nie mehr lieferbar
keine Alternativen
Pos.
2/35
BOSCH Kaefig | Ersatzteile für AHR 1000 AS | F016102462
Hersteller: BOSCH
Artikelnummer: EB-0600806003-F016102462
nur Informationsartikel
Nie mehr lieferbar
keine Alternativen
Pos.
2/38
BOSCH Verbindungsstück | Ersatzteile für AHR 1000 AS | F016102461
Hersteller: BOSCH
Artikelnummer: EB-0600806003-F016102461
nur Informationsartikel
Nie mehr lieferbar
keine Alternativen
Pos.
2/42
BOSCH Anschlussverschraubung | Ersatzteile für AHR 1000 AS | F016102409
Hersteller: BOSCH
Artikelnummer: EB-0600806003-F016102409
nur Informationsartikel
Nie mehr lieferbar
keine Alternativen
Pos.
3/02
BOSCH Feder | Ersatzteile für AHR 1000 AS | F016102505
Hersteller: BOSCH
Artikelnummer: EB-0600806003-F016102505
nur Informationsartikel
Nie mehr lieferbar
keine Alternativen
Pos.
3/03
BOSCH Kolben | Ersatzteile für AHR 1000 AS | F016102459
Hersteller: BOSCH
Artikelnummer: EB-0600806003-F016102459
nur Informationsartikel
Nie mehr lieferbar
keine Alternativen
Pos.
3/05
BOSCH Führung | Ersatzteile für AHR 1000 AS | F016102458
Hersteller: BOSCH
Artikelnummer: EB-0600806003-F016102458
nur Informationsartikel
Nie mehr lieferbar
keine Alternativen
Pos.
3/06
BOSCH Nutring | Ersatzteile für AHR 1000 AS | F016102425
Hersteller: BOSCH
Artikelnummer: EB-0600806003-F016102425
nur Informationsartikel
Nie mehr lieferbar
keine Alternativen
Pos.
3/07
BOSCH Zylinderschraube | Ersatzteile für AHR 1000 AS | F016102444
Hersteller: BOSCH
Artikelnummer: EB-0600806003-F016102444
nur Informationsartikel
Nie mehr lieferbar
keine Alternativen
Pos.
4/01
BOSCH Schraube | Ersatzteile für AHR 1000 AS | F016102646
Hersteller: BOSCH
Artikelnummer: EB-0600806003-F016102646
nur Informationsartikel
Nie mehr lieferbar
keine Alternativen
Pos.
4/02
BOSCH Vorlegscheibe | Ersatzteile für AHR 1000 AS | F016102647
Hersteller: BOSCH
Artikelnummer: EB-0600806003-F016102647
nur Informationsartikel
Nie mehr lieferbar
keine Alternativen
Pos.
4/05
BOSCH Lagerschild | Ersatzteile für AHR 1000 AS | F016102439
Hersteller: BOSCH
Artikelnummer: EB-0600806003-F016102439
nur Informationsartikel
Nie mehr lieferbar
keine Alternativen
Pos.
4/06
BOSCH Wellendichtring | Ersatzteile für AHR 1000 AS | F016102508
Hersteller: BOSCH
Artikelnummer: EB-0600806003-F016102508
nur Informationsartikel
Nie mehr lieferbar
keine Alternativen
Pos.
4/07
BOSCH Kugellager | Ersatzteile für AHR 1000 AS | F016102447
Hersteller: BOSCH
Artikelnummer: EB-0600806003-F016102447
nur Informationsartikel
Nie mehr lieferbar
keine Alternativen
Pos.
4/09
BOSCH Schraube | Ersatzteile für AHR 1000 AS | F016102524
Hersteller: BOSCH
Artikelnummer: EB-0600806003-F016102524
nur Informationsartikel
Nie mehr lieferbar
keine Alternativen
Pos.
4/10
BOSCH Taumelscheibe | Ersatzteile für AHR 1000 AS | F016102500
Hersteller: BOSCH
Artikelnummer: EB-0600806003-F016102500
nur Informationsartikel
Nie mehr lieferbar
keine Alternativen
Pos.
4/11
BOSCH Fettes Oel | Ersatzteile für AHR 1000 AS | F016102438
Hersteller: BOSCH
Artikelnummer: EB-0600806003-F016102438
nur Informationsartikel
Nie mehr lieferbar
keine Alternativen
Pos.
5/01
BOSCH Spezialschraube | Ersatzteile für AHR 1000 AS | 1609350480
Hersteller: BOSCH
Artikelnummer: EB-0600806003-1609350480
nur Informationsartikel
Nie mehr lieferbar
keine Alternativen
Pos.
5/02
BOSCH Griffschale | Ersatzteile für AHR 1000 AS | 1609350481
Hersteller: BOSCH
Artikelnummer: EB-0600806003-1609350481
nur Informationsartikel
Nie mehr lieferbar
keine Alternativen
Pos.
5/03
BOSCH Druckfeder | Ersatzteile für AHR 1000 AS | 1609350482
Hersteller: BOSCH
Artikelnummer: EB-0600806003-1609350482
nur Informationsartikel
Nie mehr lieferbar
keine Alternativen
Pos.
5/04
BOSCH Teilesatz | Ersatzteile für AHR 1000 AS | 1609350483
Hersteller: BOSCH
Artikelnummer: EB-0600806003-1609350483
nur Informationsartikel
Nie mehr lieferbar
keine Alternativen
Pos.
5/05
BOSCH Drucktaste | Ersatzteile für AHR 1000 AS | 1609350484
Hersteller: BOSCH
Artikelnummer: EB-0600806003-1609350484
nur Informationsartikel
Nie mehr lieferbar
keine Alternativen
Pos.
5/06
BOSCH Formteil | Ersatzteile für AHR 1000 AS | 1609350485
Hersteller: BOSCH
Artikelnummer: EB-0600806003-1609350485
nur Informationsartikel
Nie mehr lieferbar
keine Alternativen
Pos.
5/07
BOSCH Formteil | Ersatzteile für AHR 1000 AS | 1609350486
Hersteller: BOSCH
Artikelnummer: EB-0600806003-1609350486
nur Informationsartikel
Nie mehr lieferbar
keine Alternativen
Pos.
6/01
BOSCH Schlauch | Ersatzteile für AHR 1000 AS | F016102514
Hersteller: BOSCH
Artikelnummer: EB-0600806003-F016102514
nur Informationsartikel
Nie mehr lieferbar
keine Alternativen
Pos.
6/02
BOSCH O-Ring | Ersatzteile für AHR 1000 AS | 1609350487
Hersteller: BOSCH
Artikelnummer: EB-0600806003-1609350487
nur Informationsartikel
Nie mehr lieferbar
keine Alternativen
Pos.
6/03
BOSCH Verlängerungsrohr | Ersatzteile für AHR 1000 AS | 1609350451
Hersteller: BOSCH
Artikelnummer: EB-0600806003-1609350451
nur Informationsartikel
Nie mehr lieferbar
keine Alternativen
Pos.
6/04
BOSCH Teilesatz | Ersatzteile für AHR 1000 AS | 1609350491
Hersteller: BOSCH
Artikelnummer: EB-0600806003-1609350491
nur Informationsartikel
Nie mehr lieferbar
keine Alternativen
Pos.
6/05
BOSCH O-Ring | Ersatzteile für AHR 1000 AS | 1609203577
Hersteller: BOSCH
Artikelnummer: EB-0600806003-1609203577
nur Informationsartikel
Nie mehr lieferbar
keine Alternativen
Pos.
6/07
BOSCH Strahlrohr | Ersatzteile für AHR 1000 AS | F016102480
Hersteller: BOSCH
Artikelnummer: EB-0600806003-F016102480
nur Informationsartikel
Nie mehr lieferbar
keine Alternativen
Pos.
6/08
BOSCH Düse | Ersatzteile für AHR 1000 AS | F016102794
Hersteller: BOSCH
Artikelnummer: EB-0600806003-F016102794
nur Informationsartikel
Nie mehr lieferbar
keine Alternativen
Pos.
6/09
BOSCH Behälter | Ersatzteile für AHR 1000 AS | 1609350492
Hersteller: BOSCH
Artikelnummer: EB-0600806003-1609350492
nur Informationsartikel
Nie mehr lieferbar
keine Alternativen
Pos.
6/10
BOSCH Düse | Ersatzteile für AHR 1000 AS | F016102474
Hersteller: BOSCH
Artikelnummer: EB-0600806003-F016102474
nur Informationsartikel
Nie mehr lieferbar
keine Alternativen
Pos.
7/01
BOSCH Deckel | Ersatzteile für AHR 1000 AS | F016102457
Hersteller: BOSCH
Artikelnummer: EB-0600806003-F016102457
nur Informationsartikel
Nie mehr lieferbar
keine Alternativen
Pos.
7/03
BOSCH Kondensator | Ersatzteile für AHR 1000 AS | F016102521
Hersteller: BOSCH
Artikelnummer: EB-0600806003-F016102521
nur Informationsartikel
Nie mehr lieferbar
keine Alternativen
Pos.
7/04
BOSCH Gehäuse | Ersatzteile für AHR 1000 AS | F016102465
Hersteller: BOSCH
Artikelnummer: EB-0600806003-F016102465
nur Informationsartikel
Nie mehr lieferbar
keine Alternativen
Pos.
7/05
BOSCH O-Ring | Ersatzteile für AHR 1000 AS | F016102694
Hersteller: BOSCH
Artikelnummer: EB-0600806003-F016102694
nur Informationsartikel
Nie mehr lieferbar
keine Alternativen
Pos.
7/06
BOSCH Durchführung | Ersatzteile für AHR 1000 AS | F016102507
Hersteller: BOSCH
Artikelnummer: EB-0600806003-F016102507
nur Informationsartikel
Nie mehr lieferbar
keine Alternativen
Pos.
7/07
BOSCH Linsenschraube | Ersatzteile für AHR 1000 AS | F016102522
Hersteller: BOSCH
Artikelnummer: EB-0600806003-F016102522
nur Informationsartikel
Nie mehr lieferbar
keine Alternativen
Pos.
7/15
BOSCH Schalterknopf | Ersatzteile für AHR 1000 AS | F016102696
Hersteller: BOSCH
Artikelnummer: EB-0600806003-F016102696
nur Informationsartikel
Nie mehr lieferbar
keine Alternativen
Pos.
9/01
BOSCH Schlauch | Ersatzteile für AHR 1000 AS | F016102667
Hersteller: BOSCH
Artikelnummer: EB-0600806003-F016102667
nur Informationsartikel
Nie mehr lieferbar
keine Alternativen
Pos.
9/02
BOSCH O-Ring | Ersatzteile für AHR 1000 AS | F016102530
Hersteller: BOSCH
Artikelnummer: EB-0600806003-F016102530
nur Informationsartikel
Nie mehr lieferbar
keine Alternativen
Pos.
2/05
BOSCH Ventil | Ersatzteile für AHR 1000 AS | F016102468
Hersteller: BOSCH
Artikelnummer: EB-0600806003-F016102468
nur Informationsartikel
Nie mehr lieferbar
keine Alternativen
Pos.
2/17
BOSCH Stützscheibe | Ersatzteile für AHR 1000 AS | F016102492
Hersteller: BOSCH
Artikelnummer: EB-0600806003-F016102492
nur Informationsartikel
Nie mehr lieferbar
keine Alternativen
Pos.
2/43
BOSCH Sieb | Ersatzteile für AHR 1000 AS | F016102411
Hersteller: BOSCH
Artikelnummer: EB-0600806003-F016102411
Netto: 5,65 € zzgl. MwSt.
zzgl. 6,90 € Versand (brutto)
einmalig pro Bestellung

Lieferzeit: 5 Werktage

Pos.
4
BOSCH Motor | Ersatzteile für AHR 1000 AS | F016102692
Hersteller: BOSCH
Artikelnummer: EB-0600806003-F016102692
nur Informationsartikel
Nie mehr lieferbar
keine Alternativen
Pos.
3/04
BOSCH O-Ring 72x2 NBR70 | Ersatzteile für AHR 1000 AS | F016102510
Hersteller: BOSCH
Artikelnummer: EB-0600806003-F016102510
Netto: 5,15 € zzgl. MwSt.
zzgl. 6,90 € Versand (brutto)
einmalig pro Bestellung

Lieferzeit: 5 Werktage

Pos.
5
BOSCH Spritzpistole | Ersatzteile für AHR 1000 AS | 1609350449
Hersteller: BOSCH
Artikelnummer: EB-0600806003-1609350449
nur Informationsartikel
Nie mehr lieferbar
keine Alternativen
Pos.
4/03
BOSCH Lüfterrad | Ersatzteile für AHR 1000 AS | F016102493
Hersteller: BOSCH
Artikelnummer: EB-0600806003-F016102493
Netto: 12,84 € zzgl. MwSt.
zzgl. 6,90 € Versand (brutto)
einmalig pro Bestellung

Lieferzeit: 5 Werktage

Pos.
7/09
BOSCH Schalter | Ersatzteile für AHR 1000 AS | F016102695
Hersteller: BOSCH
Artikelnummer: EB-0600806003-F016102695
Netto: 8,13 € zzgl. MwSt.
zzgl. 6,90 € Versand (brutto)
einmalig pro Bestellung

Lieferzeit: 5 Werktage

Pos.
8
BOSCH Griff | Ersatzteile für AHR 1000 AS | F016102666
Hersteller: BOSCH
Artikelnummer: EB-0600806003-F016102666
nur Informationsartikel
Nie mehr lieferbar
keine Alternativen
Pos.
11
BOSCH Sprührohr | Ersatzteile für AHR 1000 AS | F016102793
Hersteller: BOSCH
Artikelnummer: EB-0600806003-F016102793
nur Informationsartikel
Nie mehr lieferbar
keine Alternativen

Angaben zur Produktsicherheit

Hersteller:
Robert Bosch Power Tools GmbH
Postfach 30 02 20
70442 Stuttgart

E-Mail:
kontakt@bosch.de