BOSCH O-Ring 9x1,5 MM | Ersatzteile für AHR 1500 AS | F016102597

Artikelnummer: EB-0600809003-F016102597

Position: 4/03

Marke: BOSCH


Bitte Kompatibilität prüfen!

Bitte prüfen Sie unbedingt die 10-stellige Typennummer Ihrer Maschine / Ihres Gerätes. Das Ersatzteil ist nur kompatibel, wenn Sie die Typennummer Ihrer Maschine in der unten stehenden Produktbeschreibung finden.

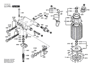
Bitte prüfen Sie ebenfalls detailliert die Explosionszeichnung mit Ihrem Artikelwunsch und der jeweiligen Pos-Nummer.

Alle Elemente, welche vom schwarzen Strich der Pos-Nummer ausgehend berührt / erfasst werden, gehören zu dieser Pos-Nummer und somit zu diesem Artikel. Jede Pos-Nummer ist ein eigenständiger Artikel, welchen Sie in der Auflistung finden.

Sie erhalten stets die aktuellste, neueste Produktversion zu der gewählten Pos-Nummer seitens des Herstellers. Es kann daher je nach Gerätealter vorkommen, dass Sie ggf. weitere, zugehörige Elemente, welche an diese Pos-Nummer grenzen, ebenfalls mittauschen müssen.

Nähere Informationen finden Sie unter dem Link
Hinweise zu Ihrer BOSCH Ersatzteilsuche

Preisübersicht

Einzelpreis: 4,45 €* (Brutto: 5,30 €)
Gesamtpreis: 4,45 €* 
Position:

Lieferzeit: 5 Werktage


Beschreibung

  • O-Ring 9x1,5 MM
  • Original Bosch Zubehör / BOSCH Ersatzteil (F016102597)
  • im Gerät verbaut: 2
Dieses BOSCH Ersatzteil ist mit folgendem Gerät und Modell kompatibel:
  • BOSCH Gerätename: AHR 1500 AS
  • BOSCH Explosionszeichnung: Position 4/03
  • BOSCH Typennummer: 0600809003
  • BOSCH Typennummer alternative Schreibweisen: 0 600 809 003, 0600 809 003, 0.600.809.003, 0-600-809-003
    Bitte prüfen Sie diese Typennummer auf Ihrem Gerät um die Kompatibilität des BOSCH Ersatzteils zu gewährleisten.
Weitere BOSCH Ersatzteile des Gerätes AHR 1500 AS (Hochdruckreiniger) mit der Typennummer 0600809003 finden Sie in der nachfolgenden Darstellung und im Dropdown zu Ihrer Auswahl:

Pos.
1/01
BOSCH Griff | Ersatzteile für AHR 1500 AS | F016102533
Hersteller: BOSCH
Artikelnummer: EB-0600809003-F016102533
nur Informationsartikel
Nie mehr lieferbar
keine Alternativen
Pos.
1/02
BOSCH Knebelkerbstift | Ersatzteile für AHR 1500 AS | F016102627
Hersteller: BOSCH
Artikelnummer: EB-0600809003-F016102627
nur Informationsartikel
Nie mehr lieferbar
keine Alternativen
Pos.
1/03
BOSCH Abdeckhaube | Ersatzteile für AHR 1500 AS | F016102556
Hersteller: BOSCH
Artikelnummer: EB-0600809003-F016102556
Netto: 50,53 € zzgl. MwSt.
zzgl. 6,90 € Versand (brutto)
einmalig pro Bestellung

Lieferzeit: 5 Werktage

Pos.
1/04
BOSCH Abdeckhaube | Ersatzteile für AHR 1500 AS | F016102557
Hersteller: BOSCH
Artikelnummer: EB-0600809003-F016102557
nur Informationsartikel
Nie mehr lieferbar
keine Alternativen
Pos.
1/05
BOSCH Formteil | Ersatzteile für AHR 1500 AS | F016102549
Hersteller: BOSCH
Artikelnummer: EB-0600809003-F016102549
nur Informationsartikel
Nie mehr lieferbar
keine Alternativen
Pos.
1/06
BOSCH Schraube | Ersatzteile für AHR 1500 AS | F016102401
Hersteller: BOSCH
Artikelnummer: EB-0600809003-F016102401
nur Informationsartikel
Nie mehr lieferbar
keine Alternativen
Pos.
1/07
BOSCH Achse | Ersatzteile für AHR 1500 AS | F016102559
Hersteller: BOSCH
Artikelnummer: EB-0600809003-F016102559
nur Informationsartikel
Nie mehr lieferbar
keine Alternativen
Pos.
1/08
BOSCH Dichtung | Ersatzteile für AHR 1500 AS | F016102575
Hersteller: BOSCH
Artikelnummer: EB-0600809003-F016102575
nur Informationsartikel
Nie mehr lieferbar
keine Alternativen
Pos.
1/09
BOSCH Rad | Ersatzteile für AHR 1500 AS | F016102610
Hersteller: BOSCH
Artikelnummer: EB-0600809003-F016102610
nur Informationsartikel
Nie mehr lieferbar
keine Alternativen
Pos.
1/11
BOSCH Kappe | Ersatzteile für AHR 1500 AS | F016102697
Hersteller: BOSCH
Artikelnummer: EB-0600809003-F016102697
nur Informationsartikel
Nie mehr lieferbar
keine Alternativen
Pos.
1/12
BOSCH Verkleidung | Ersatzteile für AHR 1500 AS | F016102548
Hersteller: BOSCH
Artikelnummer: EB-0600809003-F016102548
nur Informationsartikel
Nie mehr lieferbar
keine Alternativen
Pos.
1/13
BOSCH Spreizniet | Ersatzteile für AHR 1500 AS | F016102618
Hersteller: BOSCH
Artikelnummer: EB-0600809003-F016102618
nur Informationsartikel
Nie mehr lieferbar
keine Alternativen
Pos.
10/01
BOSCH Schlauch | Ersatzteile für AHR 1500 AS | F016102667
Hersteller: BOSCH
Artikelnummer: EB-0600809003-F016102667
nur Informationsartikel
Nie mehr lieferbar
keine Alternativen
Pos.
10/02
BOSCH O-Ring | Ersatzteile für AHR 1500 AS | F016102530
Hersteller: BOSCH
Artikelnummer: EB-0600809003-F016102530
nur Informationsartikel
Nie mehr lieferbar
keine Alternativen
Pos.
10/04
BOSCH O-Ring | Ersatzteile für AHR 1500 AS | 1609203577
Hersteller: BOSCH
Artikelnummer: EB-0600809003-1609203577
nur Informationsartikel
Nie mehr lieferbar
keine Alternativen
Pos.
10/06
BOSCH Düse | Ersatzteile für AHR 1500 AS | F016102669
Hersteller: BOSCH
Artikelnummer: EB-0600809003-F016102669
nur Informationsartikel
Nie mehr lieferbar
keine Alternativen
Pos.
2/01
BOSCH Kondensator | Ersatzteile für AHR 1500 AS | F016102624
Hersteller: BOSCH
Artikelnummer: EB-0600809003-F016102624
nur Informationsartikel
Nie mehr lieferbar
keine Alternativen
Pos.
2/02
BOSCH Schalterabdeckung | Ersatzteile für AHR 1500 AS | F016102655
Hersteller: BOSCH
Artikelnummer: EB-0600809003-F016102655
nur Informationsartikel
Nie mehr lieferbar
keine Alternativen
Pos.
2/03
BOSCH Linsenschraube | Ersatzteile für AHR 1500 AS | F016102588
Hersteller: BOSCH
Artikelnummer: EB-0600809003-F016102588
nur Informationsartikel
Nie mehr lieferbar
keine Alternativen
Pos.
2/04
BOSCH Nocken | Ersatzteile für AHR 1500 AS | F016102564
Hersteller: BOSCH
Artikelnummer: EB-0600809003-F016102564
nur Informationsartikel
Nie mehr lieferbar
keine Alternativen
Pos.
2/06
BOSCH Schutzhaube | Ersatzteile für AHR 1500 AS | F016102616
Hersteller: BOSCH
Artikelnummer: EB-0600809003-F016102616
nur Informationsartikel
Nie mehr lieferbar
keine Alternativen
Pos.
2/07
BOSCH Schalter | Ersatzteile für AHR 1500 AS | F016102615
Hersteller: BOSCH
Artikelnummer: EB-0600809003-F016102615
nur Informationsartikel
Nie mehr lieferbar
keine Alternativen
Pos.
2/08
BOSCH Flachdichtung | Ersatzteile für AHR 1500 AS | F016102574
Hersteller: BOSCH
Artikelnummer: EB-0600809003-F016102574
nur Informationsartikel
Nie mehr lieferbar
keine Alternativen
Pos.
2/09
BOSCH Blattfeder | Ersatzteile für AHR 1500 AS | F016102572
Hersteller: BOSCH
Artikelnummer: EB-0600809003-F016102572
nur Informationsartikel
Nie mehr lieferbar
keine Alternativen
Pos.
3/01
BOSCH Kabel | Ersatzteile für AHR 1500 AS | F016102619
Hersteller: BOSCH
Artikelnummer: EB-0600809003-F016102619
nur Informationsartikel
Nie mehr lieferbar
keine Alternativen
Pos.
3/02
BOSCH Sicherung | Ersatzteile für AHR 1500 AS | F016102591
Hersteller: BOSCH
Artikelnummer: EB-0600809003-F016102591
nur Informationsartikel
Nie mehr lieferbar
keine Alternativen
Pos.
3/03
BOSCH Schraube | Ersatzteile für AHR 1500 AS | F016102657
Hersteller: BOSCH
Artikelnummer: EB-0600809003-F016102657
nur Informationsartikel
Nie mehr lieferbar
keine Alternativen
Pos.
3/04
BOSCH Schlauch | Ersatzteile für AHR 1500 AS | F016102605
Hersteller: BOSCH
Artikelnummer: EB-0600809003-F016102605
nur Informationsartikel
Nie mehr lieferbar
keine Alternativen
Pos.
3/05
BOSCH Filter | Ersatzteile für AHR 1500 AS | F016102545
Hersteller: BOSCH
Artikelnummer: EB-0600809003-F016102545
nur Informationsartikel
Nie mehr lieferbar
keine Alternativen
Pos.
3/06
BOSCH Gehäusedeckel | Ersatzteile für AHR 1500 AS | F016102555
Hersteller: BOSCH
Artikelnummer: EB-0600809003-F016102555
nur Informationsartikel
Nie mehr lieferbar
keine Alternativen
Pos.
3/07
BOSCH Schraube | Ersatzteile für AHR 1500 AS | F016102587
Hersteller: BOSCH
Artikelnummer: EB-0600809003-F016102587
nur Informationsartikel
Nie mehr lieferbar
keine Alternativen
Pos.
3/08
BOSCH Wasserbehälter | Ersatzteile für AHR 1500 AS | F016102558
Hersteller: BOSCH
Artikelnummer: EB-0600809003-F016102558
nur Informationsartikel
Nie mehr lieferbar
keine Alternativen
Pos.
3/09
BOSCH Ventil | Ersatzteile für AHR 1500 AS | F016102609
Hersteller: BOSCH
Artikelnummer: EB-0600809003-F016102609
nur Informationsartikel
Nie mehr lieferbar
keine Alternativen
Pos.
4/01
BOSCH Schraube | Ersatzteile für AHR 1500 AS | F016102626
Hersteller: BOSCH
Artikelnummer: EB-0600809003-F016102626
nur Informationsartikel
Nie mehr lieferbar
keine Alternativen
Pos.
4/06
BOSCH Anschlussverschraubung | Ersatzteile für AHR 1500 AS | F016102409
Hersteller: BOSCH
Artikelnummer: EB-0600809003-F016102409
nur Informationsartikel
Nie mehr lieferbar
keine Alternativen
Pos.
4/07
BOSCH Stange | Ersatzteile für AHR 1500 AS | F016102785
Hersteller: BOSCH
Artikelnummer: EB-0600809003-F016102785
nur Informationsartikel
Nie mehr lieferbar
keine Alternativen
Pos.
4/08
BOSCH Feder | Ersatzteile für AHR 1500 AS | F016102786
Hersteller: BOSCH
Artikelnummer: EB-0600809003-F016102786
nur Informationsartikel
Nie mehr lieferbar
keine Alternativen
Pos.
4/09
BOSCH Scheibe | Ersatzteile für AHR 1500 AS | F016102787
Hersteller: BOSCH
Artikelnummer: EB-0600809003-F016102787
nur Informationsartikel
Nie mehr lieferbar
keine Alternativen
Pos.
4/12
BOSCH O-Ring | Ersatzteile für AHR 1500 AS | F016102855
Hersteller: BOSCH
Artikelnummer: EB-0600809003-F016102855
nur Informationsartikel
Nie mehr lieferbar
keine Alternativen
Pos.
4/13
BOSCH Dichtung | Ersatzteile für AHR 1500 AS | F016102791
Hersteller: BOSCH
Artikelnummer: EB-0600809003-F016102791
nur Informationsartikel
Nie mehr lieferbar
keine Alternativen
Pos.
5/02
BOSCH Ventil | Ersatzteile für AHR 1500 AS | F016102536
Hersteller: BOSCH
Artikelnummer: EB-0600809003-F016102536
nur Informationsartikel
Nie mehr lieferbar
keine Alternativen
Pos.
5/05
BOSCH Schraube | Ersatzteile für AHR 1500 AS | F016102581
Hersteller: BOSCH
Artikelnummer: EB-0600809003-F016102581
nur Informationsartikel
Nie mehr lieferbar
keine Alternativen
Pos.
5/06
BOSCH O-Ring | Ersatzteile für AHR 1500 AS | F016102595
Hersteller: BOSCH
Artikelnummer: EB-0600809003-F016102595
nur Informationsartikel
Nie mehr lieferbar
keine Alternativen
Pos.
5/08
BOSCH Überströmventil | Ersatzteile für AHR 1500 AS | F016102538
Hersteller: BOSCH
Artikelnummer: EB-0600809003-F016102538
nur Informationsartikel
Nie mehr lieferbar
keine Alternativen
Pos.
5/09
BOSCH O-Ring | Ersatzteile für AHR 1500 AS | F016102593
Hersteller: BOSCH
Artikelnummer: EB-0600809003-F016102593
nur Informationsartikel
Nie mehr lieferbar
keine Alternativen
Pos.
5/10
BOSCH Schraube | Ersatzteile für AHR 1500 AS | F016102565
Hersteller: BOSCH
Artikelnummer: EB-0600809003-F016102565
nur Informationsartikel
Nie mehr lieferbar
keine Alternativen
Pos.
5/100
BOSCH Zylinderkopf | Ersatzteile für AHR 1500 AS | F016102532
Hersteller: BOSCH
Artikelnummer: EB-0600809003-F016102532
nur Informationsartikel
Nie mehr lieferbar
keine Alternativen
Pos.
5/11
BOSCH Ventil | Ersatzteile für AHR 1500 AS | F016102537
Hersteller: BOSCH
Artikelnummer: EB-0600809003-F016102537
nur Informationsartikel
Nie mehr lieferbar
keine Alternativen
Pos.
6/02
BOSCH Nutring | Ersatzteile für AHR 1500 AS | F016102603
Hersteller: BOSCH
Artikelnummer: EB-0600809003-F016102603
nur Informationsartikel
Nie mehr lieferbar
keine Alternativen
Pos.
6/03
BOSCH Scheibe | Ersatzteile für AHR 1500 AS | F016102562
Hersteller: BOSCH
Artikelnummer: EB-0600809003-F016102562
nur Informationsartikel
Nie mehr lieferbar
keine Alternativen
Pos.
6/04
BOSCH Scheibe | Ersatzteile für AHR 1500 AS | F016102563
Hersteller: BOSCH
Artikelnummer: EB-0600809003-F016102563
nur Informationsartikel
Nie mehr lieferbar
keine Alternativen
Pos.
6/05
BOSCH Nutring | Ersatzteile für AHR 1500 AS | F016102602
Hersteller: BOSCH
Artikelnummer: EB-0600809003-F016102602
nur Informationsartikel
Nie mehr lieferbar
keine Alternativen
Pos.
6/06
BOSCH Gehaeuse | Ersatzteile für AHR 1500 AS | F016102552
Hersteller: BOSCH
Artikelnummer: EB-0600809003-F016102552
nur Informationsartikel
Nie mehr lieferbar
keine Alternativen
Pos.
6/09
BOSCH Formteil | Ersatzteile für AHR 1500 AS | F016102547
Hersteller: BOSCH
Artikelnummer: EB-0600809003-F016102547
nur Informationsartikel
Nie mehr lieferbar
keine Alternativen
Pos.
6/10
BOSCH Ersatzteilsatz | Ersatzteile für AHR 1500 AS | F016102701
Hersteller: BOSCH
Artikelnummer: EB-0600809003-F016102701
nur Informationsartikel
Nie mehr lieferbar
keine Alternativen
Pos.
6/11
BOSCH Schalter | Ersatzteile für AHR 1500 AS | F016102539
Hersteller: BOSCH
Artikelnummer: EB-0600809003-F016102539
nur Informationsartikel
Nie mehr lieferbar
keine Alternativen
Pos.
6/13
BOSCH Konsole | Ersatzteile für AHR 1500 AS | F016102551
Hersteller: BOSCH
Artikelnummer: EB-0600809003-F016102551
nur Informationsartikel
Nie mehr lieferbar
keine Alternativen
Pos.
6/14
BOSCH Feder | Ersatzteile für AHR 1500 AS | F016102570
Hersteller: BOSCH
Artikelnummer: EB-0600809003-F016102570
nur Informationsartikel
Nie mehr lieferbar
keine Alternativen
Pos.
6/17
BOSCH Klammer | Ersatzteile für AHR 1500 AS | F016102857
Hersteller: BOSCH
Artikelnummer: EB-0600809003-F016102857
nur Informationsartikel
Nie mehr lieferbar
keine Alternativen
Pos.
7/03
BOSCH Taumelscheibe | Ersatzteile für AHR 1500 AS | F016102608
Hersteller: BOSCH
Artikelnummer: EB-0600809003-F016102608
nur Informationsartikel
Nie mehr lieferbar
keine Alternativen
Pos.
7/05
BOSCH Kugellager | Ersatzteile für AHR 1500 AS | F016102630
Hersteller: BOSCH
Artikelnummer: EB-0600809003-F016102630
nur Informationsartikel
Nie mehr lieferbar
keine Alternativen
Pos.
7/06
BOSCH Wellendichtring | Ersatzteile für AHR 1500 AS | F016102604
Hersteller: BOSCH
Artikelnummer: EB-0600809003-F016102604
nur Informationsartikel
Nie mehr lieferbar
keine Alternativen
Pos.
8/01
BOSCH O-Ring | Ersatzteile für AHR 1500 AS | F016102594
Hersteller: BOSCH
Artikelnummer: EB-0600809003-F016102594
nur Informationsartikel
Nie mehr lieferbar
keine Alternativen
Pos.
8/02
BOSCH Schraube | Ersatzteile für AHR 1500 AS | F016102625
Hersteller: BOSCH
Artikelnummer: EB-0600809003-F016102625
nur Informationsartikel
Nie mehr lieferbar
keine Alternativen
Pos.
8/03
BOSCH Lagerdeckel | Ersatzteile für AHR 1500 AS | F016102554
Hersteller: BOSCH
Artikelnummer: EB-0600809003-F016102554
nur Informationsartikel
Nie mehr lieferbar
keine Alternativen
Pos.
8/11
BOSCH Laufrad | Ersatzteile für AHR 1500 AS | F016102582
Hersteller: BOSCH
Artikelnummer: EB-0600809003-F016102582
nur Informationsartikel
Nie mehr lieferbar
keine Alternativen
Pos.
8/13
BOSCH Beilegring | Ersatzteile für AHR 1500 AS | F016102576
Hersteller: BOSCH
Artikelnummer: EB-0600809003-F016102576
nur Informationsartikel
Nie mehr lieferbar
keine Alternativen
Pos.
8/15
BOSCH Gummipuffer | Ersatzteile für AHR 1500 AS | F016102573
Hersteller: BOSCH
Artikelnummer: EB-0600809003-F016102573
nur Informationsartikel
Nie mehr lieferbar
keine Alternativen
Pos.
8/16
BOSCH Lagerdeckel | Ersatzteile für AHR 1500 AS | F016102553
Hersteller: BOSCH
Artikelnummer: EB-0600809003-F016102553
nur Informationsartikel
Nie mehr lieferbar
keine Alternativen
Pos.
8/18
BOSCH Kugellager | Ersatzteile für AHR 1500 AS | F016102631
Hersteller: BOSCH
Artikelnummer: EB-0600809003-F016102631
nur Informationsartikel
Nie mehr lieferbar
keine Alternativen
Pos.
1/10
BOSCH Befestigungsteil | Ersatzteile für AHR 1500 AS | F016102590
Hersteller: BOSCH
Artikelnummer: EB-0600809003-F016102590
Netto: 3,75 € zzgl. MwSt.
zzgl. 6,90 € Versand (brutto)
einmalig pro Bestellung

Lieferzeit: 5 Werktage

Pos.
2/05
BOSCH Tastknopf | Ersatzteile für AHR 1500 AS | F016102656
Hersteller: BOSCH
Artikelnummer: EB-0600809003-F016102656
Netto: 12,84 € zzgl. MwSt.
zzgl. 6,90 € Versand (brutto)
einmalig pro Bestellung

Lieferzeit: 5 Werktage

Pos.
4/03
BOSCH O-Ring 9x1,5 MM | Ersatzteile für AHR 1500 AS | F016102597
Hersteller: BOSCH
Artikelnummer: EB-0600809003-F016102597
Netto: 4,45 € zzgl. MwSt.
zzgl. 6,90 € Versand (brutto)
einmalig pro Bestellung

Lieferzeit: 5 Werktage

Pos.
4/04
BOSCH Einsatz | Ersatzteile für AHR 1500 AS | F016102699
Hersteller: BOSCH
Artikelnummer: EB-0600809003-F016102699
Netto: 12,84 € zzgl. MwSt.
zzgl. 6,90 € Versand (brutto)
einmalig pro Bestellung

Lieferzeit: 5 Werktage

Pos.
4/05
BOSCH Sieb | Ersatzteile für AHR 1500 AS | F016102411
Hersteller: BOSCH
Artikelnummer: EB-0600809003-F016102411
Netto: 5,65 € zzgl. MwSt.
zzgl. 6,90 € Versand (brutto)
einmalig pro Bestellung

Lieferzeit: 5 Werktage

Pos.
4/10
BOSCH O-Ring | Ersatzteile für AHR 1500 AS | F016102788
Hersteller: BOSCH
Artikelnummer: EB-0600809003-F016102788
nur Informationsartikel
Nie mehr lieferbar
keine Alternativen
Pos.
7
BOSCH Motor | Ersatzteile für AHR 1500 AS | F016S10281
Hersteller: BOSCH
Artikelnummer: EB-0600809003-F016S10281
nur Informationsartikel
Nie mehr lieferbar
keine Alternativen
Pos.
4/11
BOSCH Verschlussschraube | Ersatzteile für AHR 1500 AS | F016102789
Hersteller: BOSCH
Artikelnummer: EB-0600809003-F016102789
Netto: 11,77 € zzgl. MwSt.
zzgl. 6,90 € Versand (brutto)
einmalig pro Bestellung

Lieferzeit: 5 Werktage

Pos.
5/01
BOSCH Zylinderkopf | Ersatzteile für AHR 1500 AS | F016102578
Hersteller: BOSCH
Artikelnummer: EB-0600809003-F016102578
nur Informationsartikel
Nie mehr lieferbar
keine Alternativen
Pos.
9
BOSCH Griff | Ersatzteile für AHR 1500 AS | F016102666
Hersteller: BOSCH
Artikelnummer: EB-0600809003-F016102666
nur Informationsartikel
Nie mehr lieferbar
keine Alternativen
Pos.
5/03
BOSCH O-Ring 8,73x1,78 MM | Ersatzteile für AHR 1500 AS | F016102601
Hersteller: BOSCH
Artikelnummer: EB-0600809003-F016102601
Netto: 4,45 € zzgl. MwSt.
zzgl. 6,90 € Versand (brutto)
einmalig pro Bestellung

Lieferzeit: 5 Werktage

Pos.
5/04
BOSCH O-Ring 13,3x2,4 MM | Ersatzteile für AHR 1500 AS | F016102592
Hersteller: BOSCH
Artikelnummer: EB-0600809003-F016102592
Netto: 4,45 € zzgl. MwSt.
zzgl. 6,90 € Versand (brutto)
einmalig pro Bestellung

Lieferzeit: 5 Werktage

Pos.
5/07
BOSCH O-Ring | Ersatzteile für AHR 1500 AS | F016102700
Hersteller: BOSCH
Artikelnummer: EB-0600809003-F016102700
Netto: 4,75 € zzgl. MwSt.
zzgl. 6,90 € Versand (brutto)
einmalig pro Bestellung

Lieferzeit: 5 Werktage

Pos.
6/07
BOSCH Kolben | Ersatzteile für AHR 1500 AS | F016102579
Hersteller: BOSCH
Artikelnummer: EB-0600809003-F016102579
Netto: 19,77 € zzgl. MwSt.
zzgl. 6,90 € Versand (brutto)
einmalig pro Bestellung

Lieferzeit: 5 Werktage

Pos.
6/08
BOSCH Feder | Ersatzteile für AHR 1500 AS | F016102569
Hersteller: BOSCH
Artikelnummer: EB-0600809003-F016102569
Netto: 4,75 € zzgl. MwSt.
zzgl. 6,90 € Versand (brutto)
einmalig pro Bestellung

Lieferzeit: 5 Werktage

Pos.
6/16
BOSCH Halter | Ersatzteile für AHR 1500 AS | F016102550
Hersteller: BOSCH
Artikelnummer: EB-0600809003-F016102550
Netto: 6,77 € zzgl. MwSt.
zzgl. 6,90 € Versand (brutto)
einmalig pro Bestellung

Lieferzeit: 5 Werktage

Pos.
8/17
BOSCH Toleranzring | Ersatzteile für AHR 1500 AS | F016102589
Hersteller: BOSCH
Artikelnummer: EB-0600809003-F016102589
nur Informationsartikel
Nie mehr lieferbar
keine Alternativen
Pos.
10/05
BOSCH Sprührohr | Ersatzteile für AHR 1500 AS | F016102668
Hersteller: BOSCH
Artikelnummer: EB-0600809003-F016102668
nur Informationsartikel
Nie mehr lieferbar
keine Alternativen

Angaben zur Produktsicherheit

Hersteller:
Robert Bosch Power Tools GmbH
Postfach 30 02 20
70442 Stuttgart

E-Mail:
kontakt@bosch.de