BOSCH Axialnadellager | Ersatzteile für AHR 900 | 1609350020

Artikelnummer: EB-0600813050-1609350020

Position: 41

Marke: BOSCH


Bitte Kompatibilität prüfen!

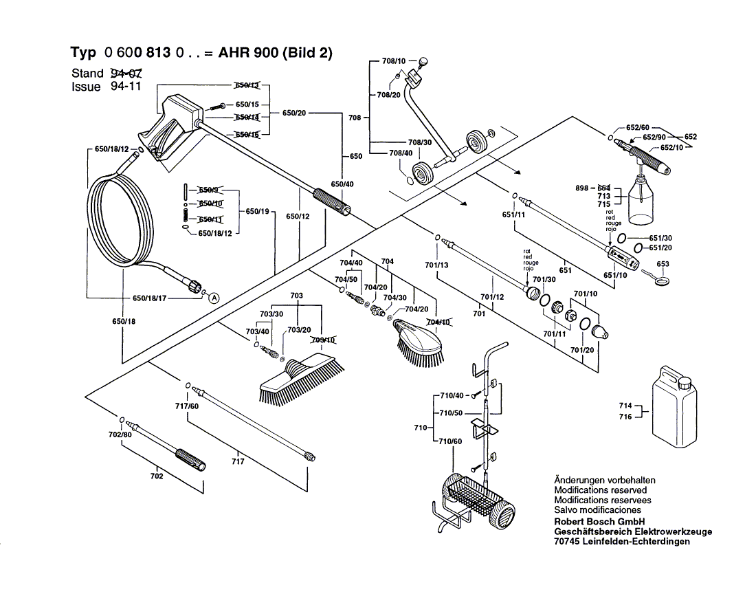
Bitte prüfen Sie unbedingt die 10-stellige Typennummer Ihrer Maschine / Ihres Gerätes. Das Ersatzteil ist nur kompatibel, wenn Sie die Typennummer Ihrer Maschine in der unten stehenden Produktbeschreibung finden.

Bitte prüfen Sie ebenfalls detailliert die Explosionszeichnung mit Ihrem Artikelwunsch und der jeweiligen Pos-Nummer.

Alle Elemente, welche vom schwarzen Strich der Pos-Nummer ausgehend berührt / erfasst werden, gehören zu dieser Pos-Nummer und somit zu diesem Artikel. Jede Pos-Nummer ist ein eigenständiger Artikel, welchen Sie in der Auflistung finden.

Sie erhalten stets die aktuellste, neueste Produktversion zu der gewählten Pos-Nummer seitens des Herstellers. Es kann daher je nach Gerätealter vorkommen, dass Sie ggf. weitere, zugehörige Elemente, welche an diese Pos-Nummer grenzen, ebenfalls mittauschen müssen.

Nähere Informationen finden Sie unter dem Link
Hinweise zu Ihrer BOSCH Ersatzteilsuche

Preisübersicht

Einzelpreis: 23,72 €* (Brutto: 28,23 €)
Gesamtpreis: 23,72 €* 
Position:

Lieferzeit: 5 Werktage


Beschreibung

  • Axialnadellager
  • Original Bosch Zubehör / BOSCH Ersatzteil (1609350020)
  • im Gerät verbaut: 1
Dieses BOSCH Ersatzteil ist mit folgendem Gerät und Modell kompatibel:
  • BOSCH Gerätename: AHR 900
  • BOSCH Explosionszeichnung: Position 41
  • BOSCH Typennummer: 0600813050
  • BOSCH Typennummer alternative Schreibweisen: 0 600 813 050, 0600 813 050, 0.600.813.050, 0-600-813-050
    Bitte prüfen Sie diese Typennummer auf Ihrem Gerät um die Kompatibilität des BOSCH Ersatzteils zu gewährleisten.
Weitere BOSCH Ersatzteile des Gerätes AHR 900 (Hochdruckreiniger) mit der Typennummer 0600813050 finden Sie in der nachfolgenden Darstellung und im Dropdown zu Ihrer Auswahl:

Pos.
1
BOSCH Gehäuseoberteil | Ersatzteile für AHR 900 | 1609350001
Hersteller: BOSCH
Artikelnummer: EB-0600813050-1609350001
nur Informationsartikel
Nie mehr lieferbar
keine Alternativen
Pos.
1/20
BOSCH Rolle | Ersatzteile für AHR 900 | 1609350003
Hersteller: BOSCH
Artikelnummer: EB-0600813050-1609350003
nur Informationsartikel
Nie mehr lieferbar
keine Alternativen
Pos.
1/30
BOSCH Drucktaste | Ersatzteile für AHR 900 | 1609350004
Hersteller: BOSCH
Artikelnummer: EB-0600813050-1609350004
nur Informationsartikel
Nie mehr lieferbar
keine Alternativen
Pos.
1/40
BOSCH Druckfeder | Ersatzteile für AHR 900 | 1609350005
Hersteller: BOSCH
Artikelnummer: EB-0600813050-1609350005
nur Informationsartikel
Nie mehr lieferbar
keine Alternativen
Pos.
1/50
BOSCH Firmenschild | Ersatzteile für AHR 900 | 1601110972
Hersteller: BOSCH
Artikelnummer: EB-0600813050-1601110972
nur Informationsartikel
Nie mehr lieferbar
keine Alternativen
Pos.
11/1
BOSCH Gehäuseoberteil | Ersatzteile für AHR 900 | 1609350002
Hersteller: BOSCH
Artikelnummer: EB-0600813050-1609350002
nur Informationsartikel
Nie mehr lieferbar
keine Alternativen
Pos.
14/1
BOSCH Druckschalter | Ersatzteile für AHR 900 | 1609350194
Hersteller: BOSCH
Artikelnummer: EB-0600813050-1609350194
nur Informationsartikel
Nie mehr lieferbar
keine Alternativen
Pos.
18/10
BOSCH Rohrhalterung | Ersatzteile für AHR 900 | 1609350023
Hersteller: BOSCH
Artikelnummer: EB-0600813050-1609350023
nur Informationsartikel
Nie mehr lieferbar
keine Alternativen
Pos.
18/20
BOSCH Dichtung | Ersatzteile für AHR 900 | 1609350178
Hersteller: BOSCH
Artikelnummer: EB-0600813050-1609350178
nur Informationsartikel
Nie mehr lieferbar
keine Alternativen
Pos.
18/30
BOSCH Flachdichtring | Ersatzteile für AHR 900 | 1609350179
Hersteller: BOSCH
Artikelnummer: EB-0600813050-1609350179
nur Informationsartikel
Nie mehr lieferbar
keine Alternativen
Pos.
18/40
BOSCH Dichtmanschette | Ersatzteile für AHR 900 | 1609350180
Hersteller: BOSCH
Artikelnummer: EB-0600813050-1609350180
nur Informationsartikel
Nie mehr lieferbar
keine Alternativen
Pos.
42/30
BOSCH Teilesatz | Ersatzteile für AHR 900 | 1609350309
Hersteller: BOSCH
Artikelnummer: EB-0600813050-1609350309
nur Informationsartikel
Nie mehr lieferbar
keine Alternativen
Pos.
45/10
BOSCH Teilesatz Ø1,78xØ7,66 MM 3 STUECK | Ersatzteile für AHR 900 | 1609350081
Hersteller: BOSCH
Artikelnummer: EB-0600813050-1609350081
nur Informationsartikel
Nie mehr lieferbar
keine Alternativen
Pos.
56/50
BOSCH Teilesatz Ø2x10 MM 3 STUECK | Ersatzteile für AHR 900 | 1609350065
Hersteller: BOSCH
Artikelnummer: EB-0600813050-1609350065
nur Informationsartikel
Nie mehr lieferbar
keine Alternativen
Pos.
63/10
BOSCH Teilesatz Ø2,4xØ12,3 MM 3 STUECK | Ersatzteile für AHR 900 | 1609350177
Hersteller: BOSCH
Artikelnummer: EB-0600813050-1609350177
nur Informationsartikel
Nie mehr lieferbar
keine Alternativen
Pos.
64/10
BOSCH Teilesatz Ø2,4xØ16,6 MM 3 STUECK | Ersatzteile für AHR 900 | 1609350140
Hersteller: BOSCH
Artikelnummer: EB-0600813050-1609350140
nur Informationsartikel
Nie mehr lieferbar
keine Alternativen
Pos.
65/10
BOSCH Teilesatz Ø2xØ6 MM | Ersatzteile für AHR 900 | 1609350175
Hersteller: BOSCH
Artikelnummer: EB-0600813050-1609350175
nur Informationsartikel
Nie mehr lieferbar
keine Alternativen
Pos.
650/12
BOSCH Verbindungsrohr | Ersatzteile für AHR 900 | 1609350089
Hersteller: BOSCH
Artikelnummer: EB-0600813050-1609350089
nur Informationsartikel
Nie mehr lieferbar
keine Alternativen
Pos.
650/18
BOSCH Kunststoffschlauch L=9 M, MAX. 150 BAR | Ersatzteile für AHR 900 | 1609350504
Hersteller: BOSCH
Artikelnummer: EB-0600813050-1609350504
nur Informationsartikel
Nie mehr lieferbar
keine Alternativen
Pos.
650/18/12
BOSCH Teilesatz Ø2xØ11 MM 3 STUECK | Ersatzteile für AHR 900 | 1609350074
Hersteller: BOSCH
Artikelnummer: EB-0600813050-1609350074
nur Informationsartikel
Nie mehr lieferbar
keine Alternativen
Pos.
650/19
BOSCH Reparatursatz | Ersatzteile für AHR 900 | 1609350080
Hersteller: BOSCH
Artikelnummer: EB-0600813050-1609350080
nur Informationsartikel
Nie mehr lieferbar
keine Alternativen
Pos.
650/20
BOSCH Teilesatz | Ersatzteile für AHR 900 | 1609350176
Hersteller: BOSCH
Artikelnummer: EB-0600813050-1609350176
nur Informationsartikel
Nie mehr lieferbar
keine Alternativen
Pos.
650/40
BOSCH Griffhülse | Ersatzteile für AHR 900 | 1609350198
Hersteller: BOSCH
Artikelnummer: EB-0600813050-1609350198
nur Informationsartikel
Nie mehr lieferbar
keine Alternativen
Pos.
651/10
BOSCH Düsenspannmutter | Ersatzteile für AHR 900 | 1609350145
Hersteller: BOSCH
Artikelnummer: EB-0600813050-1609350145
nur Informationsartikel
Nie mehr lieferbar
keine Alternativen
Pos.
651/20
BOSCH Teilesatz Ø2,0xØ18,0 MM 3 STUECK | Ersatzteile für AHR 900 | 1609350182
Hersteller: BOSCH
Artikelnummer: EB-0600813050-1609350182
nur Informationsartikel
Nie mehr lieferbar
keine Alternativen
Pos.
651/30
BOSCH Teilesatz Ø1,78xØ18,77 MM 3 STUECK | Ersatzteile für AHR 900 | 1609350181
Hersteller: BOSCH
Artikelnummer: EB-0600813050-1609350181
nur Informationsartikel
Nie mehr lieferbar
keine Alternativen
Pos.
652/10
BOSCH Einlochsprühdüse | Ersatzteile für AHR 900 | 1609350104
Hersteller: BOSCH
Artikelnummer: EB-0600813050-1609350104
nur Informationsartikel
Nie mehr lieferbar
keine Alternativen
Pos.
652/90
BOSCH Teilesatz | Ersatzteile für AHR 900 | 1609350115
Hersteller: BOSCH
Artikelnummer: EB-0600813050-1609350115
nur Informationsartikel
Nie mehr lieferbar
keine Alternativen
Pos.
678/10
BOSCH Flachdichtung Ø15xØ24x4,5=3/4" | Ersatzteile für AHR 900 | 1609351029
Hersteller: BOSCH
Artikelnummer: EB-0600813050-1609351029
Netto: 3,59 € zzgl. MwSt.
zzgl. 6,90 € Versand (brutto)
einmalig pro Bestellung

Lieferzeit: 5 Werktage

Pos.
70/20
BOSCH Schaumstoffplatte | Ersatzteile für AHR 900 | 1609350068
Hersteller: BOSCH
Artikelnummer: EB-0600813050-1609350068
nur Informationsartikel
Nie mehr lieferbar
keine Alternativen
Pos.
701/10
BOSCH Düsenträger | Ersatzteile für AHR 900 | 1609350190
Hersteller: BOSCH
Artikelnummer: EB-0600813050-1609350190
nur Informationsartikel
Nie mehr lieferbar
keine Alternativen
Pos.
701/11
BOSCH Reparatursatz | Ersatzteile für AHR 900 | 1609350191
Hersteller: BOSCH
Artikelnummer: EB-0600813050-1609350191
nur Informationsartikel
Nie mehr lieferbar
keine Alternativen
Pos.
701/12
BOSCH Verbindungsrohr | Ersatzteile für AHR 900 | 1609350090
Hersteller: BOSCH
Artikelnummer: EB-0600813050-1609350090
nur Informationsartikel
Nie mehr lieferbar
keine Alternativen
Pos.
701/13
BOSCH Teilesatz Ø2,4xØ9,6 MM 3 STUECK | Ersatzteile für AHR 900 | 1609350078
Hersteller: BOSCH
Artikelnummer: EB-0600813050-1609350078
nur Informationsartikel
Nie mehr lieferbar
keine Alternativen
Pos.
701/20
BOSCH Teilesatz Ø2xØ37 MM 3 STUECK | Ersatzteile für AHR 900 | 1609350084
Hersteller: BOSCH
Artikelnummer: EB-0600813050-1609350084
nur Informationsartikel
Nie mehr lieferbar
keine Alternativen
Pos.
701/30
BOSCH Teilesatz Ø1,78xØ34,65 MM 3 STUECK | Ersatzteile für AHR 900 | 1609350184
Hersteller: BOSCH
Artikelnummer: EB-0600813050-1609350184
nur Informationsartikel
Nie mehr lieferbar
keine Alternativen
Pos.
704/30
BOSCH Gelenkstück | Ersatzteile für AHR 900 | 1609351014
Hersteller: BOSCH
Artikelnummer: EB-0600813050-1609351014
Netto: 16,44 € zzgl. MwSt.
zzgl. 6,90 € Versand (brutto)
einmalig pro Bestellung

Lieferzeit: 5 Werktage

Pos.
704/40
BOSCH Adapter | Ersatzteile für AHR 900 | 1609350159
Hersteller: BOSCH
Artikelnummer: EB-0600813050-1609350159
nur Informationsartikel
Nie mehr lieferbar
keine Alternativen
Pos.
705/1
BOSCH Rohrreinigungsset L=15 M | Ersatzteile für AHR 900 | 1609350055
Hersteller: BOSCH
Artikelnummer: EB-0600813050-1609350055
nur Informationsartikel
Nie mehr lieferbar
keine Alternativen
Pos.
705/10
BOSCH Rohrdüse | Ersatzteile für AHR 900 | 1609350137
Hersteller: BOSCH
Artikelnummer: EB-0600813050-1609350137
nur Informationsartikel
Nie mehr lieferbar
keine Alternativen
Pos.
705/20
BOSCH Teilesatz Ø1,6xØ10 MM 3 STUECK | Ersatzteile für AHR 900 | 1609350088
Hersteller: BOSCH
Artikelnummer: EB-0600813050-1609350088
nur Informationsartikel
Nie mehr lieferbar
keine Alternativen
Pos.
707/10
BOSCH Düsenspannmutter | Ersatzteile für AHR 900 | 1609350136
Hersteller: BOSCH
Artikelnummer: EB-0600813050-1609350136
nur Informationsartikel
Nie mehr lieferbar
keine Alternativen
Pos.
708/10
BOSCH Klemmschraube | Ersatzteile für AHR 900 | 1609350120
Hersteller: BOSCH
Artikelnummer: EB-0600813050-1609350120
nur Informationsartikel
Nie mehr lieferbar
keine Alternativen
Pos.
708/20
BOSCH Klemmstück | Ersatzteile für AHR 900 | 1609350121
Hersteller: BOSCH
Artikelnummer: EB-0600813050-1609350121
nur Informationsartikel
Nie mehr lieferbar
keine Alternativen
Pos.
708/30
BOSCH Rad | Ersatzteile für AHR 900 | 1609350122
Hersteller: BOSCH
Artikelnummer: EB-0600813050-1609350122
nur Informationsartikel
Nie mehr lieferbar
keine Alternativen
Pos.
708/40
BOSCH Verschlusskappe | Ersatzteile für AHR 900 | 1609350123
Hersteller: BOSCH
Artikelnummer: EB-0600813050-1609350123
nur Informationsartikel
Nie mehr lieferbar
keine Alternativen
Pos.
709/10
BOSCH Düsenhalter | Ersatzteile für AHR 900 | 1609350146
Hersteller: BOSCH
Artikelnummer: EB-0600813050-1609350146
nur Informationsartikel
Nie mehr lieferbar
keine Alternativen
Pos.
709/11
BOSCH Ansaugstutzen | Ersatzteile für AHR 900 | 1609350135
Hersteller: BOSCH
Artikelnummer: EB-0600813050-1609350135
nur Informationsartikel
Nie mehr lieferbar
keine Alternativen
Pos.
709/12
BOSCH Verbindungsrohr | Ersatzteile für AHR 900 | 1609350192
Hersteller: BOSCH
Artikelnummer: EB-0600813050-1609350192
nur Informationsartikel
Nie mehr lieferbar
keine Alternativen
Pos.
709/20
BOSCH Linsenschraube DIN 7985-M4x20-8.8-Z | Ersatzteile für AHR 900 | 2912311130
Hersteller: BOSCH
Artikelnummer: EB-0600813050-2912311130
nur Informationsartikel
Nie mehr lieferbar
keine Alternativen
Pos.
709/30
BOSCH Sechskantmutter DIN 934 -M4-m-8 | Ersatzteile für AHR 900 | 2915011005
Hersteller: BOSCH
Artikelnummer: EB-0600813050-2915011005
Netto: 3,60 € zzgl. MwSt.
zzgl. 6,90 € Versand (brutto)
einmalig pro Bestellung

Lieferzeit: 5 Werktage

Pos.
709/40
BOSCH Blechschraube DIN7981-ST2,9x9,5C-Z | Ersatzteile für AHR 900 | 2912401005
Hersteller: BOSCH
Artikelnummer: EB-0600813050-2912401005
Netto: 3,60 € zzgl. MwSt.
zzgl. 6,90 € Versand (brutto)
einmalig pro Bestellung

Lieferzeit: 5 Werktage

Pos.
709/50
BOSCH Düse | Ersatzteile für AHR 900 | 1609350134
Hersteller: BOSCH
Artikelnummer: EB-0600813050-1609350134
nur Informationsartikel
Nie mehr lieferbar
keine Alternativen
Pos.
710/40
BOSCH Innensechskantschraube DIN 912-M6x25-8.8 | Ersatzteile für AHR 900 | 2910141203
Hersteller: BOSCH
Artikelnummer: EB-0600813050-2910141203
Netto: 3,93 € zzgl. MwSt.
zzgl. 6,90 € Versand (brutto)
einmalig pro Bestellung

Lieferzeit: 5 Werktage

Pos.
710/50
BOSCH Flügelmutter DIN 1709 BM 6 VERZINKT | Ersatzteile für AHR 900 | 2915191106
Hersteller: BOSCH
Artikelnummer: EB-0600813050-2915191106
nur Informationsartikel
Nie mehr lieferbar
keine Alternativen
Pos.
710/60
BOSCH Rad Ø200 MM | Ersatzteile für AHR 900 | 1609351088
Hersteller: BOSCH
Artikelnummer: EB-0600813050-1609351088
nur Informationsartikel
Nie mehr lieferbar
keine Alternativen
Pos.
711/20
BOSCH Reparatursatz | Ersatzteile für AHR 900 | 1609350169
Hersteller: BOSCH
Artikelnummer: EB-0600813050-1609350169
nur Informationsartikel
Nie mehr lieferbar
keine Alternativen
Pos.
711/30
BOSCH Dosiereinheit | Ersatzteile für AHR 900 | 1609350170
Hersteller: BOSCH
Artikelnummer: EB-0600813050-1609350170
nur Informationsartikel
Nie mehr lieferbar
keine Alternativen
Pos.
711/40
BOSCH Schlauch | Ersatzteile für AHR 900 | 1609350171
Hersteller: BOSCH
Artikelnummer: EB-0600813050-1609350171
nur Informationsartikel
Nie mehr lieferbar
keine Alternativen
Pos.
711/50
BOSCH Schlauchschelle | Ersatzteile für AHR 900 | 1609350172
Hersteller: BOSCH
Artikelnummer: EB-0600813050-1609350172
nur Informationsartikel
Nie mehr lieferbar
keine Alternativen
Pos.
712/10
BOSCH Flachdichtung Ø15xØ24x3=3/4" | Ersatzteile für AHR 900 | 1609351002
Hersteller: BOSCH
Artikelnummer: EB-0600813050-1609351002
nur Informationsartikel
Nie mehr lieferbar
keine Alternativen
Pos.
3
BOSCH Typschild | Ersatzteile für AHR 900 | 1601118365
Hersteller: BOSCH
Artikelnummer: EB-0600813050-1601118365
nur Informationsartikel
Nie mehr lieferbar
keine Alternativen
Pos.
6
BOSCH Linsenblechschraube Ø6x20 MM | Ersatzteile für AHR 900 | 1609350006
Hersteller: BOSCH
Artikelnummer: EB-0600813050-1609350006
nur Informationsartikel
Nie mehr lieferbar
keine Alternativen
Pos.
7
BOSCH Linsenschraube DIN 7985-M5x20-8.8-H | Ersatzteile für AHR 900 | 2910951162
Hersteller: BOSCH
Artikelnummer: EB-0600813050-2910951162
nur Informationsartikel
Nie mehr lieferbar
keine Alternativen
Pos.
8
BOSCH Linsenschraube M5x60 MM | Ersatzteile für AHR 900 | 1609350143
Hersteller: BOSCH
Artikelnummer: EB-0600813050-1609350143
nur Informationsartikel
Nie mehr lieferbar
keine Alternativen
Pos.
9
BOSCH Dichtkappe | Ersatzteile für AHR 900 | 1609350092
Hersteller: BOSCH
Artikelnummer: EB-0600813050-1609350092
nur Informationsartikel
Nie mehr lieferbar
keine Alternativen
Pos.
10
BOSCH Zwischengehäuse | Ersatzteile für AHR 900 | 1609350291
Hersteller: BOSCH
Artikelnummer: EB-0600813050-1609350291
nur Informationsartikel
Nie mehr lieferbar
keine Alternativen
Pos.
17
BOSCH Motorkondensator 25uF,50HZ | Ersatzteile für AHR 900 | 1609350015
Hersteller: BOSCH
Artikelnummer: EB-0600813050-1609350015
nur Informationsartikel
Nie mehr lieferbar
keine Alternativen
Pos.
18
BOSCH Kunststoffrohr | Ersatzteile für AHR 900 | 1609350022
Hersteller: BOSCH
Artikelnummer: EB-0600813050-1609350022
nur Informationsartikel
Nie mehr lieferbar
keine Alternativen
Pos.
19
BOSCH Zwischengehäuse | Ersatzteile für AHR 900 | 1609350007
Hersteller: BOSCH
Artikelnummer: EB-0600813050-1609350007
nur Informationsartikel
Nie mehr lieferbar
keine Alternativen
Pos.
20
BOSCH Netzanschlussleitung | Ersatzteile für AHR 900 | 1609350118
Hersteller: BOSCH
Artikelnummer: EB-0600813050-1609350118
nur Informationsartikel
Nie mehr lieferbar
keine Alternativen
Pos.
21
BOSCH Blechschraube ST Ø3x20 MM | Ersatzteile für AHR 900 | 1609350142
Hersteller: BOSCH
Artikelnummer: EB-0600813050-1609350142
nur Informationsartikel
Nie mehr lieferbar
keine Alternativen
Pos.
22
BOSCH Zugentlastung | Ersatzteile für AHR 900 | 1609350025
Hersteller: BOSCH
Artikelnummer: EB-0600813050-1609350025
nur Informationsartikel
Nie mehr lieferbar
keine Alternativen
Pos.
23
BOSCH Linsenschraube DIN 7985-M5x8-8.8-Z | Ersatzteile für AHR 900 | 2912311150
Hersteller: BOSCH
Artikelnummer: EB-0600813050-2912311150
nur Informationsartikel
Nie mehr lieferbar
keine Alternativen
Pos.
24
BOSCH Kabeltülle | Ersatzteile für AHR 900 | 1609350166
Hersteller: BOSCH
Artikelnummer: EB-0600813050-1609350166
nur Informationsartikel
Nie mehr lieferbar
keine Alternativen
Pos.
28
BOSCH Sicherungsring | Ersatzteile für AHR 900 | 1609350016
Hersteller: BOSCH
Artikelnummer: EB-0600813050-1609350016
nur Informationsartikel
Nie mehr lieferbar
keine Alternativen
Pos.
29
BOSCH Lüfterrad | Ersatzteile für AHR 900 | 1609350017
Hersteller: BOSCH
Artikelnummer: EB-0600813050-1609350017
nur Informationsartikel
Nie mehr lieferbar
keine Alternativen
Pos.
30
BOSCH Elektromotor 230V/50HZ | Ersatzteile für AHR 900 | 1609350202
Hersteller: BOSCH
Artikelnummer: EB-0600813050-1609350202
nur Informationsartikel
Nie mehr lieferbar
keine Alternativen
Pos.
31
BOSCH Spritzschutz | Ersatzteile für AHR 900 | 1609350093
Hersteller: BOSCH
Artikelnummer: EB-0600813050-1609350093
nur Informationsartikel
Nie mehr lieferbar
keine Alternativen
Pos.
40
BOSCH Reparatursatz 50HZ | Ersatzteile für AHR 900 | 1609350195
Hersteller: BOSCH
Artikelnummer: EB-0600813050-1609350195
nur Informationsartikel
Nie mehr lieferbar
keine Alternativen
Pos.
41
BOSCH Axialnadellager | Ersatzteile für AHR 900 | 1609350020
Hersteller: BOSCH
Artikelnummer: EB-0600813050-1609350020
Netto: 23,33 € zzgl. MwSt.
zzgl. 6,90 € Versand (brutto)
einmalig pro Bestellung

Lieferzeit: 5 Werktage

Pos.
42
BOSCH Zylinderblock | Ersatzteile für AHR 900 | 1609350021
Hersteller: BOSCH
Artikelnummer: EB-0600813050-1609350021
nur Informationsartikel
Nie mehr lieferbar
keine Alternativen
Pos.
43
BOSCH Druckfeder | Ersatzteile für AHR 900 | 1609350027
Hersteller: BOSCH
Artikelnummer: EB-0600813050-1609350027
nur Informationsartikel
Nie mehr lieferbar
keine Alternativen
Pos.
44
BOSCH O-Ring 80x2 MM | Ersatzteile für AHR 900 | 1609350098
Hersteller: BOSCH
Artikelnummer: EB-0600813050-1609350098
nur Informationsartikel
Nie mehr lieferbar
keine Alternativen
Pos.
45
BOSCH Verschlussstopfen | Ersatzteile für AHR 900 | 1609350308
Hersteller: BOSCH
Artikelnummer: EB-0600813050-1609350308
nur Informationsartikel
Nie mehr lieferbar
keine Alternativen
Pos.
47
BOSCH Filtersieb | Ersatzteile für AHR 900 | 1609350032
Hersteller: BOSCH
Artikelnummer: EB-0600813050-1609350032
nur Informationsartikel
Nie mehr lieferbar
keine Alternativen
Pos.
48
BOSCH Sprengring | Ersatzteile für AHR 900 | 1609350033
Hersteller: BOSCH
Artikelnummer: EB-0600813050-1609350033
nur Informationsartikel
Nie mehr lieferbar
keine Alternativen
Pos.
49
BOSCH Gummimanschette | Ersatzteile für AHR 900 | 1609350035
Hersteller: BOSCH
Artikelnummer: EB-0600813050-1609350035
nur Informationsartikel
Nie mehr lieferbar
keine Alternativen
Pos.
50
BOSCH Druckring | Ersatzteile für AHR 900 | 1609350036
Hersteller: BOSCH
Artikelnummer: EB-0600813050-1609350036
nur Informationsartikel
Nie mehr lieferbar
keine Alternativen
Pos.
51
BOSCH Teilesatz Ø1,6xØ15,1 MM 3 STUECK | Ersatzteile für AHR 900 | 1609350038
Hersteller: BOSCH
Artikelnummer: EB-0600813050-1609350038
nur Informationsartikel
Nie mehr lieferbar
keine Alternativen
Pos.
52
BOSCH Teilesatz Ø1,6xØ6,1 MM 3 STUECK | Ersatzteile für AHR 900 | 1609350039
Hersteller: BOSCH
Artikelnummer: EB-0600813050-1609350039
nur Informationsartikel
Nie mehr lieferbar
keine Alternativen
Pos.
53
BOSCH Zylinderkopf | Ersatzteile für AHR 900 | 1609350028
Hersteller: BOSCH
Artikelnummer: EB-0600813050-1609350028
nur Informationsartikel
Nie mehr lieferbar
keine Alternativen
Pos.
54
BOSCH Teilesatz Ø1,78xØ11,11 MM 3 STUECK | Ersatzteile für AHR 900 | 1609350029
Hersteller: BOSCH
Artikelnummer: EB-0600813050-1609350029
nur Informationsartikel
Nie mehr lieferbar
keine Alternativen
Pos.
55
BOSCH Dichtmanschette | Ersatzteile für AHR 900 | 1609350037
Hersteller: BOSCH
Artikelnummer: EB-0600813050-1609350037
nur Informationsartikel
Nie mehr lieferbar
keine Alternativen
Pos.
59
BOSCH Innensechskantschraube DIN 912-M6x65-8.8 | Ersatzteile für AHR 900 | 2910141218
Hersteller: BOSCH
Artikelnummer: EB-0600813050-2910141218
Netto: 4,54 € zzgl. MwSt.
zzgl. 6,90 € Versand (brutto)
einmalig pro Bestellung

Lieferzeit: 5 Werktage

Pos.
60
BOSCH Ventilgehäuse | Ersatzteile für AHR 900 | 1609350196
Hersteller: BOSCH
Artikelnummer: EB-0600813050-1609350196
nur Informationsartikel
Nie mehr lieferbar
keine Alternativen
Pos.
62
BOSCH Durchflussdrossel GRUEN | Ersatzteile für AHR 900 | 1609350197
Hersteller: BOSCH
Artikelnummer: EB-0600813050-1609350197
nur Informationsartikel
Nie mehr lieferbar
keine Alternativen
Pos.
63
BOSCH Drucksteuerventil | Ersatzteile für AHR 900 | 1609350063
Hersteller: BOSCH
Artikelnummer: EB-0600813050-1609350063
nur Informationsartikel
Nie mehr lieferbar
keine Alternativen
Pos.
64
BOSCH Verschlussstopfen | Ersatzteile für AHR 900 | 1609350306
Hersteller: BOSCH
Artikelnummer: EB-0600813050-1609350306
nur Informationsartikel
Nie mehr lieferbar
keine Alternativen
Pos.
65
BOSCH Manometer | Ersatzteile für AHR 900 | 1609350307
Hersteller: BOSCH
Artikelnummer: EB-0600813050-1609350307
nur Informationsartikel
Nie mehr lieferbar
keine Alternativen
Pos.
68
BOSCH Innensechskantschraube DIN 912-M6x35-8.8 | Ersatzteile für AHR 900 | 2910141207
Hersteller: BOSCH
Artikelnummer: EB-0600813050-2910141207
nur Informationsartikel
Nie mehr lieferbar
keine Alternativen
Pos.
70
BOSCH Gehäuseunterteil | Ersatzteile für AHR 900 | 1609350041
Hersteller: BOSCH
Artikelnummer: EB-0600813050-1609350041
nur Informationsartikel
Nie mehr lieferbar
keine Alternativen
Pos.
71
BOSCH Gehäusefuss | Ersatzteile für AHR 900 | 1609350069
Hersteller: BOSCH
Artikelnummer: EB-0600813050-1609350069
nur Informationsartikel
Nie mehr lieferbar
keine Alternativen
Pos.
72
BOSCH Linsenschraube DIN 7985-M6x20-8.8-Z | Ersatzteile für AHR 900 | 2912311201
Hersteller: BOSCH
Artikelnummer: EB-0600813050-2912311201
nur Informationsartikel
Nie mehr lieferbar
keine Alternativen
Pos.
73
BOSCH Dichtungssatz | Ersatzteile für AHR 900 | 1609350044
Hersteller: BOSCH
Artikelnummer: EB-0600813050-1609350044
nur Informationsartikel
Nie mehr lieferbar
keine Alternativen
Pos.
74
BOSCH Reparatursatz | Ersatzteile für AHR 900 | 1609350045
Hersteller: BOSCH
Artikelnummer: EB-0600813050-1609350045
nur Informationsartikel
Nie mehr lieferbar
keine Alternativen
Pos.
76
BOSCH Dichtungsbuchse | Ersatzteile für AHR 900 | 1609350066
Hersteller: BOSCH
Artikelnummer: EB-0600813050-1609350066
nur Informationsartikel
Nie mehr lieferbar
keine Alternativen
Pos.
78
BOSCH Druckrohrstutzen | Ersatzteile für AHR 900 | 1609350067
Hersteller: BOSCH
Artikelnummer: EB-0600813050-1609350067
nur Informationsartikel
Nie mehr lieferbar
keine Alternativen
Pos.
650
BOSCH Handgriff | Ersatzteile für AHR 900 | 1609350199
Hersteller: BOSCH
Artikelnummer: EB-0600813050-1609350199
nur Informationsartikel
Nie mehr lieferbar
keine Alternativen
Pos.
651
BOSCH Hochdruckreinigungsdüse ROT | Ersatzteile für AHR 900 | 1609350186
Hersteller: BOSCH
Artikelnummer: EB-0600813050-1609350186
nur Informationsartikel
Nie mehr lieferbar
keine Alternativen
Pos.
652
BOSCH Schaumsprühset | Ersatzteile für AHR 900 | 1609350047
Hersteller: BOSCH
Artikelnummer: EB-0600813050-1609350047
nur Informationsartikel
Nie mehr lieferbar
keine Alternativen
Pos.
653
BOSCH Reinigungsnadel | Ersatzteile für AHR 900 | 1609350124
Hersteller: BOSCH
Artikelnummer: EB-0600813050-1609350124
nur Informationsartikel
Nie mehr lieferbar
keine Alternativen
Pos.
678
BOSCH Hahnanschlussstück 3/4" FUER ERSTAUSRUESTUNG | Ersatzteile für AHR 900 | 0600800001
Hersteller: BOSCH
Artikelnummer: EB-0600813050-0600800001
nur Informationsartikel
Nie mehr lieferbar
keine Alternativen
Pos.
700
BOSCH Verbindungsschlauch L=7 M | Ersatzteile für AHR 900 | 2609200276
Hersteller: BOSCH
Artikelnummer: EB-0600813050-2609200276
nur Informationsartikel
Nie mehr lieferbar
keine Alternativen
Pos.
701
BOSCH Hochdruckreinigungsdüse ROT | Ersatzteile für AHR 900 | 1609350187
Hersteller: BOSCH
Artikelnummer: EB-0600813050-1609350187
nur Informationsartikel
Nie mehr lieferbar
keine Alternativen
Pos.
702
BOSCH Verlängerungsrohr | Ersatzteile für AHR 900 | 1609350053
Hersteller: BOSCH
Artikelnummer: EB-0600813050-1609350053
nur Informationsartikel
Nie mehr lieferbar
keine Alternativen
Pos.
703
BOSCH Waschbürste | Ersatzteile für AHR 900 | 1609350156
Hersteller: BOSCH
Artikelnummer: EB-0600813050-1609350156
nur Informationsartikel
Nie mehr lieferbar
keine Alternativen
Pos.
704
BOSCH Rotationswaschbürste | Ersatzteile für AHR 900 | 1609350126
Hersteller: BOSCH
Artikelnummer: EB-0600813050-1609350126
nur Informationsartikel
Nie mehr lieferbar
keine Alternativen
Pos.
705
BOSCH Rohrreinigungsset L=7 M | Ersatzteile für AHR 900 | 1609350054
Hersteller: BOSCH
Artikelnummer: EB-0600813050-1609350054
nur Informationsartikel
Nie mehr lieferbar
keine Alternativen
Pos.
706
BOSCH Rohrreinigungsset L=7 M | Ersatzteile für AHR 900 | 1609350056
Hersteller: BOSCH
Artikelnummer: EB-0600813050-1609350056
nur Informationsartikel
Nie mehr lieferbar
keine Alternativen
Pos.
707
BOSCH Strahlrohr | Ersatzteile für AHR 900 | 1609350057
Hersteller: BOSCH
Artikelnummer: EB-0600813050-1609350057
nur Informationsartikel
Nie mehr lieferbar
keine Alternativen
Pos.
708
BOSCH Abstandshalter | Ersatzteile für AHR 900 | 1609350119
Hersteller: BOSCH
Artikelnummer: EB-0600813050-1609350119
nur Informationsartikel
Nie mehr lieferbar
keine Alternativen
Pos.
709
BOSCH Nassstrahlset ROT | Ersatzteile für AHR 900 | 1609350188
Hersteller: BOSCH
Artikelnummer: EB-0600813050-1609350188
nur Informationsartikel
Nie mehr lieferbar
keine Alternativen
Pos.
710
BOSCH Gerätewagen | Ersatzteile für AHR 900 | 2608005050
Hersteller: BOSCH
Artikelnummer: EB-0600813050-2608005050
nur Informationsartikel
Nie mehr lieferbar
keine Alternativen
Pos.
711
BOSCH Injektor | Ersatzteile für AHR 900 | 1609350128
Hersteller: BOSCH
Artikelnummer: EB-0600813050-1609350128
nur Informationsartikel
Nie mehr lieferbar
keine Alternativen
Pos.
712
BOSCH Rückschlagventil | Ersatzteile für AHR 900 | 1609350060
Hersteller: BOSCH
Artikelnummer: EB-0600813050-1609350060
nur Informationsartikel
Nie mehr lieferbar
keine Alternativen
Pos.
713
BOSCH Reinigungsmittel 1x0,55 LITER | Ersatzteile für AHR 900 | 1609350153
Hersteller: BOSCH
Artikelnummer: EB-0600813050-1609350153
nur Informationsartikel
Nie mehr lieferbar
keine Alternativen
Pos.
714
BOSCH Reinigungsmittel 1x2,5 LITER | Ersatzteile für AHR 900 | 1609350155
Hersteller: BOSCH
Artikelnummer: EB-0600813050-1609350155
nur Informationsartikel
Nie mehr lieferbar
keine Alternativen
Pos.
715
BOSCH Wachs 1x0,55 LITER | Ersatzteile für AHR 900 | 1609350161
Hersteller: BOSCH
Artikelnummer: EB-0600813050-1609350161
nur Informationsartikel
Nie mehr lieferbar
keine Alternativen
Pos.
716
BOSCH Wachs 1x2,5 LITER | Ersatzteile für AHR 900 | 1609350162
Hersteller: BOSCH
Artikelnummer: EB-0600813050-1609350162
nur Informationsartikel
Nie mehr lieferbar
keine Alternativen
Pos.
717
BOSCH Verlängerungsrohr 410 MM | Ersatzteile für AHR 900 | 1609350164
Hersteller: BOSCH
Artikelnummer: EB-0600813050-1609350164
nur Informationsartikel
Nie mehr lieferbar
keine Alternativen
Pos.
898
BOSCH Behälter 0,55 LITER, 12 STCK. | Ersatzteile für AHR 900 | 1609350189
Hersteller: BOSCH
Artikelnummer: EB-0600813050-1609350189
nur Informationsartikel
Nie mehr lieferbar
keine Alternativen

Angaben zur Produktsicherheit

Hersteller:
Robert Bosch Power Tools GmbH
Postfach 30 02 20
70442 Stuttgart

E-Mail:
kontakt@bosch.de