BOSCH Torx-Linsenschraube 4x25 | Ersatzteile für AHS 3 | 2603490024

Artikelnummer: EB-0600843032-2603490024

Position: 18

Marke: BOSCH


Bitte Kompatibilität prüfen!

Bitte prüfen Sie unbedingt die 10-stellige Typennummer Ihrer Maschine / Ihres Gerätes. Das Ersatzteil ist nur kompatibel, wenn Sie die Typennummer Ihrer Maschine in der unten stehenden Produktbeschreibung finden.

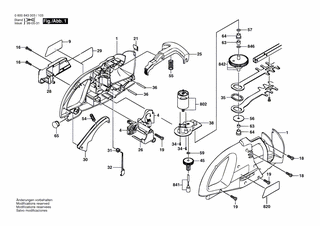
Bitte prüfen Sie ebenfalls detailliert die Explosionszeichnung mit Ihrem Artikelwunsch und der jeweiligen Pos-Nummer.

Alle Elemente, welche vom schwarzen Strich der Pos-Nummer ausgehend berührt / erfasst werden, gehören zu dieser Pos-Nummer und somit zu diesem Artikel. Jede Pos-Nummer ist ein eigenständiger Artikel, welchen Sie in der Auflistung finden.

Sie erhalten stets die aktuellste, neueste Produktversion zu der gewählten Pos-Nummer seitens des Herstellers. Es kann daher je nach Gerätealter vorkommen, dass Sie ggf. weitere, zugehörige Elemente, welche an diese Pos-Nummer grenzen, ebenfalls mittauschen müssen.

Nähere Informationen finden Sie unter dem Link
Hinweise zu Ihrer BOSCH Ersatzteilsuche

Preisübersicht

Einzelpreis: 3,94 €* (Brutto: 4,69 €)
Gesamtpreis: 3,94 €* 
Position:

Lieferzeit: 5 Werktage


Beschreibung

  • Torx-Linsenschraube 4x25
  • Original Bosch Zubehör / BOSCH Ersatzteil (2603490024)
  • im Gerät verbaut: 1
Dieses BOSCH Ersatzteil ist mit folgendem Gerät und Modell kompatibel:
  • BOSCH Gerätename: AHS 3
  • BOSCH Explosionszeichnung: Position 18
  • BOSCH Typennummer: 0600843032
  • BOSCH Typennummer alternative Schreibweisen: 0 600 843 032, 0600 843 032, 0.600.843.032, 0-600-843-032
    Bitte prüfen Sie diese Typennummer auf Ihrem Gerät um die Kompatibilität des BOSCH Ersatzteils zu gewährleisten.
Weitere BOSCH Ersatzteile des Gerätes AHS 3 (Heckenschere) mit der Typennummer 0600843032 finden Sie in der nachfolgenden Darstellung und im Dropdown zu Ihrer Auswahl:

Pos.
1
BOSCH Gehäuseschale GRUEN | Ersatzteile für AHS 3 | 2605104658
Hersteller: BOSCH
Artikelnummer: EB-0600843032-2605104658
nur Informationsartikel
Nie mehr lieferbar
keine Alternativen
Pos.
33/30
BOSCH Führungsleiste | Ersatzteile für AHS 3 | 2601038070
Hersteller: BOSCH
Artikelnummer: EB-0600843032-2601038070
nur Informationsartikel
Nie mehr lieferbar
keine Alternativen
Pos.
33/40
BOSCH Gewindefurchschraube | Ersatzteile für AHS 3 | 2603413033
Hersteller: BOSCH
Artikelnummer: EB-0600843032-2603413033
nur Informationsartikel
Nie mehr lieferbar
keine Alternativen
Pos.
4
BOSCH Schaltereinheit | Ersatzteile für AHS 3 | 2607235008
Hersteller: BOSCH
Artikelnummer: EB-0600843032-2607235008
nur Informationsartikel
Nie mehr lieferbar
keine Alternativen
Pos.
9
BOSCH Firmenschild | Ersatzteile für AHS 3 | 2601119863
Hersteller: BOSCH
Artikelnummer: EB-0600843032-2601119863
nur Informationsartikel
Nie mehr lieferbar
keine Alternativen
Pos.
16
BOSCH Linsenschraube | Ersatzteile für AHS 3 | 2603429008
Hersteller: BOSCH
Artikelnummer: EB-0600843032-2603429008
nur Informationsartikel
Nie mehr lieferbar
keine Alternativen
Pos.
18
BOSCH Torx-Linsenschraube 4x25 | Ersatzteile für AHS 3 | 2603490024
Hersteller: BOSCH
Artikelnummer: EB-0600843032-2603490024
Netto: 3,94 € zzgl. MwSt.
zzgl. 6,90 € Versand (brutto)
einmalig pro Bestellung

Lieferzeit: 5 Werktage

Pos.
19
BOSCH Schraube 4x16 | Ersatzteile für AHS 3 | 2603490022
Hersteller: BOSCH
Artikelnummer: EB-0600843032-2603490022
Netto: 3,60 € zzgl. MwSt.
zzgl. 6,90 € Versand (brutto)
einmalig pro Bestellung

Lieferzeit: 5 Werktage

Pos.
21
BOSCH Federclip | Ersatzteile für AHS 3 | 2601310010
Hersteller: BOSCH
Artikelnummer: EB-0600843032-2601310010
nur Informationsartikel
Nie mehr lieferbar
keine Alternativen
Pos.
25
BOSCH Schaltsegment | Ersatzteile für AHS 3 | 2605190219
Hersteller: BOSCH
Artikelnummer: EB-0600843032-2605190219
nur Informationsartikel
Nie mehr lieferbar
keine Alternativen
Pos.
26
BOSCH Schaltergehäuse | Ersatzteile für AHS 3 | 2605190161
Hersteller: BOSCH
Artikelnummer: EB-0600843032-2605190161
nur Informationsartikel
Nie mehr lieferbar
keine Alternativen
Pos.
28
BOSCH Einsatzstück | Ersatzteile für AHS 3 | 2605190162
Hersteller: BOSCH
Artikelnummer: EB-0600843032-2605190162
nur Informationsartikel
Nie mehr lieferbar
keine Alternativen
Pos.
29
BOSCH Haltebügel | Ersatzteile für AHS 3 | 2601329041
Hersteller: BOSCH
Artikelnummer: EB-0600843032-2601329041
nur Informationsartikel
Nie mehr lieferbar
keine Alternativen
Pos.
30
BOSCH Schaltsegment | Ersatzteile für AHS 3 | 1605190091
Hersteller: BOSCH
Artikelnummer: EB-0600843032-1605190091
nur Informationsartikel
Nie mehr lieferbar
keine Alternativen
Pos.
31
BOSCH Schaltrad | Ersatzteile für AHS 3 | 1606330021
Hersteller: BOSCH
Artikelnummer: EB-0600843032-1606330021
nur Informationsartikel
Nie mehr lieferbar
keine Alternativen
Pos.
32
BOSCH Schaltstange | Ersatzteile für AHS 3 | 2608040144
Hersteller: BOSCH
Artikelnummer: EB-0600843032-2608040144
nur Informationsartikel
Nie mehr lieferbar
keine Alternativen
Pos.
34
BOSCH Torx-Zylinderschraube M3x5-8.8-Z | Ersatzteile für AHS 3 | 2603414048
Hersteller: BOSCH
Artikelnummer: EB-0600843032-2603414048
Netto: 3,60 € zzgl. MwSt.
zzgl. 6,90 € Versand (brutto)
einmalig pro Bestellung

Lieferzeit: 5 Werktage

Pos.
35
BOSCH Haltering | Ersatzteile für AHS 3 | 2600200044
Hersteller: BOSCH
Artikelnummer: EB-0600843032-2600200044
nur Informationsartikel
Nie mehr lieferbar
keine Alternativen
Pos.
36
BOSCH Zylinderstift | Ersatzteile für AHS 3 | 2609002714
Hersteller: BOSCH
Artikelnummer: EB-0600843032-2609002714
Netto: 3,94 € zzgl. MwSt.
zzgl. 6,90 € Versand (brutto)
einmalig pro Bestellung

Lieferzeit: 5 Werktage

Pos.
38
BOSCH Getriebegehäuse | Ersatzteile für AHS 3 | 2605806428
Hersteller: BOSCH
Artikelnummer: EB-0600843032-2605806428
nur Informationsartikel
Nie mehr lieferbar
keine Alternativen
Pos.
45
BOSCH Stirnrad | Ersatzteile für AHS 3 | 2606316092
Hersteller: BOSCH
Artikelnummer: EB-0600843032-2606316092
nur Informationsartikel
Nie mehr lieferbar
keine Alternativen
Pos.
54
BOSCH Druckfeder | Ersatzteile für AHS 3 | 2604610028
Hersteller: BOSCH
Artikelnummer: EB-0600843032-2604610028
nur Informationsartikel
Nie mehr lieferbar
keine Alternativen
Pos.
55
BOSCH Druckfeder | Ersatzteile für AHS 3 | 2604610045
Hersteller: BOSCH
Artikelnummer: EB-0600843032-2604610045
Netto: 3,94 € zzgl. MwSt.
zzgl. 6,90 € Versand (brutto)
einmalig pro Bestellung

Lieferzeit: 5 Werktage

Pos.
56
BOSCH Ausgleichscheibe | Ersatzteile für AHS 3 | 2600101096
Hersteller: BOSCH
Artikelnummer: EB-0600843032-2600101096
nur Informationsartikel
Nie mehr lieferbar
keine Alternativen
Pos.
57
BOSCH Ausgleichscheibe 0,5 MM | Ersatzteile für AHS 3 | 2600000028
Hersteller: BOSCH
Artikelnummer: EB-0600843032-2600000028
nur Informationsartikel
Nie mehr lieferbar
keine Alternativen
Pos.
59
BOSCH Ausgleichscheibe | Ersatzteile für AHS 3 | 2600100525
Hersteller: BOSCH
Artikelnummer: EB-0600843032-2600100525
Netto: 3,60 € zzgl. MwSt.
zzgl. 6,90 € Versand (brutto)
einmalig pro Bestellung

Lieferzeit: 5 Werktage

Pos.
63
BOSCH Nadelhülse | Ersatzteile für AHS 3 | 2600910005
Hersteller: BOSCH
Artikelnummer: EB-0600843032-2600910005
nur Informationsartikel
Nie mehr lieferbar
keine Alternativen
Pos.
64
BOSCH Lagerhülse | Ersatzteile für AHS 3 | 2600400043
Hersteller: BOSCH
Artikelnummer: EB-0600843032-2600400043
nur Informationsartikel
Nie mehr lieferbar
keine Alternativen
Pos.
65
BOSCH Verschlussstopfen | Ersatzteile für AHS 3 | 2608040145
Hersteller: BOSCH
Artikelnummer: EB-0600843032-2608040145
nur Informationsartikel
Nie mehr lieferbar
keine Alternativen
Pos.
753
BOSCH Schnell-Lader EU 230/7,2-24V, 1h | Ersatzteile für AHS 3 | 2607224425
Hersteller: BOSCH
Artikelnummer: EB-0600843032-2607224425
nur Informationsartikel
Nie mehr lieferbar
keine Alternativen
Pos.
754
BOSCH Ölbehälter | Ersatzteile für AHS 3 | 2605411109
Hersteller: BOSCH
Artikelnummer: EB-0600843032-2605411109
nur Informationsartikel
Nie mehr lieferbar
keine Alternativen
Pos.
791
BOSCH Einschub-Akkupaket 12V, 1,5Ah, NiCd | Ersatzteile für AHS 3 | 2607336145
Hersteller: BOSCH
Artikelnummer: EB-0600843032-2607336145
nur Informationsartikel
Nie mehr lieferbar
keine Alternativen
Pos.
802
BOSCH Gleichstrommotor 12V | Ersatzteile für AHS 3 | 2607022978
Hersteller: BOSCH
Artikelnummer: EB-0600843032-2607022978
nur Informationsartikel
Nie mehr lieferbar
keine Alternativen
Pos.
820
BOSCH Firmenschild | Ersatzteile für AHS 3 | 2601119988
Hersteller: BOSCH
Artikelnummer: EB-0600843032-2601119988
nur Informationsartikel
Nie mehr lieferbar
keine Alternativen
Pos.
833
BOSCH Messersatz | Ersatzteile für AHS 3 | 2607001315
Hersteller: BOSCH
Artikelnummer: EB-0600843032-2607001315
nur Informationsartikel
Nie mehr lieferbar
keine Alternativen
Pos.
841
BOSCH Welle | Ersatzteile für AHS 3 | 2603124906
Hersteller: BOSCH
Artikelnummer: EB-0600843032-2603124906
nur Informationsartikel
Nie mehr lieferbar
keine Alternativen
Pos.
842
BOSCH Antriebsgruppe | Ersatzteile für AHS 3 | 2607034003
Hersteller: BOSCH
Artikelnummer: EB-0600843032-2607034003
nur Informationsartikel
Nie mehr lieferbar
keine Alternativen
Pos.
846
BOSCH Sicherungsscheibe DIN 6799-4-FSt | Ersatzteile für AHS 3 | 2916080007
Hersteller: BOSCH
Artikelnummer: EB-0600843032-2916080007
Netto: 4,56 € zzgl. MwSt.
zzgl. 6,90 € Versand (brutto)
einmalig pro Bestellung

Lieferzeit: 5 Werktage

Angaben zur Produktsicherheit

Hersteller:
Robert Bosch Power Tools GmbH
Postfach 30 02 20
70442 Stuttgart

E-Mail:
kontakt@bosch.de