BOSCH Gewindefurchschraube | Ersatzteile für AHS 41 | 2603413039

Artikelnummer: EB-0600839123-2603413039

Position: 35

Marke: BOSCH


Bitte Kompatibilität prüfen!

Bitte prüfen Sie unbedingt die 10-stellige Typennummer Ihrer Maschine / Ihres Gerätes. Das Ersatzteil ist nur kompatibel, wenn Sie die Typennummer Ihrer Maschine in der unten stehenden Produktbeschreibung finden.

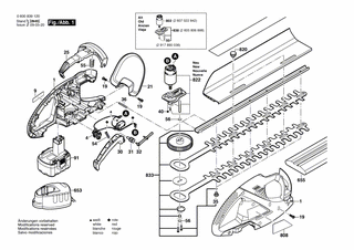
Bitte prüfen Sie ebenfalls detailliert die Explosionszeichnung mit Ihrem Artikelwunsch und der jeweiligen Pos-Nummer.

Alle Elemente, welche vom schwarzen Strich der Pos-Nummer ausgehend berührt / erfasst werden, gehören zu dieser Pos-Nummer und somit zu diesem Artikel. Jede Pos-Nummer ist ein eigenständiger Artikel, welchen Sie in der Auflistung finden.

Sie erhalten stets die aktuellste, neueste Produktversion zu der gewählten Pos-Nummer seitens des Herstellers. Es kann daher je nach Gerätealter vorkommen, dass Sie ggf. weitere, zugehörige Elemente, welche an diese Pos-Nummer grenzen, ebenfalls mittauschen müssen.

Nähere Informationen finden Sie unter dem Link
Hinweise zu Ihrer BOSCH Ersatzteilsuche

Preisübersicht

Einzelpreis: 3,94 €* (Brutto: 4,69 €)
Gesamtpreis: 3,94 €* 
Position:

Lieferzeit: 5 Werktage


Beschreibung

  • Gewindefurchschraube
  • Original Bosch Zubehör / BOSCH Ersatzteil (2603413039)
  • im Gerät verbaut: 1
Dieses BOSCH Ersatzteil ist mit folgendem Gerät und Modell kompatibel:
  • BOSCH Gerätename: AHS 41
  • BOSCH Explosionszeichnung: Position 35
  • BOSCH Typennummer: 0600839123
  • BOSCH Typennummer alternative Schreibweisen: 0 600 839 123, 0600 839 123, 0.600.839.123, 0-600-839-123
    Bitte prüfen Sie diese Typennummer auf Ihrem Gerät um die Kompatibilität des BOSCH Ersatzteils zu gewährleisten.
Weitere BOSCH Ersatzteile des Gerätes AHS 41 (Heckenschere) mit der Typennummer 0600839123 finden Sie in der nachfolgenden Darstellung und im Dropdown zu Ihrer Auswahl:

Pos.
1
BOSCH Gehäuseschale GRUEN | Ersatzteile für AHS 41 | 2605105063
Hersteller: BOSCH
Artikelnummer: EB-0600839123-2605105063
Netto: 35,13 € zzgl. MwSt.
zzgl. 6,90 € Versand (brutto)
einmalig pro Bestellung

Lieferzeit: 5 Werktage

Pos.
4
BOSCH Schaltereinheit | Ersatzteile für AHS 41 | 2607200486
Hersteller: BOSCH
Artikelnummer: EB-0600839123-2607200486
Netto: 6,27 € zzgl. MwSt.
zzgl. 6,90 € Versand (brutto)
einmalig pro Bestellung

Lieferzeit: 5 Werktage

Pos.
9
BOSCH Firmenschild AHS 41 | Ersatzteile für AHS 41 | 2609002784
Hersteller: BOSCH
Artikelnummer: EB-0600839123-2609002784
nur Informationsartikel
Nie mehr lieferbar
keine Alternativen
Pos.
19
BOSCH Schraube 4x16 | Ersatzteile für AHS 41 | 2603490022
Hersteller: BOSCH
Artikelnummer: EB-0600839123-2603490022
Netto: 3,60 € zzgl. MwSt.
zzgl. 6,90 € Versand (brutto)
einmalig pro Bestellung

Lieferzeit: 5 Werktage

Pos.
21
BOSCH Schutzschild | Ersatzteile für AHS 41 | 2607001804
Hersteller: BOSCH
Artikelnummer: EB-0600839123-2607001804
Netto: 6,27 € zzgl. MwSt.
zzgl. 6,90 € Versand (brutto)
einmalig pro Bestellung

Lieferzeit: 5 Werktage

Pos.
25
BOSCH Schaltsegment | Ersatzteile für AHS 41 | 2605190486
Hersteller: BOSCH
Artikelnummer: EB-0600839123-2605190486
Netto: 9,05 € zzgl. MwSt.
zzgl. 6,90 € Versand (brutto)
einmalig pro Bestellung

Lieferzeit: 5 Werktage

Pos.
30
BOSCH Schaltsegment | Ersatzteile für AHS 41 | 2605190487
Hersteller: BOSCH
Artikelnummer: EB-0600839123-2605190487
Netto: 4,80 € zzgl. MwSt.
zzgl. 6,90 € Versand (brutto)
einmalig pro Bestellung

Lieferzeit: 5 Werktage

Pos.
31
BOSCH Schaltrad | Ersatzteile für AHS 41 | 2606329004
Hersteller: BOSCH
Artikelnummer: EB-0600839123-2606329004
Netto: 3,94 € zzgl. MwSt.
zzgl. 6,90 € Versand (brutto)
einmalig pro Bestellung

Lieferzeit: 5 Werktage

Pos.
32
BOSCH Schaltstange | Ersatzteile für AHS 41 | 2608040230
Hersteller: BOSCH
Artikelnummer: EB-0600839123-2608040230
Netto: 4,33 € zzgl. MwSt.
zzgl. 6,90 € Versand (brutto)
einmalig pro Bestellung

Lieferzeit: 5 Werktage

Pos.
35
BOSCH Gewindefurchschraube | Ersatzteile für AHS 41 | 2603413039
Hersteller: BOSCH
Artikelnummer: EB-0600839123-2603413039
Netto: 3,94 € zzgl. MwSt.
zzgl. 6,90 € Versand (brutto)
einmalig pro Bestellung

Lieferzeit: 5 Werktage

Pos.
36
BOSCH Zylinderstift | Ersatzteile für AHS 41 | 2609002714
Hersteller: BOSCH
Artikelnummer: EB-0600839123-2609002714
Netto: 3,94 € zzgl. MwSt.
zzgl. 6,90 € Versand (brutto)
einmalig pro Bestellung

Lieferzeit: 5 Werktage

Pos.
40
BOSCH Torx-Zylinderschraube M3x5-8.8-Z | Ersatzteile für AHS 41 | 2603414048
Hersteller: BOSCH
Artikelnummer: EB-0600839123-2603414048
Netto: 3,60 € zzgl. MwSt.
zzgl. 6,90 € Versand (brutto)
einmalig pro Bestellung

Lieferzeit: 5 Werktage

Pos.
54
BOSCH Druckfeder | Ersatzteile für AHS 41 | 2604610028
Hersteller: BOSCH
Artikelnummer: EB-0600839123-2604610028
nur Informationsartikel
Nie mehr lieferbar
keine Alternativen
Pos.
55
BOSCH Druckfeder | Ersatzteile für AHS 41 | 2609003057
Hersteller: BOSCH
Artikelnummer: EB-0600839123-2609003057
Netto: 8,23 € zzgl. MwSt.
zzgl. 6,90 € Versand (brutto)
einmalig pro Bestellung

Lieferzeit: 5 Werktage

Pos.
56
BOSCH Ausgleichscheibe | Ersatzteile für AHS 41 | 2600100040
Hersteller: BOSCH
Artikelnummer: EB-0600839123-2600100040
Netto: 3,94 € zzgl. MwSt.
zzgl. 6,90 € Versand (brutto)
einmalig pro Bestellung

Lieferzeit: 5 Werktage

Pos.
91
BOSCH Akku-Paket 14,4V, 1,5Ah, NiCd | Ersatzteile für AHS 41 | 1617S0004W
Hersteller: BOSCH
Artikelnummer: EB-0600839123-1617S0004W
nur Informationsartikel
Nie mehr lieferbar
keine Alternativen
Pos.
91
BOSCH Einschub-Akkupaket 14,4V, 2,0Ah, NiMH | Ersatzteile für AHS 41 | 2607335699
Hersteller: BOSCH
Artikelnummer: EB-0600839123-2607335699
nur Informationsartikel
Nie mehr lieferbar
keine Alternativen
Pos.
653
BOSCH Schnell-Lader J 100/7,2-14,4V, 30 MIN. | Ersatzteile für AHS 41 | 2607224711
Hersteller: BOSCH
Artikelnummer: EB-0600839123-2607224711
Netto: 90,22 € zzgl. MwSt.
zzgl. 6,90 € Versand (brutto)
einmalig pro Bestellung

Lieferzeit: 5 Werktage

Pos.
655
BOSCH Messerschutz | Ersatzteile für AHS 41 | 1600A00484
Hersteller: BOSCH
Artikelnummer: EB-0600839123-1600A00484
Netto: 7,26 € zzgl. MwSt.
zzgl. 6,90 € Versand (brutto)
einmalig pro Bestellung

Lieferzeit: 5 Werktage

Pos.
808
BOSCH Typschild | Ersatzteile für AHS 41 | 2609002785
Hersteller: BOSCH
Artikelnummer: EB-0600839123-2609002785
nur Informationsartikel
Nie mehr lieferbar
keine Alternativen
Pos.
820
BOSCH Rändelschraube | Ersatzteile für AHS 41 | 2603345021
Hersteller: BOSCH
Artikelnummer: EB-0600839123-2603345021
nur Informationsartikel
Nie mehr lieferbar
keine Alternativen
Pos.
822
BOSCH Gleichstrommotor 14,4V | Ersatzteile für AHS 41 | 2609003970
Hersteller: BOSCH
Artikelnummer: EB-0600839123-2609003970
nur Informationsartikel
Nie mehr lieferbar
keine Alternativen
Pos.
833
BOSCH Messersatz | Ersatzteile für AHS 41 | 2609001186
Hersteller: BOSCH
Artikelnummer: EB-0600839123-2609001186
nur Informationsartikel
Nie mehr lieferbar
keine Alternativen

Angaben zur Produktsicherheit

Hersteller:
Robert Bosch Power Tools GmbH
Postfach 30 02 20
70442 Stuttgart

E-Mail:
kontakt@bosch.de