BOSCH Typschild | Ersatzteile für AHS 55-22 | 160111A3H3

Artikelnummer: EB-0600844532-160111A3H3

Position: 808

Marke: BOSCH


Bitte Kompatibilität prüfen!

Bitte prüfen Sie unbedingt die 10-stellige Typennummer Ihrer Maschine / Ihres Gerätes. Das Ersatzteil ist nur kompatibel, wenn Sie die Typennummer Ihrer Maschine in der unten stehenden Produktbeschreibung finden.

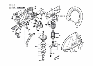
Bitte prüfen Sie ebenfalls detailliert die Explosionszeichnung mit Ihrem Artikelwunsch und der jeweiligen Pos-Nummer.

Alle Elemente, welche vom schwarzen Strich der Pos-Nummer ausgehend berührt / erfasst werden, gehören zu dieser Pos-Nummer und somit zu diesem Artikel. Jede Pos-Nummer ist ein eigenständiger Artikel, welchen Sie in der Auflistung finden.

Sie erhalten stets die aktuellste, neueste Produktversion zu der gewählten Pos-Nummer seitens des Herstellers. Es kann daher je nach Gerätealter vorkommen, dass Sie ggf. weitere, zugehörige Elemente, welche an diese Pos-Nummer grenzen, ebenfalls mittauschen müssen.

Nähere Informationen finden Sie unter dem Link
Hinweise zu Ihrer BOSCH Ersatzteilsuche

Preisübersicht

Einzelpreis: 4,53 €* (Brutto: 5,39 €)
Gesamtpreis: 4,53 €* 
Position:

Lieferzeit: 5 Werktage


Beschreibung

  • Typschild
  • Original Bosch Zubehör / BOSCH Ersatzteil (160111A3H3)
  • im Gerät verbaut: 1
Dieses BOSCH Ersatzteil ist mit folgendem Gerät und Modell kompatibel:
  • BOSCH Gerätename: AHS 55-22
  • BOSCH Explosionszeichnung: Position 808
  • BOSCH Typennummer: 0600844532
  • BOSCH Typennummer alternative Schreibweisen: 0 600 844 532, 0600 844 532, 0.600.844.532, 0-600-844-532
    Bitte prüfen Sie diese Typennummer auf Ihrem Gerät um die Kompatibilität des BOSCH Ersatzteils zu gewährleisten.
Weitere BOSCH Ersatzteile des Gerätes AHS 55-22 (Heckenschere) mit der Typennummer 0600844532 finden Sie in der nachfolgenden Darstellung und im Dropdown zu Ihrer Auswahl:

Pos.
1
BOSCH Gehäuseschale GRUEN | Ersatzteile für AHS 55-22 | 2605104512
Hersteller: BOSCH
Artikelnummer: EB-0600844532-2605104512
nur Informationsartikel
Nie mehr lieferbar
keine Alternativen
Pos.
3/60
BOSCH Lüfter | Ersatzteile für AHS 55-22 | 2606610027
Hersteller: BOSCH
Artikelnummer: EB-0600844532-2606610027
Netto: 4,80 € zzgl. MwSt.
zzgl. 6,90 € Versand (brutto)
einmalig pro Bestellung

Lieferzeit: 5 Werktage

Pos.
33/40
BOSCH Gewindefurchschraube | Ersatzteile für AHS 55-22 | 2603413026
Hersteller: BOSCH
Artikelnummer: EB-0600844532-2603413026
nur Informationsartikel
Nie mehr lieferbar
keine Alternativen
Pos.
816/04
BOSCH Kohlebürstensatz | Ersatzteile für AHS 55-22 | 2607014005
Hersteller: BOSCH
Artikelnummer: EB-0600844532-2607014005
nur Informationsartikel
Nie mehr lieferbar
keine Alternativen
Pos.
816/06
BOSCH Rastkappe | Ersatzteile für AHS 55-22 | 2601322017
Hersteller: BOSCH
Artikelnummer: EB-0600844532-2601322017
nur Informationsartikel
Nie mehr lieferbar
keine Alternativen
Pos.
832/010
BOSCH Verbindungsleitung L=34 MM WEISS | Ersatzteile für AHS 55-22 | 2604448173
Hersteller: BOSCH
Artikelnummer: EB-0600844532-2604448173
nur Informationsartikel
Nie mehr lieferbar
keine Alternativen
Pos.
2
BOSCH Polschuh 220-240V | Ersatzteile für AHS 55-22 | 2604220423
Hersteller: BOSCH
Artikelnummer: EB-0600844532-2604220423
nur Informationsartikel
Nie mehr lieferbar
keine Alternativen
Pos.
3
BOSCH Anker 220-230V | Ersatzteile für AHS 55-22 | 2604010604
Hersteller: BOSCH
Artikelnummer: EB-0600844532-2604010604
nur Informationsartikel
Nie mehr lieferbar
keine Alternativen
Pos.
4
BOSCH Ein/Aus-Schalter | Ersatzteile für AHS 55-22 | 2607200316
Hersteller: BOSCH
Artikelnummer: EB-0600844532-2607200316
nur Informationsartikel
Nie mehr lieferbar
keine Alternativen
Pos.
5
BOSCH Netzanschlussleitung CH 0,4m 2 x 1,0mm H05 VV-F | Ersatzteile für AHS 55-22 | 1604460437
Hersteller: BOSCH
Artikelnummer: EB-0600844532-1604460437
nur Informationsartikel
Nie mehr lieferbar
keine Alternativen
Pos.
6
BOSCH Tülle Ø6,4-Ø7,2x76 MM | Ersatzteile für AHS 55-22 | 2600703017
Hersteller: BOSCH
Artikelnummer: EB-0600844532-2600703017
Netto: 4,56 € zzgl. MwSt.
zzgl. 6,90 € Versand (brutto)
einmalig pro Bestellung

Lieferzeit: 5 Werktage

Pos.
7
BOSCH Leitungshalter | Ersatzteile für AHS 55-22 | 2601035001
Hersteller: BOSCH
Artikelnummer: EB-0600844532-2601035001
Netto: 3,94 € zzgl. MwSt.
zzgl. 6,90 € Versand (brutto)
einmalig pro Bestellung

Lieferzeit: 5 Werktage

Pos.
9
BOSCH Firmenschild | Ersatzteile für AHS 55-22 | 2601117069
Hersteller: BOSCH
Artikelnummer: EB-0600844532-2601117069
nur Informationsartikel
Nie mehr lieferbar
keine Alternativen
Pos.
13
BOSCH Lagerbuchse | Ersatzteile für AHS 55-22 | 2600300077
Hersteller: BOSCH
Artikelnummer: EB-0600844532-2600300077
nur Informationsartikel
Nie mehr lieferbar
keine Alternativen
Pos.
14
BOSCH Rillenkugellager 9x24x7 | Ersatzteile für AHS 55-22 | 2600905021
Hersteller: BOSCH
Artikelnummer: EB-0600844532-2600905021
Netto: 8,33 € zzgl. MwSt.
zzgl. 6,90 € Versand (brutto)
einmalig pro Bestellung

Lieferzeit: 5 Werktage

Pos.
16
BOSCH Bürstenplatte | Ersatzteile für AHS 55-22 | 2609992625
Hersteller: BOSCH
Artikelnummer: EB-0600844532-2609992625
nur Informationsartikel
Nie mehr lieferbar
keine Alternativen
Pos.
18
BOSCH Torx-Linsenschraube 4x25 | Ersatzteile für AHS 55-22 | 2603490024
Hersteller: BOSCH
Artikelnummer: EB-0600844532-2603490024
Netto: 3,94 € zzgl. MwSt.
zzgl. 6,90 € Versand (brutto)
einmalig pro Bestellung

Lieferzeit: 5 Werktage

Pos.
19
BOSCH Schraube 4x16 | Ersatzteile für AHS 55-22 | 2603490022
Hersteller: BOSCH
Artikelnummer: EB-0600844532-2603490022
Netto: 3,63 € zzgl. MwSt.
zzgl. 6,90 € Versand (brutto)
einmalig pro Bestellung

Lieferzeit: 5 Werktage

Pos.
20
BOSCH Hinweisschild SCHATTENSEITE | Ersatzteile für AHS 55-22 | 2601118362
Hersteller: BOSCH
Artikelnummer: EB-0600844532-2601118362
nur Informationsartikel
Nie mehr lieferbar
keine Alternativen
Pos.
21
BOSCH Verbindungsleitung L=243 MM WEISS | Ersatzteile für AHS 55-22 | 2604448171
Hersteller: BOSCH
Artikelnummer: EB-0600844532-2604448171
nur Informationsartikel
Nie mehr lieferbar
keine Alternativen
Pos.
22
BOSCH Verbindungsleitung L=273 MM WEISS | Ersatzteile für AHS 55-22 | 2604448162
Hersteller: BOSCH
Artikelnummer: EB-0600844532-2604448162
nur Informationsartikel
Nie mehr lieferbar
keine Alternativen
Pos.
23
BOSCH Torx-Linsenschraube 4x20 | Ersatzteile für AHS 55-22 | 2603490023
Hersteller: BOSCH
Artikelnummer: EB-0600844532-2603490023
Netto: 3,63 € zzgl. MwSt.
zzgl. 6,90 € Versand (brutto)
einmalig pro Bestellung

Lieferzeit: 5 Werktage

Pos.
26
BOSCH Kontaktfeder | Ersatzteile für AHS 55-22 | 2601329057
Hersteller: BOSCH
Artikelnummer: EB-0600844532-2601329057
nur Informationsartikel
Nie mehr lieferbar
keine Alternativen
Pos.
27
BOSCH Druckfeder | Ersatzteile für AHS 55-22 | 2604619013
Hersteller: BOSCH
Artikelnummer: EB-0600844532-2604619013
nur Informationsartikel
Nie mehr lieferbar
keine Alternativen
Pos.
28
BOSCH Distanzring | Ersatzteile für AHS 55-22 | 2600209003
Hersteller: BOSCH
Artikelnummer: EB-0600844532-2600209003
nur Informationsartikel
Nie mehr lieferbar
keine Alternativen
Pos.
29
BOSCH Schaltstange | Ersatzteile für AHS 55-22 | 2608040076
Hersteller: BOSCH
Artikelnummer: EB-0600844532-2608040076
nur Informationsartikel
Nie mehr lieferbar
keine Alternativen
Pos.
30
BOSCH Schaltsegment | Ersatzteile für AHS 55-22 | 2608001011
Hersteller: BOSCH
Artikelnummer: EB-0600844532-2608001011
nur Informationsartikel
Nie mehr lieferbar
keine Alternativen
Pos.
31
BOSCH Druckfeder | Ersatzteile für AHS 55-22 | 2604610028
Hersteller: BOSCH
Artikelnummer: EB-0600844532-2604610028
nur Informationsartikel
Nie mehr lieferbar
keine Alternativen
Pos.
32
BOSCH Steuereinheit | Ersatzteile für AHS 55-22 | 2607230025
Hersteller: BOSCH
Artikelnummer: EB-0600844532-2607230025
nur Informationsartikel
Nie mehr lieferbar
keine Alternativen
Pos.
34
BOSCH Zylinderstift | Ersatzteile für AHS 55-22 | 2609002714
Hersteller: BOSCH
Artikelnummer: EB-0600844532-2609002714
Netto: 3,94 € zzgl. MwSt.
zzgl. 6,90 € Versand (brutto)
einmalig pro Bestellung

Lieferzeit: 5 Werktage

Pos.
35
BOSCH Klemmleiste | Ersatzteile für AHS 55-22 | 2604490012
Hersteller: BOSCH
Artikelnummer: EB-0600844532-2604490012
nur Informationsartikel
Nie mehr lieferbar
keine Alternativen
Pos.
36
BOSCH O-Ring 5,0x1,75 MM | Ersatzteile für AHS 55-22 | 2600210036
Hersteller: BOSCH
Artikelnummer: EB-0600844532-2600210036
nur Informationsartikel
Nie mehr lieferbar
keine Alternativen
Pos.
46
BOSCH Ausgleichscheibe 0,3 MM | Ersatzteile für AHS 55-22 | 2600101617
Hersteller: BOSCH
Artikelnummer: EB-0600844532-2600101617
nur Informationsartikel
Nie mehr lieferbar
keine Alternativen
Pos.
50
BOSCH Hinweisschild | Ersatzteile für AHS 55-22 | 2601118699
Hersteller: BOSCH
Artikelnummer: EB-0600844532-2601118699
nur Informationsartikel
Nie mehr lieferbar
keine Alternativen
Pos.
701
BOSCH Öl-Sprühdose | Ersatzteile für AHS 55-22 | 1609200399
Hersteller: BOSCH
Artikelnummer: EB-0600844532-1609200399
Netto: 12,98 € zzgl. MwSt.
zzgl. 6,90 € Versand (brutto)
einmalig pro Bestellung

Lieferzeit: 5 Werktage

Pos.
702
BOSCH Schutzhandschuh | Ersatzteile für AHS 55-22 | 2607000134
Hersteller: BOSCH
Artikelnummer: EB-0600844532-2607000134
nur Informationsartikel
Nie mehr lieferbar
keine Alternativen
Pos.
724
BOSCH Bügelgriff | Ersatzteile für AHS 55-22 | 2602025106
Hersteller: BOSCH
Artikelnummer: EB-0600844532-2602025106
nur Informationsartikel
Nie mehr lieferbar
keine Alternativen
Pos.
725
BOSCH Schutzschild SCHWARZ | Ersatzteile für AHS 55-22 | 2607001192
Hersteller: BOSCH
Artikelnummer: EB-0600844532-2607001192
nur Informationsartikel
Nie mehr lieferbar
keine Alternativen
Pos.
753
BOSCH Ölbehälter SCHWARZ | Ersatzteile für AHS 55-22 | 2605411054
Hersteller: BOSCH
Artikelnummer: EB-0600844532-2605411054
nur Informationsartikel
Nie mehr lieferbar
keine Alternativen
Pos.
780
BOSCH Zugentlastung | Ersatzteile für AHS 55-22 | 3601398000
Hersteller: BOSCH
Artikelnummer: EB-0600844532-3601398000
nur Informationsartikel
Nie mehr lieferbar
keine Alternativen
Pos.
808
BOSCH Typschild | Ersatzteile für AHS 55-22 | 160111A3H3
Hersteller: BOSCH
Artikelnummer: EB-0600844532-160111A3H3
Netto: 4,53 € zzgl. MwSt.
zzgl. 6,90 € Versand (brutto)
einmalig pro Bestellung

Lieferzeit: 5 Werktage

Pos.
833
BOSCH Messersatz | Ersatzteile für AHS 55-22 | 2607001339
Hersteller: BOSCH
Artikelnummer: EB-0600844532-2607001339
nur Informationsartikel
Nie mehr lieferbar
keine Alternativen
Pos.
838
BOSCH Lagerbuchse | Ersatzteile für AHS 55-22 | 2605807926
Hersteller: BOSCH
Artikelnummer: EB-0600844532-2605807926
nur Informationsartikel
Nie mehr lieferbar
keine Alternativen
Pos.
843
BOSCH Überlastungskupplung | Ersatzteile für AHS 55-22 | 2606319901
Hersteller: BOSCH
Artikelnummer: EB-0600844532-2606319901
nur Informationsartikel
Nie mehr lieferbar
keine Alternativen
Pos.
845
BOSCH Sicherungsscheibe DIN 6799-7-FSt | Ersatzteile für AHS 55-22 | 2916080910
Hersteller: BOSCH
Artikelnummer: EB-0600844532-2916080910
nur Informationsartikel
Nie mehr lieferbar
keine Alternativen
Pos.
854
BOSCH Innensechskantschlüssel 5 MM | Ersatzteile für AHS 55-22 | 2610364015
Hersteller: BOSCH
Artikelnummer: EB-0600844532-2610364015
Netto: 5,17 € zzgl. MwSt.
zzgl. 6,90 € Versand (brutto)
einmalig pro Bestellung

Lieferzeit: 5 Werktage

Angaben zur Produktsicherheit

Hersteller:
Robert Bosch Power Tools GmbH
Postfach 30 02 20
70442 Stuttgart

E-Mail:
kontakt@bosch.de