BOSCH Bürstenplatte | Ersatzteile für AHS 680-34 | 1600A012AZ

Artikelnummer: EB-3600H47K01-1600A012AZ

Position:

Marke: BOSCH


Bitte Kompatibilität prüfen!

Bitte prüfen Sie unbedingt die 10-stellige Typennummer Ihrer Maschine / Ihres Gerätes. Das Ersatzteil ist nur kompatibel, wenn Sie die Typennummer Ihrer Maschine in der unten stehenden Produktbeschreibung finden.

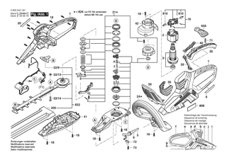
Bitte prüfen Sie ebenfalls detailliert die Explosionszeichnung mit Ihrem Artikelwunsch und der jeweiligen Pos-Nummer.

Alle Elemente, welche vom schwarzen Strich der Pos-Nummer ausgehend berührt / erfasst werden, gehören zu dieser Pos-Nummer und somit zu diesem Artikel. Jede Pos-Nummer ist ein eigenständiger Artikel, welchen Sie in der Auflistung finden.

Sie erhalten stets die aktuellste, neueste Produktversion zu der gewählten Pos-Nummer seitens des Herstellers. Es kann daher je nach Gerätealter vorkommen, dass Sie ggf. weitere, zugehörige Elemente, welche an diese Pos-Nummer grenzen, ebenfalls mittauschen müssen.

Nähere Informationen finden Sie unter dem Link
Hinweise zu Ihrer BOSCH Ersatzteilsuche

Preisübersicht

Einzelpreis: 9,95 €* (Brutto: 11,84 €)
Gesamtpreis: 9,95 €* 
Position:

Lieferzeit: 5 Werktage


Beschreibung

  • Bürstenplatte
  • Original Bosch Zubehör / BOSCH Ersatzteil (1600A012AZ)
  • im Gerät verbaut: 1
Dieses BOSCH Ersatzteil ist mit folgendem Gerät und Modell kompatibel:
  • BOSCH Gerätename: AHS 680-34
  • BOSCH Explosionszeichnung: Position 16
  • BOSCH Typennummer: 3600H47K01
  • BOSCH Typennummer alternative Schreibweisen: 3 600 H47 K01, 3600 H47 K01, 3.600.H47.K01, 3-600-H47-K01
    Bitte prüfen Sie diese Typennummer auf Ihrem Gerät um die Kompatibilität des BOSCH Ersatzteils zu gewährleisten.
Weitere BOSCH Ersatzteile des Gerätes AHS 680-34 (Heckenschere) mit der Typennummer 3600H47K01 finden Sie in der nachfolgenden Darstellung und im Dropdown zu Ihrer Auswahl:

Pos.
1
BOSCH Gehäuseschale | Ersatzteile für AHS 70-34 | 2609007530
Hersteller: BOSCH
Artikelnummer: EB-3600H47K01-2609007530
Netto: 26,88 € zzgl. MwSt.
zzgl. 6,90 € Versand (brutto)
einmalig pro Bestellung

Lieferzeit: 5 Werktage

Pos.
2
BOSCH Polschuh 220-240V | Ersatzteile für AHS 70-34 | 2609005073
Hersteller: BOSCH
Artikelnummer: EB-3600H47K01-2609005073
Netto: 15,75 € zzgl. MwSt.
zzgl. 6,90 € Versand (brutto)
einmalig pro Bestellung

Lieferzeit: 5 Werktage

Pos.
3
BOSCH Anker 220-240V | Ersatzteile für AHS 70-34 | 2609007254
Hersteller: BOSCH
Artikelnummer: EB-3600H47K01-2609007254
Netto: 32,74 € zzgl. MwSt.
zzgl. 6,90 € Versand (brutto)
einmalig pro Bestellung

Lieferzeit: 5 Werktage

Pos.
4
BOSCH Elektronik-Modul | Ersatzteile für AHS 70-34 | 1600A00PE1
Hersteller: BOSCH
Artikelnummer: EB-3600H47K01-1600A00PE1
Netto: 21,16 € zzgl. MwSt.
zzgl. 6,90 € Versand (brutto)
einmalig pro Bestellung

Lieferzeit: 5 Werktage

Pos.
5
BOSCH Netzanschlussleitung EU 0,46m 2 x 1,0mm H05 VV-F | Ersatzteile für AHS 70-34 | 2604460182
Hersteller: BOSCH
Artikelnummer: EB-3600H47K01-2604460182
Netto: 9,18 € zzgl. MwSt.
zzgl. 6,90 € Versand (brutto)
einmalig pro Bestellung

Lieferzeit: 5 Werktage

Pos.
6
BOSCH Tülle | Ersatzteile für AHS 70-34 | 2609002019
Hersteller: BOSCH
Artikelnummer: EB-3600H47K01-2609002019
Netto: 4,53 € zzgl. MwSt.
zzgl. 6,90 € Versand (brutto)
einmalig pro Bestellung

Lieferzeit: 5 Werktage

Pos.
9
BOSCH Firmenschild AHS 70-700 | Ersatzteile für AHS 70-34 | 160111C0R6
Hersteller: BOSCH
Artikelnummer: EB-3600H47K01-160111C0R6
Netto: 4,53 € zzgl. MwSt.
zzgl. 6,90 € Versand (brutto)
einmalig pro Bestellung

Lieferzeit: 5 Werktage

Pos.
9
BOSCH Firmenschild AHS 70-34 | Ersatzteile für AHS 70-34 | 2609005479
Hersteller: BOSCH
Artikelnummer: EB-3600H47K01-2609005479
Netto: 4,53 € zzgl. MwSt.
zzgl. 6,90 € Versand (brutto)
einmalig pro Bestellung

Lieferzeit: 5 Werktage

Pos.
20
BOSCH Warnzettel | Ersatzteile für AHS 70-34 | 2609005883
Hersteller: BOSCH
Artikelnummer: EB-3600H47K01-2609005883
Netto: 4,53 € zzgl. MwSt.
zzgl. 6,90 € Versand (brutto)
einmalig pro Bestellung

Lieferzeit: 5 Werktage

Pos.
21/10
BOSCH Ausgleichscheibe | Ersatzteile für AHS 70-34 | 2609005021
Hersteller: BOSCH
Artikelnummer: EB-3600H47K01-2609005021
Netto: 3,63 € zzgl. MwSt.
zzgl. 6,90 € Versand (brutto)
einmalig pro Bestellung

Lieferzeit: 5 Werktage

Pos.
21/2
BOSCH Ausgleichscheibe | Ersatzteile für AHS 70-34 | 2609007448
Hersteller: BOSCH
Artikelnummer: EB-3600H47K01-2609007448
Netto: 3,63 € zzgl. MwSt.
zzgl. 6,90 € Versand (brutto)
einmalig pro Bestellung

Lieferzeit: 5 Werktage

Pos.
21/20
BOSCH Scheibe | Ersatzteile für AHS 70-34 | 2609007450
Hersteller: BOSCH
Artikelnummer: EB-3600H47K01-2609007450
Netto: 3,63 € zzgl. MwSt.
zzgl. 6,90 € Versand (brutto)
einmalig pro Bestellung

Lieferzeit: 5 Werktage

Pos.
21/21
BOSCH Bremsscheibe | Ersatzteile für AHS 70-34 | 2609007451
Hersteller: BOSCH
Artikelnummer: EB-3600H47K01-2609007451
Netto: 4,82 € zzgl. MwSt.
zzgl. 6,90 € Versand (brutto)
einmalig pro Bestellung

Lieferzeit: 5 Werktage

Pos.
21/24
BOSCH Zustellklinke | Ersatzteile für AHS 70-34 | 2609007142
Hersteller: BOSCH
Artikelnummer: EB-3600H47K01-1600A00P30
Netto: 3,94 € zzgl. MwSt.
zzgl. 6,90 € Versand (brutto)
einmalig pro Bestellung

Lieferzeit: 5 Werktage

Pos.
BOSCH Bürstenplatte | Ersatzteile für AHS 680-34 | 1600A012AZ
Hersteller: BOSCH
Artikelnummer:
Netto: 9,95 € zzgl. MwSt.
zzgl. 6,90 € Versand (brutto)
einmalig pro Bestellung

Lieferzeit: 5 Werktage

Pos.
21/23
BOSCH Druckfeder | Ersatzteile für AHS 70-34 | 2609007216
Hersteller: BOSCH
Artikelnummer: EB-3600H47K01-2609007216
Netto: 3,63 € zzgl. MwSt.
zzgl. 6,90 € Versand (brutto)
einmalig pro Bestellung

Lieferzeit: 5 Werktage

Pos.
21/26
BOSCH Anlaufscheibe | Ersatzteile für AHS 70-34 | 2609007453
Hersteller: BOSCH
Artikelnummer: EB-3600H47K01-2609007453
Netto: 3,63 € zzgl. MwSt.
zzgl. 6,90 € Versand (brutto)
einmalig pro Bestellung

Lieferzeit: 5 Werktage

Pos.
21/27
BOSCH Bremsfeder | Ersatzteile für AHS 70-34 | 2609007454
Hersteller: BOSCH
Artikelnummer: EB-3600H47K01-2609007454
Netto: 3,63 € zzgl. MwSt.
zzgl. 6,90 € Versand (brutto)
einmalig pro Bestellung

Lieferzeit: 5 Werktage

Pos.
21/28
BOSCH Haltering | Ersatzteile für AHS 70-34 | 2609007455
Hersteller: BOSCH
Artikelnummer: EB-3600H47K01-2609007455
Netto: 3,63 € zzgl. MwSt.
zzgl. 6,90 € Versand (brutto)
einmalig pro Bestellung

Lieferzeit: 5 Werktage

Pos.
21
BOSCH Getriebekasten | Ersatzteile für AHS 70-34 | 2609007134
Hersteller: BOSCH
Artikelnummer: EB-3600H47K01-1600A00P4P
nur Informationsartikel
Nie mehr lieferbar
keine Alternativen
Pos.
21/29
BOSCH Hebel | Ersatzteile für AHS 70-34 | 2609007141
Hersteller: BOSCH
Artikelnummer: EB-3600H47K01-2609007141
Netto: 3,94 € zzgl. MwSt.
zzgl. 6,90 € Versand (brutto)
einmalig pro Bestellung

Lieferzeit: 5 Werktage

Pos.
21/3
BOSCH Planetenträger | Ersatzteile für AHS 70-34 | 2609007449
Hersteller: BOSCH
Artikelnummer: EB-3600H47K01-2609007449
Netto: 5,60 € zzgl. MwSt.
zzgl. 6,90 € Versand (brutto)
einmalig pro Bestellung

Lieferzeit: 5 Werktage

Pos.
21/30
BOSCH Scheibe | Ersatzteile für AHS 70-34 | 2609007460
Hersteller: BOSCH
Artikelnummer: EB-3600H47K01-2609007460
Netto: 3,63 € zzgl. MwSt.
zzgl. 6,90 € Versand (brutto)
einmalig pro Bestellung

Lieferzeit: 5 Werktage

Pos.
21/31
BOSCH Zugfeder | Ersatzteile für AHS 70-34 | 2609007531
Hersteller: BOSCH
Artikelnummer: EB-3600H47K01-2609007531
Netto: 3,63 € zzgl. MwSt.
zzgl. 6,90 € Versand (brutto)
einmalig pro Bestellung

Lieferzeit: 5 Werktage

Pos.
21/32
BOSCH Sicherungsring | Ersatzteile für AHS 70-34 | 2609007572
Hersteller: BOSCH
Artikelnummer: EB-3600H47K01-2609007572
Netto: 3,63 € zzgl. MwSt.
zzgl. 6,90 € Versand (brutto)
einmalig pro Bestellung

Lieferzeit: 5 Werktage

Pos.
21/4
BOSCH Bolzen | Ersatzteile für AHS 70-34 | 2609005020
Hersteller: BOSCH
Artikelnummer: EB-3600H47K01-2609005020
Netto: 3,60 € zzgl. MwSt.
zzgl. 6,90 € Versand (brutto)
einmalig pro Bestellung

Lieferzeit: 5 Werktage

Pos.
21/5
BOSCH Stirnrad | Ersatzteile für AHS 70-34 | 2609005012
Hersteller: BOSCH
Artikelnummer: EB-3600H47K01-2609005012
Netto: 3,63 € zzgl. MwSt.
zzgl. 6,90 € Versand (brutto)
einmalig pro Bestellung

Lieferzeit: 5 Werktage

Pos.
21/6
BOSCH Planetenträger | Ersatzteile für AHS 70-34 | 2609005016
Hersteller: BOSCH
Artikelnummer: EB-3600H47K01-2609005016
nur Informationsartikel
Nie mehr lieferbar
keine Alternativen
Pos.
21/7
BOSCH Bolzen | Ersatzteile für AHS 70-34 | 2609005017
Hersteller: BOSCH
Artikelnummer: EB-3600H47K01-2609005017
nur Informationsartikel
Nie mehr lieferbar
keine Alternativen
Pos.
21/8
BOSCH Nadellager | Ersatzteile für AHS 70-34 | 2609005318
Hersteller: BOSCH
Artikelnummer: EB-3600H47K01-2609005318
Netto: 3,94 € zzgl. MwSt.
zzgl. 6,90 € Versand (brutto)
einmalig pro Bestellung

Lieferzeit: 5 Werktage

Pos.
21/9
BOSCH Stirnrad | Ersatzteile für AHS 70-34 | 2609005011
Hersteller: BOSCH
Artikelnummer: EB-3600H47K01-2609005011
Netto: 3,51 € zzgl. MwSt.
zzgl. 6,90 € Versand (brutto)
einmalig pro Bestellung

Lieferzeit: 5 Werktage

Pos.
24
BOSCH Handgriff | Ersatzteile für AHS 70-34 | 2609007139
Hersteller: BOSCH
Artikelnummer: EB-3600H47K01-2609007139
Netto: 26,88 € zzgl. MwSt.
zzgl. 6,90 € Versand (brutto)
einmalig pro Bestellung

Lieferzeit: 5 Werktage

Pos.
26
BOSCH Hebel | Ersatzteile für AHS 70-34 | 2609007159
Hersteller: BOSCH
Artikelnummer: EB-3600H47K01-2609007159
Netto: 3,63 € zzgl. MwSt.
zzgl. 6,90 € Versand (brutto)
einmalig pro Bestellung

Lieferzeit: 5 Werktage

Pos.
30
BOSCH Schaltsegment | Ersatzteile für AHS 70-34 | 2609007413
Hersteller: BOSCH
Artikelnummer: EB-3600H47K01-2609007413
Netto: 4,53 € zzgl. MwSt.
zzgl. 6,90 € Versand (brutto)
einmalig pro Bestellung

Lieferzeit: 5 Werktage

Pos.
32/13
BOSCH Buchse | Ersatzteile für AHS 70-34 | 160030010N
Hersteller: BOSCH
Artikelnummer: EB-3600H47K01-160030010N
Netto: 3,63 € zzgl. MwSt.
zzgl. 6,90 € Versand (brutto)
einmalig pro Bestellung

Lieferzeit: 5 Werktage

Pos.
32/14
BOSCH Torx-Linsenschraube | Ersatzteile für AHS 70-34 | 2609005695
Hersteller: BOSCH
Artikelnummer: EB-3600H47K01-2609005695
Netto: 3,63 € zzgl. MwSt.
zzgl. 6,90 € Versand (brutto)
einmalig pro Bestellung

Lieferzeit: 5 Werktage

Pos.
32/9
BOSCH Anstossschutz | Ersatzteile für AHS 70-34 | 2609005045
Hersteller: BOSCH
Artikelnummer: EB-3600H47K01-2609005045
Netto: 4,82 € zzgl. MwSt.
zzgl. 6,90 € Versand (brutto)
einmalig pro Bestellung

Lieferzeit: 5 Werktage

Pos.
35
BOSCH Buchse | Ersatzteile für AHS 70-34 | 2609005369
Hersteller: BOSCH
Artikelnummer: EB-3600H47K01-2609005369
nur Informationsartikel
Nie mehr lieferbar
keine Alternativen
Pos.
36
BOSCH Dekorplatte | Ersatzteile für AHS 70-34 | 2609004997
Hersteller: BOSCH
Artikelnummer: EB-3600H47K01-2609004997
nur Informationsartikel
Nie mehr lieferbar
keine Alternativen
Pos.
39
BOSCH Schutzsegment | Ersatzteile für AHS 70-34 | 2609005047
Hersteller: BOSCH
Artikelnummer: EB-3600H47K01-2609005047
Netto: 6,15 € zzgl. MwSt.
zzgl. 6,90 € Versand (brutto)
einmalig pro Bestellung

Lieferzeit: 5 Werktage

Pos.
40
BOSCH Hebel | Ersatzteile für AHS 70-34 | 2609007234
Hersteller: BOSCH
Artikelnummer: EB-3600H47K01-2609007234
Netto: 3,63 € zzgl. MwSt.
zzgl. 6,90 € Versand (brutto)
einmalig pro Bestellung

Lieferzeit: 5 Werktage

Pos.
41
BOSCH Deckel | Ersatzteile für AHS 70-34 | 2609004994
Hersteller: BOSCH
Artikelnummer: EB-3600H47K01-2609004994
nur Informationsartikel
Nie mehr lieferbar
keine Alternativen
Pos.
42
BOSCH Umlenkblech | Ersatzteile für AHS 70-34 | 2609004996
Hersteller: BOSCH
Artikelnummer: EB-3600H47K01-2609004996
Netto: 3,94 € zzgl. MwSt.
zzgl. 6,90 € Versand (brutto)
einmalig pro Bestellung

Lieferzeit: 5 Werktage

Pos.
71
BOSCH Druckfeder | Ersatzteile für AHS 70-34 | 1604612015
Hersteller: BOSCH
Artikelnummer: EB-3600H47K01-1604612015
Netto: 4,56 € zzgl. MwSt.
zzgl. 6,90 € Versand (brutto)
einmalig pro Bestellung

Lieferzeit: 5 Werktage

Pos.
72
BOSCH Leitungshalter | Ersatzteile für AHS 70-34 | 2601035001
Hersteller: BOSCH
Artikelnummer: EB-3600H47K01-2601035001
Netto: 3,94 € zzgl. MwSt.
zzgl. 6,90 € Versand (brutto)
einmalig pro Bestellung

Lieferzeit: 5 Werktage

Pos.
73
BOSCH Schraube 4x16 | Ersatzteile für AHS 70-34 | 2603490022
Hersteller: BOSCH
Artikelnummer: EB-3600H47K01-2603490022
Netto: 3,63 € zzgl. MwSt.
zzgl. 6,90 € Versand (brutto)
einmalig pro Bestellung

Lieferzeit: 5 Werktage

Pos.
200
BOSCH Messerschutz | Ersatzteile für AHS 70-34 | 2609005517
Hersteller: BOSCH
Artikelnummer: EB-3600H47K01-2609005517
Netto: 14,36 € zzgl. MwSt.
zzgl. 6,90 € Versand (brutto)
einmalig pro Bestellung

Lieferzeit: 5 Werktage

Pos.
656
BOSCH Zugentlastung | Ersatzteile für AHS 70-34 | 3601398000
Hersteller: BOSCH
Artikelnummer: EB-3600H47K01-3601398000
Netto: 6,15 € zzgl. MwSt.
zzgl. 6,90 € Versand (brutto)
einmalig pro Bestellung

Lieferzeit: 5 Werktage

Pos.
810
BOSCH Kohlebürstensatz | Ersatzteile für AHS 70-34 | 2604321925
Hersteller: BOSCH
Artikelnummer: EB-3600H47K01-2604321925
Netto: 8,33 € zzgl. MwSt.
zzgl. 6,90 € Versand (brutto)
einmalig pro Bestellung

Lieferzeit: 5 Werktage

Pos.
832
BOSCH Klinge 70 cm | Ersatzteile für AHS 70-34 | 2609005916
Hersteller: BOSCH
Artikelnummer: EB-3600H47K01-2609005916
Netto: 86,83 € zzgl. MwSt.
zzgl. 6,90 € Versand (brutto)
einmalig pro Bestellung

Lieferzeit: 5 Werktage

Pos.
808
BOSCH Typschild | Ersatzteile für AHS 70-34 | 2609007704
Hersteller: BOSCH
Artikelnummer: EB-3600H47K01-160111A2RB
Netto: 4,31 € zzgl. MwSt.
zzgl. 6,90 € Versand (brutto)
einmalig pro Bestellung

Lieferzeit: 5 Werktage

Pos.
824
BOSCH Elektronik-Modul | Ersatzteile für AHS 680-34 | 1607000CZ3
Hersteller: BOSCH
Artikelnummer: EB-3600H47K01-1607000CZ3
Netto: 77,60 € zzgl. MwSt.
zzgl. 6,90 € Versand (brutto)
einmalig pro Bestellung

Lieferzeit: 5 Werktage

Angaben zur Produktsicherheit

Hersteller:
Robert Bosch Power Tools GmbH
Postfach 30 02 20
70442 Stuttgart

E-Mail:
kontakt@bosch.de