BOSCH Sicherungsring DIN 471 9x1MM | Ersatzteile für AHS 700 | 2916640006

Artikelnummer: EB-0600840233-2916640006

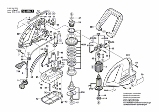
Position: 44

Marke: BOSCH


Bitte Kompatibilität prüfen!

Bitte prüfen Sie unbedingt die 10-stellige Typennummer Ihrer Maschine / Ihres Gerätes. Das Ersatzteil ist nur kompatibel, wenn Sie die Typennummer Ihrer Maschine in der unten stehenden Produktbeschreibung finden.

Bitte prüfen Sie ebenfalls detailliert die Explosionszeichnung mit Ihrem Artikelwunsch und der jeweiligen Pos-Nummer.

Alle Elemente, welche vom schwarzen Strich der Pos-Nummer ausgehend berührt / erfasst werden, gehören zu dieser Pos-Nummer und somit zu diesem Artikel. Jede Pos-Nummer ist ein eigenständiger Artikel, welchen Sie in der Auflistung finden.

Sie erhalten stets die aktuellste, neueste Produktversion zu der gewählten Pos-Nummer seitens des Herstellers. Es kann daher je nach Gerätealter vorkommen, dass Sie ggf. weitere, zugehörige Elemente, welche an diese Pos-Nummer grenzen, ebenfalls mittauschen müssen.

Nähere Informationen finden Sie unter dem Link
Hinweise zu Ihrer BOSCH Ersatzteilsuche

Preisübersicht

Einzelpreis: 3,94 €* (Brutto: 4,69 €)
Gesamtpreis: 3,94 €* 
Position:

Lieferzeit: 5 Werktage


Beschreibung

  • Sicherungsring DIN 471 9x1MM
  • Original Bosch Zubehör / BOSCH Ersatzteil (2916640006)
  • im Gerät verbaut: 1
Dieses BOSCH Ersatzteil ist mit folgendem Gerät und Modell kompatibel:
  • BOSCH Gerätename: AHS 700
  • BOSCH Explosionszeichnung: Position 44
  • BOSCH Typennummer: 0600840233
  • BOSCH Typennummer alternative Schreibweisen: 0 600 840 233, 0600 840 233, 0.600.840.233, 0-600-840-233
    Bitte prüfen Sie diese Typennummer auf Ihrem Gerät um die Kompatibilität des BOSCH Ersatzteils zu gewährleisten.
Weitere BOSCH Ersatzteile des Gerätes AHS 700 (Heckenschere) mit der Typennummer 0600840233 finden Sie in der nachfolgenden Darstellung und im Dropdown zu Ihrer Auswahl:

Pos.
816/06
BOSCH Rastkappe | Ersatzteile für AHS 700 | 2601322017
Hersteller: BOSCH
Artikelnummer: EB-0600840233-2601322017
nur Informationsartikel
Nie mehr lieferbar
keine Alternativen
Pos.
2
BOSCH Polschuh 220-230V | Ersatzteile für AHS 700 | 2604220429
Hersteller: BOSCH
Artikelnummer: EB-0600840233-2604220429
Netto: 21,16 € zzgl. MwSt.
zzgl. 6,90 € Versand (brutto)
einmalig pro Bestellung

Lieferzeit: 5 Werktage

Pos.
5
BOSCH Netzanschlussleitung EU 0,4m 2 x 1,0mm H07 RN-F | Ersatzteile für AHS 700 | 2604460183
Hersteller: BOSCH
Artikelnummer: EB-0600840233-2604460183
Netto: 8,33 € zzgl. MwSt.
zzgl. 6,90 € Versand (brutto)
einmalig pro Bestellung

Lieferzeit: 5 Werktage

Pos.
6
BOSCH Tülle Ø8,2 MM | Ersatzteile für AHS 700 | 2600703008
Hersteller: BOSCH
Artikelnummer: EB-0600840233-2600703008
nur Informationsartikel
Nie mehr lieferbar
keine Alternativen
Pos.
7
BOSCH Leitungshalter | Ersatzteile für AHS 700 | 2601035001
Hersteller: BOSCH
Artikelnummer: EB-0600840233-2601035001
Netto: 3,94 € zzgl. MwSt.
zzgl. 6,90 € Versand (brutto)
einmalig pro Bestellung

Lieferzeit: 5 Werktage

Pos.
13
BOSCH Nadelhülse | Ersatzteile für AHS 700 | 2600917002
Hersteller: BOSCH
Artikelnummer: EB-0600840233-2600917002
Netto: 5,19 € zzgl. MwSt.
zzgl. 6,90 € Versand (brutto)
einmalig pro Bestellung

Lieferzeit: 5 Werktage

Pos.
19
BOSCH Schraube 4x16 | Ersatzteile für AHS 700 | 2603490022
Hersteller: BOSCH
Artikelnummer: EB-0600840233-2603490022
Netto: 3,63 € zzgl. MwSt.
zzgl. 6,90 € Versand (brutto)
einmalig pro Bestellung

Lieferzeit: 5 Werktage

Pos.
44
BOSCH Sicherungsring DIN 471 9x1MM | Ersatzteile für AHS 700 | 2916640006
Hersteller: BOSCH
Artikelnummer: EB-0600840233-2916640006
Netto: 3,94 € zzgl. MwSt.
zzgl. 6,90 € Versand (brutto)
einmalig pro Bestellung

Lieferzeit: 5 Werktage

Pos.
53
BOSCH Torx-Linsenschraube 4x20 | Ersatzteile für AHS 700 | 2603490023
Hersteller: BOSCH
Artikelnummer: EB-0600840233-2603490023
Netto: 3,63 € zzgl. MwSt.
zzgl. 6,90 € Versand (brutto)
einmalig pro Bestellung

Lieferzeit: 5 Werktage

Pos.
54
BOSCH Torx-Linsenschraube 4x25 | Ersatzteile für AHS 700 | 2603490024
Hersteller: BOSCH
Artikelnummer: EB-0600840233-2603490024
Netto: 3,94 € zzgl. MwSt.
zzgl. 6,90 € Versand (brutto)
einmalig pro Bestellung

Lieferzeit: 5 Werktage

Pos.
701
BOSCH Öl-Sprühdose | Ersatzteile für AHS 700 | 1609200399
Hersteller: BOSCH
Artikelnummer: EB-0600840233-1609200399
Netto: 12,98 € zzgl. MwSt.
zzgl. 6,90 € Versand (brutto)
einmalig pro Bestellung

Lieferzeit: 5 Werktage

Pos.
888
BOSCH Typschild | Ersatzteile für AHS 700 | 160111A3H3
Hersteller: BOSCH
Artikelnummer: EB-0600840233-160111A3H3
Netto: 4,53 € zzgl. MwSt.
zzgl. 6,90 € Versand (brutto)
einmalig pro Bestellung

Lieferzeit: 5 Werktage

Angaben zur Produktsicherheit

Hersteller:
Robert Bosch Power Tools GmbH
Postfach 30 02 20
70442 Stuttgart

E-Mail:
kontakt@bosch.de