BOSCH Verbindungsleitung L=115 MM WEISS | Ersatzteile für AHS 700 | 2604448109

Artikelnummer: EB-0600840250-2604448109

Position: 62

Marke: BOSCH


Bitte Kompatibilität prüfen!

Bitte prüfen Sie unbedingt die 10-stellige Typennummer Ihrer Maschine / Ihres Gerätes. Das Ersatzteil ist nur kompatibel, wenn Sie die Typennummer Ihrer Maschine in der unten stehenden Produktbeschreibung finden.

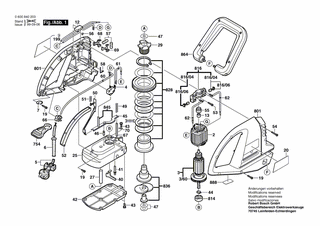
Bitte prüfen Sie ebenfalls detailliert die Explosionszeichnung mit Ihrem Artikelwunsch und der jeweiligen Pos-Nummer.

Alle Elemente, welche vom schwarzen Strich der Pos-Nummer ausgehend berührt / erfasst werden, gehören zu dieser Pos-Nummer und somit zu diesem Artikel. Jede Pos-Nummer ist ein eigenständiger Artikel, welchen Sie in der Auflistung finden.

Sie erhalten stets die aktuellste, neueste Produktversion zu der gewählten Pos-Nummer seitens des Herstellers. Es kann daher je nach Gerätealter vorkommen, dass Sie ggf. weitere, zugehörige Elemente, welche an diese Pos-Nummer grenzen, ebenfalls mittauschen müssen.

Nähere Informationen finden Sie unter dem Link
Hinweise zu Ihrer BOSCH Ersatzteilsuche

Preisübersicht

Einzelpreis: 3,63 €* (Brutto: 4,32 €)
Gesamtpreis: 3,63 €* 
Position:

Lieferzeit: 5 Werktage


Beschreibung

  • Verbindungsleitung L=115 MM WEISS
  • Original Bosch Zubehör / BOSCH Ersatzteil (2604448109)
  • im Gerät verbaut: 1
Dieses BOSCH Ersatzteil ist mit folgendem Gerät und Modell kompatibel:
  • BOSCH Gerätename: AHS 700
  • BOSCH Explosionszeichnung: Position 62
  • BOSCH Typennummer: 0600840250
  • BOSCH Typennummer alternative Schreibweisen: 0 600 840 250, 0600 840 250, 0.600.840.250, 0-600-840-250
    Bitte prüfen Sie diese Typennummer auf Ihrem Gerät um die Kompatibilität des BOSCH Ersatzteils zu gewährleisten.
Weitere BOSCH Ersatzteile des Gerätes AHS 700 (Heckenschere) mit der Typennummer 0600840250 finden Sie in der nachfolgenden Darstellung und im Dropdown zu Ihrer Auswahl:

Pos.
3/60
BOSCH Lüfter | Ersatzteile für AHS 700 | 2606610068
Hersteller: BOSCH
Artikelnummer: EB-0600840250-2606610068
nur Informationsartikel
Nie mehr lieferbar
keine Alternativen
Pos.
38/40
BOSCH Gewindefurchschraube | Ersatzteile für AHS 700 | 2603413031
Hersteller: BOSCH
Artikelnummer: EB-0600840250-2603413031
nur Informationsartikel
Nie mehr lieferbar
keine Alternativen
Pos.
38/50
BOSCH Gewindefurchschraube | Ersatzteile für AHS 700 | 2603413032
Hersteller: BOSCH
Artikelnummer: EB-0600840250-2603413032
nur Informationsartikel
Nie mehr lieferbar
keine Alternativen
Pos.
38/60
BOSCH Tellerscheibe | Ersatzteile für AHS 700 | 2600200036
Hersteller: BOSCH
Artikelnummer: EB-0600840250-2600200036
nur Informationsartikel
Nie mehr lieferbar
keine Alternativen
Pos.
816/04
BOSCH Kohlebürstensatz | Ersatzteile für AHS 700 | 2604321917
Hersteller: BOSCH
Artikelnummer: EB-0600840250-2604321917
nur Informationsartikel
Nie mehr lieferbar
keine Alternativen
Pos.
816/06
BOSCH Rastkappe | Ersatzteile für AHS 700 | 2601322017
Hersteller: BOSCH
Artikelnummer: EB-0600840250-2601322017
nur Informationsartikel
Nie mehr lieferbar
keine Alternativen
Pos.
2
BOSCH Polschuh 220-230V | Ersatzteile für AHS 700 | 2604220429
Hersteller: BOSCH
Artikelnummer: EB-0600840250-2604220429
Netto: 20,80 € zzgl. MwSt.
zzgl. 6,90 € Versand (brutto)
einmalig pro Bestellung

Lieferzeit: 5 Werktage

Pos.
3
BOSCH Anker 230V | Ersatzteile für AHS 700 | 2604010870
Hersteller: BOSCH
Artikelnummer: EB-0600840250-2604010870
nur Informationsartikel
Nie mehr lieferbar
keine Alternativen
Pos.
4
BOSCH Ein/Aus-Schalter | Ersatzteile für AHS 700 | 2607200291
Hersteller: BOSCH
Artikelnummer: EB-0600840250-2607200291
nur Informationsartikel
Nie mehr lieferbar
keine Alternativen
Pos.
5
BOSCH Netzanschlussleitung I 0,4m 2 x 1,0mm H05 VV-F | Ersatzteile für AHS 700 | 2604460104
Hersteller: BOSCH
Artikelnummer: EB-0600840250-2604460104
nur Informationsartikel
Nie mehr lieferbar
keine Alternativen
Pos.
6
BOSCH Tülle Ø7 MM | Ersatzteile für AHS 700 | 2600703007
Hersteller: BOSCH
Artikelnummer: EB-0600840250-2600703007
nur Informationsartikel
Nie mehr lieferbar
keine Alternativen
Pos.
7
BOSCH Leitungshalter | Ersatzteile für AHS 700 | 2601035001
Hersteller: BOSCH
Artikelnummer: EB-0600840250-2601035001
Netto: 3,94 € zzgl. MwSt.
zzgl. 6,90 € Versand (brutto)
einmalig pro Bestellung

Lieferzeit: 5 Werktage

Pos.
9
BOSCH Firmenschild SONNENSEITE | Ersatzteile für AHS 700 | 2601118195
Hersteller: BOSCH
Artikelnummer: EB-0600840250-2601118195
nur Informationsartikel
Nie mehr lieferbar
keine Alternativen
Pos.
12
BOSCH Entstörkondensator | Ersatzteile für AHS 700 | 2607329133
Hersteller: BOSCH
Artikelnummer: EB-0600840250-2607329133
nur Informationsartikel
Nie mehr lieferbar
keine Alternativen
Pos.
13
BOSCH Nadelhülse | Ersatzteile für AHS 700 | 2600917002
Hersteller: BOSCH
Artikelnummer: EB-0600840250-2600917002
Netto: 5,17 € zzgl. MwSt.
zzgl. 6,90 € Versand (brutto)
einmalig pro Bestellung

Lieferzeit: 5 Werktage

Pos.
19
BOSCH Schraube 4x16 | Ersatzteile für AHS 700 | 2603490022
Hersteller: BOSCH
Artikelnummer: EB-0600840250-2603490022
Netto: 3,60 € zzgl. MwSt.
zzgl. 6,90 € Versand (brutto)
einmalig pro Bestellung

Lieferzeit: 5 Werktage

Pos.
20
BOSCH Hinweisschild SCHATTENSEITE | Ersatzteile für AHS 700 | 2601118184
Hersteller: BOSCH
Artikelnummer: EB-0600840250-2601118184
nur Informationsartikel
Nie mehr lieferbar
keine Alternativen
Pos.
25
BOSCH Getriebegehäuse | Ersatzteile für AHS 700 | 2605806407
Hersteller: BOSCH
Artikelnummer: EB-0600840250-2605806407
nur Informationsartikel
Nie mehr lieferbar
keine Alternativen
Pos.
27
BOSCH Achse | Ersatzteile für AHS 700 | 2603120038
Hersteller: BOSCH
Artikelnummer: EB-0600840250-2603120038
nur Informationsartikel
Nie mehr lieferbar
keine Alternativen
Pos.
29
BOSCH Freilauf | Ersatzteile für AHS 700 | 2606490054
Hersteller: BOSCH
Artikelnummer: EB-0600840250-2606490054
nur Informationsartikel
Nie mehr lieferbar
keine Alternativen
Pos.
39
BOSCH Senkschraube TORX T25 | Ersatzteile für AHS 700 | 2603421223
Hersteller: BOSCH
Artikelnummer: EB-0600840250-2603421223
nur Informationsartikel
Nie mehr lieferbar
keine Alternativen
Pos.
40
BOSCH Schalthebel | Ersatzteile für AHS 700 | 2603239020
Hersteller: BOSCH
Artikelnummer: EB-0600840250-2603239020
nur Informationsartikel
Nie mehr lieferbar
keine Alternativen
Pos.
41
BOSCH Schaltstössel | Ersatzteile für AHS 700 | 2603123020
Hersteller: BOSCH
Artikelnummer: EB-0600840250-2603123020
nur Informationsartikel
Nie mehr lieferbar
keine Alternativen
Pos.
42
BOSCH Getriebedeckel | Ersatzteile für AHS 700 | 2605500121
Hersteller: BOSCH
Artikelnummer: EB-0600840250-2605500121
nur Informationsartikel
Nie mehr lieferbar
keine Alternativen
Pos.
43
BOSCH Gewindefurchschraube M4x12 MM | Ersatzteile für AHS 700 | 2603410049
Hersteller: BOSCH
Artikelnummer: EB-0600840250-2603410049
Netto: 3,94 € zzgl. MwSt.
zzgl. 6,90 € Versand (brutto)
einmalig pro Bestellung

Lieferzeit: 5 Werktage

Pos.
44
BOSCH Sicherungsring DIN 471 9x1MM | Ersatzteile für AHS 700 | 2916640006
Hersteller: BOSCH
Artikelnummer: EB-0600840250-2916640006
Netto: 3,94 € zzgl. MwSt.
zzgl. 6,90 € Versand (brutto)
einmalig pro Bestellung

Lieferzeit: 5 Werktage

Pos.
46
BOSCH Schaltbolzen | Ersatzteile für AHS 700 | 2603123021
Hersteller: BOSCH
Artikelnummer: EB-0600840250-2603123021
nur Informationsartikel
Nie mehr lieferbar
keine Alternativen
Pos.
47
BOSCH Ausgleichscheibe 0,2 MM | Ersatzteile für AHS 700 | 2600101614
Hersteller: BOSCH
Artikelnummer: EB-0600840250-2600101614
nur Informationsartikel
Nie mehr lieferbar
keine Alternativen
Pos.
47
BOSCH Ausgleichscheibe 0,3 MM | Ersatzteile für AHS 700 | 2600101654
Hersteller: BOSCH
Artikelnummer: EB-0600840250-2600101654
Netto: 3,94 € zzgl. MwSt.
zzgl. 6,90 € Versand (brutto)
einmalig pro Bestellung

Lieferzeit: 5 Werktage

Pos.
49
BOSCH Druckfeder | Ersatzteile für AHS 700 | 2604610029
Hersteller: BOSCH
Artikelnummer: EB-0600840250-2604610029
nur Informationsartikel
Nie mehr lieferbar
keine Alternativen
Pos.
50
BOSCH Schaltstange | Ersatzteile für AHS 700 | 2608040060
Hersteller: BOSCH
Artikelnummer: EB-0600840250-2608040060
nur Informationsartikel
Nie mehr lieferbar
keine Alternativen
Pos.
51
BOSCH Druckfeder | Ersatzteile für AHS 700 | 2604610027
Hersteller: BOSCH
Artikelnummer: EB-0600840250-2604610027
nur Informationsartikel
Nie mehr lieferbar
keine Alternativen
Pos.
52
BOSCH Schaltsegment | Ersatzteile für AHS 700 | 2608001011
Hersteller: BOSCH
Artikelnummer: EB-0600840250-2608001011
nur Informationsartikel
Nie mehr lieferbar
keine Alternativen
Pos.
53
BOSCH Torx-Linsenschraube 4x20 | Ersatzteile für AHS 700 | 2603490023
Hersteller: BOSCH
Artikelnummer: EB-0600840250-2603490023
Netto: 3,60 € zzgl. MwSt.
zzgl. 6,90 € Versand (brutto)
einmalig pro Bestellung

Lieferzeit: 5 Werktage

Pos.
54
BOSCH Torx-Linsenschraube 4x25 | Ersatzteile für AHS 700 | 2603490024
Hersteller: BOSCH
Artikelnummer: EB-0600840250-2603490024
Netto: 3,94 € zzgl. MwSt.
zzgl. 6,90 € Versand (brutto)
einmalig pro Bestellung

Lieferzeit: 5 Werktage

Pos.
55
BOSCH Lagerhülse | Ersatzteile für AHS 700 | 2600222002
Hersteller: BOSCH
Artikelnummer: EB-0600840250-2600222002
nur Informationsartikel
Nie mehr lieferbar
keine Alternativen
Pos.
57
BOSCH Wasserwaage | Ersatzteile für AHS 700 | 2607233010
Hersteller: BOSCH
Artikelnummer: EB-0600840250-2607233010
nur Informationsartikel
Nie mehr lieferbar
keine Alternativen
Pos.
58
BOSCH Kontaktfeder | Ersatzteile für AHS 700 | 2601329057
Hersteller: BOSCH
Artikelnummer: EB-0600840250-2601329057
nur Informationsartikel
Nie mehr lieferbar
keine Alternativen
Pos.
59
BOSCH Federscheibe DIN 137-A5-FST | Ersatzteile für AHS 700 | 2916060006
Hersteller: BOSCH
Artikelnummer: EB-0600840250-2916060006
nur Informationsartikel
Nie mehr lieferbar
keine Alternativen
Pos.
60
BOSCH Verbindungsleitung L=273 MM WEISS | Ersatzteile für AHS 700 | 2604448162
Hersteller: BOSCH
Artikelnummer: EB-0600840250-2604448162
nur Informationsartikel
Nie mehr lieferbar
keine Alternativen
Pos.
61
BOSCH Verbindungsleitung L=88 MM WEISS | Ersatzteile für AHS 700 | 2604448034
Hersteller: BOSCH
Artikelnummer: EB-0600840250-2604448034
Netto: 3,94 € zzgl. MwSt.
zzgl. 6,90 € Versand (brutto)
einmalig pro Bestellung

Lieferzeit: 5 Werktage

Pos.
62
BOSCH Verbindungsleitung L=115 MM WEISS | Ersatzteile für AHS 700 | 2604448109
Hersteller: BOSCH
Artikelnummer: EB-0600840250-2604448109
Netto: 3,60 € zzgl. MwSt.
zzgl. 6,90 € Versand (brutto)
einmalig pro Bestellung

Lieferzeit: 5 Werktage

Pos.
63
BOSCH Linsenschraube DIN 7985-M5x10-4.8 | Ersatzteile für AHS 700 | 2910641152
Hersteller: BOSCH
Artikelnummer: EB-0600840250-2910641152
nur Informationsartikel
Nie mehr lieferbar
keine Alternativen
Pos.
66
BOSCH Klemmleiste | Ersatzteile für AHS 700 | 2604490012
Hersteller: BOSCH
Artikelnummer: EB-0600840250-2604490012
nur Informationsartikel
Nie mehr lieferbar
keine Alternativen
Pos.
67
BOSCH Zylinderstift | Ersatzteile für AHS 700 | 2609002714
Hersteller: BOSCH
Artikelnummer: EB-0600840250-2609002714
Netto: 3,94 € zzgl. MwSt.
zzgl. 6,90 € Versand (brutto)
einmalig pro Bestellung

Lieferzeit: 5 Werktage

Pos.
68
BOSCH Halter | Ersatzteile für AHS 700 | 2608005039
Hersteller: BOSCH
Artikelnummer: EB-0600840250-2608005039
nur Informationsartikel
Nie mehr lieferbar
keine Alternativen
Pos.
69
BOSCH Halter | Ersatzteile für AHS 700 | 2608005040
Hersteller: BOSCH
Artikelnummer: EB-0600840250-2608005040
nur Informationsartikel
Nie mehr lieferbar
keine Alternativen
Pos.
70
BOSCH Sicherungsblech | Ersatzteile für AHS 700 | 2601098019
Hersteller: BOSCH
Artikelnummer: EB-0600840250-2601098019
nur Informationsartikel
Nie mehr lieferbar
keine Alternativen
Pos.
701
BOSCH Öl-Sprühdose | Ersatzteile für AHS 700 | 1609200399
Hersteller: BOSCH
Artikelnummer: EB-0600840250-1609200399
Netto: 12,98 € zzgl. MwSt.
zzgl. 6,90 € Versand (brutto)
einmalig pro Bestellung

Lieferzeit: 5 Werktage

Pos.
702
BOSCH Schutzhandschuh | Ersatzteile für AHS 700 | 2607000134
Hersteller: BOSCH
Artikelnummer: EB-0600840250-2607000134
nur Informationsartikel
Nie mehr lieferbar
keine Alternativen
Pos.
753
BOSCH Ölbehälter SCHWARZ | Ersatzteile für AHS 700 | 2605411040
Hersteller: BOSCH
Artikelnummer: EB-0600840250-2605411040
nur Informationsartikel
Nie mehr lieferbar
keine Alternativen
Pos.
754
BOSCH Zugentlastung | Ersatzteile für AHS 700 | 2601398012
Hersteller: BOSCH
Artikelnummer: EB-0600840250-2601398012
nur Informationsartikel
Nie mehr lieferbar
keine Alternativen
Pos.
765
BOSCH Schutzschild | Ersatzteile für AHS 700 | 2607001151
Hersteller: BOSCH
Artikelnummer: EB-0600840250-2607001151
nur Informationsartikel
Nie mehr lieferbar
keine Alternativen
Pos.
801
BOSCH Gehäuseschale GRUEN | Ersatzteile für AHS 700 | 2605104836
Hersteller: BOSCH
Artikelnummer: EB-0600840250-2605104836
nur Informationsartikel
Nie mehr lieferbar
keine Alternativen
Pos.
814
BOSCH Rillenkugellager 9x24x7 | Ersatzteile für AHS 700 | 2600905039
Hersteller: BOSCH
Artikelnummer: EB-0600840250-2600905039
Netto: 10,62 € zzgl. MwSt.
zzgl. 6,90 € Versand (brutto)
einmalig pro Bestellung

Lieferzeit: 5 Werktage

Pos.
816
BOSCH Bürstenplatte | Ersatzteile für AHS 700 | 2609992604
Hersteller: BOSCH
Artikelnummer: EB-0600840250-2609992604
nur Informationsartikel
Nie mehr lieferbar
keine Alternativen
Pos.
828
BOSCH Rutschkupplung | Ersatzteile für AHS 700 | 2606490916
Hersteller: BOSCH
Artikelnummer: EB-0600840250-2606490916
nur Informationsartikel
Nie mehr lieferbar
keine Alternativen
Pos.
836
BOSCH Exzenter | Ersatzteile für AHS 700 | 2602210901
Hersteller: BOSCH
Artikelnummer: EB-0600840250-2602210901
nur Informationsartikel
Nie mehr lieferbar
keine Alternativen
Pos.
838
BOSCH Messersatz 700 MM SCHWARZ | Ersatzteile für AHS 700 | 2607001232
Hersteller: BOSCH
Artikelnummer: EB-0600840250-2607001232
nur Informationsartikel
Nie mehr lieferbar
keine Alternativen
Pos.
845
BOSCH Schaltstück | Ersatzteile für AHS 700 | 2601901003
Hersteller: BOSCH
Artikelnummer: EB-0600840250-2601901003
nur Informationsartikel
Nie mehr lieferbar
keine Alternativen
Pos.
864
BOSCH Zusatzhandgriff SCHWARZ | Ersatzteile für AHS 700 | 2602025107
Hersteller: BOSCH
Artikelnummer: EB-0600840250-2602025107
nur Informationsartikel
Nie mehr lieferbar
keine Alternativen
Pos.
888
BOSCH Typschild | Ersatzteile für AHS 700 | 160111A3H3
Hersteller: BOSCH
Artikelnummer: EB-0600840250-160111A3H3
Netto: 4,56 € zzgl. MwSt.
zzgl. 6,90 € Versand (brutto)
einmalig pro Bestellung

Lieferzeit: 5 Werktage

Angaben zur Produktsicherheit

Hersteller:
Robert Bosch Power Tools GmbH
Postfach 30 02 20
70442 Stuttgart

E-Mail:
kontakt@bosch.de