BOSCH Typschild | Ersatzteile für AKE 30, AKE35, AKE 40 | 2609001615

Artikelnummer: EB-3600H34030-2609001615

Position: 808

Marke: BOSCH


Bitte Kompatibilität prüfen!

Bitte prüfen Sie unbedingt die 10-stellige Typennummer Ihrer Maschine / Ihres Gerätes. Das Ersatzteil ist nur kompatibel, wenn Sie die Typennummer Ihrer Maschine in der unten stehenden Produktbeschreibung finden.

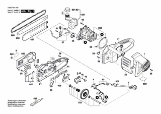
Bitte prüfen Sie ebenfalls detailliert die Explosionszeichnung mit Ihrem Artikelwunsch und der jeweiligen Pos-Nummer.

Alle Elemente, welche vom schwarzen Strich der Pos-Nummer ausgehend berührt / erfasst werden, gehören zu dieser Pos-Nummer und somit zu diesem Artikel. Jede Pos-Nummer ist ein eigenständiger Artikel, welchen Sie in der Auflistung finden.

Sie erhalten stets die aktuellste, neueste Produktversion zu der gewählten Pos-Nummer seitens des Herstellers. Es kann daher je nach Gerätealter vorkommen, dass Sie ggf. weitere, zugehörige Elemente, welche an diese Pos-Nummer grenzen, ebenfalls mittauschen müssen.

Nähere Informationen finden Sie unter dem Link
Hinweise zu Ihrer BOSCH Ersatzteilsuche

Preisübersicht

Einzelpreis: 5,17 €* (Brutto: 6,15 €)
Gesamtpreis: 5,17 €* 
Position:

Lieferzeit: 5 Werktage


Beschreibung

  • Typschild
  • Original Bosch Zubehör / BOSCH Ersatzteil (2609001615)
  • im Gerät verbaut: 1
Dieses BOSCH Ersatzteil ist mit folgendem Gerät und Modell kompatibel:
  • BOSCH Gerätename: AKE 30, AKE35, AKE 40
  • BOSCH Explosionszeichnung: Position 808
  • BOSCH Typennummer: 3600H34030
  • BOSCH Typennummer alternative Schreibweisen: 3 600 H34 030, 3600 H34 030, 3.600.H34.030, 3-600-H34-030
    Bitte prüfen Sie diese Typennummer auf Ihrem Gerät um die Kompatibilität des BOSCH Ersatzteils zu gewährleisten.
Weitere BOSCH Ersatzteile des Gerätes AKE 30, AKE35, AKE 40 (Kettensäge) mit der Typennummer 3600H34030 finden Sie in der nachfolgenden Darstellung und im Dropdown zu Ihrer Auswahl:

Pos.
1
BOSCH Motorgehäuse GRUEN | Ersatzteile für AKE 30, AKE35, AKE 40 | 2609001023
Hersteller: BOSCH
Artikelnummer: EB-3600H34030-2609001023
Netto: 12,50 € zzgl. MwSt.
zzgl. 6,90 € Versand (brutto)
einmalig pro Bestellung

Lieferzeit: 5 Werktage

Pos.
831/83
BOSCH Behälterdeckel | Ersatzteile für AKE 30, AKE35, AKE 40 | 2609001040
Hersteller: BOSCH
Artikelnummer: EB-3600H34030-2609001040
Netto: 4,56 € zzgl. MwSt.
zzgl. 6,90 € Versand (brutto)
einmalig pro Bestellung

Lieferzeit: 5 Werktage

Pos.
4
BOSCH Schalter | Ersatzteile für AKE 30, AKE35, AKE 40 | 2609001096
Hersteller: BOSCH
Artikelnummer: EB-3600H34030-2609001096
Netto: 7,66 € zzgl. MwSt.
zzgl. 6,90 € Versand (brutto)
einmalig pro Bestellung

Lieferzeit: 5 Werktage

Pos.
5
BOSCH Netzanschlussleitung | Ersatzteile für AKE 30, AKE35, AKE 40 | 1604460454
Hersteller: BOSCH
Artikelnummer: EB-3600H34030-1604460454
Netto: 9,75 € zzgl. MwSt.
zzgl. 6,90 € Versand (brutto)
einmalig pro Bestellung

Lieferzeit: 5 Werktage

Pos.
9
BOSCH Firmenschild AKE 30, 1600W | Ersatzteile für AKE 30, AKE35, AKE 40 | 2609001617
Hersteller: BOSCH
Artikelnummer: EB-3600H34030-2609001617
nur Informationsartikel
Nie mehr lieferbar
keine Alternativen
Pos.
9
BOSCH Firmenschild AKE 35, 1600W | Ersatzteile für AKE 30, AKE35, AKE 40 | 2609001618
Hersteller: BOSCH
Artikelnummer: EB-3600H34030-2609002668
nur Informationsartikel
Nie mehr lieferbar
keine Alternativen
Pos.
9
BOSCH Firmenschild AKE 40, 1600W | Ersatzteile für AKE 30, AKE35, AKE 40 | 2609001619
Hersteller: BOSCH
Artikelnummer: EB-3600H34030-2609001619
nur Informationsartikel
Nie mehr lieferbar
keine Alternativen
Pos.
21
BOSCH Gehäuse | Ersatzteile für AKE 30, AKE35, AKE 40 | 2609001110
Hersteller: BOSCH
Artikelnummer: EB-3600H34030-2609001110
Netto: 38,40 € zzgl. MwSt.
zzgl. 6,90 € Versand (brutto)
einmalig pro Bestellung

Lieferzeit: 5 Werktage

Pos.
22
BOSCH Schutzschild | Ersatzteile für AKE 30, AKE35, AKE 40 | 2609001024
Hersteller: BOSCH
Artikelnummer: EB-3600H34030-2609001024
Netto: 9,05 € zzgl. MwSt.
zzgl. 6,90 € Versand (brutto)
einmalig pro Bestellung

Lieferzeit: 5 Werktage

Pos.
25
BOSCH Pumpe | Ersatzteile für AKE 30, AKE35, AKE 40 | 1600A009Y6
Hersteller: BOSCH
Artikelnummer: EB-3600H34030-1600A009Y6
nur Informationsartikel
Nie mehr lieferbar
keine Alternativen
Pos.
25
BOSCH Ölpumpe | Ersatzteile für AKE30 | 1600A01A55
Hersteller: BOSCH
Artikelnummer: EB-3600H34030-1600A01A55
Netto: 12,50 € zzgl. MwSt.
zzgl. 6,90 € Versand (brutto)
einmalig pro Bestellung

Lieferzeit: 5 Werktage

Pos.
26
BOSCH Schneckengetriebe | Ersatzteile für AKE 30, AKE35, AKE 40 | 2609001043
Hersteller: BOSCH
Artikelnummer: EB-3600H34030-2609001043
Netto: 8,23 € zzgl. MwSt.
zzgl. 6,90 € Versand (brutto)
einmalig pro Bestellung

Lieferzeit: 5 Werktage

Pos.
28
BOSCH Feder | Ersatzteile für AKE 30, AKE35, AKE 40 | 2609001047
Hersteller: BOSCH
Artikelnummer: EB-3600H34030-2609001047
Netto: 3,60 € zzgl. MwSt.
zzgl. 6,90 € Versand (brutto)
einmalig pro Bestellung

Lieferzeit: 5 Werktage

Pos.
29
BOSCH Drehfeder | Ersatzteile für AKE 30, AKE35, AKE 40 | 2609006397
Hersteller: BOSCH
Artikelnummer: EB-3600H34030-2609006397
Netto: 3,94 € zzgl. MwSt.
zzgl. 6,90 € Versand (brutto)
einmalig pro Bestellung

Lieferzeit: 5 Werktage

Pos.
30
BOSCH Hebel | Ersatzteile für AKE 30, AKE35, AKE 40 | 2609001032
Hersteller: BOSCH
Artikelnummer: EB-3600H34030-2609001032
Netto: 4,56 € zzgl. MwSt.
zzgl. 6,90 € Versand (brutto)
einmalig pro Bestellung

Lieferzeit: 5 Werktage

Pos.
41
BOSCH Unterlegscheibe DIN 9021-B 4,3-ST | Ersatzteile für AKE 30, AKE35, AKE 40 | 2916011892
Hersteller: BOSCH
Artikelnummer: EB-3600H34030-2916011892
nur Informationsartikel
Nie mehr lieferbar
keine Alternativen
Pos.
42
BOSCH Feder | Ersatzteile für AKE 30, AKE35, AKE 40 | 2609001093
Hersteller: BOSCH
Artikelnummer: EB-3600H34030-2609001093
Netto: 3,60 € zzgl. MwSt.
zzgl. 6,90 € Versand (brutto)
einmalig pro Bestellung

Lieferzeit: 5 Werktage

Pos.
43
BOSCH Sicherungsscheibe DIN 6799-3,2 | Ersatzteile für AKE 30, AKE35, AKE 40 | 2916080906
Hersteller: BOSCH
Artikelnummer: EB-3600H34030-2916080906
Netto: 3,60 € zzgl. MwSt.
zzgl. 6,90 € Versand (brutto)
einmalig pro Bestellung

Lieferzeit: 5 Werktage

Pos.
44
BOSCH Druckfeder | Ersatzteile für AKE 30, AKE35, AKE 40 | 2609001048
Hersteller: BOSCH
Artikelnummer: EB-3600H34030-2609001048
Netto: 3,60 € zzgl. MwSt.
zzgl. 6,90 € Versand (brutto)
einmalig pro Bestellung

Lieferzeit: 5 Werktage

Pos.
45
BOSCH Sicherheitsschalter | Ersatzteile für AKE 30, AKE35, AKE 40 | 2609001031
Hersteller: BOSCH
Artikelnummer: EB-3600H34030-2609001031
Netto: 4,80 € zzgl. MwSt.
zzgl. 6,90 € Versand (brutto)
einmalig pro Bestellung

Lieferzeit: 5 Werktage

Pos.
46
BOSCH Druckfeder | Ersatzteile für AKE 30, AKE35, AKE 40 | 2609001090
Hersteller: BOSCH
Artikelnummer: EB-3600H34030-2609001090
Netto: 3,60 € zzgl. MwSt.
zzgl. 6,90 € Versand (brutto)
einmalig pro Bestellung

Lieferzeit: 5 Werktage

Pos.
51
BOSCH Kettenrad | Ersatzteile für AKE 30, AKE35, AKE 40 | 2609001036
Hersteller: BOSCH
Artikelnummer: EB-3600H34030-2609001036
Netto: 7,26 € zzgl. MwSt.
zzgl. 6,90 € Versand (brutto)
einmalig pro Bestellung

Lieferzeit: 5 Werktage

Pos.
52
BOSCH Sicherungsring DIN 471-10x1MM-FSt | Ersatzteile für AKE 30, AKE35, AKE 40 | 2916650001
Hersteller: BOSCH
Artikelnummer: EB-3600H34030-2916650001
Netto: 4,56 € zzgl. MwSt.
zzgl. 6,90 € Versand (brutto)
einmalig pro Bestellung

Lieferzeit: 5 Werktage

Pos.
57
BOSCH Rohr | Ersatzteile für AKE 30, AKE35, AKE 40 | 2609001086
Hersteller: BOSCH
Artikelnummer: EB-3600H34030-2609001086
Netto: 3,94 € zzgl. MwSt.
zzgl. 6,90 € Versand (brutto)
einmalig pro Bestellung

Lieferzeit: 5 Werktage

Pos.
58
BOSCH Torx-Linsenschraube 4x20 | Ersatzteile für AKE 30, AKE35, AKE 40 | 2603490023
Hersteller: BOSCH
Artikelnummer: EB-3600H34030-2603490023
Netto: 3,60 € zzgl. MwSt.
zzgl. 6,90 € Versand (brutto)
einmalig pro Bestellung

Lieferzeit: 5 Werktage

Pos.
60
BOSCH Torx-Linsenschraube 4x25 | Ersatzteile für AKE 30, AKE35, AKE 40 | 2603490024
Hersteller: BOSCH
Artikelnummer: EB-3600H34030-2603490024
Netto: 3,94 € zzgl. MwSt.
zzgl. 6,90 € Versand (brutto)
einmalig pro Bestellung

Lieferzeit: 5 Werktage

Pos.
61
BOSCH Torx-Linsenschraube 4x12 | Ersatzteile für AKE 30, AKE35, AKE 40 | 2603490021
Hersteller: BOSCH
Artikelnummer: EB-3600H34030-2603490021
Netto: 3,60 € zzgl. MwSt.
zzgl. 6,90 € Versand (brutto)
einmalig pro Bestellung

Lieferzeit: 5 Werktage

Pos.
64
BOSCH Schaltsegment | Ersatzteile für AKE 30, AKE35, AKE 40 | 2609001029
Hersteller: BOSCH
Artikelnummer: EB-3600H34030-2609001029
Netto: 4,36 € zzgl. MwSt.
zzgl. 6,90 € Versand (brutto)
einmalig pro Bestellung

Lieferzeit: 5 Werktage

Pos.
65
BOSCH Entstörfilter | Ersatzteile für AKE 30, AKE35, AKE 40 | 2609004394
Hersteller: BOSCH
Artikelnummer: EB-3600H34030-2609004394
Netto: 7,66 € zzgl. MwSt.
zzgl. 6,90 € Versand (brutto)
einmalig pro Bestellung

Lieferzeit: 5 Werktage

Pos.
680
BOSCH Schutzhaube SCHWARZ | Ersatzteile für AKE 30, AKE35, AKE 40 | 2609001045
Hersteller: BOSCH
Artikelnummer: EB-3600H34030-2609001045
Netto: 13,81 € zzgl. MwSt.
zzgl. 6,90 € Versand (brutto)
einmalig pro Bestellung

Lieferzeit: 5 Werktage

Pos.
682
BOSCH Sechskantmutter | Ersatzteile für AKE 30, AKE35, AKE 40 | 2609001307
Hersteller: BOSCH
Artikelnummer: EB-3600H34030-2609001307
Netto: 3,60 € zzgl. MwSt.
zzgl. 6,90 € Versand (brutto)
einmalig pro Bestellung

Lieferzeit: 5 Werktage

Pos.
687
BOSCH Kettenschutz | Ersatzteile für AKE 30, AKE35, AKE 40 | 1605510329
Hersteller: BOSCH
Artikelnummer: EB-3600H34030-1605510329
Netto: 9,05 € zzgl. MwSt.
zzgl. 6,90 € Versand (brutto)
einmalig pro Bestellung

Lieferzeit: 5 Werktage

Pos.
688
BOSCH Winkelschraubendreher | Ersatzteile für AKE 30, AKE35, AKE 40 | 2609001095
Hersteller: BOSCH
Artikelnummer: EB-3600H34030-2609001095
Netto: 5,65 € zzgl. MwSt.
zzgl. 6,90 € Versand (brutto)
einmalig pro Bestellung

Lieferzeit: 5 Werktage

Pos.
689
BOSCH Sägekette AKE 30, AKE 30 LI | Ersatzteile für AKE 30, AKE35, AKE 40 | 2609007363
Hersteller: BOSCH
Artikelnummer: EB-3600H34030-2609007363
Netto: 20,80 € zzgl. MwSt.
zzgl. 6,90 € Versand (brutto)
einmalig pro Bestellung

Lieferzeit: 5 Werktage

Pos.
689
BOSCH Sägekette AKE 35 | Ersatzteile für AKE 30, AKE35, AKE 40 | 2609007364
Hersteller: BOSCH
Artikelnummer: EB-3600H34030-2609007364
Netto: 16,70 € zzgl. MwSt.
zzgl. 6,90 € Versand (brutto)
einmalig pro Bestellung

Lieferzeit: 5 Werktage

Pos.
689
BOSCH Sägekette AKE 40 | Ersatzteile für AKE 30, AKE35, AKE 40 | 2609007365
Hersteller: BOSCH
Artikelnummer: EB-3600H34030-2609007365
Netto: 20,80 € zzgl. MwSt.
zzgl. 6,90 € Versand (brutto)
einmalig pro Bestellung

Lieferzeit: 5 Werktage

Pos.
690
BOSCH Führungsschiene 300 MM | Ersatzteile für AKE 30, AKE35, AKE 40 | 1602317005
Hersteller: BOSCH
Artikelnummer: EB-3600H34030-1602317005
Netto: 16,70 € zzgl. MwSt.
zzgl. 6,90 € Versand (brutto)
einmalig pro Bestellung

Lieferzeit: 5 Werktage

Pos.
690
BOSCH Führungsschiene 350 MM | Ersatzteile für AKE 30, AKE35, AKE 40 | 1600A015H6
Hersteller: BOSCH
Artikelnummer: EB-3600H34030-1600A015H6
Netto: 20,80 € zzgl. MwSt.
zzgl. 6,90 € Versand (brutto)
einmalig pro Bestellung

Lieferzeit: 5 Werktage

Pos.
690
BOSCH Führungsschiene 400 MM | Ersatzteile für AKE 30, AKE35, AKE 40 | 1600A015H7
Hersteller: BOSCH
Artikelnummer: EB-3600H34030-1600A015H7
Netto: 20,80 € zzgl. MwSt.
zzgl. 6,90 € Versand (brutto)
einmalig pro Bestellung

Lieferzeit: 5 Werktage

Pos.
802
BOSCH Motor | Ersatzteile für AKE 30, AKE35, AKE 40 | 2609002728
Hersteller: BOSCH
Artikelnummer: EB-3600H34030-2609002728
Netto: 67,29 € zzgl. MwSt.
zzgl. 6,90 € Versand (brutto)
einmalig pro Bestellung

Lieferzeit: 5 Werktage

Pos.
806
BOSCH Tülle | Ersatzteile für AKE 30, AKE35, AKE 40 | 2609005766
Hersteller: BOSCH
Artikelnummer: EB-3600H34030-2609005766
nur Informationsartikel
Nie mehr lieferbar
keine Alternativen
Pos.
808
BOSCH Typschild | Ersatzteile für AKE 30, AKE35, AKE 40 | 2609001615
Hersteller: BOSCH
Artikelnummer: EB-3600H34030-2609001615
Netto: 5,17 € zzgl. MwSt.
zzgl. 6,90 € Versand (brutto)
einmalig pro Bestellung

Lieferzeit: 5 Werktage

Pos.
831
BOSCH Ölbehälter | Ersatzteile für AKE 30, AKE35, AKE 40 | 2609001599
Hersteller: BOSCH
Artikelnummer: EB-3600H34030-2609001599
Netto: 15,15 € zzgl. MwSt.
zzgl. 6,90 € Versand (brutto)
einmalig pro Bestellung

Lieferzeit: 5 Werktage

Pos.
832
BOSCH Antriebs-Kupplung | Ersatzteile für AKE 30, AKE35, AKE 40 | 2609001100
Hersteller: BOSCH
Artikelnummer: EB-3600H34030-2609001100
Netto: 28,93 € zzgl. MwSt.
zzgl. 6,90 € Versand (brutto)
einmalig pro Bestellung

Lieferzeit: 5 Werktage

Pos.
838
BOSCH Gestänge | Ersatzteile für AKE 30, AKE35, AKE 40 | 2609001597
Hersteller: BOSCH
Artikelnummer: EB-3600H34030-2609001597
Netto: 13,81 € zzgl. MwSt.
zzgl. 6,90 € Versand (brutto)
einmalig pro Bestellung

Lieferzeit: 5 Werktage

Pos.
847
BOSCH Montageblech | Ersatzteile für AKE 30, AKE35, AKE 40 | 1600A00318
Hersteller: BOSCH
Artikelnummer: EB-3600H34030-1600A00318
nur Informationsartikel
Nie mehr lieferbar
keine Alternativen

Angaben zur Produktsicherheit

Hersteller:
Robert Bosch Power Tools GmbH
Postfach 30 02 20
70442 Stuttgart

E-Mail:
kontakt@bosch.de