BOSCH Linsenschraube 4x18 MM,TORX T20 | Ersatzteile für AKE 35-17 S | 2914201506

Artikelnummer: EB-0600836142-2914201506

Position: 67

Marke: BOSCH


Bitte Kompatibilität prüfen!

Bitte prüfen Sie unbedingt die 10-stellige Typennummer Ihrer Maschine / Ihres Gerätes. Das Ersatzteil ist nur kompatibel, wenn Sie die Typennummer Ihrer Maschine in der unten stehenden Produktbeschreibung finden.

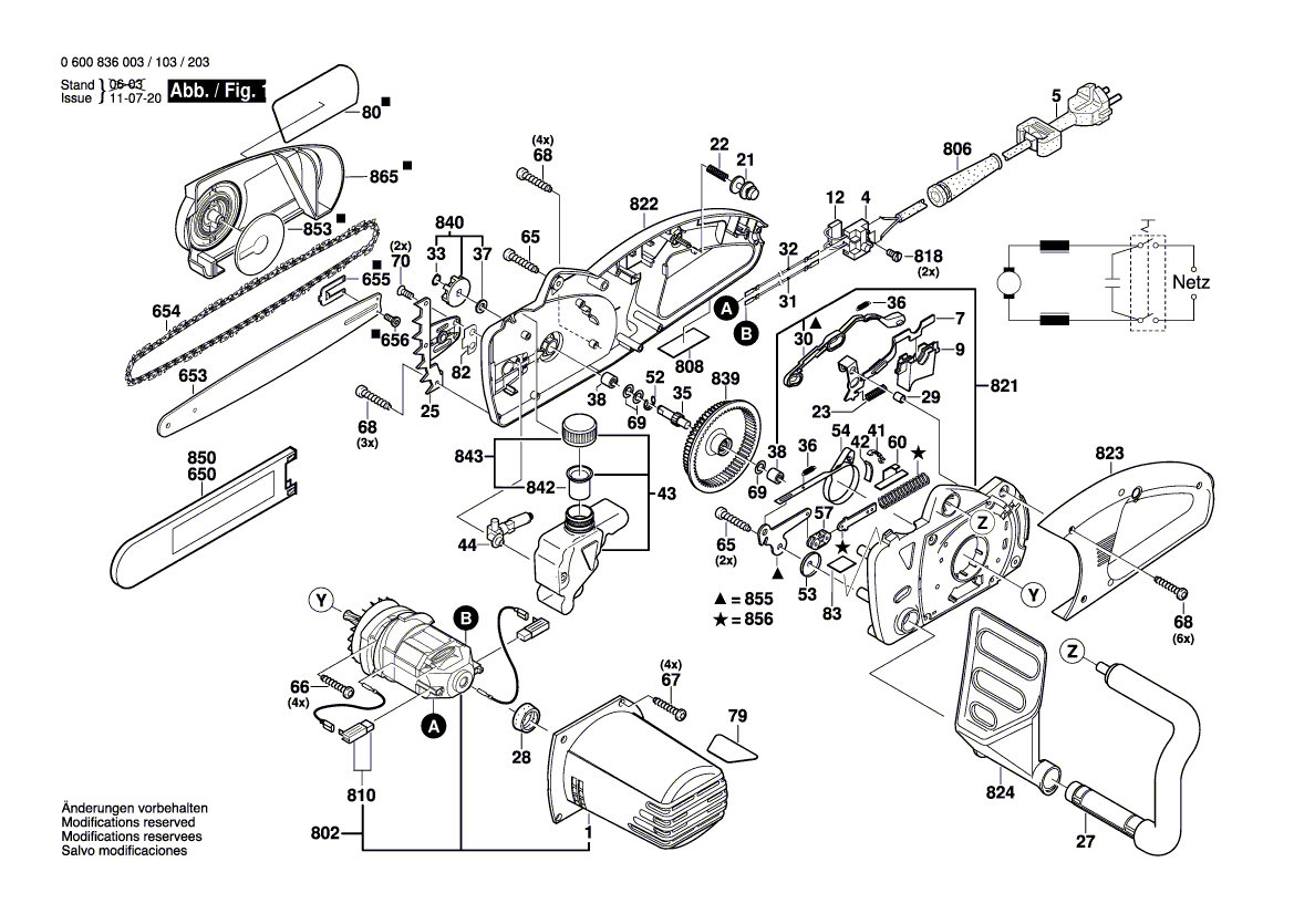
Bitte prüfen Sie ebenfalls detailliert die Explosionszeichnung mit Ihrem Artikelwunsch und der jeweiligen Pos-Nummer.

Alle Elemente, welche vom schwarzen Strich der Pos-Nummer ausgehend berührt / erfasst werden, gehören zu dieser Pos-Nummer und somit zu diesem Artikel. Jede Pos-Nummer ist ein eigenständiger Artikel, welchen Sie in der Auflistung finden.

Sie erhalten stets die aktuellste, neueste Produktversion zu der gewählten Pos-Nummer seitens des Herstellers. Es kann daher je nach Gerätealter vorkommen, dass Sie ggf. weitere, zugehörige Elemente, welche an diese Pos-Nummer grenzen, ebenfalls mittauschen müssen.

Nähere Informationen finden Sie unter dem Link
Hinweise zu Ihrer BOSCH Ersatzteilsuche

Preisübersicht

Einzelpreis: 3,63 €* (Brutto: 4,32 €)
Gesamtpreis: 3,63 €* 
Position:

Lieferzeit: 5 Werktage


Beschreibung

  • Linsenschraube 4x18 MM,TORX T20
  • Original Bosch Zubehör / BOSCH Ersatzteil (2914201506)
  • im Gerät verbaut: 1
Dieses BOSCH Ersatzteil ist mit folgendem Gerät und Modell kompatibel:
  • BOSCH Gerätename: AKE 35-17 S
  • BOSCH Explosionszeichnung: Position 67
  • BOSCH Typennummer: 0600836142
  • BOSCH Typennummer alternative Schreibweisen: 0 600 836 142, 0600 836 142, 0.600.836.142, 0-600-836-142
    Bitte prüfen Sie diese Typennummer auf Ihrem Gerät um die Kompatibilität des BOSCH Ersatzteils zu gewährleisten.
Weitere BOSCH Ersatzteile des Gerätes AKE 35-17 S (Kettensäge) mit der Typennummer 0600836142 finden Sie in der nachfolgenden Darstellung und im Dropdown zu Ihrer Auswahl:

Pos.
28
BOSCH Zwischenring | Ersatzteile für AKE 35-17 S | 1600206038
Hersteller: BOSCH
Artikelnummer: EB-0600836142-1600206038
Netto: 3,94 € zzgl. MwSt.
zzgl. 6,90 € Versand (brutto)
einmalig pro Bestellung

Lieferzeit: 5 Werktage

Pos.
29
BOSCH Lagerbuchse | Ersatzteile für AKE 35-17 S | 1600300096
Hersteller: BOSCH
Artikelnummer: EB-0600836142-1600300096
Netto: 3,94 € zzgl. MwSt.
zzgl. 6,90 € Versand (brutto)
einmalig pro Bestellung

Lieferzeit: 5 Werktage

Pos.
30
BOSCH Schieber | Ersatzteile für AKE 35-17 S | 1602319022
Hersteller: BOSCH
Artikelnummer: EB-0600836142-1602319022
nur Informationsartikel
Nie mehr lieferbar
keine Alternativen
Pos.
32
BOSCH Verbindungsleitung | Ersatzteile für AKE 35-17 S | 1604431004
Hersteller: BOSCH
Artikelnummer: EB-0600836142-1604431004
nur Informationsartikel
Nie mehr lieferbar
keine Alternativen
Pos.
33
BOSCH Sicherungsring DIN 471-10x1MM-FSt | Ersatzteile für AKE 35-17 S | 2916650001
Hersteller: BOSCH
Artikelnummer: EB-0600836142-2916650001
Netto: 4,53 € zzgl. MwSt.
zzgl. 6,90 € Versand (brutto)
einmalig pro Bestellung

Lieferzeit: 5 Werktage

Pos.
37
BOSCH Filzring | Ersatzteile für AKE 35-17 S | 1600205037
Hersteller: BOSCH
Artikelnummer: EB-0600836142-1600205037
Netto: 3,63 € zzgl. MwSt.
zzgl. 6,90 € Versand (brutto)
einmalig pro Bestellung

Lieferzeit: 5 Werktage

Pos.
38
BOSCH Nadelhülse | Ersatzteile für AKE 35-17 S | 2600917006
Hersteller: BOSCH
Artikelnummer: EB-0600836142-2600917006
Netto: 5,19 € zzgl. MwSt.
zzgl. 6,90 € Versand (brutto)
einmalig pro Bestellung

Lieferzeit: 65 Werktage

Pos.
42
BOSCH Bremsbacke | Ersatzteile für AKE 35-17 S | 1600026004
Hersteller: BOSCH
Artikelnummer: EB-0600836142-1600026004
nur Informationsartikel
Nie mehr lieferbar
keine Alternativen
Pos.
44
BOSCH Ölpumpe | Ersatzteile für AKE 35-17 S | 1605437003
Hersteller: BOSCH
Artikelnummer: EB-0600836142-1605437003
nur Informationsartikel
Nie mehr lieferbar
keine Alternativen
Pos.
54
BOSCH Bremsband | Ersatzteile für AKE 35-17 S | 1604652020
Hersteller: BOSCH
Artikelnummer: EB-0600836142-1604652020
Netto: 6,15 € zzgl. MwSt.
zzgl. 6,90 € Versand (brutto)
einmalig pro Bestellung

Lieferzeit: 5 Werktage

Pos.
67
BOSCH Linsenschraube 4x18 MM,TORX T20 | Ersatzteile für AKE 35-17 S | 2914201506
Hersteller: BOSCH
Artikelnummer: EB-0600836142-2914201506
Netto: 3,63 € zzgl. MwSt.
zzgl. 6,90 € Versand (brutto)
einmalig pro Bestellung

Lieferzeit: 5 Werktage

Pos.
650
BOSCH Kettenschutz | Ersatzteile für AKE 35-17 S | 1605510329
Hersteller: BOSCH
Artikelnummer: EB-0600836142-1605510329
Netto: 9,18 € zzgl. MwSt.
zzgl. 6,90 € Versand (brutto)
einmalig pro Bestellung

Lieferzeit: 5 Werktage

Pos.
653
BOSCH Führungsschiene 350 MM | Ersatzteile für AKE 35-17 S | 1600A015H6
Hersteller: BOSCH
Artikelnummer: EB-0600836142-1600A015H6
Netto: 21,16 € zzgl. MwSt.
zzgl. 6,90 € Versand (brutto)
einmalig pro Bestellung

Lieferzeit: 5 Werktage

Pos.
654
BOSCH Sägekette AKE 35 | Ersatzteile für AKE 35-17 S | 2609007364
Hersteller: BOSCH
Artikelnummer: EB-0600836142-2609007364
Netto: 17,38 € zzgl. MwSt.
zzgl. 6,90 € Versand (brutto)
einmalig pro Bestellung

Lieferzeit: 5 Werktage

Pos.
655
BOSCH Stellplatte | Ersatzteile für AKE 35-17 S | 1601015035
Hersteller: BOSCH
Artikelnummer: EB-0600836142-1601015035
Netto: 6,70 € zzgl. MwSt.
zzgl. 6,90 € Versand (brutto)
einmalig pro Bestellung

Lieferzeit: 5 Werktage

Pos.
656
BOSCH Senkschraube | Ersatzteile für AKE 35-17 S | 1603421003
Hersteller: BOSCH
Artikelnummer: EB-0600836142-1603421003
Netto: 3,63 € zzgl. MwSt.
zzgl. 6,90 € Versand (brutto)
einmalig pro Bestellung

Lieferzeit: 5 Werktage

Pos.
806
BOSCH Tülle | Ersatzteile für AKE 35-17 S | 2609005766
Hersteller: BOSCH
Artikelnummer: EB-0600836142-2609005766
nur Informationsartikel
Nie mehr lieferbar
keine Alternativen
Pos.
808
BOSCH Typschild | Ersatzteile für AKE 35-17 S | 160111A3H3
Hersteller: BOSCH
Artikelnummer: EB-0600836142-160111A3H3
Netto: 4,53 € zzgl. MwSt.
zzgl. 6,90 € Versand (brutto)
einmalig pro Bestellung

Lieferzeit: 5 Werktage

Pos.
818
BOSCH Zylinderschraube M3x6,5-4.8 | Ersatzteile für AKE 35-17 S | 2603410001
Hersteller: BOSCH
Artikelnummer: EB-0600836142-2603410001
Netto: 3,94 € zzgl. MwSt.
zzgl. 6,90 € Versand (brutto)
einmalig pro Bestellung

Lieferzeit: 5 Werktage

Pos.
839
BOSCH Hohlrad | Ersatzteile für AKE 35-17 S | 1607000A06
Hersteller: BOSCH
Artikelnummer: EB-0600836142-1607000A06
Netto: 17,38 € zzgl. MwSt.
zzgl. 6,90 € Versand (brutto)
einmalig pro Bestellung

Lieferzeit: 5 Werktage

Pos.
840
BOSCH Kettenrad | Ersatzteile für AKE 35-17 S | 1607000885
Hersteller: BOSCH
Artikelnummer: EB-0600836142-1607000885
nur Informationsartikel
Nie mehr lieferbar
keine Alternativen
Pos.
843
BOSCH Behälterdeckel | Ersatzteile für AKE 35-17 S | 1607000A47
Hersteller: BOSCH
Artikelnummer: EB-0600836142-1607000A47
Netto: 7,30 € zzgl. MwSt.
zzgl. 6,90 € Versand (brutto)
einmalig pro Bestellung

Lieferzeit: 5 Werktage

Pos.
853
BOSCH Staubschutzdeckel | Ersatzteile für AKE 35-17 S | 1605190190
Hersteller: BOSCH
Artikelnummer: EB-0600836142-1605190190
Netto: 4,82 € zzgl. MwSt.
zzgl. 6,90 € Versand (brutto)
einmalig pro Bestellung

Lieferzeit: 5 Werktage

Angaben zur Produktsicherheit

Hersteller:
Robert Bosch Power Tools GmbH
Postfach 30 02 20
70442 Stuttgart

E-Mail:
kontakt@bosch.de