BOSCH Dichtstreifen | Ersatzteile für AKE 40-18 S | 1601010009

Artikelnummer: EB-3600H36C70-1601010009

Position: 82

Marke: BOSCH


Bitte Kompatibilität prüfen!

Bitte prüfen Sie unbedingt die 10-stellige Typennummer Ihrer Maschine / Ihres Gerätes. Das Ersatzteil ist nur kompatibel, wenn Sie die Typennummer Ihrer Maschine in der unten stehenden Produktbeschreibung finden.

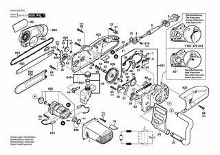
Bitte prüfen Sie ebenfalls detailliert die Explosionszeichnung mit Ihrem Artikelwunsch und der jeweiligen Pos-Nummer.

Alle Elemente, welche vom schwarzen Strich der Pos-Nummer ausgehend berührt / erfasst werden, gehören zu dieser Pos-Nummer und somit zu diesem Artikel. Jede Pos-Nummer ist ein eigenständiger Artikel, welchen Sie in der Auflistung finden.

Sie erhalten stets die aktuellste, neueste Produktversion zu der gewählten Pos-Nummer seitens des Herstellers. Es kann daher je nach Gerätealter vorkommen, dass Sie ggf. weitere, zugehörige Elemente, welche an diese Pos-Nummer grenzen, ebenfalls mittauschen müssen.

Nähere Informationen finden Sie unter dem Link
Hinweise zu Ihrer BOSCH Ersatzteilsuche

Preisübersicht

Einzelpreis: 4,36 €* (Brutto: 5,19 €)
Gesamtpreis: 4,36 €* 
Position:

Lieferzeit: 5 Werktage


Beschreibung

  • Dichtstreifen
  • Original Bosch Zubehör / BOSCH Ersatzteil (1601010009)
  • im Gerät verbaut: 1
Dieses BOSCH Ersatzteil ist mit folgendem Gerät und Modell kompatibel:
  • BOSCH Gerätename: AKE 40-18 S
  • BOSCH Explosionszeichnung: Position 82
  • BOSCH Typennummer: 3600H36C70
  • BOSCH Typennummer alternative Schreibweisen: 3 600 H36 C70, 3600 H36 C70, 3.600.H36.C70, 3-600-H36-C70
    Bitte prüfen Sie diese Typennummer auf Ihrem Gerät um die Kompatibilität des BOSCH Ersatzteils zu gewährleisten.
Weitere BOSCH Ersatzteile des Gerätes AKE 40-18 S (Kettensäge) mit der Typennummer 3600H36C70 finden Sie in der nachfolgenden Darstellung und im Dropdown zu Ihrer Auswahl:

Pos.
1
BOSCH Motorgehäuse | Ersatzteile für AKE 40-18 S | 1605190228
Hersteller: BOSCH
Artikelnummer: EB-3600H36C70-1605190228
Netto: 7,26 € zzgl. MwSt.
zzgl. 6,90 € Versand (brutto)
einmalig pro Bestellung

Lieferzeit: 5 Werktage

Pos.
4
BOSCH Schalter | Ersatzteile für AKE 40-18 S | 1607200193
Hersteller: BOSCH
Artikelnummer: EB-3600H36C70-1607200193
nur Informationsartikel
Nie mehr lieferbar
keine Alternativen
Pos.
5
BOSCH Netzanschlussleitung GB 230V 4,15m 2 x 1,0mm H07 RN-F | Ersatzteile für AKE 40-18 S | 1604460253
Hersteller: BOSCH
Artikelnummer: EB-3600H36C70-1604460253
Netto: 9,75 € zzgl. MwSt.
zzgl. 6,90 € Versand (brutto)
einmalig pro Bestellung

Lieferzeit: 5 Werktage

Pos.
6
BOSCH Tülle | Ersatzteile für AKE 40-18 S | 2609005766
Hersteller: BOSCH
Artikelnummer: EB-3600H36C70-2609005766
nur Informationsartikel
Nie mehr lieferbar
keine Alternativen
Pos.
7
BOSCH Hebel | Ersatzteile für AKE 40-18 S | 1602002008
Hersteller: BOSCH
Artikelnummer: EB-3600H36C70-1602002008
Netto: 7,26 € zzgl. MwSt.
zzgl. 6,90 € Versand (brutto)
einmalig pro Bestellung

Lieferzeit: 5 Werktage

Pos.
9
BOSCH Drucktaste | Ersatzteile für AKE 40-18 S | 1603231020
Hersteller: BOSCH
Artikelnummer: EB-3600H36C70-1603231020
Netto: 4,33 € zzgl. MwSt.
zzgl. 6,90 € Versand (brutto)
einmalig pro Bestellung

Lieferzeit: 5 Werktage

Pos.
12
BOSCH Entstörkondensator | Ersatzteile für AKE 40-18 S | 2609004863
Hersteller: BOSCH
Artikelnummer: EB-3600H36C70-2609004863
Netto: 5,17 € zzgl. MwSt.
zzgl. 6,90 € Versand (brutto)
einmalig pro Bestellung

Lieferzeit: 5 Werktage

Pos.
21
BOSCH Sperrbolzen | Ersatzteile für AKE 40-18 S | 1600390019
Hersteller: BOSCH
Artikelnummer: EB-3600H36C70-1600390019
Netto: 3,94 € zzgl. MwSt.
zzgl. 6,90 € Versand (brutto)
einmalig pro Bestellung

Lieferzeit: 5 Werktage

Pos.
22
BOSCH Druckfeder | Ersatzteile für AKE 40-18 S | 1604617008
Hersteller: BOSCH
Artikelnummer: EB-3600H36C70-1604617008
Netto: 3,60 € zzgl. MwSt.
zzgl. 6,90 € Versand (brutto)
einmalig pro Bestellung

Lieferzeit: 5 Werktage

Pos.
23
BOSCH Druckfeder | Ersatzteile für AKE 40-18 S | 1604617015
Hersteller: BOSCH
Artikelnummer: EB-3600H36C70-1604617015
nur Informationsartikel
Nie mehr lieferbar
keine Alternativen
Pos.
24
BOSCH Schutzschild | Ersatzteile für AKE 40-18 S | 1605510315
Hersteller: BOSCH
Artikelnummer: EB-3600H36C70-1605510315
nur Informationsartikel
Nie mehr lieferbar
keine Alternativen
Pos.
25
BOSCH Schwertträger | Ersatzteile für AKE 40-18 S | 1601098008
Hersteller: BOSCH
Artikelnummer: EB-3600H36C70-1601098008
Netto: 6,75 € zzgl. MwSt.
zzgl. 6,90 € Versand (brutto)
einmalig pro Bestellung

Lieferzeit: 5 Werktage

Pos.
27
BOSCH Handgriff | Ersatzteile für AKE 40-18 S | 1605133045
Hersteller: BOSCH
Artikelnummer: EB-3600H36C70-1605133045
Netto: 12,50 € zzgl. MwSt.
zzgl. 6,90 € Versand (brutto)
einmalig pro Bestellung

Lieferzeit: 5 Werktage

Pos.
29
BOSCH Lagerbuchse | Ersatzteile für AKE 40-18 S | 1600300096
Hersteller: BOSCH
Artikelnummer: EB-3600H36C70-1600300096
Netto: 3,94 € zzgl. MwSt.
zzgl. 6,90 € Versand (brutto)
einmalig pro Bestellung

Lieferzeit: 5 Werktage

Pos.
30
BOSCH Schieber | Ersatzteile für AKE 40-18 S | 1602319019
Hersteller: BOSCH
Artikelnummer: EB-3600H36C70-1602319019
nur Informationsartikel
Nie mehr lieferbar
keine Alternativen
Pos.
31
BOSCH Verbindungsleitung | Ersatzteile für AKE 40-18 S | 1604431003
Hersteller: BOSCH
Artikelnummer: EB-3600H36C70-1604431003
Netto: 4,36 € zzgl. MwSt.
zzgl. 6,90 € Versand (brutto)
einmalig pro Bestellung

Lieferzeit: 5 Werktage

Pos.
32
BOSCH Verbindungsleitung | Ersatzteile für AKE 40-18 S | 1604431004
Hersteller: BOSCH
Artikelnummer: EB-3600H36C70-1604431004
Netto: 4,53 € zzgl. MwSt.
zzgl. 6,90 € Versand (brutto)
einmalig pro Bestellung

Lieferzeit: 5 Werktage

Pos.
33
BOSCH Sicherungsring DIN 471-10x1MM-FSt | Ersatzteile für AKE 40-18 S | 2916650001
Hersteller: BOSCH
Artikelnummer: EB-3600H36C70-2916650001
Netto: 4,56 € zzgl. MwSt.
zzgl. 6,90 € Versand (brutto)
einmalig pro Bestellung

Lieferzeit: 5 Werktage

Pos.
35
BOSCH Welle | Ersatzteile für AKE 40-18 S | 1606100039
Hersteller: BOSCH
Artikelnummer: EB-3600H36C70-1606100039
Netto: 12,50 € zzgl. MwSt.
zzgl. 6,90 € Versand (brutto)
einmalig pro Bestellung

Lieferzeit: 5 Werktage

Pos.
36
BOSCH Zugfeder | Ersatzteile für AKE 40-18 S | 1604650016
Hersteller: BOSCH
Artikelnummer: EB-3600H36C70-1604650016
Netto: 3,60 € zzgl. MwSt.
zzgl. 6,90 € Versand (brutto)
einmalig pro Bestellung

Lieferzeit: 5 Werktage

Pos.
37
BOSCH Filzring | Ersatzteile für AKE 40-18 S | 1600205037
Hersteller: BOSCH
Artikelnummer: EB-3600H36C70-1600205037
Netto: 3,60 € zzgl. MwSt.
zzgl. 6,90 € Versand (brutto)
einmalig pro Bestellung

Lieferzeit: 5 Werktage

Pos.
38
BOSCH Nadelhülse | Ersatzteile für AKE 40-18 S | 2600917006
Hersteller: BOSCH
Artikelnummer: EB-3600H36C70-2600917006
Netto: 5,17 € zzgl. MwSt.
zzgl. 6,90 € Versand (brutto)
einmalig pro Bestellung

Lieferzeit: 65 Werktage

Pos.
43
BOSCH Ölbehälter | Ersatzteile für AKE 40-18 S | 1605405004
Hersteller: BOSCH
Artikelnummer: EB-3600H36C70-1605405004
Netto: 13,81 € zzgl. MwSt.
zzgl. 6,90 € Versand (brutto)
einmalig pro Bestellung

Lieferzeit: 5 Werktage

Pos.
44
BOSCH Ölpumpe | Ersatzteile für AKE 40-18 S | 1605437003
Hersteller: BOSCH
Artikelnummer: EB-3600H36C70-1605437003
Netto: 13,81 € zzgl. MwSt.
zzgl. 6,90 € Versand (brutto)
einmalig pro Bestellung

Lieferzeit: 5 Werktage

Pos.
46
BOSCH Stange | Ersatzteile für AKE 40-18 S | 1603023003
Hersteller: BOSCH
Artikelnummer: EB-3600H36C70-1603023003
nur Informationsartikel
Nie mehr lieferbar
keine Alternativen
Pos.
47
BOSCH Schwenkhebel | Ersatzteile für AKE 40-18 S | 1600590014
Hersteller: BOSCH
Artikelnummer: EB-3600H36C70-1600590014
Netto: 6,75 € zzgl. MwSt.
zzgl. 6,90 € Versand (brutto)
einmalig pro Bestellung

Lieferzeit: 5 Werktage

Pos.
51
BOSCH Klemmfeder | Ersatzteile für AKE 40-18 S | 1604651013
Hersteller: BOSCH
Artikelnummer: EB-3600H36C70-1604651013
nur Informationsartikel
Nie mehr lieferbar
keine Alternativen
Pos.
52
BOSCH Sicherungsscheibe DIN 6799-9-FSt | Ersatzteile für AKE 40-18 S | 2916080012
Hersteller: BOSCH
Artikelnummer: EB-3600H36C70-2916080012
Netto: 3,94 € zzgl. MwSt.
zzgl. 6,90 € Versand (brutto)
einmalig pro Bestellung

Lieferzeit: 5 Werktage

Pos.
53
BOSCH Bundscheibe | Ersatzteile für AKE 40-18 S | 1600328030
Hersteller: BOSCH
Artikelnummer: EB-3600H36C70-1600328030
Netto: 3,94 € zzgl. MwSt.
zzgl. 6,90 € Versand (brutto)
einmalig pro Bestellung

Lieferzeit: 5 Werktage

Pos.
54
BOSCH Bremsband | Ersatzteile für AKE 40-18 S | 1604652020
Hersteller: BOSCH
Artikelnummer: EB-3600H36C70-1604652020
Netto: 6,27 € zzgl. MwSt.
zzgl. 6,90 € Versand (brutto)
einmalig pro Bestellung

Lieferzeit: 5 Werktage

Pos.
55
BOSCH Hebelarm | Ersatzteile für AKE 40-18 S | 1600590019
Hersteller: BOSCH
Artikelnummer: EB-3600H36C70-1600590019
nur Informationsartikel
Nie mehr lieferbar
keine Alternativen
Pos.
56
BOSCH Federführung | Ersatzteile für AKE 40-18 S | 1600590016
Hersteller: BOSCH
Artikelnummer: EB-3600H36C70-1600590016
nur Informationsartikel
Nie mehr lieferbar
keine Alternativen
Pos.
57
BOSCH Hebelaufnahme | Ersatzteile für AKE 40-18 S | 1600390018
Hersteller: BOSCH
Artikelnummer: EB-3600H36C70-1600390018
Netto: 4,80 € zzgl. MwSt.
zzgl. 6,90 € Versand (brutto)
einmalig pro Bestellung

Lieferzeit: 5 Werktage

Pos.
60
BOSCH Druckplatte | Ersatzteile für AKE 40-18 S | 1600590012
Hersteller: BOSCH
Artikelnummer: EB-3600H36C70-1600590012
Netto: 3,94 € zzgl. MwSt.
zzgl. 6,90 € Versand (brutto)
einmalig pro Bestellung

Lieferzeit: 5 Werktage

Pos.
63
BOSCH Druckfeder | Ersatzteile für AKE 40-18 S | 1604617017
Hersteller: BOSCH
Artikelnummer: EB-3600H36C70-1604617017
nur Informationsartikel
Nie mehr lieferbar
keine Alternativen
Pos.
66
BOSCH Linsenschraube 5x22 | Ersatzteile für AKE 40-18 S | 2914211528
Hersteller: BOSCH
Artikelnummer: EB-3600H36C70-2914211528
Netto: 3,60 € zzgl. MwSt.
zzgl. 6,90 € Versand (brutto)
einmalig pro Bestellung

Lieferzeit: 5 Werktage

Pos.
68
BOSCH Linsenschraube 4x18 MM,TORX T20 | Ersatzteile für AKE 40-18 S | 2914201506
Hersteller: BOSCH
Artikelnummer: EB-3600H36C70-2914201506
Netto: 3,60 € zzgl. MwSt.
zzgl. 6,90 € Versand (brutto)
einmalig pro Bestellung

Lieferzeit: 5 Werktage

Pos.
69
BOSCH Anlaufscheibe | Ersatzteile für AKE 40-18 S | 1600100038
Hersteller: BOSCH
Artikelnummer: EB-3600H36C70-1600100038
Netto: 3,94 € zzgl. MwSt.
zzgl. 6,90 € Versand (brutto)
einmalig pro Bestellung

Lieferzeit: 5 Werktage

Pos.
70
BOSCH Blechschraube 4,2x13 | Ersatzteile für AKE 40-18 S | 2910601325
Hersteller: BOSCH
Artikelnummer: EB-3600H36C70-2910601325
Netto: 3,60 € zzgl. MwSt.
zzgl. 6,90 € Versand (brutto)
einmalig pro Bestellung

Lieferzeit: 5 Werktage

Pos.
79
BOSCH Hinweisschild | Ersatzteile für AKE 40-18 S | 1601118K15
Hersteller: BOSCH
Artikelnummer: EB-3600H36C70-1601118K15
Netto: 4,53 € zzgl. MwSt.
zzgl. 6,90 € Versand (brutto)
einmalig pro Bestellung

Lieferzeit: 5 Werktage

Pos.
80
BOSCH Firmenschild AKE 40-18 S | Ersatzteile für AKE 40-18 S | 1601118K14
Hersteller: BOSCH
Artikelnummer: EB-3600H36C70-1601118K14
Netto: 5,17 € zzgl. MwSt.
zzgl. 6,90 € Versand (brutto)
einmalig pro Bestellung

Lieferzeit: 5 Werktage

Pos.
82
BOSCH Dichtstreifen | Ersatzteile für AKE 40-18 S | 1601010009
Hersteller: BOSCH
Artikelnummer: EB-3600H36C70-1601010009
Netto: 4,36 € zzgl. MwSt.
zzgl. 6,90 € Versand (brutto)
einmalig pro Bestellung

Lieferzeit: 5 Werktage

Pos.
83
BOSCH Aufkleber | Ersatzteile für AKE 40-18 S | 1601118A64
Hersteller: BOSCH
Artikelnummer: EB-3600H36C70-1601118A64
Netto: 5,17 € zzgl. MwSt.
zzgl. 6,90 € Versand (brutto)
einmalig pro Bestellung

Lieferzeit: 5 Werktage

Pos.
653
BOSCH Führungsschiene 400 MM | Ersatzteile für AKE 40-18 S | 1600A015H7
Hersteller: BOSCH
Artikelnummer: EB-3600H36C70-1600A015H7
Netto: 20,80 € zzgl. MwSt.
zzgl. 6,90 € Versand (brutto)
einmalig pro Bestellung

Lieferzeit: 5 Werktage

Pos.
654
BOSCH Sägekette AKE 40 | Ersatzteile für AKE 40-18 S | 2609007365
Hersteller: BOSCH
Artikelnummer: EB-3600H36C70-2609007365
Netto: 20,80 € zzgl. MwSt.
zzgl. 6,90 € Versand (brutto)
einmalig pro Bestellung

Lieferzeit: 5 Werktage

Pos.
655
BOSCH Stellplatte | Ersatzteile für AKE 40-18 S | 1601015035
Hersteller: BOSCH
Artikelnummer: EB-3600H36C70-1601015035
Netto: 6,75 € zzgl. MwSt.
zzgl. 6,90 € Versand (brutto)
einmalig pro Bestellung

Lieferzeit: 5 Werktage

Pos.
656
BOSCH Senkschraube | Ersatzteile für AKE 40-18 S | 1603421003
Hersteller: BOSCH
Artikelnummer: EB-3600H36C70-1603421003
Netto: 3,60 € zzgl. MwSt.
zzgl. 6,90 € Versand (brutto)
einmalig pro Bestellung

Lieferzeit: 5 Werktage

Pos.
802
BOSCH Wechselstrommotor | Ersatzteile für AKE 40-18 S | 1607000A62
Hersteller: BOSCH
Artikelnummer: EB-3600H36C70-1607000A62
nur Informationsartikel
Nie mehr lieferbar
keine Alternativen
Pos.
808
BOSCH Typschild | Ersatzteile für AKE 40-18 S | 160111A3H3
Hersteller: BOSCH
Artikelnummer: EB-3600H36C70-160111A3H3
Netto: 4,56 € zzgl. MwSt.
zzgl. 6,90 € Versand (brutto)
einmalig pro Bestellung

Lieferzeit: 5 Werktage

Pos.
810
BOSCH Kohlebürstensatz | Ersatzteile für AKE 40-18 S | 1607014170
Hersteller: BOSCH
Artikelnummer: EB-3600H36C70-1607014170
nur Informationsartikel
Nie mehr lieferbar
keine Alternativen
Pos.
818
BOSCH Zylinderschraube M3x6,5-4.8 | Ersatzteile für AKE 40-18 S | 2603410001
Hersteller: BOSCH
Artikelnummer: EB-3600H36C70-2603410001
Netto: 3,94 € zzgl. MwSt.
zzgl. 6,90 € Versand (brutto)
einmalig pro Bestellung

Lieferzeit: 5 Werktage

Pos.
821
BOSCH Gehäuseschale | Ersatzteile für AKE 40-18 S | 1607000A88
Hersteller: BOSCH
Artikelnummer: EB-3600H36C70-1607000A88
nur Informationsartikel
Nie mehr lieferbar
keine Alternativen
Pos.
822
BOSCH Gehäuseschale | Ersatzteile für AKE 40-18 S | 1607000884
Hersteller: BOSCH
Artikelnummer: EB-3600H36C70-1607000884
Netto: 42,08 € zzgl. MwSt.
zzgl. 6,90 € Versand (brutto)
einmalig pro Bestellung

Lieferzeit: 5 Werktage

Pos.
823
BOSCH Handgriff | Ersatzteile für AKE 40-18 S | 1605133046
Hersteller: BOSCH
Artikelnummer: EB-3600H36C70-1605133046
Netto: 23,72 € zzgl. MwSt.
zzgl. 6,90 € Versand (brutto)
einmalig pro Bestellung

Lieferzeit: 5 Werktage

Pos.
824
BOSCH Schutzschild | Ersatzteile für AKE 40-18 S | 1615510004
Hersteller: BOSCH
Artikelnummer: EB-3600H36C70-1615510004
nur Informationsartikel
Nie mehr lieferbar
keine Alternativen
Pos.
828
BOSCH Zwischenring | Ersatzteile für AKE 40-18 S | 1600206038
Hersteller: BOSCH
Artikelnummer: EB-3600H36C70-1600206038
nur Informationsartikel
Nie mehr lieferbar
keine Alternativen
Pos.
839
BOSCH Hohlrad | Ersatzteile für AKE 40-18 S | 1607000A06
Hersteller: BOSCH
Artikelnummer: EB-3600H36C70-1607000A06
Netto: 16,70 € zzgl. MwSt.
zzgl. 6,90 € Versand (brutto)
einmalig pro Bestellung

Lieferzeit: 5 Werktage

Pos.
840
BOSCH Kettenrad | Ersatzteile für AKE 40-18 S | 1607000885
Hersteller: BOSCH
Artikelnummer: EB-3600H36C70-1607000885
Netto: 6,75 € zzgl. MwSt.
zzgl. 6,90 € Versand (brutto)
einmalig pro Bestellung

Lieferzeit: 5 Werktage

Pos.
842
BOSCH Sieb | Ersatzteile für AKE 40-18 S | 1607431000
Hersteller: BOSCH
Artikelnummer: EB-3600H36C70-1607431000
Netto: 6,27 € zzgl. MwSt.
zzgl. 6,90 € Versand (brutto)
einmalig pro Bestellung

Lieferzeit: 5 Werktage

Pos.
843
BOSCH Behälterdeckel | Ersatzteile für AKE 40-18 S | 1607000A47
Hersteller: BOSCH
Artikelnummer: EB-3600H36C70-1607000A47
Netto: 7,26 € zzgl. MwSt.
zzgl. 6,90 € Versand (brutto)
einmalig pro Bestellung

Lieferzeit: 5 Werktage

Pos.
853
BOSCH Staubschutzdeckel | Ersatzteile für AKE 40-18 S | 1605190190
Hersteller: BOSCH
Artikelnummer: EB-3600H36C70-1605190190
Netto: 4,80 € zzgl. MwSt.
zzgl. 6,90 € Versand (brutto)
einmalig pro Bestellung

Lieferzeit: 5 Werktage

Pos.
865
BOSCH Schutzhaube | Ersatzteile für AKE 40-18 S | 1607000A63
Hersteller: BOSCH
Artikelnummer: EB-3600H36C70-1607000A63
nur Informationsartikel
Nie mehr lieferbar
keine Alternativen

Angaben zur Produktsicherheit

Hersteller:
Robert Bosch Power Tools GmbH
Postfach 30 02 20
70442 Stuttgart

E-Mail:
kontakt@bosch.de