BOSCH Ausgleichscheibe 0,3 MM | Ersatzteile für Akku-Grasschere | 2600101654

Artikelnummer: EB-0603231203-2600101654

Position: 61

Marke: BOSCH


Bitte Kompatibilität prüfen!

Bitte prüfen Sie unbedingt die 10-stellige Typennummer Ihrer Maschine / Ihres Gerätes. Das Ersatzteil ist nur kompatibel, wenn Sie die Typennummer Ihrer Maschine in der unten stehenden Produktbeschreibung finden.

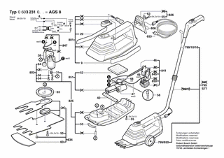
Bitte prüfen Sie ebenfalls detailliert die Explosionszeichnung mit Ihrem Artikelwunsch und der jeweiligen Pos-Nummer.

Alle Elemente, welche vom schwarzen Strich der Pos-Nummer ausgehend berührt / erfasst werden, gehören zu dieser Pos-Nummer und somit zu diesem Artikel. Jede Pos-Nummer ist ein eigenständiger Artikel, welchen Sie in der Auflistung finden.

Sie erhalten stets die aktuellste, neueste Produktversion zu der gewählten Pos-Nummer seitens des Herstellers. Es kann daher je nach Gerätealter vorkommen, dass Sie ggf. weitere, zugehörige Elemente, welche an diese Pos-Nummer grenzen, ebenfalls mittauschen müssen.

Nähere Informationen finden Sie unter dem Link
Hinweise zu Ihrer BOSCH Ersatzteilsuche

Preisübersicht

Einzelpreis: 3,94 €* (Brutto: 4,69 €)
Gesamtpreis: 3,94 €* 
Position:

Lieferzeit: 5 Werktage


Beschreibung

  • Ausgleichscheibe 0,3 MM
  • Original Bosch Zubehör / BOSCH Ersatzteil (2600101654)
  • im Gerät verbaut: 1
Dieses BOSCH Ersatzteil ist mit folgendem Gerät und Modell kompatibel:
  • BOSCH Gerätename: Akku-Grasschere
  • BOSCH Explosionszeichnung: Position 61
  • BOSCH Typennummer: 0603231203
  • BOSCH Typennummer alternative Schreibweisen: 0 603 231 203, 0603 231 203, 0.603.231.203, 0-603-231-203
    Bitte prüfen Sie diese Typennummer auf Ihrem Gerät um die Kompatibilität des BOSCH Ersatzteils zu gewährleisten.
Weitere BOSCH Ersatzteile des Gerätes Akku-Grasschere mit der Typennummer 0603231203 finden Sie in der nachfolgenden Darstellung und im Dropdown zu Ihrer Auswahl:

Pos.
1
BOSCH Gehäuseschale GRUEN | Ersatzteile für Akku-Grasschere | 2605104927
Hersteller: BOSCH
Artikelnummer: EB-0603231203-2605104927
nur Informationsartikel
Nie mehr lieferbar
keine Alternativen
Pos.
150/1
BOSCH Zylinderschraube DIN 84-AM3x20-8.8 | Ersatzteile für Akku-Grasschere | 2910021201
Hersteller: BOSCH
Artikelnummer: EB-0603231203-2910021201
nur Informationsartikel
Nie mehr lieferbar
keine Alternativen
Pos.
150/10
BOSCH Zylinderstift | Ersatzteile für Akku-Grasschere | 2603101001
Hersteller: BOSCH
Artikelnummer: EB-0603231203-2603101001
nur Informationsartikel
Nie mehr lieferbar
keine Alternativen
Pos.
150/11
BOSCH Klemmhalter | Ersatzteile für Akku-Grasschere | 1608040097
Hersteller: BOSCH
Artikelnummer: EB-0603231203-1608040097
nur Informationsartikel
Nie mehr lieferbar
keine Alternativen
Pos.
150/12
BOSCH Führungsrohr | Ersatzteile für Akku-Grasschere | 1600793002
Hersteller: BOSCH
Artikelnummer: EB-0603231203-1600793002
nur Informationsartikel
Nie mehr lieferbar
keine Alternativen
Pos.
150/2
BOSCH Federring M6 | Ersatzteile für Akku-Grasschere | 2916690005
Hersteller: BOSCH
Artikelnummer: EB-0603231203-2916690005
nur Informationsartikel
Nie mehr lieferbar
keine Alternativen
Pos.
150/3
BOSCH Sechskantschraube DIN 933-M8x30-5.8 | Ersatzteile für Akku-Grasschere | 2911052246
Hersteller: BOSCH
Artikelnummer: EB-0603231203-2911052246
nur Informationsartikel
Nie mehr lieferbar
keine Alternativen
Pos.
150/4
BOSCH Klemmstück | Ersatzteile für Akku-Grasschere | 2608040016
Hersteller: BOSCH
Artikelnummer: EB-0603231203-2608040016
nur Informationsartikel
Nie mehr lieferbar
keine Alternativen
Pos.
150/5
BOSCH Klemmhalter | Ersatzteile für Akku-Grasschere | 2608030003
Hersteller: BOSCH
Artikelnummer: EB-0603231203-2608030003
nur Informationsartikel
Nie mehr lieferbar
keine Alternativen
Pos.
150/6
BOSCH Flügelmutter | Ersatzteile für Akku-Grasschere | 2603339000
Hersteller: BOSCH
Artikelnummer: EB-0603231203-2603339000
nur Informationsartikel
Nie mehr lieferbar
keine Alternativen
Pos.
150/7
BOSCH Laufrolle | Ersatzteile für Akku-Grasschere | 2606625000
Hersteller: BOSCH
Artikelnummer: EB-0603231203-2606625000
nur Informationsartikel
Nie mehr lieferbar
keine Alternativen
Pos.
150/8
BOSCH Flügelschraube | Ersatzteile für Akku-Grasschere | 1603480004
Hersteller: BOSCH
Artikelnummer: EB-0603231203-1603480004
nur Informationsartikel
Nie mehr lieferbar
keine Alternativen
Pos.
150/9
BOSCH Befestigungsschelle | Ersatzteile für Akku-Grasschere | 1601302016
Hersteller: BOSCH
Artikelnummer: EB-0603231203-1601302016
nur Informationsartikel
Nie mehr lieferbar
keine Alternativen
Pos.
3/4/1
BOSCH Verschlussdeckel GRUEN | Ersatzteile für Akku-Grasschere | 1605500066
Hersteller: BOSCH
Artikelnummer: EB-0603231203-1605500066
nur Informationsartikel
Nie mehr lieferbar
keine Alternativen
Pos.
2
BOSCH Anker 220V | Ersatzteile für Akku-Grasschere | 2604010516
Hersteller: BOSCH
Artikelnummer: EB-0603231203-2604010516
nur Informationsartikel
Nie mehr lieferbar
keine Alternativen
Pos.
3
BOSCH Polschuh 220V | Ersatzteile für Akku-Grasschere | 1604220071
Hersteller: BOSCH
Artikelnummer: EB-0603231203-1604220071
nur Informationsartikel
Nie mehr lieferbar
keine Alternativen
Pos.
5
BOSCH Ein/Aus-Schalter | Ersatzteile für Akku-Grasschere | 1607200060
Hersteller: BOSCH
Artikelnummer: EB-0603231203-1607200060
nur Informationsartikel
Nie mehr lieferbar
keine Alternativen
Pos.
6
BOSCH Entstörkondensator | Ersatzteile für Akku-Grasschere | 2607329099
Hersteller: BOSCH
Artikelnummer: EB-0603231203-2607329099
nur Informationsartikel
Nie mehr lieferbar
keine Alternativen
Pos.
7
BOSCH Netzanschlussleitung | Ersatzteile für Akku-Grasschere | 2604460042
Hersteller: BOSCH
Artikelnummer: EB-0603231203-2604460042
nur Informationsartikel
Nie mehr lieferbar
keine Alternativen
Pos.
8
BOSCH Tülle Ø6,4-Ø7,5x75 MM | Ersatzteile für Akku-Grasschere | 1600703016
Hersteller: BOSCH
Artikelnummer: EB-0603231203-1600703016
Netto: 3,63 € zzgl. MwSt.
zzgl. 6,90 € Versand (brutto)
einmalig pro Bestellung

Lieferzeit: 5 Werktage

Pos.
8
BOSCH Tülle Ø9,5 MM | Ersatzteile für Akku-Grasschere | 2600703006
Hersteller: BOSCH
Artikelnummer: EB-0603231203-2600703006
nur Informationsartikel
Nie mehr lieferbar
keine Alternativen
Pos.
9
BOSCH Befestigungsschelle | Ersatzteile für Akku-Grasschere | 1601302014
Hersteller: BOSCH
Artikelnummer: EB-0603231203-1601302014
Netto: 3,94 € zzgl. MwSt.
zzgl. 6,90 € Versand (brutto)
einmalig pro Bestellung

Lieferzeit: 5 Werktage

Pos.
10
BOSCH Blechschraube DIN 7971-BZ3,9x6,5 | Ersatzteile für Akku-Grasschere | 2910211016
Hersteller: BOSCH
Artikelnummer: EB-0603231203-2910211016
nur Informationsartikel
Nie mehr lieferbar
keine Alternativen
Pos.
11
BOSCH Blechschraube DIN 7971-BZ3,9x9,5 | Ersatzteile für Akku-Grasschere | 2910211017
Hersteller: BOSCH
Artikelnummer: EB-0603231203-2910211017
nur Informationsartikel
Nie mehr lieferbar
keine Alternativen
Pos.
12
BOSCH Sinterbuchse | Ersatzteile für Akku-Grasschere | 1600301900
Hersteller: BOSCH
Artikelnummer: EB-0603231203-1600301900
nur Informationsartikel
Nie mehr lieferbar
keine Alternativen
Pos.
13
BOSCH Filzring | Ersatzteile für Akku-Grasschere | 1600205023
Hersteller: BOSCH
Artikelnummer: EB-0603231203-1600205023
nur Informationsartikel
Nie mehr lieferbar
keine Alternativen
Pos.
14
BOSCH O-Ring 8,0x2,5 MM | Ersatzteile für Akku-Grasschere | 1610210014
Hersteller: BOSCH
Artikelnummer: EB-0603231203-1610210014
nur Informationsartikel
Nie mehr lieferbar
keine Alternativen
Pos.
15
BOSCH Spiralfeder | Ersatzteile für Akku-Grasschere | 1604652004
Hersteller: BOSCH
Artikelnummer: EB-0603231203-1604652004
Netto: 4,53 € zzgl. MwSt.
zzgl. 6,90 € Versand (brutto)
einmalig pro Bestellung

Lieferzeit: 5 Werktage

Pos.
16
BOSCH Bürstenplatte | Ersatzteile für Akku-Grasschere | 1601034025
Hersteller: BOSCH
Artikelnummer: EB-0603231203-1601034025
nur Informationsartikel
Nie mehr lieferbar
keine Alternativen
Pos.
18
BOSCH Bürstenhalter | Ersatzteile für Akku-Grasschere | 1601323007
Hersteller: BOSCH
Artikelnummer: EB-0603231203-1601323007
nur Informationsartikel
Nie mehr lieferbar
keine Alternativen
Pos.
19
BOSCH Blechschraube DIN 7972-BZ2,9x6,5 | Ersatzteile für Akku-Grasschere | 2910601004
Hersteller: BOSCH
Artikelnummer: EB-0603231203-2910601004
nur Informationsartikel
Nie mehr lieferbar
keine Alternativen
Pos.
20
BOSCH Sicherungsring DIN 471-8x0,8 FSt | Ersatzteile für Akku-Grasschere | 2916640005
Hersteller: BOSCH
Artikelnummer: EB-0603231203-2916640005
nur Informationsartikel
Nie mehr lieferbar
keine Alternativen
Pos.
21
BOSCH Kugellager 8x22x7 | Ersatzteile für Akku-Grasschere | 1900905029
Hersteller: BOSCH
Artikelnummer: EB-0603231203-1900905029
Netto: 17,38 € zzgl. MwSt.
zzgl. 6,90 € Versand (brutto)
einmalig pro Bestellung

Lieferzeit: 5 Werktage

Pos.
22
BOSCH Blechschraube DIN 7971-ST3,9x16-F | Ersatzteile für Akku-Grasschere | 2910211019
Hersteller: BOSCH
Artikelnummer: EB-0603231203-2910211019
Netto: 3,63 € zzgl. MwSt.
zzgl. 6,90 € Versand (brutto)
einmalig pro Bestellung

Lieferzeit: 5 Werktage

Pos.
23
BOSCH Filzstreifen | Ersatzteile für Akku-Grasschere | 1601005003
Hersteller: BOSCH
Artikelnummer: EB-0603231203-1601005003
nur Informationsartikel
Nie mehr lieferbar
keine Alternativen
Pos.
24
BOSCH Stirnrad Z=61 | Ersatzteile für Akku-Grasschere | 2606320020
Hersteller: BOSCH
Artikelnummer: EB-0603231203-2606320020
nur Informationsartikel
Nie mehr lieferbar
keine Alternativen
Pos.
26
BOSCH Lagerbolzen | Ersatzteile für Akku-Grasschere | 2603103009
Hersteller: BOSCH
Artikelnummer: EB-0603231203-2603103009
nur Informationsartikel
Nie mehr lieferbar
keine Alternativen
Pos.
28
BOSCH Distanzscheibe | Ersatzteile für Akku-Grasschere | 2600200003
Hersteller: BOSCH
Artikelnummer: EB-0603231203-2600200003
nur Informationsartikel
Nie mehr lieferbar
keine Alternativen
Pos.
29
BOSCH Sicherungsring 30x1,2MM, DIN 472 | Ersatzteile für Akku-Grasschere | 2916660012
Hersteller: BOSCH
Artikelnummer: EB-0603231203-2916660012
Netto: 3,94 € zzgl. MwSt.
zzgl. 6,90 € Versand (brutto)
einmalig pro Bestellung

Lieferzeit: 5 Werktage

Pos.
30
BOSCH Rillenkugellager | Ersatzteile für Akku-Grasschere | 2600900003
Hersteller: BOSCH
Artikelnummer: EB-0603231203-2600900003
nur Informationsartikel
Nie mehr lieferbar
keine Alternativen
Pos.
31
BOSCH Filzscheibe | Ersatzteile für Akku-Grasschere | 2600005003
Hersteller: BOSCH
Artikelnummer: EB-0603231203-2600005003
nur Informationsartikel
Nie mehr lieferbar
keine Alternativen
Pos.
32
BOSCH Filzscheibe | Ersatzteile für Akku-Grasschere | 2600005001
Hersteller: BOSCH
Artikelnummer: EB-0603231203-2600005001
nur Informationsartikel
Nie mehr lieferbar
keine Alternativen
Pos.
33
BOSCH Zylinderschraube DIN 84-AM5x12-5.8 | Ersatzteile für Akku-Grasschere | 2910011154
Hersteller: BOSCH
Artikelnummer: EB-0603231203-2910011154
nur Informationsartikel
Nie mehr lieferbar
keine Alternativen
Pos.
34
BOSCH Federring DIN 128-A5-FST | Ersatzteile für Akku-Grasschere | 2916690004
Hersteller: BOSCH
Artikelnummer: EB-0603231203-2916690004
Netto: 3,94 € zzgl. MwSt.
zzgl. 6,90 € Versand (brutto)
einmalig pro Bestellung

Lieferzeit: 5 Werktage

Pos.
35
BOSCH Unterlegscheibe 5-ST | Ersatzteile für Akku-Grasschere | 2916021011
Hersteller: BOSCH
Artikelnummer: EB-0603231203-2916021011
nur Informationsartikel
Nie mehr lieferbar
keine Alternativen
Pos.
38
BOSCH Sicherungsring DIN 471-40x1,75-FST | Ersatzteile für Akku-Grasschere | 2916650020
Hersteller: BOSCH
Artikelnummer: EB-0603231203-2916650020
nur Informationsartikel
Nie mehr lieferbar
keine Alternativen
Pos.
41
BOSCH Zylinderschraube DIN 84-AM4x15-8.8 | Ersatzteile für Akku-Grasschere | 2910021125
Hersteller: BOSCH
Artikelnummer: EB-0603231203-2910021125
Netto: 3,63 € zzgl. MwSt.
zzgl. 6,90 € Versand (brutto)
einmalig pro Bestellung

Lieferzeit: 5 Werktage

Pos.
42
BOSCH Federring DIN 128-A4-FST | Ersatzteile für Akku-Grasschere | 2916690003
Hersteller: BOSCH
Artikelnummer: EB-0603231203-2916690003
Netto: 3,63 € zzgl. MwSt.
zzgl. 6,90 € Versand (brutto)
einmalig pro Bestellung

Lieferzeit: 5 Werktage

Pos.
43
BOSCH Unterlegscheibe DIN 125-A4,3-ST | Ersatzteile für Akku-Grasschere | 2916011010
Hersteller: BOSCH
Artikelnummer: EB-0603231203-2916011010
nur Informationsartikel
Nie mehr lieferbar
keine Alternativen
Pos.
44
BOSCH Typschild | Ersatzteile für Akku-Grasschere | 2601105051
Hersteller: BOSCH
Artikelnummer: EB-0603231203-2601105051
nur Informationsartikel
Nie mehr lieferbar
keine Alternativen
Pos.
45
BOSCH Firmenschild | Ersatzteile für Akku-Grasschere | 1601110013
Hersteller: BOSCH
Artikelnummer: EB-0603231203-1601110013
nur Informationsartikel
Nie mehr lieferbar
keine Alternativen
Pos.
46
BOSCH Hinweisschild | Ersatzteile für Akku-Grasschere | 2601110026
Hersteller: BOSCH
Artikelnummer: EB-0603231203-2601110026
nur Informationsartikel
Nie mehr lieferbar
keine Alternativen
Pos.
53
BOSCH Sechskantmutter DIN 934-M6-8-A | Ersatzteile für Akku-Grasschere | 2915011007
Hersteller: BOSCH
Artikelnummer: EB-0603231203-2915011007
Netto: 3,63 € zzgl. MwSt.
zzgl. 6,90 € Versand (brutto)
einmalig pro Bestellung

Lieferzeit: 5 Werktage

Pos.
60
BOSCH Schutzkappe | Ersatzteile für Akku-Grasschere | 2605510017
Hersteller: BOSCH
Artikelnummer: EB-0603231203-2605510017
nur Informationsartikel
Nie mehr lieferbar
keine Alternativen
Pos.
61
BOSCH Ausgleichscheibe 0,2 MM | Ersatzteile für Akku-Grasschere | 2600101651
Hersteller: BOSCH
Artikelnummer: EB-0603231203-2600101651
nur Informationsartikel
Nie mehr lieferbar
keine Alternativen
Pos.
61
BOSCH Ausgleichscheibe 0,3 MM | Ersatzteile für Akku-Grasschere | 2600101654
Hersteller: BOSCH
Artikelnummer: EB-0603231203-2600101654
Netto: 3,94 € zzgl. MwSt.
zzgl. 6,90 € Versand (brutto)
einmalig pro Bestellung

Lieferzeit: 5 Werktage

Pos.
85
BOSCH Blechschraube DIN 7971-BZ2,9x13 | Ersatzteile für Akku-Grasschere | 2910211006
Hersteller: BOSCH
Artikelnummer: EB-0603231203-2910211006
Netto: 3,63 € zzgl. MwSt.
zzgl. 6,90 € Versand (brutto)
einmalig pro Bestellung

Lieferzeit: 5 Werktage

Pos.
86
BOSCH Zylinderschraube M3x10 MM | Ersatzteile für Akku-Grasschere | 2603410023
Hersteller: BOSCH
Artikelnummer: EB-0603231203-2603410023
nur Informationsartikel
Nie mehr lieferbar
keine Alternativen
Pos.
92
BOSCH Isolierstreifen 33x10x6 MM | Ersatzteile für Akku-Grasschere | 1602381001
Hersteller: BOSCH
Artikelnummer: EB-0603231203-1602381001
nur Informationsartikel
Nie mehr lieferbar
keine Alternativen
Pos.
130
BOSCH Schermesser | Ersatzteile für Akku-Grasschere | 2607001007
Hersteller: BOSCH
Artikelnummer: EB-0603231203-2607001007
nur Informationsartikel
Nie mehr lieferbar
keine Alternativen
Pos.
135
BOSCH Flachkopfschraube M 4x20 MM | Ersatzteile für Akku-Grasschere | 2603410016
Hersteller: BOSCH
Artikelnummer: EB-0603231203-2603410016
nur Informationsartikel
Nie mehr lieferbar
keine Alternativen
Pos.
136
BOSCH Tellerfeder | Ersatzteile für Akku-Grasschere | 2600550002
Hersteller: BOSCH
Artikelnummer: EB-0603231203-2600550002
nur Informationsartikel
Nie mehr lieferbar
keine Alternativen
Pos.
137
BOSCH Führungsbuchse | Ersatzteile für Akku-Grasschere | 2600328001
Hersteller: BOSCH
Artikelnummer: EB-0603231203-2600328001
nur Informationsartikel
Nie mehr lieferbar
keine Alternativen
Pos.
139
BOSCH Sicherungsscheibe | Ersatzteile für Akku-Grasschere | 2600113008
Hersteller: BOSCH
Artikelnummer: EB-0603231203-2600113008
nur Informationsartikel
Nie mehr lieferbar
keine Alternativen
Pos.
140
BOSCH Führungshülse | Ersatzteile für Akku-Grasschere | 2600300013
Hersteller: BOSCH
Artikelnummer: EB-0603231203-2600300013
nur Informationsartikel
Nie mehr lieferbar
keine Alternativen
Pos.
141
BOSCH Unterlegscheibe A 4,3 DIN 125 ST | Ersatzteile für Akku-Grasschere | 2916021010
Hersteller: BOSCH
Artikelnummer: EB-0603231203-2916021010
nur Informationsartikel
Nie mehr lieferbar
keine Alternativen
Pos.
143
BOSCH Gleitstück | Ersatzteile für Akku-Grasschere | 2602329017
Hersteller: BOSCH
Artikelnummer: EB-0603231203-2602329017
nur Informationsartikel
Nie mehr lieferbar
keine Alternativen
Pos.
150
BOSCH Akku-Grasschere | Ersatzteile für Akku-Grasschere | 0603997054
Hersteller: BOSCH
Artikelnummer: EB-0603231203-0603997054
nur Informationsartikel
Nie mehr lieferbar
keine Alternativen
Pos.
800
BOSCH Instandsetzungssatz | Ersatzteile für Akku-Grasschere | 0603299002
Hersteller: BOSCH
Artikelnummer: EB-0603231203-0603299002
nur Informationsartikel
Nie mehr lieferbar
keine Alternativen
Pos.
801
BOSCH Teilesatz | Ersatzteile für Akku-Grasschere | 0603907203
Hersteller: BOSCH
Artikelnummer: EB-0603231203-0603907203
nur Informationsartikel
Nie mehr lieferbar
keine Alternativen
Pos.
817
BOSCH Kohlebürste | Ersatzteile für Akku-Grasschere | 1604321900
Hersteller: BOSCH
Artikelnummer: EB-0603231203-1604321900
nur Informationsartikel
Nie mehr lieferbar
keine Alternativen
Pos.
834
BOSCH Messersatz 80 MM | Ersatzteile für Akku-Grasschere | 1609200907
Hersteller: BOSCH
Artikelnummer: EB-0603231203-1609200907
nur Informationsartikel
Nie mehr lieferbar
keine Alternativen

Angaben zur Produktsicherheit

Hersteller:
Robert Bosch Power Tools GmbH
Postfach 30 02 20
70442 Stuttgart

E-Mail:
kontakt@bosch.de