BOSCH Schraube | Ersatzteile für AL500HV Version 2 | 2610A06392

Artikelnummer: EB-F034K61402-2610A06392

Position: 13

Marke: BOSCH


Bitte Kompatibilität prüfen!

Bitte prüfen Sie unbedingt die 10-stellige Typennummer Ihrer Maschine / Ihres Gerätes. Das Ersatzteil ist nur kompatibel, wenn Sie die Typennummer Ihrer Maschine in der unten stehenden Produktbeschreibung finden.

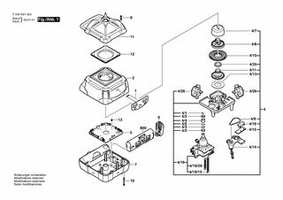
Bitte prüfen Sie ebenfalls detailliert die Explosionszeichnung mit Ihrem Artikelwunsch und der jeweiligen Pos-Nummer.

Alle Elemente, welche vom schwarzen Strich der Pos-Nummer ausgehend berührt / erfasst werden, gehören zu dieser Pos-Nummer und somit zu diesem Artikel. Jede Pos-Nummer ist ein eigenständiger Artikel, welchen Sie in der Auflistung finden.

Sie erhalten stets die aktuellste, neueste Produktversion zu der gewählten Pos-Nummer seitens des Herstellers. Es kann daher je nach Gerätealter vorkommen, dass Sie ggf. weitere, zugehörige Elemente, welche an diese Pos-Nummer grenzen, ebenfalls mittauschen müssen.

Nähere Informationen finden Sie unter dem Link
Hinweise zu Ihrer BOSCH Ersatzteilsuche

Preisübersicht

Einzelpreis: 3,63 €* (Brutto: 4,32 €)
Gesamtpreis: 3,63 €* 
Position:

Lieferzeit: 5 Werktage


Beschreibung

  • Schraube
  • Original Bosch Zubehör / BOSCH Ersatzteil (2610A06392)
  • im Gerät verbaut: 1
Dieses BOSCH Ersatzteil ist mit folgendem Gerät und Modell kompatibel:
  • BOSCH Gerätename: AL500HV Version 2
  • BOSCH Explosionszeichnung: Position 13
  • BOSCH Typennummer: F034K61402
  • BOSCH Typennummer alternative Schreibweisen: F 034 K61 402, F034 K61 402, F.034.K61.402, F-034-K61-402
    Bitte prüfen Sie diese Typennummer auf Ihrem Gerät um die Kompatibilität des BOSCH Ersatzteils zu gewährleisten.
Weitere BOSCH Ersatzteile des Gerätes AL500HV Version 2 (.) mit der Typennummer F034K61402 finden Sie in der nachfolgenden Darstellung und im Dropdown zu Ihrer Auswahl:

Pos.
1
BOSCH Tastatur | Ersatzteile für AL500HV Version 2 | 2610A07660
Hersteller: BOSCH
Artikelnummer: EB-F034K61402-2610A07660
nur Informationsartikel
Nie mehr lieferbar
keine Alternativen
Pos.
4/1
BOSCH Haltering | Ersatzteile für AL500HV Version 2 | 2610A07314
Hersteller: BOSCH
Artikelnummer: EB-F034K61402-2610A07314
Netto: 3,63 € zzgl. MwSt.
zzgl. 6,90 € Versand (brutto)
einmalig pro Bestellung

Lieferzeit: 5 Werktage

Pos.
4/10
BOSCH Stiefel | Ersatzteile für AL500HV Version 2 | 2610A07588
Hersteller: BOSCH
Artikelnummer: EB-F034K61402-2610A07588
nur Informationsartikel
Nie mehr lieferbar
keine Alternativen
Pos.
4/11
BOSCH Riemenrad | Ersatzteile für AL500HV Version 2 | 2610A07606
Hersteller: BOSCH
Artikelnummer: EB-F034K61402-2610A07606
nur Informationsartikel
Nie mehr lieferbar
keine Alternativen
Pos.
4/13
BOSCH Scheibe | Ersatzteile für AL500HV Version 2 | 2610A07641
Hersteller: BOSCH
Artikelnummer: EB-F034K61402-2610A07641
Netto: 4,32 € zzgl. MwSt.
zzgl. 6,90 € Versand (brutto)
einmalig pro Bestellung

Lieferzeit: 5 Werktage

Pos.
4/14
BOSCH Motor | Ersatzteile für AL500HV Version 2 | 2610A07198
Hersteller: BOSCH
Artikelnummer: EB-F034K61402-2610A07198
Netto: 63,99 € zzgl. MwSt.
zzgl. 6,90 € Versand (brutto)
einmalig pro Bestellung

Lieferzeit: 5 Werktage

Pos.
4/15
BOSCH Sensor | Ersatzteile für AL500HV Version 2 | 2610A07596
Hersteller: BOSCH
Artikelnummer: EB-F034K61402-2610A07596
Netto: 39,11 € zzgl. MwSt.
zzgl. 6,90 € Versand (brutto)
einmalig pro Bestellung

Lieferzeit: 5 Werktage

Pos.
4/16
BOSCH Hauptplatine | Ersatzteile für AL500HV Version 2 | 2610A07597
Hersteller: BOSCH
Artikelnummer: EB-F034K61402-2610A07597
nur Informationsartikel
Nie mehr lieferbar
keine Alternativen
Pos.
4/19
BOSCH Lasermodul | Ersatzteile für AL500HV Version 2 | 2610A12900
Hersteller: BOSCH
Artikelnummer: EB-F034K61402-2610A12900
nur Informationsartikel
Nie mehr lieferbar
keine Alternativen
Pos.
4/19/13
BOSCH Verbindungskabel | Ersatzteile für AL500HV Version 2 | 2610A06534
Hersteller: BOSCH
Artikelnummer: EB-F034K61402-2610A06534
Netto: 7,30 € zzgl. MwSt.
zzgl. 6,90 € Versand (brutto)
einmalig pro Bestellung

Lieferzeit: 5 Werktage

Pos.
4/19/29
BOSCH Verbindungskabel | Ersatzteile für AL500HV Version 2 | 2610A06532
Hersteller: BOSCH
Artikelnummer: EB-F034K61402-2610A06532
Netto: 6,70 € zzgl. MwSt.
zzgl. 6,90 € Versand (brutto)
einmalig pro Bestellung

Lieferzeit: 5 Werktage

Pos.
4/2
BOSCH Spindel | Ersatzteile für AL500HV Version 2 | 2610A07305
Hersteller: BOSCH
Artikelnummer: EB-F034K61402-2610A07305
Netto: 10,92 € zzgl. MwSt.
zzgl. 6,90 € Versand (brutto)
einmalig pro Bestellung

Lieferzeit: 5 Werktage

Pos.
4/26
BOSCH Motor | Ersatzteile für AL500HV Version 2 | 2610A12376
Hersteller: BOSCH
Artikelnummer: EB-F034K61402-2610A12376
nur Informationsartikel
Nie mehr lieferbar
keine Alternativen
Pos.
4/3
BOSCH Scheibe | Ersatzteile für AL500HV Version 2 | 2610A07313
Hersteller: BOSCH
Artikelnummer: EB-F034K61402-2610A07313
Netto: 3,63 € zzgl. MwSt.
zzgl. 6,90 € Versand (brutto)
einmalig pro Bestellung

Lieferzeit: 5 Werktage

Pos.
4/35
BOSCH Lager | Ersatzteile für AL500HV Version 2 | 2610A07589
Hersteller: BOSCH
Artikelnummer: EB-F034K61402-2610A07589
Netto: 24,13 € zzgl. MwSt.
zzgl. 6,90 € Versand (brutto)
einmalig pro Bestellung

Lieferzeit: 5 Werktage

Pos.
4/4
BOSCH Distanzstück | Ersatzteile für AL500HV Version 2 | 2610A07454
Hersteller: BOSCH
Artikelnummer: EB-F034K61402-2610A07454
Netto: 5,19 € zzgl. MwSt.
zzgl. 6,90 € Versand (brutto)
einmalig pro Bestellung

Lieferzeit: 5 Werktage

Pos.
4/5
BOSCH Federscheibe | Ersatzteile für AL500HV Version 2 | 2610A07312
Hersteller: BOSCH
Artikelnummer: EB-F034K61402-2610A07312
Netto: 3,63 € zzgl. MwSt.
zzgl. 6,90 € Versand (brutto)
einmalig pro Bestellung

Lieferzeit: 5 Werktage

Pos.
4/7
BOSCH Kappe | Ersatzteile für AL500HV Version 2 | 2610A07662
Hersteller: BOSCH
Artikelnummer: EB-F034K61402-2610A07662
Netto: 9,95 € zzgl. MwSt.
zzgl. 6,90 € Versand (brutto)
einmalig pro Bestellung

Lieferzeit: 5 Werktage

Pos.
4/8
BOSCH Sockel | Ersatzteile für AL500HV Version 2 | 2610A07337
Hersteller: BOSCH
Artikelnummer: EB-F034K61402-2610A07337
Netto: 153,18 € zzgl. MwSt.
zzgl. 6,90 € Versand (brutto)
einmalig pro Bestellung

Lieferzeit: 5 Werktage

Pos.
4/9
BOSCH O-Ring | Ersatzteile für AL500HV Version 2 | 2610A06435
Hersteller: BOSCH
Artikelnummer: EB-F034K61402-2610A06435
Netto: 5,19 € zzgl. MwSt.
zzgl. 6,90 € Versand (brutto)
einmalig pro Bestellung

Lieferzeit: 5 Werktage

Pos.
2
BOSCH Gehäuseoberteil | Ersatzteile für AL500HV Version 2 | 2610A07550
Hersteller: BOSCH
Artikelnummer: EB-F034K61402-2610A07550
nur Informationsartikel
Nie mehr lieferbar
keine Alternativen
Pos.
4
BOSCH Montageplatte | Ersatzteile für AL500HV Version 2 | 2610A11343
Hersteller: BOSCH
Artikelnummer: EB-F034K61402-2610A11343
nur Informationsartikel
Nie mehr lieferbar
keine Alternativen
Pos.
5
BOSCH Hauptplatine | Ersatzteile für AL500HV Version 2 | 2610A07658
Hersteller: BOSCH
Artikelnummer: EB-F034K61402-2610A07658
nur Informationsartikel
Nie mehr lieferbar
keine Alternativen
Pos.
6
BOSCH Batteriedeckel | Ersatzteile für AL500HV Version 2 | 2610A07561
Hersteller: BOSCH
Artikelnummer: EB-F034K61402-2610A07561
nur Informationsartikel
Nie mehr lieferbar
keine Alternativen
Pos.
7
BOSCH Gehäuseboden | Ersatzteile für AL500HV Version 2 | 2610A11341
Hersteller: BOSCH
Artikelnummer: EB-F034K61402-2610A11341
nur Informationsartikel
Nie mehr lieferbar
keine Alternativen
Pos.
9
BOSCH Schraube 4-20x3/4 | Ersatzteile für AL500HV Version 2 | 2610A07656
Hersteller: BOSCH
Artikelnummer: EB-F034K61402-2610A07656
nur Informationsartikel
Nie mehr lieferbar
keine Alternativen
Pos.
10
BOSCH Schraube | Ersatzteile für AL500HV Version 2 | 2610A07594
Hersteller: BOSCH
Artikelnummer: EB-F034K61402-2610A07594
Netto: 3,63 € zzgl. MwSt.
zzgl. 6,90 € Versand (brutto)
einmalig pro Bestellung

Lieferzeit: 5 Werktage

Pos.
11
BOSCH Gehäusekäfig | Ersatzteile für AL500HV Version 2 | 2610A07584
Hersteller: BOSCH
Artikelnummer: EB-F034K61402-2610A07584
nur Informationsartikel
Nie mehr lieferbar
keine Alternativen
Pos.
12
BOSCH Füllerplatte | Ersatzteile für AL500HV Version 2 | 2610A07583
Hersteller: BOSCH
Artikelnummer: EB-F034K61402-2610A07583
nur Informationsartikel
Nie mehr lieferbar
keine Alternativen
Pos.
13
BOSCH Schraube | Ersatzteile für AL500HV Version 2 | 2610A06392
Hersteller: BOSCH
Artikelnummer: EB-F034K61402-2610A06392
Netto: 3,63 € zzgl. MwSt.
zzgl. 6,90 € Versand (brutto)
einmalig pro Bestellung

Lieferzeit: 5 Werktage

Pos.
800
BOSCH Batteriegehäuse | Ersatzteile für AL500HV Version 2 | 2610A11344
Hersteller: BOSCH
Artikelnummer: EB-F034K61402-2610A11344
nur Informationsartikel
Nie mehr lieferbar
keine Alternativen

Angaben zur Produktsicherheit

Hersteller:
Robert Bosch Power Tools GmbH
Postfach 30 02 20
70442 Stuttgart

E-Mail:
kontakt@bosch.de