BOSCH Einstellschraube | Ersatzteile für AL8-22 | 2610A05702

Artikelnummer: EB-F034068700-2610A05702

Position: 58

Marke: BOSCH


Bitte Kompatibilität prüfen!

Bitte prüfen Sie unbedingt die 10-stellige Typennummer Ihrer Maschine / Ihres Gerätes. Das Ersatzteil ist nur kompatibel, wenn Sie die Typennummer Ihrer Maschine in der unten stehenden Produktbeschreibung finden.

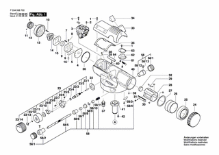
Bitte prüfen Sie ebenfalls detailliert die Explosionszeichnung mit Ihrem Artikelwunsch und der jeweiligen Pos-Nummer.

Alle Elemente, welche vom schwarzen Strich der Pos-Nummer ausgehend berührt / erfasst werden, gehören zu dieser Pos-Nummer und somit zu diesem Artikel. Jede Pos-Nummer ist ein eigenständiger Artikel, welchen Sie in der Auflistung finden.

Sie erhalten stets die aktuellste, neueste Produktversion zu der gewählten Pos-Nummer seitens des Herstellers. Es kann daher je nach Gerätealter vorkommen, dass Sie ggf. weitere, zugehörige Elemente, welche an diese Pos-Nummer grenzen, ebenfalls mittauschen müssen.

Nähere Informationen finden Sie unter dem Link
Hinweise zu Ihrer BOSCH Ersatzteilsuche

Preisübersicht

Einzelpreis: 19,18 €* (Brutto: 22,82 €)
Gesamtpreis: 19,18 €* 
Position:

Lieferzeit: 5 Werktage


Beschreibung

  • Einstellschraube
  • Original Bosch Zubehör / BOSCH Ersatzteil (2610A05702)
  • im Gerät verbaut: 1
Dieses BOSCH Ersatzteil ist mit folgendem Gerät und Modell kompatibel:
  • BOSCH Gerätename: AL8-22
  • BOSCH Explosionszeichnung: Position 58
  • BOSCH Typennummer: F034068700
  • BOSCH Typennummer alternative Schreibweisen: F 034 068 700, F034 068 700, F.034.068.700, F-034-068-700
    Bitte prüfen Sie diese Typennummer auf Ihrem Gerät um die Kompatibilität des BOSCH Ersatzteils zu gewährleisten.
Weitere BOSCH Ersatzteile des Gerätes AL8-22 (.) mit der Typennummer F034068700 finden Sie in der nachfolgenden Darstellung und im Dropdown zu Ihrer Auswahl:

Pos.
1
BOSCH Schraube | Ersatzteile für AL8-22 | 2610A02324
Hersteller: BOSCH
Artikelnummer: EB-F034068700-2610A02324
Netto: 3,63 € zzgl. MwSt.
zzgl. 6,90 € Versand (brutto)
einmalig pro Bestellung

Lieferzeit: 5 Werktage

Pos.
23/1
BOSCH Stift | Ersatzteile für AL8-22 | 2610A03400
Hersteller: BOSCH
Artikelnummer: EB-F034068700-2610A03400
Netto: 3,94 € zzgl. MwSt.
zzgl. 6,90 € Versand (brutto)
einmalig pro Bestellung

Lieferzeit: 5 Werktage

Pos.
23/10
BOSCH Scheibe | Ersatzteile für AL8-22 | 2610A02546
Hersteller: BOSCH
Artikelnummer: EB-F034068700-2610A02546
Netto: 3,63 € zzgl. MwSt.
zzgl. 6,90 € Versand (brutto)
einmalig pro Bestellung

Lieferzeit: 5 Werktage

Pos.
23/11
BOSCH Stellknopf | Ersatzteile für AL8-22 | 2610A03403
Hersteller: BOSCH
Artikelnummer: EB-F034068700-2610A03403
Netto: 3,94 € zzgl. MwSt.
zzgl. 6,90 € Versand (brutto)
einmalig pro Bestellung

Lieferzeit: 5 Werktage

Pos.
23/12
BOSCH Scheibe | Ersatzteile für AL8-22 | 2610A02549
Hersteller: BOSCH
Artikelnummer: EB-F034068700-2610A02549
Netto: 3,63 € zzgl. MwSt.
zzgl. 6,90 € Versand (brutto)
einmalig pro Bestellung

Lieferzeit: 5 Werktage

Pos.
23/13
BOSCH Schraube | Ersatzteile für AL8-22 | 2610A03405
Hersteller: BOSCH
Artikelnummer: EB-F034068700-2610A03405
Netto: 4,32 € zzgl. MwSt.
zzgl. 6,90 € Versand (brutto)
einmalig pro Bestellung

Lieferzeit: 5 Werktage

Pos.
23/14
BOSCH Kappe | Ersatzteile für AL8-22 | 2610A03404
Hersteller: BOSCH
Artikelnummer: EB-F034068700-2610A03404
Netto: 7,76 € zzgl. MwSt.
zzgl. 6,90 € Versand (brutto)
einmalig pro Bestellung

Lieferzeit: 5 Werktage

Pos.
23/2
BOSCH Kontaktlasche | Ersatzteile für AL8-22 | 2610A03338
Hersteller: BOSCH
Artikelnummer: EB-F034068700-2610A03338
Netto: 3,63 € zzgl. MwSt.
zzgl. 6,90 € Versand (brutto)
einmalig pro Bestellung

Lieferzeit: 5 Werktage

Pos.
23/3
BOSCH Schaft | Ersatzteile für AL8-22 | 2610A03397
Hersteller: BOSCH
Artikelnummer: EB-F034068700-2610A03397
Netto: 6,15 € zzgl. MwSt.
zzgl. 6,90 € Versand (brutto)
einmalig pro Bestellung

Lieferzeit: 5 Werktage

Pos.
23/4
BOSCH O-Ring | Ersatzteile für AL8-22 | 2610A03401
Hersteller: BOSCH
Artikelnummer: EB-F034068700-2610A03401
Netto: 3,63 € zzgl. MwSt.
zzgl. 6,90 € Versand (brutto)
einmalig pro Bestellung

Lieferzeit: 5 Werktage

Pos.
23/5
BOSCH Schraube | Ersatzteile für AL8-22 | 2610A02507
Hersteller: BOSCH
Artikelnummer: EB-F034068700-2610A02507
Netto: 3,60 € zzgl. MwSt.
zzgl. 6,90 € Versand (brutto)
einmalig pro Bestellung

Lieferzeit: 5 Werktage

Pos.
23/6
BOSCH Getriebegehäuse | Ersatzteile für AL8-22 | 2610A03398
Hersteller: BOSCH
Artikelnummer: EB-F034068700-2610A03398
Netto: 14,36 € zzgl. MwSt.
zzgl. 6,90 € Versand (brutto)
einmalig pro Bestellung

Lieferzeit: 5 Werktage

Pos.
23/7
BOSCH Schraube | Ersatzteile für AL8-22 | 2610A02504
Hersteller: BOSCH
Artikelnummer: EB-F034068700-2610A02504
Netto: 3,63 € zzgl. MwSt.
zzgl. 6,90 € Versand (brutto)
einmalig pro Bestellung

Lieferzeit: 5 Werktage

Pos.
23/8
BOSCH Federstift | Ersatzteile für AL8-22 | 2610A02550
Hersteller: BOSCH
Artikelnummer: EB-F034068700-2610A02550
Netto: 3,63 € zzgl. MwSt.
zzgl. 6,90 € Versand (brutto)
einmalig pro Bestellung

Lieferzeit: 5 Werktage

Pos.
23/9
BOSCH Anschlagring | Ersatzteile für AL8-22 | 2610A03402
Hersteller: BOSCH
Artikelnummer: EB-F034068700-2610A03402
Netto: 3,94 € zzgl. MwSt.
zzgl. 6,90 € Versand (brutto)
einmalig pro Bestellung

Lieferzeit: 5 Werktage

Pos.
58/1
BOSCH Kappe | Ersatzteile für AL8-22 | 2610A05677
Hersteller: BOSCH
Artikelnummer: EB-F034068700-2610A05677
Netto: 3,94 € zzgl. MwSt.
zzgl. 6,90 € Versand (brutto)
einmalig pro Bestellung

Lieferzeit: 5 Werktage

Pos.
58/10
BOSCH Distanzstück | Ersatzteile für AL8-22 | 2610A05681
Hersteller: BOSCH
Artikelnummer: EB-F034068700-2610A05681
Netto: 3,63 € zzgl. MwSt.
zzgl. 6,90 € Versand (brutto)
einmalig pro Bestellung

Lieferzeit: 5 Werktage

Pos.
58/11
BOSCH Kontaktlasche | Ersatzteile für AL8-22 | 2610A05680
Hersteller: BOSCH
Artikelnummer: EB-F034068700-2610A05680
Netto: 3,94 € zzgl. MwSt.
zzgl. 6,90 € Versand (brutto)
einmalig pro Bestellung

Lieferzeit: 5 Werktage

Pos.
58/12
BOSCH Stellknopf | Ersatzteile für AL8-22 | 2610A05689
Hersteller: BOSCH
Artikelnummer: EB-F034068700-2610A05689
Netto: 4,53 € zzgl. MwSt.
zzgl. 6,90 € Versand (brutto)
einmalig pro Bestellung

Lieferzeit: 5 Werktage

Pos.
58/13
BOSCH Schraube | Ersatzteile für AL8-22 | 2610A03381
Hersteller: BOSCH
Artikelnummer: EB-F034068700-2610A03381
Netto: 3,94 € zzgl. MwSt.
zzgl. 6,90 € Versand (brutto)
einmalig pro Bestellung

Lieferzeit: 5 Werktage

Pos.
58/2
BOSCH Stellknopf | Ersatzteile für AL8-22 | 2610A05679
Hersteller: BOSCH
Artikelnummer: EB-F034068700-2610A05679
Netto: 4,53 € zzgl. MwSt.
zzgl. 6,90 € Versand (brutto)
einmalig pro Bestellung

Lieferzeit: 5 Werktage

Pos.
58/3
BOSCH Kontaktlasche | Ersatzteile für AL8-22 | 2610A03389
Hersteller: BOSCH
Artikelnummer: EB-F034068700-2610A03389
Netto: 3,94 € zzgl. MwSt.
zzgl. 6,90 € Versand (brutto)
einmalig pro Bestellung

Lieferzeit: 5 Werktage

Pos.
58/4
BOSCH Schraube | Ersatzteile für AL8-22 | 2610A03369
Hersteller: BOSCH
Artikelnummer: EB-F034068700-2610A03369
Netto: 3,63 € zzgl. MwSt.
zzgl. 6,90 € Versand (brutto)
einmalig pro Bestellung

Lieferzeit: 5 Werktage

Pos.
58/5
BOSCH Schraube | Ersatzteile für AL8-22 | 2610A05686
Hersteller: BOSCH
Artikelnummer: EB-F034068700-2610A05686
Netto: 7,76 € zzgl. MwSt.
zzgl. 6,90 € Versand (brutto)
einmalig pro Bestellung

Lieferzeit: 5 Werktage

Pos.
58/6
BOSCH Lagerbuchse | Ersatzteile für AL8-22 | 2610A05685
Hersteller: BOSCH
Artikelnummer: EB-F034068700-2610A05685
Netto: 7,30 € zzgl. MwSt.
zzgl. 6,90 € Versand (brutto)
einmalig pro Bestellung

Lieferzeit: 5 Werktage

Pos.
58/7
BOSCH Distanzstück | Ersatzteile für AL8-22 | 2610A05684
Hersteller: BOSCH
Artikelnummer: EB-F034068700-2610A05684
nur Informationsartikel
Nie mehr lieferbar
keine Alternativen
Pos.
58/8
BOSCH Kontakthalter | Ersatzteile für AL8-22 | 2610A05683
Hersteller: BOSCH
Artikelnummer: EB-F034068700-2610A05683
Netto: 7,76 € zzgl. MwSt.
zzgl. 6,90 € Versand (brutto)
einmalig pro Bestellung

Lieferzeit: 5 Werktage

Pos.
58/9
BOSCH Scheibe | Ersatzteile für AL8-22 | 2610A05682
Hersteller: BOSCH
Artikelnummer: EB-F034068700-2610A05682
Netto: 3,63 € zzgl. MwSt.
zzgl. 6,90 € Versand (brutto)
einmalig pro Bestellung

Lieferzeit: 5 Werktage

Pos.
2
BOSCH Gelenkbolzen | Ersatzteile für AL8-22 | 2610A05748
Hersteller: BOSCH
Artikelnummer: EB-F034068700-2610A05748
Netto: 3,63 € zzgl. MwSt.
zzgl. 6,90 € Versand (brutto)
einmalig pro Bestellung

Lieferzeit: 5 Werktage

Pos.
3
BOSCH Kompensator | Ersatzteile für AL8-22 | 2610A03364
Hersteller: BOSCH
Artikelnummer: EB-F034068700-2610A03364
Netto: 52,14 € zzgl. MwSt.
zzgl. 6,90 € Versand (brutto)
einmalig pro Bestellung

Lieferzeit: 5 Werktage

Pos.
4
BOSCH Mattendichtung | Ersatzteile für AL8-22 | 2610A05661
Hersteller: BOSCH
Artikelnummer: EB-F034068700-2610A05661
Netto: 3,63 € zzgl. MwSt.
zzgl. 6,90 € Versand (brutto)
einmalig pro Bestellung

Lieferzeit: 5 Werktage

Pos.
5
BOSCH Kontaktlasche | Ersatzteile für AL8-22 | 2610A05662
Hersteller: BOSCH
Artikelnummer: EB-F034068700-2610A05662
Netto: 3,94 € zzgl. MwSt.
zzgl. 6,90 € Versand (brutto)
einmalig pro Bestellung

Lieferzeit: 5 Werktage

Pos.
6
BOSCH Befestigungswinkel | Ersatzteile für AL8-22 | 2610A05723
Hersteller: BOSCH
Artikelnummer: EB-F034068700-2610A05723
Netto: 7,76 € zzgl. MwSt.
zzgl. 6,90 € Versand (brutto)
einmalig pro Bestellung

Lieferzeit: 5 Werktage

Pos.
7
BOSCH Schraube | Ersatzteile für AL8-22 | 2610A05712
Hersteller: BOSCH
Artikelnummer: EB-F034068700-2610A05712
Netto: 3,63 € zzgl. MwSt.
zzgl. 6,90 € Versand (brutto)
einmalig pro Bestellung

Lieferzeit: 5 Werktage

Pos.
8
BOSCH Schraube | Ersatzteile für AL8-22 | 2610A05614
Hersteller: BOSCH
Artikelnummer: EB-F034068700-2610A05614
Netto: 3,94 € zzgl. MwSt.
zzgl. 6,90 € Versand (brutto)
einmalig pro Bestellung

Lieferzeit: 5 Werktage

Pos.
9
BOSCH Fadenkreuzeinsatz | Ersatzteile für AL8-22 | 2610A03372
Hersteller: BOSCH
Artikelnummer: EB-F034068700-2610A03372
Netto: 24,13 € zzgl. MwSt.
zzgl. 6,90 € Versand (brutto)
einmalig pro Bestellung

Lieferzeit: 5 Werktage

Pos.
10
BOSCH Schraube | Ersatzteile für AL8-22 | 2610A05726
Hersteller: BOSCH
Artikelnummer: EB-F034068700-2610A05726
Netto: 3,63 € zzgl. MwSt.
zzgl. 6,90 € Versand (brutto)
einmalig pro Bestellung

Lieferzeit: 5 Werktage

Pos.
11
BOSCH Gewindestift | Ersatzteile für AL8-22 | 2610A05724
Hersteller: BOSCH
Artikelnummer: EB-F034068700-2610A05724
Netto: 3,63 € zzgl. MwSt.
zzgl. 6,90 € Versand (brutto)
einmalig pro Bestellung

Lieferzeit: 5 Werktage

Pos.
12
BOSCH Schutzhaube | Ersatzteile für AL8-22 | 2610A03395
Hersteller: BOSCH
Artikelnummer: EB-F034068700-2610A03395
nur Informationsartikel
Nie mehr lieferbar
keine Alternativen
Pos.
13
BOSCH Abdeckung | Ersatzteile für AL8-22 | 2610A03374
Hersteller: BOSCH
Artikelnummer: EB-F034068700-2610A03374
nur Informationsartikel
Nie mehr lieferbar
keine Alternativen
Pos.
14
BOSCH Okular | Ersatzteile für AL8-22 | 2610A05773
Hersteller: BOSCH
Artikelnummer: EB-F034068700-2610A05773
nur Informationsartikel
Nie mehr lieferbar
keine Alternativen
Pos.
15
BOSCH Mattendichtung | Ersatzteile für AL8-22 | 2610A05731
Hersteller: BOSCH
Artikelnummer: EB-F034068700-2610A05731
Netto: 3,63 € zzgl. MwSt.
zzgl. 6,90 € Versand (brutto)
einmalig pro Bestellung

Lieferzeit: 5 Werktage

Pos.
16
BOSCH Kolben | Ersatzteile für AL8-22 | 2610A05622
Hersteller: BOSCH
Artikelnummer: EB-F034068700-2610A05622
Netto: 3,63 € zzgl. MwSt.
zzgl. 6,90 € Versand (brutto)
einmalig pro Bestellung

Lieferzeit: 5 Werktage

Pos.
17
BOSCH Schraubbuchse | Ersatzteile für AL8-22 | 2610A05709
Hersteller: BOSCH
Artikelnummer: EB-F034068700-2610A05709
nur Informationsartikel
Nie mehr lieferbar
keine Alternativen
Pos.
18
BOSCH Einstellknopf | Ersatzteile für AL8-22 | 2610A05628
Hersteller: BOSCH
Artikelnummer: EB-F034068700-2610A05628
Netto: 6,15 € zzgl. MwSt.
zzgl. 6,90 € Versand (brutto)
einmalig pro Bestellung

Lieferzeit: 5 Werktage

Pos.
19
BOSCH Spannkonus | Ersatzteile für AL8-22 | 2610A05629
Hersteller: BOSCH
Artikelnummer: EB-F034068700-2610A05629
Netto: 3,94 € zzgl. MwSt.
zzgl. 6,90 € Versand (brutto)
einmalig pro Bestellung

Lieferzeit: 5 Werktage

Pos.
20
BOSCH Mutter | Ersatzteile für AL8-22 | 2610A05631
Hersteller: BOSCH
Artikelnummer: EB-F034068700-2610A05631
Netto: 3,94 € zzgl. MwSt.
zzgl. 6,90 € Versand (brutto)
einmalig pro Bestellung

Lieferzeit: 5 Werktage

Pos.
21
BOSCH Scheibe | Ersatzteile für AL8-22 | 2610A05630
Hersteller: BOSCH
Artikelnummer: EB-F034068700-2610A05630
Netto: 3,94 € zzgl. MwSt.
zzgl. 6,90 € Versand (brutto)
einmalig pro Bestellung

Lieferzeit: 5 Werktage

Pos.
22
BOSCH Mattendichtung | Ersatzteile für AL8-22 | 2610A03399
Hersteller: BOSCH
Artikelnummer: EB-F034068700-2610A03399
Netto: 3,94 € zzgl. MwSt.
zzgl. 6,90 € Versand (brutto)
einmalig pro Bestellung

Lieferzeit: 5 Werktage

Pos.
23
BOSCH Fokussiereinrichtung | Ersatzteile für AL8-22 | 2610A03385
Hersteller: BOSCH
Artikelnummer: EB-F034068700-2610A03385
Netto: 17,38 € zzgl. MwSt.
zzgl. 6,90 € Versand (brutto)
einmalig pro Bestellung

Lieferzeit: 5 Werktage

Pos.
23
BOSCH Fokussiereinrichtung 16MM | Ersatzteile für AL8-22 | 1619PA5229
Hersteller: BOSCH
Artikelnummer: EB-F034068700-1619PA5229
Netto: 10,92 € zzgl. MwSt.
zzgl. 6,90 € Versand (brutto)
einmalig pro Bestellung

Lieferzeit: 5 Werktage

Pos.
24
BOSCH Kappe | Ersatzteile für AL8-22 | 2610A03394
Hersteller: BOSCH
Artikelnummer: EB-F034068700-2610A03394
Netto: 5,19 € zzgl. MwSt.
zzgl. 6,90 € Versand (brutto)
einmalig pro Bestellung

Lieferzeit: 5 Werktage

Pos.
25
BOSCH Abdeckring | Ersatzteile für AL8-22 | 2610A03376
Hersteller: BOSCH
Artikelnummer: EB-F034068700-2610A03376
nur Informationsartikel
Nie mehr lieferbar
keine Alternativen
Pos.
26
BOSCH Objektiv | Ersatzteile für AL8-22 | 2610A03366
Hersteller: BOSCH
Artikelnummer: EB-F034068700-2610A03366
Netto: 57,47 € zzgl. MwSt.
zzgl. 6,90 € Versand (brutto)
einmalig pro Bestellung

Lieferzeit: 5 Werktage

Pos.
27
BOSCH Distanzstück | Ersatzteile für AL8-22 | 2610A03392
Hersteller: BOSCH
Artikelnummer: EB-F034068700-2610A03392
Netto: 5,67 € zzgl. MwSt.
zzgl. 6,90 € Versand (brutto)
einmalig pro Bestellung

Lieferzeit: 5 Werktage

Pos.
28
BOSCH Schieber | Ersatzteile für AL8-22 | 2610A03377
Hersteller: BOSCH
Artikelnummer: EB-F034068700-2610A03377
Netto: 15,75 € zzgl. MwSt.
zzgl. 6,90 € Versand (brutto)
einmalig pro Bestellung

Lieferzeit: 5 Werktage

Pos.
29
BOSCH Kontaktlasche | Ersatzteile für AL8-22 | 2610A05649
Hersteller: BOSCH
Artikelnummer: EB-F034068700-2610A05649
Netto: 3,63 € zzgl. MwSt.
zzgl. 6,90 € Versand (brutto)
einmalig pro Bestellung

Lieferzeit: 5 Werktage

Pos.
30
BOSCH Zahnstange | Ersatzteile für AL8-22 | 2610A03378
Hersteller: BOSCH
Artikelnummer: EB-F034068700-2610A03378
nur Informationsartikel
Nie mehr lieferbar
keine Alternativen
Pos.
31
BOSCH Schraube | Ersatzteile für AL8-22 | 2610A03380
Hersteller: BOSCH
Artikelnummer: EB-F034068700-2610A03380
Netto: 3,63 € zzgl. MwSt.
zzgl. 6,90 € Versand (brutto)
einmalig pro Bestellung

Lieferzeit: 5 Werktage

Pos.
32
BOSCH Objektiv | Ersatzteile für AL8-22 | 2610A05653
Hersteller: BOSCH
Artikelnummer: EB-F034068700-2610A05653
Netto: 17,38 € zzgl. MwSt.
zzgl. 6,90 € Versand (brutto)
einmalig pro Bestellung

Lieferzeit: 5 Werktage

Pos.
33
BOSCH Abdeckung | Ersatzteile für AL8-22 | 2610A03391
Hersteller: BOSCH
Artikelnummer: EB-F034068700-2610A03391
nur Informationsartikel
Nie mehr lieferbar
keine Alternativen
Pos.
34
BOSCH Lesegerät | Ersatzteile für AL8-22 | 2610A03379
Hersteller: BOSCH
Artikelnummer: EB-F034068700-2610A03379
Netto: 4,82 € zzgl. MwSt.
zzgl. 6,90 € Versand (brutto)
einmalig pro Bestellung

Lieferzeit: 5 Werktage

Pos.
35
BOSCH O-Ring | Ersatzteile für AL8-22 | 2610A03367
Hersteller: BOSCH
Artikelnummer: EB-F034068700-2610A03367
Netto: 4,53 € zzgl. MwSt.
zzgl. 6,90 € Versand (brutto)
einmalig pro Bestellung

Lieferzeit: 5 Werktage

Pos.
36
BOSCH Mattendichtung | Ersatzteile für AL8-22 | 2610A11904
Hersteller: BOSCH
Artikelnummer: EB-F034068700-2610A11904
Netto: 3,94 € zzgl. MwSt.
zzgl. 6,90 € Versand (brutto)
einmalig pro Bestellung

Lieferzeit: 5 Werktage

Pos.
37
BOSCH Transportsicherung | Ersatzteile für AL8-22 | 2610A05751
Hersteller: BOSCH
Artikelnummer: EB-F034068700-2610A05751
Netto: 4,82 € zzgl. MwSt.
zzgl. 6,90 € Versand (brutto)
einmalig pro Bestellung

Lieferzeit: 5 Werktage

Pos.
38
BOSCH Schraube | Ersatzteile für AL8-22 | 2610A03368
Hersteller: BOSCH
Artikelnummer: EB-F034068700-2610A03368
Netto: 3,63 € zzgl. MwSt.
zzgl. 6,90 € Versand (brutto)
einmalig pro Bestellung

Lieferzeit: 5 Werktage

Pos.
39
BOSCH Anzeigegerät | Ersatzteile für AL8-22 | 2610A03339
Hersteller: BOSCH
Artikelnummer: EB-F034068700-2610A03339
Netto: 3,63 € zzgl. MwSt.
zzgl. 6,90 € Versand (brutto)
einmalig pro Bestellung

Lieferzeit: 5 Werktage

Pos.
40
BOSCH Teleskop | Ersatzteile für AL8-22 | 2610A03336
Hersteller: BOSCH
Artikelnummer: EB-F034068700-2610A03336
nur Informationsartikel
Nie mehr lieferbar
keine Alternativen
Pos.
41
BOSCH Spindel | Ersatzteile für AL8-22 | 2610A05664
Hersteller: BOSCH
Artikelnummer: EB-F034068700-2610A05664
Netto: 21,16 € zzgl. MwSt.
zzgl. 6,90 € Versand (brutto)
einmalig pro Bestellung

Lieferzeit: 5 Werktage

Pos.
42
BOSCH Schraube | Ersatzteile für AL8-22 | 2610A03384
Hersteller: BOSCH
Artikelnummer: EB-F034068700-2610A03384
Netto: 3,63 € zzgl. MwSt.
zzgl. 6,90 € Versand (brutto)
einmalig pro Bestellung

Lieferzeit: 5 Werktage

Pos.
43
BOSCH Scheibe | Ersatzteile für AL8-22 | 2610A05665
Hersteller: BOSCH
Artikelnummer: EB-F034068700-2610A05665
Netto: 3,63 € zzgl. MwSt.
zzgl. 6,90 € Versand (brutto)
einmalig pro Bestellung

Lieferzeit: 5 Werktage

Pos.
44
BOSCH Sprengring | Ersatzteile für AL8-22 | 2610A05666
Hersteller: BOSCH
Artikelnummer: EB-F034068700-2610A05666
Netto: 3,63 € zzgl. MwSt.
zzgl. 6,90 € Versand (brutto)
einmalig pro Bestellung

Lieferzeit: 5 Werktage

Pos.
45
BOSCH Getriebe | Ersatzteile für AL8-22 | 2610A05667
Hersteller: BOSCH
Artikelnummer: EB-F034068700-2610A05667
Netto: 7,30 € zzgl. MwSt.
zzgl. 6,90 € Versand (brutto)
einmalig pro Bestellung

Lieferzeit: 5 Werktage

Pos.
46
BOSCH Kontaktlasche | Ersatzteile für AL8-22 | 2610A05669
Hersteller: BOSCH
Artikelnummer: EB-F034068700-2610A05669
Netto: 4,53 € zzgl. MwSt.
zzgl. 6,90 € Versand (brutto)
einmalig pro Bestellung

Lieferzeit: 5 Werktage

Pos.
47
BOSCH Sprengring | Ersatzteile für AL8-22 | 2610A05671
Hersteller: BOSCH
Artikelnummer: EB-F034068700-2610A05671
Netto: 3,63 € zzgl. MwSt.
zzgl. 6,90 € Versand (brutto)
einmalig pro Bestellung

Lieferzeit: 5 Werktage

Pos.
48
BOSCH Sprengring | Ersatzteile für AL8-22 | 2610A05744
Hersteller: BOSCH
Artikelnummer: EB-F034068700-2610A05744
Netto: 3,63 € zzgl. MwSt.
zzgl. 6,90 € Versand (brutto)
einmalig pro Bestellung

Lieferzeit: 5 Werktage

Pos.
49
BOSCH Gradscheibe | Ersatzteile für AL8-22 | 2610A05673
Hersteller: BOSCH
Artikelnummer: EB-F034068700-2610A05673
Netto: 8,33 € zzgl. MwSt.
zzgl. 6,90 € Versand (brutto)
einmalig pro Bestellung

Lieferzeit: 5 Werktage

Pos.
50
BOSCH Scheibe | Ersatzteile für AL8-22 | 2610A05675
Hersteller: BOSCH
Artikelnummer: EB-F034068700-2610A05675
Netto: 6,15 € zzgl. MwSt.
zzgl. 6,90 € Versand (brutto)
einmalig pro Bestellung

Lieferzeit: 5 Werktage

Pos.
51
BOSCH Schraube | Ersatzteile für AL8-22 | 2610A05694
Hersteller: BOSCH
Artikelnummer: EB-F034068700-2610A05694
Netto: 7,76 € zzgl. MwSt.
zzgl. 6,90 € Versand (brutto)
einmalig pro Bestellung

Lieferzeit: 5 Werktage

Pos.
52
BOSCH Grundplatte | Ersatzteile für AL8-22 | 2610A05691
Hersteller: BOSCH
Artikelnummer: EB-F034068700-2610A05691
Netto: 9,18 € zzgl. MwSt.
zzgl. 6,90 € Versand (brutto)
einmalig pro Bestellung

Lieferzeit: 5 Werktage

Pos.
53
BOSCH Kugelsitz | Ersatzteile für AL8-22 | 2610A05693
Hersteller: BOSCH
Artikelnummer: EB-F034068700-2610A05693
Netto: 3,63 € zzgl. MwSt.
zzgl. 6,90 € Versand (brutto)
einmalig pro Bestellung

Lieferzeit: 5 Werktage

Pos.
54
BOSCH Kugel | Ersatzteile für AL8-22 | 2610A05692
Hersteller: BOSCH
Artikelnummer: EB-F034068700-2610A05692
Netto: 3,63 € zzgl. MwSt.
zzgl. 6,90 € Versand (brutto)
einmalig pro Bestellung

Lieferzeit: 5 Werktage

Pos.
55
BOSCH Abdeckplatte | Ersatzteile für AL8-22 | 2610A02731
Hersteller: BOSCH
Artikelnummer: EB-F034068700-2610A02731
nur Informationsartikel
Nie mehr lieferbar
keine Alternativen
Pos.
56
BOSCH Grundplatte | Ersatzteile für AL8-22 | 2610A05676
Hersteller: BOSCH
Artikelnummer: EB-F034068700-2610A05676
Netto: 19,18 € zzgl. MwSt.
zzgl. 6,90 € Versand (brutto)
einmalig pro Bestellung

Lieferzeit: 5 Werktage

Pos.
57
BOSCH Schraube | Ersatzteile für AL8-22 | 2610A05734
Hersteller: BOSCH
Artikelnummer: EB-F034068700-2610A05734
Netto: 3,94 € zzgl. MwSt.
zzgl. 6,90 € Versand (brutto)
einmalig pro Bestellung

Lieferzeit: 5 Werktage

Pos.
58
BOSCH Einstellschraube | Ersatzteile für AL8-22 | 2610A05702
Hersteller: BOSCH
Artikelnummer: EB-F034068700-2610A05702
Netto: 19,18 € zzgl. MwSt.
zzgl. 6,90 € Versand (brutto)
einmalig pro Bestellung

Lieferzeit: 5 Werktage

Pos.
59
BOSCH Schraube | Ersatzteile für AL8-22 | 2610A03382
Hersteller: BOSCH
Artikelnummer: EB-F034068700-2610A03382
Netto: 3,63 € zzgl. MwSt.
zzgl. 6,90 € Versand (brutto)
einmalig pro Bestellung

Lieferzeit: 5 Werktage

Pos.
60
BOSCH Gewindestift | Ersatzteile für AL8-22 | 2610A03370
Hersteller: BOSCH
Artikelnummer: EB-F034068700-2610A03370
Netto: 3,63 € zzgl. MwSt.
zzgl. 6,90 € Versand (brutto)
einmalig pro Bestellung

Lieferzeit: 5 Werktage

Pos.
61
BOSCH Schraube | Ersatzteile für AL8-22 | 2610A05758
Hersteller: BOSCH
Artikelnummer: EB-F034068700-2610A05758
Netto: 3,63 € zzgl. MwSt.
zzgl. 6,90 € Versand (brutto)
einmalig pro Bestellung

Lieferzeit: 5 Werktage

Pos.
62
BOSCH Libelle | Ersatzteile für AL8-22 | 2610A05699
Hersteller: BOSCH
Artikelnummer: EB-F034068700-2610A05699
nur Informationsartikel
Nie mehr lieferbar
keine Alternativen
Pos.
63
BOSCH Kontaktlasche | Ersatzteile für AL8-22 | 2610A05697
Hersteller: BOSCH
Artikelnummer: EB-F034068700-2610A05697
Netto: 3,63 € zzgl. MwSt.
zzgl. 6,90 € Versand (brutto)
einmalig pro Bestellung

Lieferzeit: 5 Werktage

Pos.
64
BOSCH Sucherrohr | Ersatzteile für AL8-22 | 2610A03383
Hersteller: BOSCH
Artikelnummer: EB-F034068700-2610A03383
Netto: 5,19 € zzgl. MwSt.
zzgl. 6,90 € Versand (brutto)
einmalig pro Bestellung

Lieferzeit: 5 Werktage

Angaben zur Produktsicherheit

Hersteller:
Robert Bosch Power Tools GmbH
Postfach 30 02 20
70442 Stuttgart

E-Mail:
kontakt@bosch.de