BOSCH Tülle | Ersatzteile für AQUATAK 100 | F016F02904

Artikelnummer: EB-0600872003-F016F02904

Position: 1/14/79

Marke: BOSCH


Bitte Kompatibilität prüfen!

Bitte prüfen Sie unbedingt die 10-stellige Typennummer Ihrer Maschine / Ihres Gerätes. Das Ersatzteil ist nur kompatibel, wenn Sie die Typennummer Ihrer Maschine in der unten stehenden Produktbeschreibung finden.

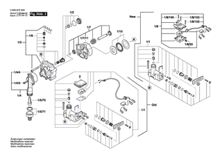
Bitte prüfen Sie ebenfalls detailliert die Explosionszeichnung mit Ihrem Artikelwunsch und der jeweiligen Pos-Nummer.

Alle Elemente, welche vom schwarzen Strich der Pos-Nummer ausgehend berührt / erfasst werden, gehören zu dieser Pos-Nummer und somit zu diesem Artikel. Jede Pos-Nummer ist ein eigenständiger Artikel, welchen Sie in der Auflistung finden.

Sie erhalten stets die aktuellste, neueste Produktversion zu der gewählten Pos-Nummer seitens des Herstellers. Es kann daher je nach Gerätealter vorkommen, dass Sie ggf. weitere, zugehörige Elemente, welche an diese Pos-Nummer grenzen, ebenfalls mittauschen müssen.

Nähere Informationen finden Sie unter dem Link
Hinweise zu Ihrer BOSCH Ersatzteilsuche

Preisübersicht

Einzelpreis: 4,10 €* (Brutto: 4,88 €)
Gesamtpreis: 4,10 €* 
Position:

Lieferzeit: 5 Werktage


Beschreibung

  • Tülle
  • Original Bosch Zubehör / BOSCH Ersatzteil (F016F02904)
  • im Gerät verbaut: 1
Dieses BOSCH Ersatzteil ist mit folgendem Gerät und Modell kompatibel:
  • BOSCH Gerätename: AQUATAK 100
  • BOSCH Explosionszeichnung: Position 1/14/79
  • BOSCH Typennummer: 0600872003
  • BOSCH Typennummer alternative Schreibweisen: 0 600 872 003, 0600 872 003, 0.600.872.003, 0-600-872-003
    Bitte prüfen Sie diese Typennummer auf Ihrem Gerät um die Kompatibilität des BOSCH Ersatzteils zu gewährleisten.
Weitere BOSCH Ersatzteile des Gerätes AQUATAK 100 (Hochdruckreiniger) mit der Typennummer 0600872003 finden Sie in der nachfolgenden Darstellung und im Dropdown zu Ihrer Auswahl:

Pos.
1/1
BOSCH Steuerkopf | Ersatzteile für AQUATAK 100 | F016F03624
Hersteller: BOSCH
Artikelnummer: EB-0600872003-F016F03624
nur Informationsartikel
Nie mehr lieferbar
keine Alternativen
Pos.
1/4/4
BOSCH O-Ring | Ersatzteile für AQUATAK 100 | F016F02901
Hersteller: BOSCH
Artikelnummer: EB-0600872003-F016F02901
nur Informationsartikel
Nie mehr lieferbar
keine Alternativen
Pos.
1/5/71
BOSCH Anschlussverschraubung | Ersatzteile für AQUATAK 100 | F016102409
Hersteller: BOSCH
Artikelnummer: EB-0600872003-F016102409
nur Informationsartikel
Nie mehr lieferbar
keine Alternativen
Pos.
1/8
BOSCH Schalter | Ersatzteile für AQUATAK 100 | F016F02915
Hersteller: BOSCH
Artikelnummer: EB-0600872003-F016F02915
nur Informationsartikel
Nie mehr lieferbar
keine Alternativen
Pos.
1/9
BOSCH Gehäuse | Ersatzteile für AQUATAK 100 | F016F02916
Hersteller: BOSCH
Artikelnummer: EB-0600872003-F016F02916
nur Informationsartikel
Nie mehr lieferbar
keine Alternativen
Pos.
1/9/91
BOSCH Schraube | Ersatzteile für AQUATAK 100 | F016F02925
Hersteller: BOSCH
Artikelnummer: EB-0600872003-F016F02925
nur Informationsartikel
Nie mehr lieferbar
keine Alternativen
Pos.
2/6
BOSCH Strahlrohr | Ersatzteile für AQUATAK 100 | F016F02930
Hersteller: BOSCH
Artikelnummer: EB-0600872003-F016F02930
nur Informationsartikel
Nie mehr lieferbar
keine Alternativen
Pos.
1/10
BOSCH Kugellager | Ersatzteile für AQUATAK 100 | F016F02917
Hersteller: BOSCH
Artikelnummer: EB-0600872003-F016F02917
Netto: 29,45 € zzgl. MwSt.
zzgl. 6,90 € Versand (brutto)
einmalig pro Bestellung

Lieferzeit: 5 Werktage

Pos.
1/11
BOSCH Kabelhalter | Ersatzteile für AQUATAK 100 | F016F02918
Hersteller: BOSCH
Artikelnummer: EB-0600872003-F016F02918
Netto: 9,95 € zzgl. MwSt.
zzgl. 6,90 € Versand (brutto)
einmalig pro Bestellung

Lieferzeit: 5 Werktage

Pos.
1/11/89
BOSCH Kabelhalter | Ersatzteile für AQUATAK 100 | F016F02923
Hersteller: BOSCH
Artikelnummer: EB-0600872003-F016F02923
Netto: 6,05 € zzgl. MwSt.
zzgl. 6,90 € Versand (brutto)
einmalig pro Bestellung

Lieferzeit: 5 Werktage

Pos.
1/11/90
BOSCH Mutter | Ersatzteile für AQUATAK 100 | F016F02924
Hersteller: BOSCH
Artikelnummer: EB-0600872003-F016F02924
nur Informationsartikel
Nie mehr lieferbar
keine Alternativen
Pos.
1/12
BOSCH Lagerschild | Ersatzteile für AQUATAK 100 | F016F02919
Hersteller: BOSCH
Artikelnummer: EB-0600872003-F016F02919
nur Informationsartikel
Nie mehr lieferbar
keine Alternativen
Pos.
1/12/59
BOSCH O-Ring | Ersatzteile für AQUATAK 100 | F016F02900
Hersteller: BOSCH
Artikelnummer: EB-0600872003-F016F02900
Netto: 3,63 € zzgl. MwSt.
zzgl. 6,90 € Versand (brutto)
einmalig pro Bestellung

Lieferzeit: 5 Werktage

Pos.
1/12/81
BOSCH Luftfilter | Ersatzteile für AQUATAK 100 | F016F02907
Hersteller: BOSCH
Artikelnummer: EB-0600872003-F016F02907
Netto: 6,70 € zzgl. MwSt.
zzgl. 6,90 € Versand (brutto)
einmalig pro Bestellung

Lieferzeit: 5 Werktage

Pos.
1/13
BOSCH Elektromotor | Ersatzteile für AQUATAK 100 | F016F02920
Hersteller: BOSCH
Artikelnummer: EB-0600872003-F016F02920
Netto: 153,18 € zzgl. MwSt.
zzgl. 6,90 € Versand (brutto)
einmalig pro Bestellung

Lieferzeit: 5 Werktage

Pos.
1/13/53
BOSCH Vorlegscheibe | Ersatzteile für AQUATAK 100 | F016F02902
Hersteller: BOSCH
Artikelnummer: EB-0600872003-F016F02902
Netto: 3,63 € zzgl. MwSt.
zzgl. 6,90 € Versand (brutto)
einmalig pro Bestellung

Lieferzeit: 5 Werktage

Pos.
1/13/56
BOSCH Schraube | Ersatzteile für AQUATAK 100 | F016F02895
Hersteller: BOSCH
Artikelnummer: EB-0600872003-F016F02895
Netto: 3,63 € zzgl. MwSt.
zzgl. 6,90 € Versand (brutto)
einmalig pro Bestellung

Lieferzeit: 5 Werktage

Pos.
1/13/58
BOSCH Gummipuffer | Ersatzteile für AQUATAK 100 | F016F02903
Hersteller: BOSCH
Artikelnummer: EB-0600872003-F016F02903
nur Informationsartikel
Nie mehr lieferbar
keine Alternativen
Pos.
1/13/82
BOSCH Luftfilter | Ersatzteile für AQUATAK 100 | F016F02906
Hersteller: BOSCH
Artikelnummer: EB-0600872003-F016F02906
Netto: 6,77 € zzgl. MwSt.
zzgl. 6,90 € Versand (brutto)
einmalig pro Bestellung

Lieferzeit: 5 Werktage

Pos.
1/14
BOSCH Netzanschlussleitung | Ersatzteile für AQUATAK 100 | F016F02921
Hersteller: BOSCH
Artikelnummer: EB-0600872003-F016F02921
nur Informationsartikel
Nie mehr lieferbar
keine Alternativen
Pos.
1/14/79
BOSCH Tülle | Ersatzteile für AQUATAK 100 | F016F02904
Hersteller: BOSCH
Artikelnummer: EB-0600872003-F016F02904
Netto: 4,10 € zzgl. MwSt.
zzgl. 6,90 € Versand (brutto)
einmalig pro Bestellung

Lieferzeit: 5 Werktage

Pos.
1/15
BOSCH Schalter | Ersatzteile für AQUATAK 100 | F016F03373
Hersteller: BOSCH
Artikelnummer: EB-0600872003-F016F03373
Netto: 17,38 € zzgl. MwSt.
zzgl. 6,90 € Versand (brutto)
einmalig pro Bestellung

Lieferzeit: 5 Werktage

Pos.
1/2
BOSCH Dichtung | Ersatzteile für AQUATAK 100 | F016F03324
Hersteller: BOSCH
Artikelnummer: EB-0600872003-F016F03324
Netto: 7,30 € zzgl. MwSt.
zzgl. 6,90 € Versand (brutto)
einmalig pro Bestellung

Lieferzeit: 5 Werktage

Pos.
1/3
BOSCH Zylinderkopf | Ersatzteile für AQUATAK 100 | F016F02910
Hersteller: BOSCH
Artikelnummer: EB-0600872003-F016F02910
Netto: 39,11 € zzgl. MwSt.
zzgl. 6,90 € Versand (brutto)
einmalig pro Bestellung

Lieferzeit: 5 Werktage

Pos.
1/4
BOSCH Verbindungsstück | Ersatzteile für AQUATAK 100 | F016F02911
Hersteller: BOSCH
Artikelnummer: EB-0600872003-F016F02911
nur Informationsartikel
Nie mehr lieferbar
keine Alternativen
Pos.
1/4/3
BOSCH Schraube | Ersatzteile für AQUATAK 100 | F016F02894
Hersteller: BOSCH
Artikelnummer: EB-0600872003-F016F02894
Netto: 3,49 € zzgl. MwSt.
zzgl. 6,90 € Versand (brutto)
einmalig pro Bestellung

Lieferzeit: 5 Werktage

Pos.
1/5/70
BOSCH Sieb | Ersatzteile für AQUATAK 100 | F016F02905
Hersteller: BOSCH
Artikelnummer: EB-0600872003-F016F02905
Netto: 5,19 € zzgl. MwSt.
zzgl. 6,90 € Versand (brutto)
einmalig pro Bestellung

Lieferzeit: 5 Werktage

Pos.
1/6
BOSCH Ventil | Ersatzteile für AQUATAK 100 | F016F02913
Hersteller: BOSCH
Artikelnummer: EB-0600872003-F016F02913
Netto: 7,30 € zzgl. MwSt.
zzgl. 6,90 € Versand (brutto)
einmalig pro Bestellung

Lieferzeit: 5 Werktage

Pos.
1/7
BOSCH Gehäuse | Ersatzteile für AQUATAK 100 | F016F02914
Hersteller: BOSCH
Artikelnummer: EB-0600872003-F016F02914
Netto: 52,14 € zzgl. MwSt.
zzgl. 6,90 € Versand (brutto)
einmalig pro Bestellung

Lieferzeit: 5 Werktage

Pos.
1/7/11
BOSCH O-Ring 63,17x2,62 MM | Ersatzteile für AQUATAK 100 | F016F02899
Hersteller: BOSCH
Artikelnummer: EB-0600872003-F016F02899
Netto: 3,63 € zzgl. MwSt.
zzgl. 6,90 € Versand (brutto)
einmalig pro Bestellung

Lieferzeit: 5 Werktage

Pos.
1/8/100
BOSCH Schraube | Ersatzteile für AQUATAK 100 | F016F03334
Hersteller: BOSCH
Artikelnummer: EB-0600872003-F016F03334
Netto: 3,49 € zzgl. MwSt.
zzgl. 6,90 € Versand (brutto)
einmalig pro Bestellung

Lieferzeit: 5 Werktage

Pos.
1/8/102
BOSCH Schraube | Ersatzteile für AQUATAK 100 | F016F03335
Hersteller: BOSCH
Artikelnummer: EB-0600872003-F016F03335
Netto: 3,63 € zzgl. MwSt.
zzgl. 6,90 € Versand (brutto)
einmalig pro Bestellung

Lieferzeit: 5 Werktage

Pos.
1/8/103
BOSCH Schraube | Ersatzteile für AQUATAK 100 | F016F03336
Hersteller: BOSCH
Artikelnummer: EB-0600872003-F016F03336
Netto: 3,63 € zzgl. MwSt.
zzgl. 6,90 € Versand (brutto)
einmalig pro Bestellung

Lieferzeit: 5 Werktage

Pos.
1/8/25
BOSCH Gehäuse | Ersatzteile für AQUATAK 100 | F016F03337
Hersteller: BOSCH
Artikelnummer: EB-0600872003-F016F03337
Netto: 5,17 € zzgl. MwSt.
zzgl. 6,90 € Versand (brutto)
einmalig pro Bestellung

Lieferzeit: 5 Werktage

Pos.
1/9/73
BOSCH Schraube | Ersatzteile für AQUATAK 100 | F016F02898
Hersteller: BOSCH
Artikelnummer: EB-0600872003-F016F02898
Netto: 3,63 € zzgl. MwSt.
zzgl. 6,90 € Versand (brutto)
einmalig pro Bestellung

Lieferzeit: 5 Werktage

Pos.
1/9/77
BOSCH Schraube | Ersatzteile für AQUATAK 100 | F016F02896
Hersteller: BOSCH
Artikelnummer: EB-0600872003-F016F02896
Netto: 3,63 € zzgl. MwSt.
zzgl. 6,90 € Versand (brutto)
einmalig pro Bestellung

Lieferzeit: 5 Werktage

Pos.
1/9/84
BOSCH Schraube | Ersatzteile für AQUATAK 100 | F016F02897
Hersteller: BOSCH
Artikelnummer: EB-0600872003-F016F02897
Netto: 3,75 € zzgl. MwSt.
zzgl. 6,90 € Versand (brutto)
einmalig pro Bestellung

Lieferzeit: 5 Werktage

Pos.
1/9/92
BOSCH Kabelhalter | Ersatzteile für AQUATAK 100 | F016F02926
Hersteller: BOSCH
Artikelnummer: EB-0600872003-F016F02926
Netto: 3,63 € zzgl. MwSt.
zzgl. 6,90 € Versand (brutto)
einmalig pro Bestellung

Lieferzeit: 5 Werktage

Pos.
2/1
BOSCH Handgriff | Ersatzteile für AQUATAK 100 | F016F02927
Hersteller: BOSCH
Artikelnummer: EB-0600872003-F016F02927
nur Informationsartikel
Nie mehr lieferbar
keine Alternativen
Pos.
2/10
BOSCH Verlängerungsrohr | Ersatzteile für AQUATAK 100 | F016F02932
Hersteller: BOSCH
Artikelnummer: EB-0600872003-F016F02932
nur Informationsartikel
Nie mehr lieferbar
keine Alternativen
Pos.
2/10/1
BOSCH O-Ring | Ersatzteile für AQUATAK 100 | F016F03541
Hersteller: BOSCH
Artikelnummer: EB-0600872003-F016F03541
nur Informationsartikel
Nie mehr lieferbar
keine Alternativen
Pos.
2/4
BOSCH Behälter | Ersatzteile für AQUATAK 100 | F016F02928
Hersteller: BOSCH
Artikelnummer: EB-0600872003-F016F02928
nur Informationsartikel
Nie mehr lieferbar
keine Alternativen
Pos.
2/5
BOSCH Düse | Ersatzteile für AQUATAK 100 | F016F02929
Hersteller: BOSCH
Artikelnummer: EB-0600872003-F016F02929
Netto: 20,38 € zzgl. MwSt.
zzgl. 6,90 € Versand (brutto)
einmalig pro Bestellung

Lieferzeit: 5 Werktage

Pos.
2/6/1
BOSCH O-Ring | Ersatzteile für AQUATAK 100 | F016F03330
Hersteller: BOSCH
Artikelnummer: EB-0600872003-F016F03330
nur Informationsartikel
Nie mehr lieferbar
keine Alternativen
Pos.
2/8
BOSCH Düse | Ersatzteile für AQUATAK 100 | F016F02931
Hersteller: BOSCH
Artikelnummer: EB-0600872003-F016F02931
nur Informationsartikel
Nie mehr lieferbar
keine Alternativen

Angaben zur Produktsicherheit

Hersteller:
Robert Bosch Power Tools GmbH
Postfach 30 02 20
70442 Stuttgart

E-Mail:
kontakt@bosch.de